Please wait… 
Please wait while we process your order,
do not press the back button… 
Design 911 Design 911 supply Porsche parts, Porsche spares and Porsche accessories, to both retail and to the trade. Our Porsche product and accessory range includes brakes, exhausts, tyres, wheels and Porsche panels and interiors. https://www.design91.uk/images/schemaLogo.png https://www.design91.uk/images/schemaLogo.png +443456003478 https://www.design91.uk Facebook Instagram

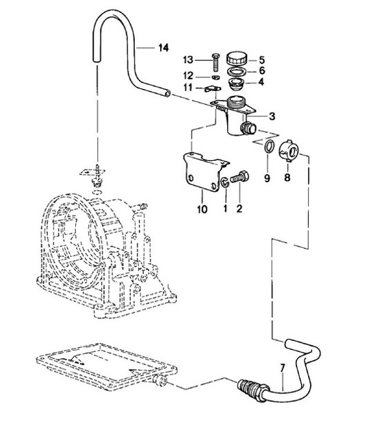
Oil inlet - Automatic transmission - 924 1980 - 1985 - PORSCHE

Click the image numbers to view product info

Diagram 309-005 Porsche 924 (1977-1988) Transmission SKU: N0120281, lock ring b 10 SKU: PCG0102537, hexagon-head bolt m 10 x 22 SKU: 477321475, filling container SKU: 477321479A, strainer SKU: 477321481, screw-on cap SKU: 477321483A, gasket SKU: 477321400, filler tube SKU: 477321485, union nut SKU: 477321487, o-ring SKU: 477321491, support SKU: 477321494, packing plate SKU: PCG012226F, spring washer b 6 SKU: PCG010215A, hexagon-head bolt m 6 x 15 SKU: 477321495, hose 340 mm 309-005