Cylinder Head / Camshaft Carrier

Fits:
Porsche 924S - 1986 to 1988
Porsche 944 - 1982 to 1989
Porsche 944 turbo - 1985 to 1991
Porsche 928 / 928S / 928S2 - 1978 to 1986
Click 'Zoom in' for large parts diagram.
Diagram ref no 6
Related reference numbers
Related, superseded, cross reference or alternative numbers for comparison.
92810518902
The product you are viewing cross references to these numbers
- Porsche 924S 2.5L 1986-87
- Porsche 924S 2.5L 1988
- Porsche 944 2.5L 8V 1982-87
- Porsche 944 2.7L 8V 1988-89
- Porsche 944 Turbo 2.5L 8V 1985-88
- Porsche 944 Turbo 2.5L 8V 1989-91
- Porsche 944 Turbo S 2.5L 8V 1988
- Porsche 928 4.5L 1978-82
- Porsche 928S 4.7L 1981-83
- Porsche 928S2 4.7L 1984-86

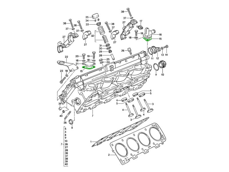
The Porsche Cylinder Head End Cap / Coolant Outlet Gasket is a genuine OEM seal designed for the coolant flange connection on the cylinder head. This gasket ensures a leak-free joint between the cylinder head and the coolant outlet housing or hose flange, preventing coolant loss and maintaining proper engine temperature regulation.
Sold Each.
x2 Required Per Car.
Fits:
- Porsche 944S 2.5L 16V 1987-88
- Porsche 944S2 3.0L 16V 1989-91
- Porsche 968 3.0L 1992-94
- Porsche 968 Sport 3.0L 1994-95
- Porsche 968 CS 3.0L 1993-95
- Porsche 968 Turbo S 3.0L 1993-94
- Porsche 928S2 4.7L 1985-86
- Porsche 928S4 5.0L 1987-87
- Porsche 928GTS 5.4L 1992-95
What This Product Does:
It seals the joint between the cylinder head and water hose or water neck / outlet flange, preventing coolant from leaking at that junction.
Helps maintain the cooling system integrity, making sure coolant flows properly through the head and out to the rest of the cooling circuit without leakage.
Prevents loss of coolant, overheating, or mixing of coolant with other engine areas (e.g. externally leaking coolant in engine bay).
Symptoms & Signs Of A Failing Gasket:
- Coolant leaks from around the cylinder head / hose junction at the water outlet area.
- Pooling coolant under the engine, especially after the car sits.
- Overheating or fluctuating engine temperature, if the cooling circuit loses pressure or leaks.
- Low coolant level without obvious reservoir leak.
- Evidence of corrosion or rust around the hose / flange / head joint, possibly greenish or whitish residue.
- Wetness (coolant drips) along the head surface under hose connections.
Why Replacement Matters:
- Prevents Coolant Leaks
- Maintains Cooling Efficiency
- Protects Against Costly Repairs
- Prevents Corrosion & Residue
Diagram Ref No 15
Related reference numbers
Related, superseded, cross reference or alternative numbers for comparison.
92810616701
The product you are viewing cross references to these numbers
- Porsche 944S 2.5L 16V 1987-88
- Porsche 944S2 3.0L 16V 1989-91
- Porsche 968 3.0L 1992-94
- Porsche 968 Sport 3.0L 1994-95
- Porsche 968 CS 3.0L 1993-95
- Porsche 968 Turbo S 3.0L 1993-94
- Porsche 928S2 4.7L 1984-86
- Porsche 928S4 5.0L 1987-92
- Porsche 928GTS 5.4L 1992-95


Fits:
Porsche 924S 1986-88
Porsche 944 1982-91
Click 'Zoom in' for large parts diagram.
Diagram ref no 22
Related reference numbers
Related, superseded, cross reference or alternative numbers for comparison.
92810619704
The product you are viewing cross references to these numbers
- Porsche 924S 2.5L 1986-87
- Porsche 924S 2.5L 1988
- Porsche 944 2.5L 8V 1982-87
- Porsche 944 2.7L 8V 1988-89
- Porsche 944S 2.5L 16V 1987-88
- Porsche 944S2 3.0L 16V 1989-91
- Porsche 944 Turbo 2.5L 8V 1985-88
- Porsche 944 Turbo 2.5L 8V 1989-91
- Porsche 944 Turbo S 2.5L 8V 1988


Fits:
Porsche 924S 8V 1986-88
Porsche 944 8V 1982-91
Click 'Zoom in' for large parts diagram
Diagram ref no 2.
Related reference numbers
Related, superseded, cross reference or alternative numbers for comparison.
95110437402
The product you are viewing cross references to these numbers
- Porsche 924S 2.5L 1986-87
- Porsche 924S 2.5L 1988
- Porsche 944 2.5L 8V 1982-87
- Porsche 944 2.7L 8V 1988-89
- Porsche 944S 2.5L 16V 1987-88
- Porsche 944 Turbo 2.5L 8V 1985-88
- Porsche 944 Turbo 2.5L 8V 1989-91
- Porsche 944 Turbo S 2.5L 8V 1988

Fits:
Porsche 924S 8V 1986-88
Porsche 944 8V 1982-91
Click 'zoom in' for large parts diagram
Diagram ref no 2.
Related reference numbers
Related, superseded, cross reference or alternative numbers for comparison.
95110437402
The product you are viewing cross references to these numbers
- Porsche 924S 2.5L 1986-87
- Porsche 924S 2.5L 1988
- Porsche 944 2.5L 8V 1982-87
- Porsche 944 2.7L 8V 1988-89
- Porsche 944S 2.5L 16V 1987-88
- Porsche 944 Turbo 2.5L 8V 1985-88
- Porsche 944 Turbo 2.5L 8V 1989-91
- Porsche 944 Turbo S 2.5L 8V 1988


Fits:
Porsche 944 2.7L 1989
Porsche 944 S2 3.0L 1989-91
Porsche 968 1992-95
Click 'zoom in' for large parts diagram
Diagram ref no 2.
Related reference numbers
Related, superseded, cross reference or alternative numbers for comparison.
94410439404
The product you are viewing cross references to these numbers
- Porsche 944 2.7L 8V 1988-89
- Porsche 944S2 3.0L 16V 1989-91
- Porsche 968 3.0L 1992-94
- Porsche 968 Sport 3.0L 1994-95
- Porsche 968 CS 3.0L 1993-95
- Porsche 968 Turbo S 3.0L 1993-94

Fits:
Porsche 944 2.7L 1989
Porsche 944 S2 3.0L 1989-91
Porsche 968 1992-95
Click 'zoom in' for large parts diagram
Diagram ref no 2.
Related reference numbers
Related, superseded, cross reference or alternative numbers for comparison.
94410439404
The product you are viewing cross references to these numbers
- Porsche 944 2.7L 8V 1988-89
- Porsche 944S2 3.0L 16V 1989-91
- Porsche 968 3.0L 1992-94
- Porsche 968 Sport 3.0L 1994-95
- Porsche 968 CS 3.0L 1993-95
- Porsche 968 Turbo S 3.0L 1993-94

for reconditioned cylinder head only

Fits:
Porsche 944 / 944 S 1989-91
Porsche 968 1992-95
Click 'Zoom in' for large parts diagram.
Diagram ref no 1
Related reference numbers
Related, superseded, cross reference or alternative numbers for comparison.
94410439451
The product you are viewing cross references to these numbers
- Porsche 944 2.7L 8V 1988-89
- Porsche 944S 2.5L 16V 1987-88
- Porsche 944S2 3.0L 16V 1989-91
- Porsche 968 3.0L 1992-94
- Porsche 968 Sport 3.0L 1994-95
- Porsche 968 CS 3.0L 1993-95
- Porsche 968 Turbo S 3.0L 1993-94


Fits:
Porsche 928 S2 / S4 / GT / GTS (1985-1995)
Porsche 944 S / S2 (1987-1991)
Porsche 968 (1992-1995)
Click 'Zoom in' for large parts diagram.
Diagram ref no 12
Related reference numbers
Related, superseded, cross reference or alternative numbers for comparison.
92810521500
The product you are viewing cross references to these numbers
- Porsche 944S 2.5L 16V 1987-88
- Porsche 944S2 3.0L 16V 1989-91
- Porsche 968 3.0L 1992-94
- Porsche 968 Sport 3.0L 1994-95
- Porsche 968 CS 3.0L 1993-95
- Porsche 928S2 4.7L 1984-86
- Porsche 928S4 5.0L 1987-92
- Porsche 928GT 5.0L 1989-91
- Porsche 928GTS 5.4L 1992-95

Fits:
Porsche 928 S2 / S4 / GT / GTS (1985-1995)
Porsche 944 S / S2 (1987-1991)
Porsche 968 (1992-1995)
Click 'Zoom in' for large parts diagram.
Diagram ref no 12
Related reference numbers
Related, superseded, cross reference or alternative numbers for comparison.
92810521500
The product you are viewing cross references to these numbers
- Porsche 944S 2.5L 16V 1987-88
- Porsche 944S2 3.0L 16V 1989-91
- Porsche 968 3.0L 1992-94
- Porsche 968 Sport 3.0L 1994-95
- Porsche 968 CS 3.0L 1993-95
- Porsche 928S2 4.7L 1984-86
- Porsche 928S4 5.0L 1987-92
- Porsche 928GT 5.0L 1989-91
- Porsche 928GTS 5.4L 1992-95

Fits:
Porsche 924 S 1986-88
Porsche 928 S4 / GT / GTS 1987-95
Porsche 944 1982-91
Porsche 968 1992-95
Click 'Zoom in' for large parts diagram.
Diagram ref no 40
Related reference numbers
Related, superseded, cross reference or alternative numbers for comparison.
94410422900
The product you are viewing cross references to these numbers
- Porsche 924S 2.5L 1986-87
- Porsche 924S 2.5L 1988
- Porsche 944 2.5L 8V 1982-87
- Porsche 944 2.7L 8V 1988-89
- Porsche 944S 2.5L 16V 1987-88
- Porsche 944S2 3.0L 16V 1989-91
- Porsche 944 Turbo 2.5L 8V 1985-88
- Porsche 944 Turbo 2.5L 8V 1989-91
- Porsche 944 Turbo S 2.5L 8V 1988
- Porsche 968 3.0L 1992-94
- Porsche 968 Sport 3.0L 1994-95
- Porsche 968 CS 3.0L 1993-95
- Porsche 968 Turbo S 3.0L 1993-94
- Porsche 928S4 5.0L 1987-92
- Porsche 928GT 5.0L 1989-91
- Porsche 928GTS 5.4L 1992-95

Price is for each cylinder. Four pieces required for complete engine set.
Wet Type liner, with semi finished bore for final finishing after fitting.
Fits:
Porsche 944 2.5L / 3.0L - 4 Cyl Engine
Please note: If you require a different size liner, please send us an enquiry.
- Porsche 944 2.5L 8V 1982-87
- Porsche 944S 2.5L 16V 1987-88
- Porsche 944S2 3.0L 16V 1989-91
- Porsche 944 Turbo 2.5L 8V 1985-88
- Porsche 944 Turbo 2.5L 8V 1989-91
- Porsche 944 Turbo S 2.5L 8V 1988

Price is for each cylinder. Two pieces required for complete engine set.
2 x L2817
2 X L2823
Wet Type liner, with semi finished bore for final finishing after fitting, 1 flat on flange.
Fits:
Porsche 944 2.5L / 3.0L - 4 Cyl Engine
Please note: If you require a different size liner, please send us an enquiry.
- Porsche 944 2.5L 8V 1982-87
- Porsche 944S 2.5L 16V 1987-88
- Porsche 944S2 3.0L 16V 1989-91
- Porsche 944 Turbo 2.5L 8V 1985-88
- Porsche 944 Turbo 2.5L 8V 1989-91
- Porsche 944 Turbo S 2.5L 8V 1988

Price is for each cylinder. Two pieces required for complete engine set.
2 x L2817
2 X L2823
Wet Type liner, with semi finished bore for final finishing after fitting, 2 flats on flange.
Fits:
Porsche 944 2.5L / 3.0L - 4 Cyl Engine
Please note: If you require a different size liner, please send us an enquiry.
- Porsche 944 2.5L 8V 1982-87
- Porsche 944S 2.5L 16V 1987-88
- Porsche 944S2 3.0L 16V 1989-91
- Porsche 944 Turbo 2.5L 8V 1985-88
- Porsche 944 Turbo 2.5L 8V 1989-91
- Porsche 944 Turbo S 2.5L 8V 1988


Fits:
Porsche 944 2.5L 1985-87
Porsche 944 2.5L Turbo 1986-91
Porsche 944 2.5L Turbo S 1987-88
Click 'Zoom in' for large parts diagram.
Diagram ref no 23
Related reference numbers
Related, superseded, cross reference or alternative numbers for comparison.
94410431106
The product you are viewing cross references to these numbers
- Porsche 944 2.5L 8V 1982-87
- Porsche 944 Turbo 2.5L 8V 1985-88
- Porsche 944 Turbo 2.5L 8V 1989-91
- Porsche 944 Turbo S 2.5L 8V 1988

Fits:
Porsche 944 2.7L 8V 1988-89
Related reference numbers
Related, superseded, cross reference or alternative numbers for comparison.
94410090105
The product you are viewing cross references to these numbers
- Porsche 944 2.7L 8V 1988-89