


Fits:
Porsche 356 pre-A / A 1950-59 CARRERA 1500 & 1600 GS/GT
Porsche 356 B/C 1960-65 CARRERA (587/1/2 & 692/3/3A)
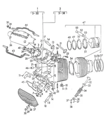
Click 'Zoom in' for large parts diagram.
Diagram ref no 37
Related reference numbers
Related, superseded, cross reference or alternative numbers for comparison.
547052130
The product you are viewing cross references to these numbers
- Porsche 356 1950-55
- Porsche 356A 1955-59
- Porsche 356B 1959-63
- Porsche 356C 1963-65