Please wait… 
Please wait while we process your order,
do not press the back button… 
Design 911 Design 911 supply Porsche parts, Porsche spares and Porsche accessories, to both retail and to the trade. Our Porsche product and accessory range includes brakes, exhausts, tyres, wheels and Porsche panels and interiors. https://www.design91.uk/images/schemaLogo.png https://www.design91.uk/images/schemaLogo.png +443456003478 https://www.design91.uk Facebook Instagram
Select your vehicle to check compatibility
Special Order item
98632560800
Product Information
Product Information
Tiptronic Gearbox Inductive Sensor, Input Side.

The Tiptronic Gearbox Inductive Sensor – Input Side is a genuine Porsche transmission component designed to monitor the rotational speed of the gearbox input shaft. Using inductive sensing technology, this sensor sends precise speed data to the transmission control unit (TCU), enabling accurate shift timing and proper operation of the Tiptronic automatic transmission system.

Fits:

  • Porsche Boxster 986 2.5L 1997-99
  • Porsche Boxster 986 2.7L 1999-02
  • Porsche Boxster S 986 3.2L 1999-02
  • Porsche Boxster 986 2.7L 2003-04
  • Porsche Boxster S 986 3.2L 2003-04
  • Porsche Boxster 987 2.7L 2005-08/08
  • Porsche Boxster 987 S 3.2/3.4L 2005-08/08
  • Porsche 996 C2 3.4L 1997-08/01
  • Porsche 996 C4 3.4L 1997-08/01
  • Porsche Cayman 2.7L 987C 2006-08
  • Porsche Cayman S 3.4L 987C 2005-08 
 
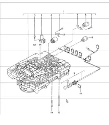
Diagram Ref No 2

What This Product Does:

  • Measuring the rotational speed of the gearbox input shaft
  • Sending real-time speed data to the transmission control unit
  • Helping determine correct gear selection and shift timing
  • Supporting smooth and responsive automatic gear changes
  • Assisting transmission management systems in maintaining optimal performance

Symptoms Of Wear Or Failure:
  • Transmission warning light on the dashboard
  • Harsh or erratic gear changes
  • Delayed gear engagement
  • Gearbox entering limp mode
  • Incorrect gear selection
  • Diagnostic fault codes related to transmission speed sensors

Why Replacement Matters:
  • Restore smooth and accurate gear shifting
  • Prevent gearbox limp mode activation
  • Maintain proper Tiptronic transmission performance
  • Protect internal transmission components
  • Avoid costly gearbox repairs



Related reference numbers
Related, superseded, cross reference or alternative numbers for comparison.

98632560800

The product you are viewing cross references to these numbers