Enter your VAT number here and click Verify:
Your details have been verified. VAT number registered to:
,
.
Your order will now be zero rated for VAT purposes. We reserve the right to verify these details after your order request has been made and reinstate VAT if required.
Your VAT details were not recognised or were invalid. Your VAT number must be matched to your Billing Country as specified above. This is currently specified as . You do not need to enter the country code part of your VAT number as this has already been selected in your billing address details above.
The VAT number checking service is currently offline. Please supply your VAT details within the comments or special instructions field below and we will apply a VAT discount after placing your order request.
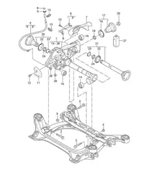
The part reference 955 349 337 00 is a rubber mounting / support mount for the front-axle final drive / differential, isolating and supporting the front differential (front drive unit) relative to the chassis. There are 3 of the same on each car, Price is Each
Its purpose is to absorb and damp vibrations, reduce noise transmitted to the chassis, and accommodate slight relative motion between the drivetrain and the vehicle body

Fits:
- Porsche 955 Cayenne 3.2L V6 2003-06
- Porsche 955 Cayenne S 4.5L V8 2003-06
- Porsche 955 Cayenne Turbo 4.5L 2003-06
- Porsche 955 Cayenne Turbo S 4.5L 2006>>
- Porsche 957 Cayenne 3.0L Diesel 2007-10
- Porsche 957 Cayenne 3.6L 2007-10
- Porsche 957 Cayenne S/GTS 4.8L 2007-10 (excluding Turbo)
Common failure modes / deterioration
Rubber degradation (cracking, hardening, tearing)
Over time, the rubber can become brittle, crack, or split from repeated stress cycles, heat, chemical exposure (oil, road salt, etc.). This reduces its damping ability.
Delamination / bond failure
The bonding between the rubber and the metal interfaces can fail, leading to slippage or separation under load.
Excessive deformation / sagging
As the rubber softens or wears, the mount may deform under load, causing misalignment or increased movement under torque.
Fatigue / wear from repeated cycles
Especially under harsh driving conditions (off-road, heavy loads, aggressive acceleration/shifting), the stress cycles on the mount accelerate wear. Some aftermarket writeups claim that the factory rubber design is prone to “premature Drive Shaft Support failure” because of constant stress on the rubber.
Heat / ozone / environmental damage
Exposure to high temperatures, undercarriage heat, moisture, road debris, and ozone accelerates rubber aging.
Load shift or impact damage
If the vehicle strikes a pothole or the differential experiences shock loads, the mount may crack or tear.
Click 'Zoom in' for large parts diagram.
Diagram ref no 13
Related reference numbers
Related, superseded, cross reference or alternative numbers for comparison.
95534933700
The product you are viewing cross references to these numbers
- Porsche 955 Cayenne 3.2L V6 2003-06
- Porsche 955 Cayenne S 4.5L V8 2003-06
- Porsche 955 Cayenne Turbo 4.5L 2003-06
- Porsche 955 Cayenne Turbo S 4.5L 2006>>
- Porsche 957 Cayenne 3.0L Diesel 2007-10
- Porsche 957 Cayenne 3.6L 2007-10
- Porsche 957 Cayenne S / GTS 4.8L 2007-10

