Enter your VAT number here and click Verify:
Your details have been verified. VAT number registered to:
,
.
Your order will now be zero rated for VAT purposes. We reserve the right to verify these details after your order request has been made and reinstate VAT if required.
Your VAT details were not recognised or were invalid. Your VAT number must be matched to your Billing Country as specified above. This is currently specified as . You do not need to enter the country code part of your VAT number as this has already been selected in your billing address details above.
The VAT number checking service is currently offline. Please supply your VAT details within the comments or special instructions field below and we will apply a VAT discount after placing your order request.
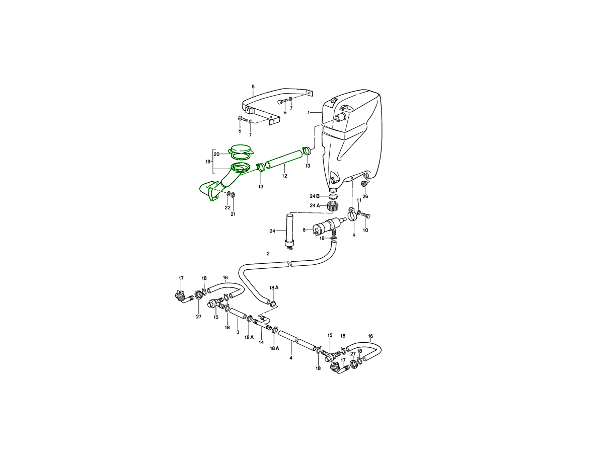
Porsche 928 LHD Windscreen Washer Bottle Filler Neck Kit
This complete windscreen washer bottle filler neck kit is designed specifically for Left Hand Drive (LHD) Porsche 928 models from 1977 to 1995. It provides a comprehensive solution for restoring the washer filling system with correctly fitting, high-quality components.
Fits:
- Porsche 928 4.5L 1978-82
- Porsche 928S 4.7L 1981-83
- Porsche 928S2 4.7L 1984-86
- Porsche 928S4 5.0L 1987-92
- Porsche 928GT 5.0L 1989-91
- Porsche 928GTS 5.4L 1992-95
Diagram Ref No 12, 13, 19 and 20
Ageing Porsche 928 washer
systems commonly suffer from cracked filler necks, brittle caps and torn
connecting hoses. These failures can cause washer fluid leaks, difficulty
filling the reservoir and unwanted fluid loss inside the wing area.
This kit replaces all key components in one package, ensuring reliable and leak-free operation.
What This Washer Filler Neck
Kit Includes
• Washer filler neck
• Filler neck cap
• Connecting hose and hose clips between filler neck and washer reservoir bottle
Together, these components restore the complete fluid path from the fill point to the washer reservoir.
What This Kit Does
The filler neck directs washer fluid safely into the reservoir. The connecting hose ensures proper transfer without leakage. The cap seals the system to prevent contamination and spillage.
Replacing worn components:
• Prevents washer fluid leaks
inside the bodywork
• Restores easy and clean filling of the washer reservoir
• Eliminates brittle, cracked or perished plastic parts
• Improves reliability of the windscreen washer system
Why Upgrade to a Complete Kit?
All-in-One Repair Solution
Rather than replacing individual parts separately, this kit ensures all
commonly failing components are renewed at the same time.
Designed for LHD Porsche 928
Specifically configured for Left Hand Drive models, ensuring correct routing
and fitment.
Ideal for Restoration or
Preventative Maintenance
Perfect for classic Porsche 928 restoration projects or as a preventative
upgrade on ageing vehicles.
Improved Durability
Modern manufacturing methods provide enhanced strength and resistance compared
to decades-old original component
Related reference numbers
Related, superseded, cross reference or alternative numbers for comparison.
92852817901
The product you are viewing cross references to these numbers
- Porsche 928 4.5L 1978-82
- Porsche 928S 4.7L 1981-83
- Porsche 928S2 4.7L 1984-86
- Porsche 928S4 5.0L 1987-92
- Porsche 928GT 5.0L 1989-91
- Porsche 928GTS 5.4L 1992-95