Enter your VAT number here and click Verify:
Your details have been verified. VAT number registered to:
,
.
Your order will now be zero rated for VAT purposes. We reserve the right to verify these details after your order request has been made and reinstate VAT if required.
Your VAT details were not recognised or were invalid. Your VAT number must be matched to your Billing Country as specified above. This is currently specified as . You do not need to enter the country code part of your VAT number as this has already been selected in your billing address details above.
The VAT number checking service is currently offline. Please supply your VAT details within the comments or special instructions field below and we will apply a VAT discount after placing your order request.
Select your vehicle to check compatibility
Porsche
36908264
Product Information
Fits:
Porsche 356 1950–1954 for 1100 cc engines
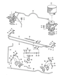
Click 'Zoom in' for large parts diagram.
Diagram ref no 31
Related reference numbers
Related, superseded, cross reference or alternative numbers for comparison.
36908264
The product you are viewing cross references to these numbers
Product Information
Intake Manifold Gasket.
Fits:
Porsche 356 1950–1954 for 1100 cc engines
Click 'Zoom in' for large parts diagram.
Diagram ref no 31
Related reference numbers
Related, superseded, cross reference or alternative numbers for comparison.
36908264
The product you are viewing cross references to these numbers
Vehicle Group
Vehicle Group
- Porsche 356 1950-55
Price: £7.48 inc. VAT
Orderable - 14 to 28 Days
Also found on these pages