Introduzca aquí su número de identificación fiscal (NIF o VAT number) y haga clic en Verificar:
No necesita incluir el código de país de su NIF, dado que ya lo ha indicado antes en su dirección de facturación.
Se han verificado sus datos. NIF registrado a nombre de:
###NUEVO MÉJICO###,
.
Su pedido cuenta ahora con una tasa cero a efectos de IVA. Nos reservamos el derecho a verificar estos datos después de que haya solicitado su pedido y a restablecer el IVA si fuese necesario.
Sus datos de identificación fiscal no han sido reconocidos o no son válidos. Su NIF debe coincidir con el país de facturación que especificó anteriormente. Actualmente se ha especificado como . No necesita incluir el código de país de su NIF, do que ya lo ha indicado antes en los datos de su dirección de facturación.
El servicio de verificación de NIF no está disponible en este momento. Le rogamos que indique sus datos del NIF en los comentarios e en el cuadro de instrucciones especiales que encontrará abajo y le aplicaremos un descuento en el IVA tras realizar su solicitud de pedido.
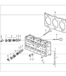
Válvulas de motor / Guías / Resortes
Se vende por unidad (se requieren 12 por vehículo)
Se adapta a:
Porsche 987,2 Boxster S 3.4L 2009 - 2012
Porsche 981 Boxster 2012 - 2016
Porsche 987.2 Caimán S 2009 - 2012
Porsche 981 Caimán S 2012 - 2016
Porsche 997,2 Carrera 2/Carrera 4 3.6L 2009 - 2012
Porsche 997,2 Turbo 2010 - 2013
Porsche 991,1 Carrera 2/Carrera 4 3.4L 2012 - 2016
Porsche 991,1 Turbo 2012 - 2016
Posición de montaje: lado de admisión
Diámetro de la cabeza de la válvula: 39,45 mm
Diámetro del vástago de la válvula: 5,98 mm
Ángulo del asiento de la válvula: 45°
Longitud: 101,60 mm
Material del asiento de la válvula: acero al cromo-silicio
Superficie: cromada
Número de ranuras: 3
Diagrama ref n° 1
Números de referencia relacionados
Números relacionados, reemplazados, de referencia cruzada o alternativos para comparación.
9A110531202
El producto que está viendo hace referencia cruzada a estos números
- Porsche Boxster S 987 MKII 3.4L 2009-12
- Porsche Boxster 981 S / GTS 3.4L 2012-16
- Porsche 997 MKII Carrera C2 3.6L 2009-12
- Porsche 997 MKII Carrera C4 3.6L 2009-12
- Porsche 997 MKII Turbo 2010-13
- Porsche 991.1 Carrera C2 3.4L (350 Bhp) 2012-16
- Porsche 991.1 Carrera C4 3.4L (350 Bhp) 2012-16
- Porsche 991.1 Turbo 3.8L (520 Bhp) 2014-16
- Porsche 991.1 Turbo S 3.8L (560 Bhp) 2014-16
- Porsche Cayman S / R 3.4L 987C MKII 2009-12
- Porsche Cayman S / GTS 3.4L 981 2013-16

Encaja:
Porsche 996 Turbo/GT2 2001-05
Porsche 997,1 Turbo/GT2 3.6L 2007-09
Porsche 997.2 GT2 RS 3.6L 2011
Haga clic en 'Acercar' para ver un diagrama de piezas grandes.
Diagrama de referencia nº 2.
Números de referencia relacionados
Números relacionados, reemplazados, de referencia cruzada o alternativos para comparación.
99610511172
El producto que está viendo hace referencia cruzada a estos números
- Porsche 996 TURBO 2000-05
- Porsche 996 GT2 2001-05
- Porsche 997 MK1 TURBO 2007-09
- Porsche 997 MK1 GT2 2007-09
- Porsche 997 MKII GT2 RS 2011-13

Encaja:
Porsche 996 Turbo/GT2 2001-05
Porsche 997,1 Turbo/GT2 3.6L 2007-09
Porsche 997.2 GT2 RS 3.6L 2011
Haga clic en 'Acercar' para ver un diagrama de piezas grandes.
Diagrama de referencia nº 2.
Números de referencia relacionados
Números relacionados, reemplazados, de referencia cruzada o alternativos para comparación.
99610511172
El producto que está viendo hace referencia cruzada a estos números
- Porsche 996 TURBO 2000-05
- Porsche 996 GT2 2001-05
- Porsche 997 MK1 TURBO 2007-09
- Porsche 997 MK1 GT2 2007-09
- Porsche 997 MKII GT2 RS 2011-13

Encaja:
Porsche 996 GT3
Porsche 997 GT3
porsche 996 turbo
Porsche 997 turbo
Material Cobre
Diámetro interior [mm] 5,92 mm
Diámetro exterior [mm] 10,54 mm
Longitud [mm] 41,91 mm
Haga clic en 'Acercar' para ver el diagrama de piezas grandes.
Diagrama Ref No 12.
Números de referencia relacionados
Números relacionados, reemplazados, de referencia cruzada o alternativos para comparación.
99610414503
El producto que está viendo hace referencia cruzada a estos números
- Porsche 996 TURBO 2000-05
- Porsche 996 GT3 MKI 1999-02
- Porsche 996 GT3 MKII 2003>>
- Porsche 996 GT3 RS 2003-04
- Porsche 997 MK1 TURBO 2007-09
- Porsche 997 MK1 GT3 2007-09
- Porsche 997 MKII GT3 2010-11
- Porsche 997 MKII Turbo 2010-13

Encaja:
Porsche 987.2 Boxster S 3.4L/Boxster Spyder 2009-12
Porsche 987C.2 Cayman S 3.4L / Cayman R 2009-12
Porsche 997,2 3.6L/S 3.8L 2009-12
Haga clic en 'Acercar' para ver el diagrama de piezas grandes.
Diagrama ref no 9
Números de referencia relacionados
Números relacionados, reemplazados, de referencia cruzada o alternativos para comparación.
9A110511501
El producto que está viendo hace referencia cruzada a estos números
- Porsche Boxster S 987 MKII 3.4L 2009-12
- Porsche 997 MKII Carrera C2 3.6L 2009-12
- Porsche 997 MKII Carrera C4 3.6L 2009-12
- Porsche 997 MKII Carrera C2S 3.8L 2009-12
- Porsche 997 MKII Carrera C4S 3.8L 2009-12
- Porsche Cayman S / R 3.4L 987C MKII 2009-12

Encaja:
Porsche 987.2 Boxster S 3.4L/Boxster Spyder 2009-12
Porsche 987C.2 Cayman S 3.4L / Cayman R 2009-12
Porsche 981 Boxster S 3.4L / Boxster Spyder 2014-16
Porsche 981C Cayman S 3.4L / Cayman GT4 2014-16
Porsche 997,2 3.6L/S 3.8L 2009-12
Porsche 991.1 3.4L/3.8L 2012-16
Haga clic en 'Acercar' para ver el diagrama de piezas grandes.
Diagrama ref no 9
Números de referencia relacionados
Números relacionados, reemplazados, de referencia cruzada o alternativos para comparación.
9A110511001
El producto que está viendo hace referencia cruzada a estos números
- Porsche Boxster S 987 MKII 3.4L 2009-12
- Porsche Boxster 981 S / GTS 3.4L 2012-16
- Porsche 997 MKII Carrera C2 3.6L 2009-12
- Porsche 997 MKII Carrera C4 3.6L 2009-12
- Porsche 997 MKII Carrera C2S 3.8L 2009-12
- Porsche 997 MKII Carrera C4S 3.8L 2009-12
- Porsche 991.1 Carrera C2 3.4L (350 Bhp) 2012-16
- Porsche 991.1 Carrera C2S / GTS 3.8L (400/430 Bhp) 2012-16
- Porsche 991.1 Carrera C4 3.4L (350 Bhp) 2012-16
- Porsche 991.1 Carrera C4S / GTS 3.8L (400/430 Bhp) 2012-16
- Porsche Cayman S / R 3.4L 987C MKII 2009-12
- Porsche Cayman 2.7L 981 2013-16
- Porsche Cayman S / GTS 3.4L 981 2013-16
- Porsche Cayman GT4 3.8L 2015-16

Encaja:
Porsche 986 Boxster (24 por coche)
Porsche 987.1 Boxster (24 por coche)
Porsche 987.2 Boxster (24 por coche)
Porsche 981 Boxster (24 por coche)
Porsche 982 Boxster 2.0L / 2.5L (16 por auto)
Porsche 987C.1 Caimán (24 por coche)
Porsche 987C.2 Caimán (24 por coche)
Porsche 981C Caimán (24 por coche)
Porsche 982C Cayman 2.0L / 2.5L (16 por auto)
Porsche 996 1998-05
Porsche 997,1 2005-08
Porsche 997,2 2009-12
Porsche 991.1 2012-16 (24 por coche)
Porsche 991.2 2017-19 (24 por coche)
Porsche 992.1 2019>> (24 por coche)
Porsche Cayenne 955 2003-06 3.2L V6 (24 por auto)
Porsche Cayenne 955 2003-06 4.5L V8 (32 por auto)
Porsche Cayenne 957 2007-10 3.6L V6 (24 por auto)
Porsche Cayenne 957 2007-10 4.8L V8 (32 por auto)
Porsche Cayenne 92A 2011-18 3.6L V6 (24 por auto)
Porsche Cayenne 92A Turbo / Turbo S 2011-18 4.8L V8 (32 por auto)
Porsche Cayenne 9YA 2018>> 2.9l / 3.0L V6 (12 por auto)
Porsche Cayenne 92A Turbo / Turbo S 2011-18 4.8L V8 (32 por auto)
Porsche Macan MKI 2.0L V4 (16 por automóvil)
Porsche Macan MKI S 3.0L V6 (24 por automóvil)
Porsche Macan MKI Turbo 3.6L V6 (24 por automóvil)
Porsche Macan MKII 2.0L V4 (16 por auto)
Porsche Macan MKII 2.9L / 3.0L V6 (12 por auto)
Porsche Panamera 970 3.0L V6 Diésel (24 por auto)
Porsche Panamera 970 3.6L V6 (24 por auto)
Porsche Panamera 970 4.8L V8 (32 por auto)
Porsche Panamera 971 2.9L / 3.0L V6 (12 por auto)
Porsche Panamera 971 4.0L V8 Diésel (32 por auto)
Porsche Carrera GT V10 (40 por coche)
Haga clic en 'Acercar' para ver el diagrama de piezas grandes.
Diagrama ref no 10
Números de referencia relacionados
Números relacionados, reemplazados, de referencia cruzada o alternativos para comparación.
95510567500
El producto que está viendo hace referencia cruzada a estos números
- Porsche Boxster 986 2.5L 1997-99
- Porsche Boxster 986 2.7L 1999-02
- Porsche Boxster S 986 3.2L 1999-02
- Porsche Boxster 986 2.7L 2003-04
- Porsche Boxster S 986 3.2L 2003-04
- Porsche Boxster 987 2.7L 2005-08/08
- Porsche Boxster 987 S 3.2/3.4L 2005-08/08
- Porsche Boxster 987 MKII 2.9L 2009-12
- Porsche Boxster S 987 MKII 3.4L 2009-12
- Porsche Boxster 981 2.7L 2012-16
- Porsche Boxster 981 S / GTS 3.4L 2012-16
- Porsche Boxster 981 Spyder 3.8L 2016
- Porsche Boxster 718 2.0L Manual (300 Bhp) 2017>>
- Porsche Boxster 718 2.0L PDK (300 Bhp) 2017>>
- Porsche Boxster S 718 2.5L Manual (350 Bhp) 05/2017>>
- Porsche Boxster S 718 2.5L PDK (350 Bhp) 05/2017>>
- Porsche Boxster T 718 2.0L Manual (300 Bhp) 01/2019>>
- Porsche Boxster T 718 2.0L PDK (300 Bhp) 01/2019>>
- Porsche Boxster GTS 718 2.5L Manual (365 Bhp) 05/2017>>
- Porsche Boxster GTS 718 2.5L PDK (365 Bhp) 05/2017>>
- Porsche 996 C2 3.4L 1997-08/01
- Porsche 996 C4 3.4L 1997-08/01
- Porsche 996 C2 3.6L 09/01-2005
- Porsche 996 C4 3.6L 09/01-2005
- Porsche 996 C4S 3.6L 09/01-2005
- Porsche 996 TURBO 2000-05
- Porsche 996 GT2 2001-05
- Porsche 996 GT3 MKI 1999-02
- Porsche 996 GT3 MKII 2003>>
- Porsche 996 GT3 RS 2003-04
- Porsche 997 MK1 Carrera 2 3.6L 2005-08
- Porsche 997 MK1 Carrera 2S 3.8L 2005-08
- Porsche 997 MK1 Carrera 4 3.6L 2005-08
- Porsche 997 MK1 Carrera 4S 3.8L 2005-08
- Porsche 997 MK1 TURBO 2007-09
- Porsche 997 MK1 GT3 2007-09
- Porsche 997 MKII Carrera C2 3.6L 2009-12
- Porsche 997 MKII Carrera C4 3.6L 2009-12
- Porsche 997 MKII Carrera C2S 3.8L 2009-12
- Porsche 997 MKII Carrera C4S 3.8L 2009-12
- Porsche 997 MKII GT3 2010-11
- Porsche 997 MKII Turbo 2010-13
- Porsche 997 MKII GT2 RS 2011-13
- Porsche 991.1 Carrera C2 3.4L (350 Bhp) 2012-16
- Porsche 991.1 Carrera C2S / GTS 3.8L (400/430 Bhp) 2012-16
- Porsche 991.1 Carrera C4 3.4L (350 Bhp) 2012-16
- Porsche 991.1 Carrera C4S / GTS 3.8L (400/430 Bhp) 2012-16
- Porsche 991.1 Turbo 3.8L (520 Bhp) 2014-16
- Porsche 991.1 Turbo S 3.8L (560 Bhp) 2014-16
- Porsche 991.1 R 4.0L (500 Bhp) 2016
- Porsche 991.1 GT3 3.8L (475 Bhp) 2014-16
- Porsche 991.1 GT3 RS 4.0L (500 Bhp) 2015-16
- Porsche 991.2 Carrera 2 3.0L (370 Bhp) 2016-19
- Porsche 991.2 Carrera 2S / GTS 3.0L (420/450 Bhp) 2016-19
- Porsche 991.2 Carrera 4 3.0L (370 Bhp) 2016-19
- Porsche 991.2 Carrera 4S / GTS 3.0L (420/450 Bhp) 2016-19
- Porsche 991.2 Cabriolet 2 3.0L (370 Bhp) 2016-19
- Porsche 991.2 Cabriolet 2S / GTS 3.0L (420/450 Bhp) 2016-19
- Porsche 991.2 Cabriolet 4 3.0L (370 Bhp) 2016-19
- Porsche 991.2 Cabriolet 4S / GTS 3.0L (420/450 Bhp) 2016-19
- Porsche 991.2 Targa 4 3.0L (370 Bhp) 2016-19
- Porsche 991.2 Targa 4S / GTS 3.0L (420/450 Bhp) 2016-19
- Porsche 991.2 Turbo Coupe 3.8L (540 Bhp) 2016-19
- Porsche 991.2 Turbo S Coupe 3.8L (580 Bhp) 2016-19
- Porsche 991.2 Turbo Cabriolet 3.8L (540 Bhp) 2016-19
- Porsche 991.2 Turbo S Cabriolet 3.8L (580 Bhp) 2016-19
- Porsche 991.2 Speedster 4.0L (510Bhp) 2019
- Porsche 991.2 GT3 4.0L (500 Bhp) / GT3 RS 4.0L (520 Bhp) 2017-19
- Porsche 991.2 GT2 RS 3.8L PDK (700 bhp) 2018-19
- Porsche 992.1 Carrera 2 3.0L 2019-24
- Porsche 992.1 Carrera 4 3.0L 2019-24
- Porsche 992.1 Carrera 2 Cabriolet 3.0L 2019-24
- Porsche 992.1 Carrera 4 Cabriolet 3.0L 2019-24
- Porsche 992.1 Carrera 2S / GTS 3.0L 2019-24
- Porsche 992.1 Carrera 4S / GTS 3.0L 2019-24
- Porsche 992.1 Carrera 2S / GTS Cabriolet 3.0L 2019-24
- Porsche 992.1 Carrera 4S / GTS Cabriolet 3.0L 2019-24
- Porsche 992.1 Targa 4 3.0L 2020-24
- Porsche 992.1 Targa 4S / GTS 3.0L 2020-24
- Porsche Cayman 2.7L 987C 2006-08
- Porsche Cayman S 3.4L 987C 2005-08
- Porsche Cayman 2.9L 987C MKII 2009-12
- Porsche Cayman S / R 3.4L 987C MKII 2009-12
- Porsche Cayman 2.7L 981 2013-16
- Porsche Cayman S / GTS 3.4L 981 2013-16
- Porsche Cayman GT4 3.8L 2015-16
- Porsche Cayman 718 2.0L Manual (300 Bhp)
- Porsche Cayman 718 2.0L PDK (300 Bhp)
- Porsche Cayman S 718 2.5L Manual (350 Bhp)
- Porsche Cayman S 718 2.5L PDK (350 Bhp)
- Porsche Cayman T 718 2.0L Manual (300 Bhp)
- Porsche Cayman T 718 2.0L PDK (300 Bhp)
- Porsche Cayman GTS 718 2.5L Manual (365 Bhp)
- Porsche Cayman GTS 718 2.5L PDK (365 Bhp)
- Porsche Carrera GT 2003-06
- Porsche 955 Cayenne 3.2L V6 2003-06
- Porsche 955 Cayenne S 4.5L V8 2003-06
- Porsche 955 Cayenne Turbo 4.5L 2003-06
- Porsche 955 Cayenne Turbo S 4.5L 2006>>
- Porsche 957 Cayenne 3.0L Diesel 2007-10
- Porsche 957 Cayenne 3.6L 2007-10
- Porsche 957 Cayenne S / GTS 4.8L 2007-10
- Porsche 957 Cayenne Turbo / Turbo S 4.8L 2007-10
- Porsche 958 Cayenne V6 3.6L Petrol (300Hp) 2010-17
- Porsche 958 Cayenne Turbo V8 4.8L Petrol (500Hp) 2010-17
- Porsche 958 Cayenne Turbo S V8 4.8L Petrol (550Hp) 2010-17
- Porsche 9YA Cayenne V6 3.0L Petrol (340Hp) 2018-23
- Porsche 9YA Cayenne Coupe V6 3.0L Petrol (340Hp) 2019-23
- Porsche 9YA Cayenne S V6 2.9L Petrol (440Hp) 2018-23
- Porsche 9YA Cayenne Coupe S V6 2.9L Petrol (440Hp) 2019-23
- Porsche 970.1 Panamera V6 3.6L 2WD 2009-13
- Porsche 970.1 Panamera 4 V6 3.6L 4WD 2009-13
- Porsche 970.1 Panamera S V8 4.8L 2009-13
- Porsche 970.1 Panamera 4S V8 4.8L 2009-13
- Porsche 970.1 Panamera GTS V8 4.8L 2011-13
- Porsche 970.1 Panamera Turbo V8 4.8L 2009-13
- Porsche 970.1 Panamera Turbo S V8 4.8L 2009-13
- Porsche 970.1 Panamera Diesel V6 3.0L 2011-13
- Porsche 970.2 Panamera V6 3.6L 2WD (310Hp) 2014-16
- Porsche 970.2 Panamera 4 V6 3.6L 4WD (310Hp) 2014-16
- Porsche 970.2 Panamera S V6 Turbo 3.0L 2WD (420Hp) 2014-16
- Porsche 970.2 Panamera S V6 Turbo 3.0L 2WD Executive 2014-16
- Porsche 970.2 Panamera 4S V6 Turbo 3.0L 4WD (420Hp) 2014-16
- Porsche 970.2 Panamera 4S V6 Turbo 3.0L 4WD Executive 2014-16
- Porsche 970.2 Panamera GTS V8 4.8L 4WD (440Hp) 2014-16
- Porsche 970.2 Panamera Turbo V8 4.8L (520Hp) 2014-16
- Porsche 970.2 Panamera Turbo V8 Executive 2014-16
- Porsche 970.2 Panamera Turbo S V8 4.8L 2014-16
- Porsche 970.2 Panamera Diesel V6 3.0L (250Hp) 2014-16
- Porsche 971.1 Panamera V6 3.0L 2WD (330 Hp) 2017-20
- Porsche 971.1 Panamera 4 V6 3.0L 4WD (330 Hp) 2017-20
- Porsche 971.1 Panamera 4 V6 3.0L 4WD Executive 2017-20
- Porsche 971.1 Panamera 4 3.0L Turbocharged V6 Sport Turismo 2017-20
- Porsche 971.1 Panamera 4S V6 3.0L 4WD (440 Hp) 2017-20
- Porsche 971.1 Panamera 4S V6 3.0L 4WD Executive 2017-20
- Porsche 971.1 Panamera 4S 2.9L Twin-Turbo V6 Sport Turismo 2017-20
- Porsche 971.1 Panamera 4S Diesel V8 4.0L 4WD (422 Hp) 2017-18
- Porsche 971.1 Panamera 4S Diesel 4.0L Twin-Turbo V8 Sport Turismo 2017-18
- Porsche 95B.1 Macan Petrol 2.0L (237Bhp) 2014-18
- Porsche 95B.1 Macan S Petrol 3.0L V6 (340Bhp) 2014-18
- Porsche 95B.1 Macan Turbo 3.6L V6 (400Bhp) 2014-18
- Porsche 95B.2 Macan Petrol 2.0L (245Bhp) 2019-21
- Porsche 95B.2 Macan S Petrol 3.0L V6 (354Bhp) 2019-21
- Porsche 95B.2 Macan GTS Petrol 2.9L V6 (380Bhp) 2019-21
- Porsche 95B.2 Macan Turbo 2.9L V6 (440Bhp) 2019-21

Se adapta a:
Porsche 986 Boxster (24 por coche)
Porsche 987.1 Boxster (24 por coche)
Porsche 987.2 Boxster (24 por coche)
Porsche 981 Boxster (24 por coche)
Porsche 982 Boxster 2.0L / 2.5L (16 por coche)
Porsche 987C.1 Cayman(24 por coche)
Porsche 987C.2 Cayman (24 por coche)
Porsche 981C Cayman (24 por coche)
Porsche 982C Cayman 2.0L / 2.5L (16 por coche)
Porsche 996 1998-05
Porsche 997.1 2005-08
Porsche 997.2 2009-12
Porsche 991.1 2012-16 (24 por coche)
Porsche 991.2 2017-19 (24 por coche)
Porsche 992.1 2019>> (24 por coche)
Porsche Cayenne 955 2003-06 3.2L V6 (24 por coche)
Porsche Cayenne 955 2003-06 4.5L V8 (32 por coche)
Porsche Cayenne 957 2007-10 3.6L V6 (24 por automóvil)
Porsche Cayenne 957 2007-10 4.8L V8 (32 por automóvil)
Porsche Cayenne 92A 2011-18 3.6L V6 (24 por automóvil)
Porsche Cayenne 92A Turbo / Turbo S 2011-18 4.8L V8 (32 por vehículo)
Porsche Cayenne 9YA 2018>> 2.9l / 3.0L V6 (12 por auto)
Porsche Cayenne 9YA Turbo / Turbo S 2011-18 4.8L V8 (32 por vehículo)
Porsche Macan MKI 2.0L V4 (16 por coche)
Porsche Macan MKI S 3.0L V6 (24 por coche)
Porsche Macan MKI Turbo 3.6L V6 (24 por coche)
Porsche Macan MKII 2.0L V4 (16 por coche)
Porsche Macan MKII 2.9L / 3.0L V6 (12 por vehículo)
Porsche Panamera 970 3.0L V6 Diésel (24 por coche)
Porsche Panamera 970 3.6L V6 (24 por auto)
Porsche Panamera 970 4.8L V8 (32 por coche)
Porsche Panamera 971 2.9L / 3.0L V6 (12 por auto)
Porsche Panamera 971 4.0L V8 Diesel (32 por coche)
Porsche Carrera GT V10 (40 por coche)
Haga clic en "Ampliar" para ver el diagrama de piezas grande.
Diagrama de referencia n.° 10
Números de referencia relacionados
Números relacionados, reemplazados, de referencia cruzada o alternativos para comparación.
95510567500
El producto que está viendo hace referencia cruzada a estos números
- Porsche Boxster 986 2.5L 1997-99
- Porsche Boxster 986 2.7L 1999-02
- Porsche Boxster S 986 3.2L 1999-02
- Porsche Boxster 986 2.7L 2003-04
- Porsche Boxster S 986 3.2L 2003-04
- Porsche Boxster 987 2.7L 2005-08/08
- Porsche Boxster 987 S 3.2/3.4L 2005-08/08
- Porsche Boxster 987 MKII 2.9L 2009-12
- Porsche Boxster S 987 MKII 3.4L 2009-12
- Porsche Boxster 981 2.7L 2012-16
- Porsche Boxster 981 S / GTS 3.4L 2012-16
- Porsche Boxster 981 Spyder 3.8L 2016
- Porsche Boxster 718 2.0L Manual (300 Bhp) 2017>>
- Porsche Boxster 718 2.0L PDK (300 Bhp) 2017>>
- Porsche Boxster S 718 2.5L Manual (350 Bhp) 05/2017>>
- Porsche Boxster S 718 2.5L PDK (350 Bhp) 05/2017>>
- Porsche Boxster T 718 2.0L Manual (300 Bhp) 01/2019>>
- Porsche Boxster T 718 2.0L PDK (300 Bhp) 01/2019>>
- Porsche Boxster GTS 718 2.5L Manual (365 Bhp) 05/2017>>
- Porsche Boxster GTS 718 2.5L PDK (365 Bhp) 05/2017>>
- Porsche 996 C2 3.4L 1997-08/01
- Porsche 996 C4 3.4L 1997-08/01
- Porsche 996 C2 3.6L 09/01-2005
- Porsche 996 C4 3.6L 09/01-2005
- Porsche 996 C4S 3.6L 09/01-2005
- Porsche 996 TURBO 2000-05
- Porsche 996 GT2 2001-05
- Porsche 996 GT3 MKI 1999-02
- Porsche 996 GT3 MKII 2003>>
- Porsche 996 GT3 RS 2003-04
- Porsche 997 MK1 Carrera 2 3.6L 2005-08
- Porsche 997 MK1 Carrera 2S 3.8L 2005-08
- Porsche 997 MK1 Carrera 4 3.6L 2005-08
- Porsche 997 MK1 Carrera 4S 3.8L 2005-08
- Porsche 997 MK1 TURBO 2007-09
- Porsche 997 MK1 GT3 2007-09
- Porsche 997 MKII Carrera C2 3.6L 2009-12
- Porsche 997 MKII Carrera C4 3.6L 2009-12
- Porsche 997 MKII Carrera C2S 3.8L 2009-12
- Porsche 997 MKII Carrera C4S 3.8L 2009-12
- Porsche 997 MKII GT3 2010-11
- Porsche 997 MKII Turbo 2010-13
- Porsche 997 MKII GT2 RS 2011-13
- Porsche 991.1 Carrera C2 3.4L (350 Bhp) 2012-16
- Porsche 991.1 Carrera C2S / GTS 3.8L (400/430 Bhp) 2012-16
- Porsche 991.1 Carrera C4 3.4L (350 Bhp) 2012-16
- Porsche 991.1 Carrera C4S / GTS 3.8L (400/430 Bhp) 2012-16
- Porsche 991.1 Turbo 3.8L (520 Bhp) 2014-16
- Porsche 991.1 Turbo S 3.8L (560 Bhp) 2014-16
- Porsche 991.1 R 4.0L (500 Bhp) 2016
- Porsche 991.1 GT3 3.8L (475 Bhp) 2014-16
- Porsche 991.1 GT3 RS 4.0L (500 Bhp) 2015-16
- Porsche 991.2 Carrera 2 3.0L (370 Bhp) 2016-19
- Porsche 991.2 Carrera 2S / GTS 3.0L (420/450 Bhp) 2016-19
- Porsche 991.2 Carrera 4 3.0L (370 Bhp) 2016-19
- Porsche 991.2 Carrera 4S / GTS 3.0L (420/450 Bhp) 2016-19
- Porsche 991.2 Cabriolet 2 3.0L (370 Bhp) 2016-19
- Porsche 991.2 Cabriolet 2S / GTS 3.0L (420/450 Bhp) 2016-19
- Porsche 991.2 Cabriolet 4 3.0L (370 Bhp) 2016-19
- Porsche 991.2 Cabriolet 4S / GTS 3.0L (420/450 Bhp) 2016-19
- Porsche 991.2 Targa 4 3.0L (370 Bhp) 2016-19
- Porsche 991.2 Targa 4S / GTS 3.0L (420/450 Bhp) 2016-19
- Porsche 991.2 Turbo Coupe 3.8L (540 Bhp) 2016-19
- Porsche 991.2 Turbo S Coupe 3.8L (580 Bhp) 2016-19
- Porsche 991.2 Turbo Cabriolet 3.8L (540 Bhp) 2016-19
- Porsche 991.2 Turbo S Cabriolet 3.8L (580 Bhp) 2016-19
- Porsche 991.2 Speedster 4.0L (510Bhp) 2019
- Porsche 991.2 GT3 4.0L (500 Bhp) / GT3 RS 4.0L (520 Bhp) 2017-19
- Porsche 992.1 Carrera 2 3.0L 2019-24
- Porsche 992.1 Carrera 4 3.0L 2019-24
- Porsche 992.1 Carrera 2 Cabriolet 3.0L 2019-24
- Porsche 992.1 Carrera 4 Cabriolet 3.0L 2019-24
- Porsche 992.1 Carrera 2S / GTS 3.0L 2019-24
- Porsche 992.1 Carrera 4S / GTS 3.0L 2019-24
- Porsche 992.1 Carrera 2S / GTS Cabriolet 3.0L 2019-24
- Porsche 992.1 Carrera 4S / GTS Cabriolet 3.0L 2019-24
- Porsche 992.1 Targa 4 3.0L 2020-24
- Porsche 992.1 Targa 4S / GTS 3.0L 2020-24
- Porsche 992.1 Speedster 4.0L 2019-24
- Porsche 992.1 Turbo 3.8L 2020-24
- Porsche 992.1 Turbo S 3.8L 2020-24
- Porsche 992.1 Turbo Cabriolet 3.8L 2020-24
- Porsche 992.1 Turbo S Cabriolet 3.8L 2020-24
- Porsche 992.1 GT3 4.0L / 992 S/T 4.0L 2021-24
- Porsche Cayman 2.7L 987C 2006-08
- Porsche Cayman S 3.4L 987C 2005-08
- Porsche Cayman 2.9L 987C MKII 2009-12
- Porsche Cayman S / R 3.4L 987C MKII 2009-12
- Porsche Cayman 2.7L 981 2013-16
- Porsche Cayman S / GTS 3.4L 981 2013-16
- Porsche Cayman GT4 3.8L 2015-16
- Porsche Cayman 718 2.0L Manual (300 Bhp)
- Porsche Cayman 718 2.0L PDK (300 Bhp)
- Porsche Cayman S 718 2.5L Manual (350 Bhp)
- Porsche Cayman S 718 2.5L PDK (350 Bhp)
- Porsche Cayman T 718 2.0L Manual (300 Bhp)
- Porsche Cayman T 718 2.0L PDK (300 Bhp)
- Porsche Cayman GTS 718 2.5L Manual (365 Bhp)
- Porsche Cayman GTS 718 2.5L PDK (365 Bhp)
- Porsche Carrera GT 2003-06
- Porsche 955 Cayenne 3.2L V6 2003-06
- Porsche 955 Cayenne S 4.5L V8 2003-06
- Porsche 955 Cayenne Turbo 4.5L 2003-06
- Porsche 955 Cayenne Turbo S 4.5L 2006>>
- Porsche 957 Cayenne 3.6L 2007-10
- Porsche 957 Cayenne S / GTS 4.8L 2007-10
- Porsche 957 Cayenne Turbo / Turbo S 4.8L 2007-10
- Porsche 958 Cayenne V6 3.6L Petrol (300Hp) 2010-17
- Porsche 958 Cayenne S V8 4.8L Petrol (400Hp) 2010-17
- Porsche 958 Cayenne GTS V8 4.8L Petrol (400Hp) 2010-17
- Porsche 958 Cayenne Turbo V8 4.8L Petrol (500Hp) 2010-17
- Porsche 958 Cayenne Turbo S V8 4.8L Petrol (550Hp) 2010-17
- Porsche 9YA Cayenne V6 3.0L Petrol (340Hp) 2018-23
- Porsche 9YA Cayenne Coupe V6 3.0L Petrol (340Hp) 2019-23
- Porsche 9YA Cayenne S V6 2.9L Petrol (440Hp) 2018-23
- Porsche 9YA Cayenne Coupe S V6 2.9L Petrol (440Hp) 2019-23
- Porsche 9YA Cayenne Turbo V8 4.0L Petrol (550Hp) 2020-23
- Porsche 9YA Cayenne Coupe Turbo V8 4.0L Petrol (550Hp) 2019-23
- Porsche 970.1 Panamera V6 3.6L 2WD 2009-13
- Porsche 970.1 Panamera 4 V6 3.6L 4WD 2009-13
- Porsche 970.1 Panamera S V8 4.8L 2009-13
- Porsche 970.1 Panamera 4S V8 4.8L 2009-13
- Porsche 970.1 Panamera GTS V8 4.8L 2011-13
- Porsche 970.1 Panamera Turbo V8 4.8L 2009-13
- Porsche 970.1 Panamera Turbo S V8 4.8L 2009-13
- Porsche 970.1 Panamera Diesel V6 3.0L 2011-13
- Porsche 970.2 Panamera V6 3.6L 2WD (310Hp) 2014-16
- Porsche 970.2 Panamera 4 V6 3.6L 4WD (310Hp) 2014-16
- Porsche 970.2 Panamera S V6 Turbo 3.0L 2WD (420Hp) 2014-16
- Porsche 970.2 Panamera S V6 Turbo 3.0L 2WD Executive 2014-16
- Porsche 970.2 Panamera 4S V6 Turbo 3.0L 4WD (420Hp) 2014-16
- Porsche 970.2 Panamera 4S V6 Turbo 3.0L 4WD Executive 2014-16
- Porsche 970.2 Panamera GTS V8 4.8L 4WD (440Hp) 2014-16
- Porsche 970.2 Panamera Turbo V8 4.8L (520Hp) 2014-16
- Porsche 970.2 Panamera Turbo V8 Executive 2014-16
- Porsche 970.2 Panamera Turbo S V8 4.8L 2014-16
- Porsche 970.2 Panamera Diesel V6 3.0L (250Hp) 2014-16
- Porsche 971.1 Panamera V6 3.0L 2WD (330 Hp) 2017-20
- Porsche 971.1 Panamera 4 V6 3.0L 4WD (330 Hp) 2017-20
- Porsche 971.1 Panamera 4 V6 3.0L 4WD Executive 2017-20
- Porsche 971.1 Panamera 4 3.0L Turbocharged V6 Sport Turismo 2017-20
- Porsche 971.1 Panamera 4S V6 3.0L 4WD (440 Hp) 2017-20
- Porsche 971.1 Panamera 4S V6 3.0L 4WD Executive 2017-20
- Porsche 971.1 Panamera 4S 2.9L Twin-Turbo V6 Sport Turismo 2017-20
- Porsche 971.1 Panamera 4S Diesel V8 4.0L 4WD (422 Hp) 2017-18
- Porsche 971.1 Panamera 4S Diesel 4.0L Twin-Turbo V8 Sport Turismo 2017-18
- Porsche 971.2 Panamera 2.9L V6 2021-23
- Porsche 971.2 Panamera 4 2.9L V6 2021-23
- Porsche 971.2 Panamera 4 Sport Turismo 2.9L V6 2021-23
- Porsche 971.2 Panamera 4S 2.9L V6 2021-23
- Porsche 971.2 Panamera 4S Sport Turismo 2.9L V6 2021-23
- Porsche 95B.1 Macan Petrol 2.0L (237Bhp) 2014-18
- Porsche 95B.1 Macan S Petrol 3.0L V6 (340Bhp) 2014-18
- Porsche 95B.1 Macan S Diesel 3.0L V6 (258Bhp) 2014-18
- Porsche 95B.1 Macan GTS Petrol 3.0L V6 (360Bhp) 2014-18
- Porsche 95B.1 Macan Turbo 3.6L V6 (400Bhp) 2014-18
- Porsche 95B.2 Macan Petrol 2.0L (245Bhp) 2019-21
- Porsche 95B.2 Macan S Petrol 3.0L V6 (354Bhp) 2019-21
- Porsche 95B.2 Macan GTS Petrol 2.9L V6 (380Bhp) 2019-21
- Porsche 95B.2 Macan Turbo 2.9L V6 (440Bhp) 2019-21

Encaja:
Porsche 996 turbo - 2001 a 2005
Porsche 997.1 turbo - 2007 a 2012
Porsche 997,2 GT2 RS-2011 a 2012
Haga clic en 'Acercar' para ver un diagrama de piezas grandes.
Diagrama de referencia nº 5
Números de referencia relacionados
Números relacionados, reemplazados, de referencia cruzada o alternativos para comparación.
99610511774
El producto que está viendo hace referencia cruzada a estos números
- Porsche 996 TURBO 2000-05
- Porsche 996 GT2 2001-05
- Porsche 997 MK1 TURBO 2007-09
- Porsche 997 MKII GT2 RS 2011-13

Encaja:
Porsche 997.2
Porsche 987.2
Haga clic en 'Acercar' para ver un diagrama de piezas grandes.
Diagrama de referencia nº 12.
Números de referencia relacionados
Números relacionados, reemplazados, de referencia cruzada o alternativos para comparación.
99610414555
El producto que está viendo hace referencia cruzada a estos números
- Porsche Boxster 987 MKII 2.9L 2009-12
- Porsche Boxster S 987 MKII 3.4L 2009-12
- Porsche Boxster 981 2.7L 2012-16
- Porsche Boxster 981 S / GTS 3.4L 2012-16
- Porsche Boxster 981 Spyder 3.8L 2016
- Porsche 997 MKII Carrera C2 3.6L 2009-12
- Porsche 997 MKII Carrera C4 3.6L 2009-12
- Porsche 997 MKII Carrera C2S 3.8L 2009-12
- Porsche 997 MKII Carrera C4S 3.8L 2009-12
- Porsche 997 MKII GT3 2010-11
- Porsche 997 MKII Turbo 2010-13
- Porsche 997 MKII GT2 RS 2011-13
- Porsche Cayman 2.9L 987C MKII 2009-12
- Porsche Cayman S / R 3.4L 987C MKII 2009-12
- Porsche Cayman 2.7L 981 2013-16
- Porsche Cayman S / GTS 3.4L 981 2013-16
- Porsche Cayman GT4 3.8L 2015-16
Vendidos cada uno.
Se adapta a:
Porsche 997 GT3 3.8L M97.77 2007>>2011 (se requieren 24)
Porsche 997 GT3 4.0L M97.74 2007>>2011 (se requieren 24)
Diagrama Ref No 6
Números de referencia relacionados
Números relacionados, reemplazados, de referencia cruzada o alternativos para comparación.
99710509396
El producto que está viendo hace referencia cruzada a estos números
- Porsche 997 MK1 GT3 2007-09
- Porsche 997 MKII GT3 2010-11

La arandela de pinza puede adaptarse tanto a la entrada como al escape. Por favor verifique a continuación
Encaja:
Porsche 996 turbo - 2001 a 2005 (Admisión y Escape)
Porsche 997.1 turbo - 2007 a 2008 (Admisión y Escape)
Porsche 997.2 GT2 RS - 2011 a 2012 (Admisión y Escape)
Porsche 955 Cayenne turbo - 2003 a 2006 (escape)
Haga clic en 'Acercar' para ver un diagrama de piezas grandes.
Diagrama de referencia nº 8
Números de referencia relacionados
Números relacionados, reemplazados, de referencia cruzada o alternativos para comparación.
99610512173
El producto que está viendo hace referencia cruzada a estos números
- Porsche 996 TURBO 2000-05
- Porsche 996 GT2 2001-05
- Porsche 997 MK1 TURBO 2007-09
- Porsche 997 MK1 GT2 2007-09
- Porsche 997 MKII GT2 RS 2011-13
- Porsche 955 Cayenne Turbo 4.5L 2003-06
- Porsche 955 Cayenne Turbo S 4.5L 2006>>

La arandela de pinza puede adaptarse tanto a la entrada como al escape. Por favor verifique a continuación
Encaja:
Porsche 996 turbo - 2001 a 2005 (Admisión y Escape)
Porsche 997.1 turbo - 2007 a 2008 (Admisión y Escape)
Porsche 997.2 GT2 RS - 2011 a 2012 (Admisión y Escape)
Porsche 955 Cayenne turbo - 2003 a 2006 (escape)
Haga clic en 'Acercar' para ver un diagrama de piezas grandes.
Diagrama de referencia nº 8
Números de referencia relacionados
Números relacionados, reemplazados, de referencia cruzada o alternativos para comparación.
99610512173
El producto que está viendo hace referencia cruzada a estos números
- Porsche 996 TURBO 2000-05
- Porsche 996 GT2 2001-05
- Porsche 997 MK1 TURBO 2007-09
- Porsche 997 MK1 GT2 2007-09
- Porsche 997 MKII GT2 RS 2011-13
- Porsche 955 Cayenne Turbo 4.5L 2003-06
- Porsche 955 Cayenne Turbo S 4.5L 2006>>
-
cylinder head 997 GT3 M97.76 2007-09 103-00
-
cylinder head 997 GT3 / GT3 RS M97.77 2010-11 and 997 GT3 RS 4.0 M97.74 2011 103-01
-
Culata / Accesorios / Válvulas - A101, A102 - 997.2 Carrera 3.6L / 3.8L 2009-12 103-005
-
Culata-9770-997,2 GT2 RS 3.6L 2010-11 103-002
-
Culata / Accesorios / Válvulas - A170 - 997.2 Turbo 2010-13 103-005
Válvulas de motor, guías de válvulas y resortes de válvulas: precisión, rendimiento y fiabilidad para motores Porsche
Las válvulas, guías y resortes forman el corazón de la culata de su Porsche, gestionando con precisión el flujo de aire y la eficiencia de la combustión. Las válvulas de admisión permiten que la mezcla aire-combustible correcta entre en la cámara de combustión, mientras que las válvulas de escape liberan los gases de escape. En conjunto con las guías y los resortes, garantizan una sincronización, compresión y entrega de potencia perfectas.
En Design911, ofrecemos una gama completa de válvulas de admisión y escape, guías de válvulas y resortes de válvula diseñados con precisión para ofrecer rendimiento, durabilidad y un ajuste perfecto en todos los modelos Porsche. Cada componente está fabricado con acero de alta calidad o titanio resistente al calor, lo que garantiza un funcionamiento fiable en condiciones extremas.
Ya sea reconstruyendo un clásico motor de seis cilindros planos refrigerado por aire o realizando el mantenimiento de un moderno motor turboalimentado, nuestros componentes de válvulas de alta calidad brindan la precisión, la resistencia y el rendimiento de sellado que su Porsche exige.
¿Qué hacen las válvulas, guías y resortes?
Estos componentes trabajan en armonía para controlar el flujo crítico de aire y escape que determina la potencia, la eficiencia y la longevidad de su motor.
Funciones principales:
- Válvulas de admisión : regulan la entrada de aire y combustible en la cámara de combustión.
- Válvulas de escape : liberan los gases quemados de manera eficiente durante la carrera de escape.
- Guías de válvulas : mantienen la alineación de la válvula y evitan el desgaste lateral.
- Resortes de válvula : controlan el movimiento de la válvula, garantizando una sincronización precisa y presión de cierre.
Juntos, mantienen el motor de su Porsche respirando libremente, funcionando sin problemas y teniendo el rendimiento previsto, vuelta tras vuelta, milla tras milla.
¿Por qué fallan las válvulas, guías y resortes?
Las válvulas y sus componentes soportan calor, presión y fricción extremos. Con el tiempo, estas condiciones pueden provocar desgaste, deformación o pérdida de tensión, lo que afecta el flujo de aire, la compresión y el rendimiento general del motor.
Las causas comunes de falla incluyen:
- Desgaste o picaduras en el asiento de la válvula , lo que provoca pérdida de compresión.
- Válvulas quemadas o dobladas causadas por sobrecalentamiento o problemas de sincronización.
- Guías de válvulas desgastadas , aumentando el consumo de aceite y el humo del escape.
- Resortes de válvula débiles o fatigados , lo que da como resultado que la válvula flote a altas RPM.
- Corrosión y acumulación de carbón debido a la mala calidad del combustible o viajes cortos.
Cuando se desarrollan estos problemas, los síntomas pueden incluir fallas de encendido, bajo rendimiento, quema de aceite o ralentí irregular: indicadores claros de que es necesario un reemplazo o una revisión.
¿Por qué reemplazarlos con componentes de válvulas diseñados con precisión?
Reemplazar válvulas, guías y resortes desgastados garantiza que el motor de su Porsche mantenga la compresión, la sincronización de válvulas y el flujo de aire adecuados, todos esenciales para una entrega de potencia confiable y una eficiencia de combustible.
Beneficios clave:
- Restaura el flujo de aire correcto y la eficiencia de la combustión.
- Mejora la compresión del motor y la respuesta del acelerador.
- Evita fugas de aceite y humo provocados por guías desgastadas.
- Elimina la flotación de la válvula y restaura la estabilidad a altas RPM.
- Fabricado con aleaciones premium resistentes al calor para mayor durabilidad y longevidad.
- Ajuste perfecto en motores Porsche clásicos y modernos.
Los componentes diseñados con precisión devuelven su motor a su condición óptima, preservando tanto el rendimiento como el refinamiento.
Reflejos:
- Amplia gama de válvulas de admisión y escape, guías de válvulas y resortes.
- Fabricado con precisión a partir de materiales de alta resistencia y tratados térmicamente.
- Restaura la compresión, la potencia y la precisión de la sincronización de válvulas.
- Mejora la confiabilidad y reduce el desgaste en motores de alto rendimiento.
- Diseñado para reconstrucciones, restauraciones y mejoras de rendimiento.
- Compatible con modelos Porsche refrigerados por aire y por agua.