Por favor, espere… 
Por favor, espere mientras procesamos su orden,
no presiones el botón para volver… 
Design 911 Design 911 supply Porsche parts, Porsche spares and Porsche accessories, to both retail and to the trade. Our Porsche product and accessory range includes brakes, exhausts, tyres, wheels and Porsche panels and interiors. https://www.design91.uk/images/schemaLogo.png https://www.design91.uk/images/schemaLogo.png +443456003478 https://www.design91.uk Facebook Instagram

Tubos de escape cruzados

Filtrar por marca
MOSTRANDO de 1 a 2 (de 2 productos)
9M96411104205KIT
Product Information
Product Information
Catalytic converter repair flanges and mounting hardware kit


Fits:
Porsche 964 (911) C2 1989-93
Porsche 964 (911) C4 1989-93
Porsche 964 (911) RS 3.6L 1991-93
Porsche 964 (911) RS 3.8L 1991-93

Kit Includes
2 x Catalytic converter / heat exchanger cross over flange
1 x Catalytic converter gasket
1 x Heat exchanger gasket
6 x Heat exchanger to cylinder head seal ring
4 x Heat exchanger barrel nut
16 x Exhaust lock nut
8 x Exhaust bolt M8 x 40

Ninemeister Converter Repair Flange 

Over time, age, heat cycles, and corrosion take their toll on Porsche exhaust systems. A common weak point is the catalytic converter flange, which can corrode and eventually disintegrate. When this happens, it compromises the seal in your exhaust system, leading to exhaust leaks, loss of performance, and increased noise.

The Ninemeister repair flange is a high-quality replacement solution designed specifically to restore your Porsche’s exhaust integrity.

Key Features

  • Direct Repair Solution – allows you to remove the corroded flange and re-weld this precision-machined replacement in place.
  • Durable Construction – built to withstand the extreme heat and corrosive conditions of Porsche exhaust systems.
  • Restores Exhaust Sealing – eliminates leaks, restores back pressure, and ensures smooth engine performance.
  • Cost-Effective Repair – no need to replace the entire catalytic converter when only the flange is damaged.
  • Tailored Fitment – engineered to match Porsche specifications for proper alignment and fit.

Why Replace a Corroded Converter Flange?

  • Eliminate Exhaust Leaks prevent harmful gases from escaping and affecting cabin safety.
  • Restore Performance – exhaust leaks reduce back pressure, causing poor throttle response and reduced efficiency.
  • Prevent Further Damage – corrosion at the flange can spread, leading to costly catalytic converter or exhaust system replacements.
  • Long-Term Reliability – a fresh flange ensures your exhaust remains structurally sound for years to come.

The Ninemeister catalytic converter repair flange provides a reliable, cost-effective fix for corroded catalytic converter flanges, helping you keep your Porsche exhaust system safe, efficient, and true to factory performance.

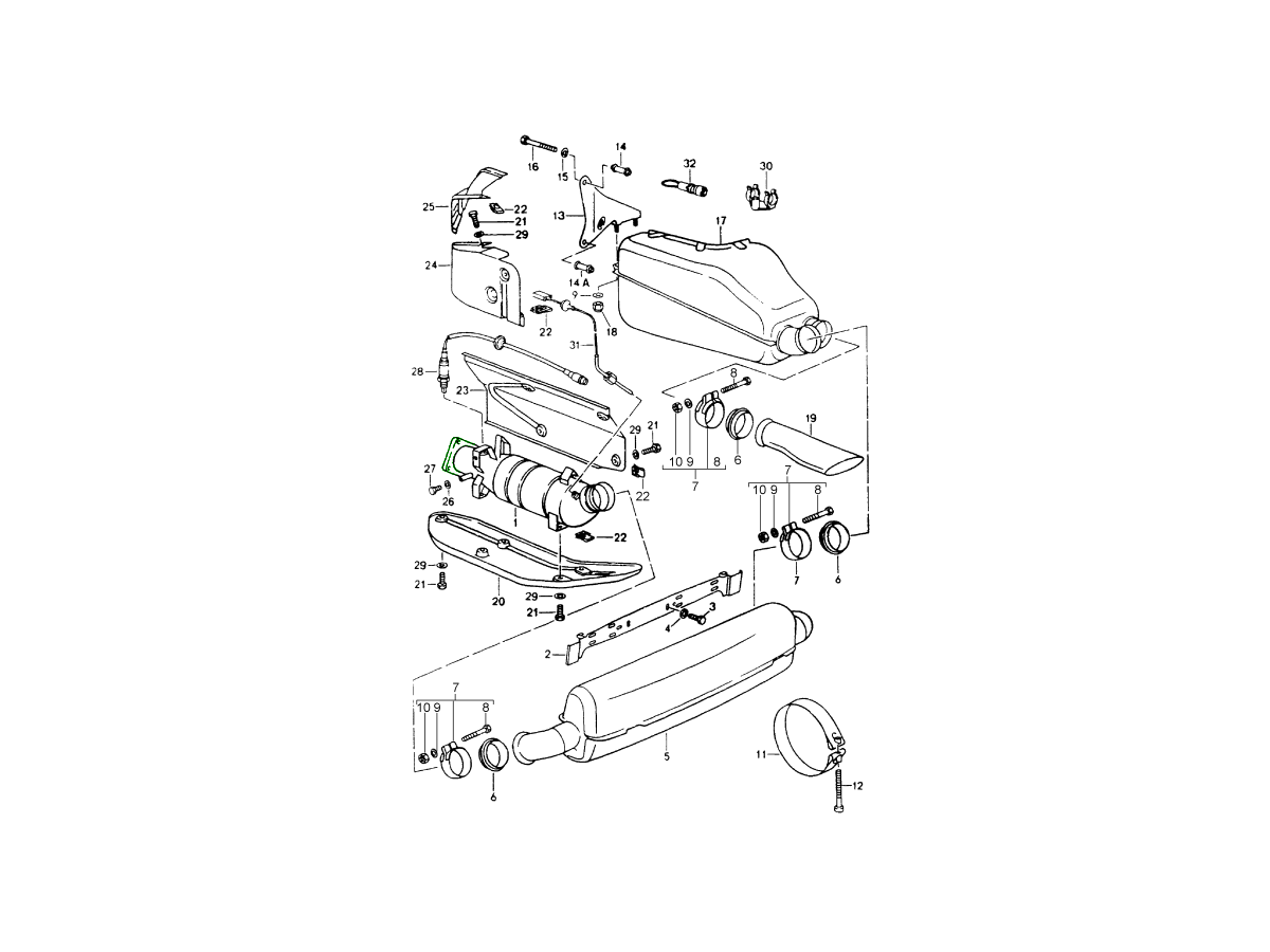
Section of diagram ref no 1, 3, 4, 5, 6, 7, 8 and 12.



Números de referencia relacionados
Números relacionados, reemplazados, de referencia cruzada o alternativos para comparación.

9M96411104205KIT
96411104205
96411321310
96411321306
96411321316
96411321317
96421103905
96421103932

El producto que está viendo hace referencia cruzada a estos números
9M96411104205
Product Information
Product Information
Brida de reparación del convertidor catalítico


Se adapta a:
Porsche 964 (911) C2 1989-93
Porsche 964 (911) C4 1989-93
Porsche 964 (911) RS 3.6L 1991-93
Porsche 964 (911) RS 3.8L 1991-93

Brida de reparación del convertidor Ninemeister

Con el tiempo, el envejecimiento, los ciclos de calor y la corrosión afectan gravemente los sistemas de escape de los Porsche. Un punto débil común es la brida del catalizador, que puede corroerse y eventualmente desintegrarse. Cuando esto sucede, se daña el sellado del sistema de escape, lo que provoca fugas, pérdida de rendimiento y aumento del ruido.

La brida de reparación Ninemeister es una solución de reemplazo de alta calidad diseñada específicamente para restaurar la integridad del escape de su Porsche.

Características principales

  • Solución de reparación directa : le permite quitar la brida corroída y volver a soldar este reemplazo mecanizado con precisión en su lugar.
  • Construcción duradera : diseñada para soportar el calor extremo y las condiciones corrosivas de los sistemas de escape Porsche.
  • Restaura el sellado del escape : elimina fugas, restablece la contrapresión y garantiza un rendimiento suave del motor.
  • Reparación rentable : no es necesario reemplazar todo el convertidor catalítico cuando solo está dañada la brida.
  • Ajuste personalizado : diseñado para adaptarse a las especificaciones de Porsche para una alineación y ajuste adecuados.

¿Por qué reemplazar una brida de convertidor corroída?

  • Eliminar fugas de escape : evita que escapen gases nocivos que afecten la seguridad de la cabina.
  • Restaurar el rendimiento : las fugas de escape reducen la contrapresión, lo que provoca una mala respuesta del acelerador y una menor eficiencia.
  • Evite daños mayores : la corrosión en la brida puede extenderse, lo que genera costosos reemplazos del convertidor catalítico o del sistema de escape.
  • Confiabilidad a largo plazo : una brida nueva garantiza que su escape permanezca estructuralmente sólido durante los próximos años.

La brida de reparación del convertidor catalítico Ninemeister proporciona una solución confiable y rentable para las bridas del convertidor catalítico corroídas, lo que le ayuda a mantener su sistema de escape Porsche seguro, eficiente y fiel al rendimiento de fábrica.

Sección del diagrama ref n° 1






Números de referencia relacionados
Números relacionados, reemplazados, de referencia cruzada o alternativos para comparación.

9M96411104205
96411104205
96411321310
96411321306
96411321316
96411321317
96421103905
96421103932

El producto que está viendo hace referencia cruzada a estos números
MOSTRANDO de 1 a 2 (de 2 productos)
También se ha encontrado en estas páginas
También te puede interesar
Modelos Populares