Introduzca aquí su número de identificación fiscal (NIF o VAT number) y haga clic en Verificar:
No necesita incluir el código de país de su NIF, dado que ya lo ha indicado antes en su dirección de facturación.
Se han verificado sus datos. NIF registrado a nombre de:
###NUEVO MÉJICO###,
.
Su pedido cuenta ahora con una tasa cero a efectos de IVA. Nos reservamos el derecho a verificar estos datos después de que haya solicitado su pedido y a restablecer el IVA si fuese necesario.
Sus datos de identificación fiscal no han sido reconocidos o no son válidos. Su NIF debe coincidir con el país de facturación que especificó anteriormente. Actualmente se ha especificado como . No necesita incluir el código de país de su NIF, do que ya lo ha indicado antes en los datos de su dirección de facturación.
El servicio de verificación de NIF no está disponible en este momento. Le rogamos que indique sus datos del NIF en los comentarios e en el cuadro de instrucciones especiales que encontrará abajo y le aplicaremos un descuento en el IVA tras realizar su solicitud de pedido.
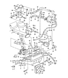
Válvula de arranque en frío
Se adapta a:
Porsche 924 2.0L 1976-85 - Excluye Turbo/GT
Diagrama ref. 34.
Números de referencia relacionados
Números relacionados, reemplazados, de referencia cruzada o alternativos para comparación.
050906179
El producto que está viendo hace referencia cruzada a estos números
- Porsche 924 2.0L 1976-79
- Porsche 924 2.0L 1980-85

Encaja:
Porsche 911 (930) Turbo 1975-77
Porsche 924 1976-85
Porsche 924 turbo 1981-1984
Haga clic en 'Acercar' para ver el diagrama de piezas grandes.
Diagrama ref no 12
Números de referencia relacionados
Números relacionados, reemplazados, de referencia cruzada o alternativos para comparación.
93060610700
El producto que está viendo hace referencia cruzada a estos números
- Porsche 911 1975-1977 3.0L Turbo (930)
- Porsche 924 2.0L 1976-79
- Porsche 924 2.0L 1980-85
- Porsche 924 Turbo 2.0L 1979-81
- Porsche 924 Turbo 2.0L 1982-84
- Porsche 924 Carrera GT 2.0L 1981
- Porsche 924 Carrera GTS 2.0L 1982

Encaja:
Porsche 924 1981-85 (excepto Turbo)
Este número de parte ha sido reemplazado por números anteriores:
- 477906171
Haga clic en 'Acercar' para ver el diagrama de piezas grandes.
Diagrama ref no 29
Números de referencia relacionados
Números relacionados, reemplazados, de referencia cruzada o alternativos para comparación.
PCG906171
El producto que está viendo hace referencia cruzada a estos números
- Porsche 924 Turbo 2.0L 1982-84
Válvulas de arranque en frío de alta calidad para un enriquecimiento de combustible fiable y un arranque suave del motor.
La válvula de arranque en frío —a veces llamada inyector de arranque en frío o válvula de enriquecimiento— es un componente crucial del sistema eléctrico y de combustible del motor. Proporciona un aporte adicional de combustible durante los arranques en frío, lo que ayuda al motor a arrancar rápidamente y a mantener un ralentí estable a bajas temperaturas. Al enriquecer la mezcla solo cuando es necesario, esta válvula favorece un arranque constante y reduce el esfuerzo de los sistemas de encendido y combustible.
Ya sea restaurando un modelo clásico de inyección de combustible o solucionando problemas de arranque en frío, una válvula de arranque en frío que funcione correctamente es esencial para un comportamiento fiable del motor.
¿Qué hacen las válvulas de arranque en frío?
Las válvulas de arranque en frío proporcionan un enriquecimiento temporal de combustible en condiciones de frío.
Sus funciones principales incluyen:
- Inyectar combustible adicional durante el arranque del motor para mejorar la combustión
- Estabilizar la velocidad de ralentí inmediatamente después de un arranque en frío
- Reduce los fallos de encendido, las vacilaciones y las paradas del motor en frío.
- Trabajar con sensores de temperatura y unidades de control para determinar cuándo se requiere enriquecimiento
- Facilita arranques suaves en invierno o tras un periodo prolongado de inactividad del motor.
Una válvula de arranque en frío que funcione correctamente garantiza arranques más rápidos, emisiones reducidas y un calentamiento más suave.
¿Por qué fallan con frecuencia las válvulas de arranque en frío?
Debido a que este componente funciona en un entorno de combustible a alta presión y se comunica con controles eléctricos, puede fallar debido a:
- Obstrucción interna por barniz, residuos o combustible envejecido
- Fallos en las conexiones eléctricas que afectan a las señales de activación
- Inyectores atascados o con fugas que suministran demasiado o muy poco combustible
- Desgaste de los solenoides internos que provoca un funcionamiento débil o inconsistente
- Corrosión alrededor de los conectores o del cuerpo del inyector
- Irregularidades en la presión del combustible que provocan un desequilibrio en el flujo
- La degradación por alto kilometraje reduce la eficiencia de pulverización
Los síntomas de fallo suelen incluir arranques en frío difíciles, tiempos de arranque prolongados, ralentí inestable, inundación del motor o humo negro en el escape.
Por qué debería reemplazar una válvula de arranque en frío defectuosa
Una válvula de arranque en frío defectuosa afecta directamente la conducción y aumenta el esfuerzo en los sistemas de encendido y combustible. Sustituirla por una alternativa de alta calidad y precisión, diseñada para cumplir con los estándares de rendimiento originales, garantiza un arranque fiable y un suministro óptimo de combustible.
Entre los beneficios se incluyen:
- Arranques en frío más rápidos y suaves
- Mejora del suministro de combustible durante el calentamiento
- Menor riesgo de inundación del motor o mezcla pobre
- Menores emisiones y combustión más limpia
- Ralentí estable y respuesta inicial más suave
- Mayor fiabilidad en invierno y en climas fríos.
Sustituir este componente es una forma rentable de restablecer un correcto funcionamiento en arranque en frío y evitar el desgaste innecesario de otros sistemas del motor.