Introduzca aquí su número de identificación fiscal (NIF o VAT number) y haga clic en Verificar:
No necesita incluir el código de país de su NIF, dado que ya lo ha indicado antes en su dirección de facturación.
Se han verificado sus datos. NIF registrado a nombre de:
###NUEVO MÉJICO###,
.
Su pedido cuenta ahora con una tasa cero a efectos de IVA. Nos reservamos el derecho a verificar estos datos después de que haya solicitado su pedido y a restablecer el IVA si fuese necesario.
Sus datos de identificación fiscal no han sido reconocidos o no son válidos. Su NIF debe coincidir con el país de facturación que especificó anteriormente. Actualmente se ha especificado como . No necesita incluir el código de país de su NIF, do que ya lo ha indicado antes en los datos de su dirección de facturación.
El servicio de verificación de NIF no está disponible en este momento. Le rogamos que indique sus datos del NIF en los comentarios e en el cuadro de instrucciones especiales que encontrará abajo y le aplicaremos un descuento en el IVA tras realizar su solicitud de pedido.
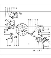
Tuerca hexagonal para montaje en caja de cambios (número de pieza 90007606402), diseñada para los modelos Porsche 911, 912 y 930 (1965-1989). Fabricada según las especificaciones originales de Porsche, esta tuerca M8 proporciona un enganche preciso de la rosca, resistencia a la corrosión y una sujeción fiable para aplicaciones de montaje en caja de cambios.
Vendidos cada uno.
Se adapta a:
Porsche 911/912 1965-1989
Porsche 911 (930) Turbo 1975 - 1989
Diagrama Ref No 9
Ideal para instalaciones de soportes de caja de cambios, reconstrucciones de transmisiones o restauraciones de hardware en modelos Porsche clásicos refrigerados por aire.
Con el tiempo, los herrajes de montaje de la caja de cambios pueden corroerse o perder retención de torque debido al calor, la vibración y el paso del tiempo. Una tuerca nueva garantiza una fijación segura y una alineación correcta de los soportes de la caja de cambios. Reemplácela durante el desmontaje, la reconstrucción o el reemplazo de los soportes de la caja de cambios para mantener la fiabilidad y evitar movimientos o ruidos en la transmisión.
Números de referencia relacionados
Números relacionados, reemplazados, de referencia cruzada o alternativos para comparación.
90007606402
El producto que está viendo hace referencia cruzada a estos números
- Porsche 911 1965-1968 2.0L / 912 SWB (F)
- Porsche 911 1968-1973 2.2L / 2.4L / 2.7L RS LWB (F)
- Porsche 911 1974-1977 2.7L / 1976-77 3.0 Carrera
- Porsche 911 1978-1983 3.0L / SC
- Porsche 911 1984-1986 3.2L
- Porsche 911 1987-1989 3.2L G50
- Porsche 911 1975-1977 3.0L Turbo (930)
- Porsche 911 1978-1989 3.3L Turbo (930)



