Please wait… 
Please wait while we process your order,
do not press the back button… 
Design 911 Design 911 supply Porsche parts, Porsche spares and Porsche accessories, to both retail and to the trade. Our Porsche product and accessory range includes brakes, exhausts, tyres, wheels and Porsche panels and interiors. https://www.design91.uk/images/schemaLogo.png https://www.design91.uk/images/schemaLogo.png +443456003478 https://www.design91.uk Facebook Instagram

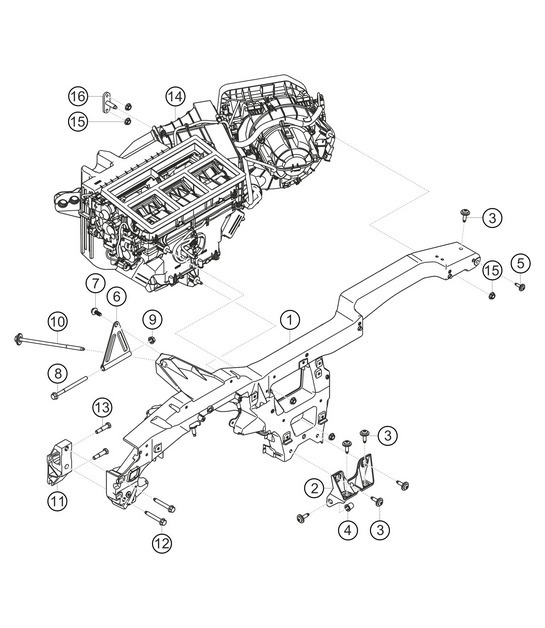
Support frame + blower 911 (991) GT3 CUP 2016 - PORSCHE

Click the image numbers to view product info

Diagram 8.8-14 Porsche 991 (911) MK2 2016-2019 Body SKU: 9915040638C, as supporting frame SKU: 99150461500, holder tunnel SKU: 99914301401, hexagon head bolt m 8gfx27 10.9 y 26c1 SKU: 99914301401, hexagon head bolt m 8gfx27 10.9 y 26c1 SKU: 99914301401, hexagon head bolt m 8gfx27 10.9 y 26c1 SKU: 99950016401, bl-nt-mu m 8/0,5-3,0 SKU: 99907346701, combination screw m6x30-dis pn1644 8.8 s99-l SKU: 99150465301, support steering column SKU: 99914301301, hexagon-head bolt m 8gfx21,5 10.9 y 26c1* SKU: N10636601, hexagon-head bolt bm8x110x80 SKU: 99908463001, hexagon nut m8 SKU: 99907358701, combination m8x195-pa*pn1644 8.8 s99-y mk SKU: 99150460702, holder a-pillar SKU: 90037805602, bolt hex.-hd. m 8x60 en1665 8.8 26b1 SKU: 90091900901, fit bolt m 8x45 din609 8.8 26b1 SKU: 9915730118C, as heater/ac SKU: 90037701809, hexagon nut m 6 en1661 8 26d1 SKU: 90037701809, hexagon nut m 6 en1661 8 26d1 SKU: 99157248100, support air conditioner 8.8-14