Please wait… 
Please wait while we process your order,
do not press the back button… 
Design 911 Design 911 supply Porsche parts, Porsche spares and Porsche accessories, to both retail and to the trade. Our Porsche product and accessory range includes brakes, exhausts, tyres, wheels and Porsche panels and interiors. https://www.design91.uk/images/schemaLogo.png https://www.design91.uk/images/schemaLogo.png +443456003478 https://www.design91.uk Facebook Instagram

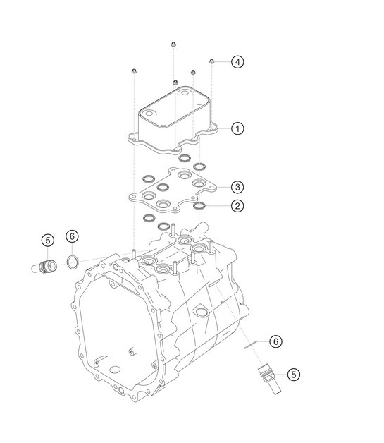
Gearbox cooling system 911 (991) GT3 CUP 2016 - PORSCHE

Click the image numbers to view product info

Diagram 3.3-04 Porsche 911 & 912 (1965-1989) Transmission SKU: 9913072098A, transm.oil cooler SKU: 90033102140, o-ring 20,00x3,55n*d 3771 fpm 70 SKU: 9913072199B, reinforcing plate heat exchanger SKU: 90081700102, hex. nut m6 ln9338 1.7220.3 SKU: 9973074419A, neck water supply SKU: 9973074419A, neck water supply SKU: 90012311830, alum.sealing ring 22x27 d 7603 al99,5 SKU: 90012311830, alum.sealing ring 22x27 d 7603 al99,5 3.3-04