Please wait… 
Please wait while we process your order,
do not press the back button… 
Design 911 Design 911 supply Porsche parts, Porsche spares and Porsche accessories, to both retail and to the trade. Our Porsche product and accessory range includes brakes, exhausts, tyres, wheels and Porsche panels and interiors. https://www.design91.uk/images/schemaLogo.png https://www.design91.uk/images/schemaLogo.png +443456003478 https://www.design91.uk Facebook Instagram

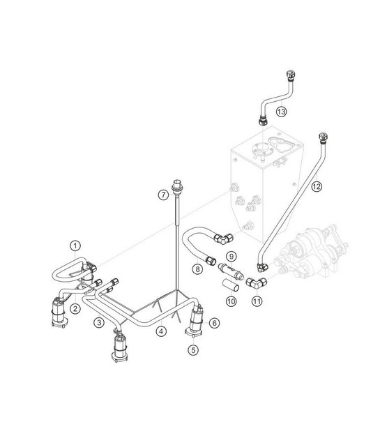
Option internal fuel lines and pumps 911 (991) GT3 CUP 2018 - 2019 - PORSCHE

Click the image numbers to view product info

Diagram 0.0-15 Porsche 997 MK1 Carrera 4S 3.8L 2005-08 Accessories & others SKU: 9912013458B, as fuel pump intank SKU: 9912013478B, as fuel pump intank SKU: 9912013438B, as fuel pump intank SKU: 9912013418B, as fuel pump intank SKU: 9912016378A, filter intank pump SKU: 99951307840, 99951307840 SKU: 9912016978E, cable loom fuel tank SKU: 9912012318A, fuel line catch tank - pump SKU: 9912012838B, as fuel filter rough SKU: 9912013878A, filter insert primary fuel filter SKU: 9972015959A, elbow fitting SKU: 9912012178D, fuel line pump - tank plate,SKU: 9912012278A, fuel line catch tank - tank plate 0.0-15