Geben Sie hier Ihre MwSt.-Nummer ein und klicken Sie auf Überprüfen:
Sie brauchen den Ländercode Ihrer MwSt.-Nummer nicht einzugeben, da dieser bereits oben in Ihrer Rechnungsadresse ausgewählt wurde.
Ihre Angaben wurden überprüft. MwSt.-Nummer registriert auf:
,
.
Ihre Bestellung ist nun mehrwertsteuerfrei. Wir behalten uns das Recht vor, diese Angaben nach Ihrer Bestellung zu überprüfen und gegebenenfalls die Mehrwertsteuer wieder einzuführen.
Ihre MwSt.-Angaben wurden nicht erkannt oder waren ungültig. Ihre MwSt.-Nummer muss mit Ihrem Rechnungsland übereinstimmen, wie oben angegeben. Dies ist derzeit als angegeben. Sie brauchen den Ländercode Ihrer MwSt.-Nummer nicht einzugeben, da Sie diesen bereits in den Angaben zu Ihrer Rechnungsadresse oben ausgewählt haben.
Der Dienst zur Überprüfung von MwSt.-Nummern ist derzeit offline. Bitte geben Sie Ihre MwSt.-Daten im Feld „Kommentare“ oder „Besondere Hinweise“ unten an, und wir werden nach Ihrer Bestellung einen MwSt.-Rabatt gewähren.
Verkauft als Satz mit 4 Bremsleitungen
Passform:
Porsche 996 Carrera 2 – 1997 bis 2005
Porsche 996 GT3 - 1999 bis 2005
Porsche 997.1 Carrera 2 / Carrera 2S – 2005 bis 2008
Porsche 997.2 Carrera 2 / Carrera 2S – 2009 bis 2012
Für Fahrzeuge OHNE PCCB (Keramikbremsen)
Diagrammreferenz Nr. 1, 7 und 5, 6
Zugehörige Referenznummern
Verwandte, ersetzte, Querverweisoder Alternativnummern zum Vergleich.
BRAKELINEKIT01
Das von Ihnen angezeigte Produkt verweist auf diese Nummern
- Porsche 996 C2 3.4L 1997-08/01
- Porsche 996 C2 3.6L 09/01-2005
- Porsche 996 GT3 MKI 1999-02
- Porsche 996 GT3 MKII 2003>>
- Porsche 996 GT3 RS 2003-04
- Porsche 997 MK1 Carrera 2 3.6L 2005-08
- Porsche 997 MK1 Carrera 2S 3.8L 2005-08
- Porsche 997 MKII Carrera C2 3.6L 2009-12
- Porsche 997 MKII Carrera C2S 3.8L 2009-12
Verkauft als Satz mit 4 Bremsleitungen
Passform:
Porsche 996 Carrera 4 – 1997 bis 2005
Porsche 996 Carrera 4S – 2001 bis 2005
Porsche 996 turbo / turbo S - 2000 bis 2005
Für Fahrzeuge OHNE PCCB (Keramikbremsen)
Diagrammreferenz Nr. 1, 7 und 5, 6
Zugehörige Referenznummern
Verwandte, ersetzte, Querverweisoder Alternativnummern zum Vergleich.
BRAKELINEKIT02
Das von Ihnen angezeigte Produkt verweist auf diese Nummern
- Porsche 996 C4 3.4L 1997-08/01
- Porsche 996 C4 3.6L 09/01-2005
- Porsche 996 C4S 3.6L 09/01-2005
- Porsche 996 TURBO 2000-05
- Porsche 997 MK1 Carrera 2 3.6L 2005-08
- Porsche 997 MK1 Carrera 2S 3.8L 2005-08
- Porsche 997 MKII Carrera C2 3.6L 2009-12
- Porsche 997 MKII Carrera C2S 3.8L 2009-12

#Vorderseite#
Für Fahrzeuge OHNE Keramikbremsen
Porsche 996 3.6L C4S 2002>>
Porsche 996 Turbo 2001-05
Porsche 996 GT3 1999-05
Porsche 997.1 C2 / C2S / C4 / C4S 2005-08
Porsche 997.2 C2S / C4S 2008-12
Porsche 997.2 GTS / C4 GTS 2008-12
Klicken Sie auf „Vergrößern“, um ein großes Teilediagramm anzuzeigen.
Diagramm Nr. 10
Zugehörige Referenznummern
Verwandte, ersetzte, Querverweisoder Alternativnummern zum Vergleich.
99635196
Das von Ihnen angezeigte Produkt verweist auf diese Nummern
- Porsche 996 C4S 3.6L 09/01-2005
- Porsche 996 TURBO 2000-05
- Porsche 996 GT3 MKI 1999-02
- Porsche 996 GT3 MKII 2003>>
- Porsche 996 GT3 RS 2003-04
- Porsche 997 MK1 Carrera 2 3.6L 2005-08
- Porsche 997 MK1 Carrera 2S 3.8L 2005-08
- Porsche 997 MK1 Carrera 4 3.6L 2005-08
- Porsche 997 MK1 Carrera 4S 3.8L 2005-08
- Porsche 997 MKII Carrera C2S 3.8L 2009-12
- Porsche 997 MKII Carrera C4S 3.8L 2009-12
Einzeln verkauft; passt auf die linke oder rechte Seite.

Porsche 981 Boxster 2012–16 – Für Nicht-S-2,7-l-Modelle ohne Keramikbremsen (PCCB)
Porsche 981 Cayman 2014–16 – Für Nicht-S-2,7-l-Modelle ohne Keramikbremsen (PCCB)
Porsche 718 (982) Boxster 2017>> - Für Nicht-S 2.0L-Modelle ohne Keramikbremsen (PCCB)
Porsche 718 (982) Cayman 2017>> – Für Nicht-S-2,0-l-Modelle ohne Keramikbremsen (PCCB)
Porsche 997.2 Carrera 2009–12 – Für Nicht-S/GTS C2/C4 3,6-l-Modelle ohne Keramikbremsen (PCCB)
Porsche 991.1 Carrera 2012–16 – Für Nicht-S/GTS C2/C4 3,4-l-Modelle ohne Keramikbremsen (PCCB)
Diagramm Ref. 10.
Zugehörige Referenznummern
Verwandte, ersetzte, Querverweisoder Alternativnummern zum Vergleich.
99735196101
Das von Ihnen angezeigte Produkt verweist auf diese Nummern
- Porsche Boxster 981 2.7L 2012-16
- Porsche Boxster 718 2.0L Manual (300 Bhp)
- Porsche Boxster 718 2.0L PDK (300 Bhp)
- Porsche 997 MKII Carrera C2 3.6L 2009-12
- Porsche 997 MKII Carrera C4 3.6L 2009-12
- Porsche 991.1 Carrera C2 3.4L (350Bhp) 2012-16
- Porsche 991.1 Carrera C4 3.4L (350Bhp) 2012-16
- Porsche Cayman 2.7L 981 2013-16
- Porsche Cayman 718 2.0L Manual (300Bhp)
- Porsche Cayman 718 2.0L PDK (300Bhp)

Passform:
Porsche 996 C4S 2002>>
Porsche 997.1 C4*
Porsche 997.2 C4*
*nicht für Fahrzeuge mit PCCB/Option I450
- Porsche 996 C4S 3.6L 09/01-2005
- Porsche 996 TURBO 2000-05
- Porsche 997 MK1 Carrera 4 3.6L 2005-08
- Porsche 997 MK1 Carrera 4S 3.8L 2005-08
Verkauft pro Stück

Passform:
Porsche 986 Boxster 1997-04
Porsche 996 Carrera 1998-05
Porsche 996 Turbo / GT2
Porsche 996 GT3
Porsche 997 Carrera MKI & MKII 2005>>
Porsche 997 Turbo / GT2 2007>>
Porsche 987 Boxster MKI & MKII 2005>>
Porsche 987C Cayman MKI & MKII 2006>>
Zugehörige Referenznummern
Verwandte, ersetzte, Querverweisoder Alternativnummern zum Vergleich.
99735533101
Das von Ihnen angezeigte Produkt verweist auf diese Nummern
- Porsche Boxster 986 2.5L 1997-99
- Porsche Boxster 986 2.7L 1999-02
- Porsche Boxster S 986 3.2L 1999-02
- Porsche Boxster 986 2.7L 2003-04
- Porsche Boxster S 986 3.2L 2003-04
- Porsche Boxster 987 2.7L 2005 -08/08
- Porsche Boxster 987 S 3.2/3.4L 2005-08/08
- Porsche Boxster 987 MKII 2.9L 2009-2012
- Porsche Boxster S 987 MKII 3.4L 2009-2012
- Porsche Boxster 981 2.7L 2012-16
- Porsche Boxster 981 S / GTS 3.4L 2012-16
- Porsche Boxster 981 Spyder 3.8L 2016
- Porsche Boxster 718 2.0L Manual (300 Bhp)
- Porsche Boxster 718 2.0L PDK (300 Bhp)
- Porsche Boxster S 718 2.5L Manual (350 Bhp)
- Porsche Boxster S 718 2.5L PDK (350 Bhp)
- Porsche Boxster T 718 2.0L Manual (300 Bhp)
- Porsche Boxster T 718 2.0L PDK (300 Bhp)
- Porsche Boxster GTS 718 2.5L Manual (365 Bhp)
- Porsche Boxster GTS 718 2.5L PDK (365 Bhp)
- Porsche Boxster GTS 718 4.0L Manual (400 Bhp)
- Porsche Boxster GTS 718 4.0L PDK (400 Bhp)
- Porsche Boxster Spyder 718 4.0L (420 Bhp)
- Porsche Boxster 25 Years 718 4.0L Manual (400 Bhp)
- Porsche Boxster 25 Years 718 4.0L PDK (400 Bhp)
- Porsche 996 C2 3.4L 1997-08/01
- Porsche 996 C4 3.4L 1997-08/01
- Porsche 996 C2 3.6L 09/01-2005
- Porsche 996 C4 3.6L 09/01-2005
- Porsche 996 C4S 3.6L 09/01-2005
- Porsche 996 TURBO 2000-05
- Porsche 996 GT2 2001-05
- Porsche 996 GT3 MKI 1999-02
- Porsche 996 GT3 MKII 2003>>
- Porsche 996 GT3 RS 2003-04
- Porsche 997 MK1 Carrera 2 3.6L 2005-08
- Porsche 997 MK1 Carrera 2S 3.8L 2005-08
- Porsche 997 MK1 Carrera 4 3.6L 2005-08
- Porsche 997 MK1 Carrera 4S 3.8L 2005-08
- Porsche 997 MK1 TURBO 2007-09
- Porsche 997 MK1 GT2 2007-09
- Porsche 997 MKII Carrera C2 3.6L 2009-12
- Porsche 997 MKII Carrera C4 3.6L 2009-12
- Porsche 997 MKII Carrera C2S 3.8L 2009-12
- Porsche 997 MKII Carrera C4S 3.8L 2009-12
- Porsche 997 MKII GT3 2010-11
- Porsche 997 MKII Turbo 2010-13
- Porsche 997 MKII GT2 RS 2011-13
- Porsche 991.1 Carrera C2 3.4L (350Bhp) 2012-16
- Porsche 991.1 Carrera C2S / GTS 3.8L (400/430 Bhp) 2012-16
- Porsche 991.1 Carrera C4 3.4L (350Bhp) 2012-16
- Porsche 991.1 Carrera C4S / GTS 3.8L (400/430 Bhp) 2012-16
- Porsche 991.1 Turbo 3.8L (520bhp) 2014-16
- Porsche 991.1 Turbo S 3.8L (560Bhp) 2014-16
- Porsche 991.1 R 4.0L (500 Bhp) 2016
- Porsche 991.1 GT3 3.8L (475Bhp) 2014-16
- Porsche 991.1 GT3 RS 4.0L (500Bhp) 2015-16
- Porsche 991.2 Carrera 2 3.0L (370 Bhp) 2016-19
- Porsche 991.2 Carrera 2S / GTS 3.0L (420/450 Bhp) 2016-19
- Porsche 991.2 Carrera 4 3.0L (370 Bhp) 2016-19
- Porsche 991.2 Carrera 4S / GTS 3.0L (420/450 Bhp) 2016-19
- Porsche 991.2 Cabriolet 2 3.0L (370 Bhp) 2016-19
- Porsche 991.2 Cabriolet 2S / GTS 3.0L (420/450 Bhp) 2016-19
- Porsche 991.2 Cabriolet 4 3.0L (370 Bhp) 2016-19
- Porsche 991.2 Cabriolet 4S / GTS 3.0L (420/450 Bhp) 2016-19
- Porsche 991.2 Targa 4 3.0L (370 Bhp) 2016-19
- Porsche 991.2 Targa 4S / GTS 3.0L (420/450 Bhp) 2016-19
- Porsche 991.2 Turbo Coupe 3.8L (540 Bhp) 2016-19
- Porsche 991.2 Turbo S Coupe 3.8L (580 Bhp) 2016-19
- Porsche 991.2 Turbo Cabriolet 3.8L (540 Bhp) 2016-19
- Porsche 991.2 Turbo S Cabriolet 3.8L (580 Bhp) 2016-19
- Porsche 991.2 Speedster 4.0L (510Bhp) 2019
- Porsche 991.2 GT3 4.0L (500 Bhp) / GT3 RS 4.0L (520 Bhp) 2017-19
- Porsche 991.2 GT2 RS 3.8L PDK (700 bhp) 2018-19
- Porsche Cayman 2.7L 987C 2006-08
- Porsche Cayman S 3.4L 987C 2005-08
- Porsche Cayman 2.9L 987C MKII 2009-12
- Porsche Cayman S / R 3.4L 987C MKII 2009-12
- Porsche Cayman 2.7L 981 2013-16
- Porsche Cayman S / GTS 3.4L 981 2013-16
- Porsche Cayman GT4 3.8L 2015-16
- Porsche Cayman 718 2.0L Manual (300Bhp)
- Porsche Cayman 718 2.0L PDK (300Bhp)
- Porsche Cayman S 718 2.5L Manual (350Bhp)
- Porsche Cayman S 718 2.5L PDK (350Bhp)
- Porsche Cayman T 718 2.0L Manual (300Bhp)
- Porsche Cayman T 718 2.0L PDK (300 Bhp)
- Porsche Cayman GTS 718 2.5L Manual (365 Bhp)
- Porsche Cayman GTS 718 2.5L PDK (365 Bhp)
- Porsche Cayman GTS 718 4.0L Manual (400 Bhp)
- Porsche Cayman GTS 718 4.0L PDK (400 Bhp)
- Porsche Cayman GT4 718 4.0L / GT4 RS 718 4.0L
- Porsche Carrera GT
- Porsche 955 Cayenne 3.2L V6 2003-06
- Porsche 955 Cayenne S 4.5L V8 2003-06
- Porsche 955 Cayenne Turbo 4.5L 2003-06
- Porsche 955 Cayenne Turbo S 4.5L 2006>>
- Porsche 970.1 Panamera V6 3.6L 2WD 2009-13
- Porsche 970.1 Panamera 4 V6 3.6L 4WD 2009-13
- Porsche 970.1 Panamera S V8 4.8L 2009-13
- Porsche 970.1 Panamera 4S V8 4.8L 2009-13
- Porsche 970.1 Panamera GTS V8 4.8L 2011-13
- Porsche 970.1 Panamera Turbo V8 4.8L 2009-13
- Porsche 970.1 Panamera Turbo S V8 4.8L 2009-13
- Porsche 970.1 Panamera Diesel V6 3.0L 2011-13
- Porsche 970.1 Panamera S Hybrid V6 3.0L 2011-13
- Porsche 970.2 Panamera V6 3.6L 2WD (310Hp) 2014-16
- Porsche 970.2 Panamera 4 V6 3.6L 4WD (310Hp) 2014-16
- Porsche 970.2 Panamera S V6 Turbo 3.0L 2WD (420Hp) 2014-16
- Porsche 970.2 Panamera S V6 Turbo 3.0L 2WD Executive 2014-16
- Porsche 970.2 Panamera 4S V6 Turbo 3.0L 4WD (420Hp) 2014-16
- Porsche 970.2 Panamera 4S V6 Turbo 3.0L 4WD Executive 2014-16
- Porsche 970.2 Panamera GTS V8 4.8L 4WD (440Hp) 2014-16
- Porsche 970.2 Panamera Turbo V8 4.8L (520Hp) 2014-16
- Porsche 970.2 Panamera Turbo V8 Executive 2014-16
- Porsche 970.2 Panamera Turbo S V8 4.8L 2014-16
- Porsche 970.2 Panamera Diesel V6 3.0L (250Hp) 2014-16
- Porsche 970.2 Panamera S E-Hybrid V6 3.0L (416Hp) 2014-16
- Porsche 918 Spyder 4.6L
Porsche 987 Boxster / Boxster S MKI 2005-08
Porsche 987 Boxster MKII 2009-12
Porsche 987C Cayman / Cayman S MKI 2005-08
Porsche 987C Cayman MKII 2009-12
Porsche 997.1 Carrera 2005-08
Porsche 997.2 Carrera 2009-12
Klicken Sie auf „Vergrößern“, um ein großes Teilediagramm anzuzeigen.
Diagramm Nr. 7
Zugehörige Referenznummern
Verwandte, ersetzte, Querverweisoder Alternativnummern zum Vergleich.
99735575300
Das von Ihnen angezeigte Produkt verweist auf diese Nummern
- Porsche Boxster 987 2.7L 2005 -08/08
- Porsche Boxster 987 S 3.2/3.4L 2005-08/08
- Porsche Boxster 987 MKII 2.9L 2009-2012
- Porsche Boxster S 987 MKII 3.4L 2009-2012
- Porsche 997 MK1 Carrera 2 3.6L 2005-08
- Porsche 997 MK1 Carrera 2S 3.8L 2005-08
- Porsche 997 MK1 Carrera 4 3.6L 2005-08
- Porsche 997 MK1 Carrera 4S 3.8L 2005-08
- Porsche 997 MK1 TURBO 2007-09
- Porsche 997 MK1 GT3 2007-09
- Porsche 997 MK1 GT2 2007-09
- Porsche 997 MKII Carrera C2 3.6L 2009-12
- Porsche 997 MKII Carrera C4 3.6L 2009-12
- Porsche 997 MKII Carrera C2S 3.8L 2009-12
- Porsche 997 MKII Carrera C4S 3.8L 2009-12
- Porsche 997 MKII GT3 2010-11
- Porsche 997 MKII Turbo 2010-13
- Porsche 997 MKII GT2 RS 2011-13
- Porsche Cayman 2.7L 987C 2006-08
- Porsche Cayman S 3.4L 987C 2005-08
- Porsche Cayman 2.9L 987C MKII 2009-12
- Porsche Cayman S / R 3.4L 987C MKII 2009-12
Passform:
Fahrzeuge mit Keramikbremse (Optionscode: 450)
Porsche 997.1 GT2 2007-09
Porsche 997.2 GT2 RS 2010-13
Porsche 997 GT3
Diagrammreferenz Nr. 1
Zugehörige Referenznummern
Verwandte, ersetzte, Querverweisoder Alternativnummern zum Vergleich.
99735558192
Das von Ihnen angezeigte Produkt verweist auf diese Nummern
- Porsche 997 MK1 GT3 2007-09
- Porsche 997 MK1 GT2 2007-09
- Porsche 997 MKII GT3 2010-11
- Porsche 997 MKII GT2 RS 2011-13

Passend für:
Porsche 997.1 Carrera 4/4S 2005-08
Porsche 997.1 Targa 4/S 2005-08
Porsche 997.1 Turbo 2008>> (nicht GT2-Modelle)
Porsche 997.2 Carrera / Targa 2009-12 (nicht GTS-Modelle)
Porsche 997.2 Turbo 2010-13 (nicht GT2-Modelle)
Klicken Sie auf „Vergrößern“, um ein Diagramm mit großen Teilen anzuzeigen.
Diagramm Nr. 5
Zugehörige Referenznummern
Verwandte, ersetzte, Querverweisoder Alternativnummern zum Vergleich.
99735517531
Das von Ihnen angezeigte Produkt verweist auf diese Nummern
- Porsche 997 MK1 Carrera 4 3.6L 2005-08
- Porsche 997 MK1 Carrera 4S 3.8L 2005-08
- Porsche 997 MK1 TURBO 2007-09
- Porsche 997 MKII Carrera C2 3.6L 2009-12
- Porsche 997 MKII Carrera C4 3.6L 2009-12
- Porsche 997 MKII Carrera C2S 3.8L 2009-12
- Porsche 997 MKII Carrera C4S 3.8L 2009-12
- Porsche 997 MKII Turbo 2010-13

Passend für:
Porsche 997.1 Carrera 2005-08
Porsche 997.1 Turbo 2007-09
Porsche 997.2 Carrera 2009-12
Porsche 997.2 Turbo 2011-13
Porsche 997 GT3 2007-11
Klicken Sie auf „Vergrößern“, um ein Diagramm mit großen Teilen anzuzeigen.
Diagramm Ref. Nr. 1
Zugehörige Referenznummern
Verwandte, ersetzte, Querverweisoder Alternativnummern zum Vergleich.
99735518911
Das von Ihnen angezeigte Produkt verweist auf diese Nummern
- Porsche 997 MK1 Carrera 2 3.6L 2005-08
- Porsche 997 MK1 Carrera 2S 3.8L 2005-08
- Porsche 997 MK1 Carrera 4 3.6L 2005-08
- Porsche 997 MK1 Carrera 4S 3.8L 2005-08
- Porsche 997 MK1 TURBO 2007-09
- Porsche 997 MK1 GT3 2007-09
- Porsche 997 MK1 GT2 2007-09
- Porsche 997 MKII Carrera C2 3.6L 2009-12
- Porsche 997 MKII Carrera C4 3.6L 2009-12
- Porsche 997 MKII Carrera C2S 3.8L 2009-12
- Porsche 997 MKII Carrera C4S 3.8L 2009-12
- Porsche 997 MKII GT3 2010-11
- Porsche 997 MKII Turbo 2010-13
- Porsche 997 MKII GT2 RS 2011-13

Passform:
Fahrzeuge mit Keramikbremse (Optionscode: 450)
Porsche 997.1 Turbo 2007-09
Porsche 997.2 Turbo 2010-13
Diagramm Ref. Nr. 7
Zugehörige Referenznummern
Verwandte, ersetzte, Querverweisoder Alternativnummern zum Vergleich.
99735558811
Das von Ihnen angezeigte Produkt verweist auf diese Nummern
- Porsche 997 MK1 TURBO 2007-09
- Porsche 997 MKII Turbo 2010-13

Passt:
Porsche 997.2 C4 / C4S 2005-08 (nicht für GTS-Modelle)
Klicken Sie auf „Vergrößern“, um ein großes Teilediagramm anzuzeigen.
Diagramm Nr. 9
Zugehörige Referenznummern
Verwandte, ersetzte, Querverweisoder Alternativnummern zum Vergleich.
99735517611
Das von Ihnen angezeigte Produkt verweist auf diese Nummern
- Porsche 997 MKII Carrera C4 3.6L 2009-12
- Porsche 997 MKII Carrera C4S 3.8L 2009-12

Passt:
Porsche 997.2 Carrera 2009-12
Porsche 997.2 Turbo 2010-13 (nicht GT2)
Porsche 997.2 GT3-2 2010-13
Klicken Sie auf „Vergrößern“, um ein großes Teilediagramm anzuzeigen.
Diagramm Nr. 8
Zugehörige Referenznummern
Verwandte, ersetzte, Querverweisoder Alternativnummern zum Vergleich.
99735519014
Das von Ihnen angezeigte Produkt verweist auf diese Nummern
- Porsche 997 MKII Carrera C2 3.6L 2009-12
- Porsche 997 MKII Carrera C4 3.6L 2009-12
- Porsche 997 MKII Carrera C2S 3.8L 2009-12
- Porsche 997 MKII Carrera C4S 3.8L 2009-12
- Porsche 997 MKII GT3 2010-11
- Porsche 997 MKII Turbo 2010-13

Passt:
Porsche 997.2 Carrera 2009-12
Klicken Sie auf „Vergrößern“, um ein großes Teilediagramm anzuzeigen.
Diagramm Nr. 18
Zugehörige Referenznummern
Verwandte, ersetzte, Querverweisoder Alternativnummern zum Vergleich.
99735517711
Das von Ihnen angezeigte Produkt verweist auf diese Nummern
- Porsche 997 MKII Carrera C2 3.6L 2009-12
- Porsche 997 MKII Carrera C4 3.6L 2009-12
- Porsche 997 MKII Carrera C2S 3.8L 2009-12
- Porsche 997 MKII Carrera C4S 3.8L 2009-12
Verbindet den Bremssattel mit dem flexiblen Bremsschlauch.


Passend für:
Porsche 987 Boxster / Boxster S MKI 2005-08
Porsche 987 Boxster MKII 2009-12
Porsche 987C Cayman / Cayman S MKI 2005-08
Porsche 987C Cayman MKII 2009-12
Porsche 996 GT2 2001-05
Porsche 996 GT3 1999-05
Porsche 997.1 Carrera 2S 2005-08 CABRIO / COUPE
Porsche 997.2 Carrera 2 / 2S 2009-12 CABRIO / COUPE
Porsche 997.2 Carrera 4 / 4S 2009-12 CABRIO / COUPE
Porsche 997.2 GT3 2010-2012
Klicken Sie auf „Vergrößern“, um ein Diagramm mit großen Teilen anzuzeigen.
Diagramm Nr. 7
Zugehörige Referenznummern
Verwandte, ersetzte, Querverweisoder Alternativnummern zum Vergleich.
9963555849B
Das von Ihnen angezeigte Produkt verweist auf diese Nummern
- Porsche Boxster 987 2.7L 2005 -08/08
- Porsche Boxster 987 S 3.2/3.4L 2005-08/08
- Porsche Boxster 987 MKII 2.9L 2009-2012
- Porsche 996 GT2 2001-05
- Porsche 996 GT3 MKI 1999-02
- Porsche 996 GT3 MKII 2003>>
- Porsche 996 GT3 RS 2003-04
- Porsche 997 MK1 Carrera 2S 3.8L 2005-08
- Porsche 997 MKII Carrera C2 3.6L 2009-12
- Porsche 997 MKII Carrera C4 3.6L 2009-12
- Porsche 997 MKII Carrera C2S 3.8L 2009-12
- Porsche 997 MKII Carrera C4S 3.8L 2009-12
- Porsche 997 MKII GT3 2010-11
- Porsche Cayman 2.7L 987C 2006-08
- Porsche Cayman S 3.4L 987C 2005-08
- Porsche Cayman 2.9L 987C MKII 2009-12

#Vorderseite#
Porsche 997 Turbo MKI & MKII vorne links
Diagramm Ref. Nr. 1
Zugehörige Referenznummern
Verwandte, ersetzte, Querverweisoder Alternativnummern zum Vergleich.
99735558703
Das von Ihnen angezeigte Produkt verweist auf diese Nummern
- Porsche 997 MK1 TURBO 2007-09
- Porsche 997 MKII Turbo 2010-13
-
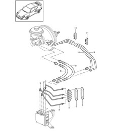
disc brake rear axle 997 GT3 2007-11 603-00
-
brake lines body front section 997 GT3 2007-11 604-05
-
brake lines, brake lines underbody and vacuum line 997 GT3 2007-11 604-10
-
Bremsleitung Unterboden, Hinterachse und Unterdruckleitung 997 GT3 2007-11 604-15
-
Scheibenbremse / Vorderachse 997.2 Carrera 2 / Carrera 2S / SportClassic / Speedster / Black Edition 2009-12 602-000
-
Scheibenbremse / Vorderachse 997.2 Carrera 4 / Carrera 4S / Targa / Targa S 2009-12 602-001
-
Scheibenbremse / Vorderachse 997.2 Carrera GTS / 4 GTS 2009-12 602-002
-
Bremsleitungen / Frontend 997.2 Carrera 2 / Carrera 2-S / SportClassik / Speedster / Carrera GTS 2009-12 604-005
-
Bremsleitungen / Frontend 997.2 Carrera 4 / Carrera 4-S / Targa / Targa-S / 4 GTS 2009-12 604-006
-
Bremsleitungen / Bremsleitungen / Unterboden / Unterdruckleitung 997.2 Carrera 2009-12 604-010
-
Bremsleitung / Unterboden / Hinterachse / Unterdruckleitung 997.2 Carrera 2009-12 604-015
-
Scheibenbremse / Hinterachse 997.2 GT2 RS 2010-11 603-001
-
Bremsleitungen / Frontend 997.2 Turbo / GT2 RS 2010-13 604-005
-
Bremsleitungen / Bremsleitungen / Unterboden / Unterdruckleitung 997.2 Turbo / GT2 RS 2010-13 604-010
-
Bremsleitung / Unterboden / Hinterachse / Unterdruckleitung 997.2 Turbo / GT2 RS 2010-13 604-015
Porsche Bremssättel & Bremsleitungen | Design911 Präzisionskomponenten für Hydraulikdruck, Steuerung & Leistung
Bremssättel und Bremsleitungen sind wichtige Elemente des Bremssystems Ihres Porsche. Sie sorgen gemeinsam für konstanten Hydraulikdruck und hohe Bremskraft. Der Bremssattel wandelt den Flüssigkeitsdruck in mechanische Kraft um und presst die Bremsbeläge gegen die Scheibe, während die Bremsleitungen für eine präzise Flüssigkeitsübertragung im gesamten System sorgen. Der optimale Zustand dieser Komponenten ist entscheidend für Sicherheit, Bremsbalance und Pedalgefühl – insbesondere bei hoher Leistung oder anspruchsvollen Fahrbedingungen.
Bei Design911 bieten wir ein Premium-Sortiment an Bremssätteln und -leitungen, die auf präzise Passform, Robustheit und Zuverlässigkeit ausgelegt sind. Jede Komponente wird aus korrosionsbeständigen Materialien und mit modernster Technik gefertigt, um ein gleichmäßiges hydraulisches Ansprechverhalten, Hitzebeständigkeit und Langlebigkeit zu gewährleisten. Ob für den Straßeneinsatz, die Restaurierung oder den Motorsport – unsere Produkte sorgen für optimale Leistung der Bremsanlage Ihres Porsche.
Was machen Bremssättel und Bremsleitungen?
Bremssättel und -leitungen bilden das hydraulische Rückgrat des Bremssystems und wandeln die Pedalkraft in eine kontrollierte, kraftvolle Verzögerung um.
Kernfunktionen:
• Bremssättel üben eine Klemmkraft auf die Bremsbeläge gegen die Scheiben aus.
• Bremsleitungen übertragen unter Druck stehende Flüssigkeit vom Hauptzylinder zu den Bremssätteln.
• Sorgen Sie für einen gleichmäßigen Druck und Bremsausgleich an allen Rädern.
• Unterstützt die Wärmeableitung und einen reibungslosen Hydraulikbetrieb.
• Behalten Sie ein präzises Pedalgefühl für eine sichere Bremskontrolle.
Zusammen sorgen diese Komponenten dafür, dass die Bremsen Ihres Porsche die Präzision, Kraft und Stabilität liefern, die für den Einsatz auf der Straße und der Rennstrecke gleichermaßen erforderlich sind.
Warum versagen oder verschleißen Bremssättel und Bremsleitungen?
Beide Komponenten sind extremer Hitze, Druck und Umwelteinflüssen ausgesetzt – Bedingungen, die zu Verschleiß, Korrosion und schließlich zum Ausfall führen können.
Zu den häufigsten Fehlerursachen zählen:
• Korrosion oder Rost an Bremssätteln und Armaturen.
• Undichte Hydraulikdichtungen oder beschädigte Kolben.
• Gebrochene oder aufgequollene Gummibremsschläuche.
• Luft- oder Feuchtigkeitsverunreinigung im Hydrauliksystem.
• Bremsflüssigkeitsabbau, der innere Korrosion verursacht.
• Physische Schäden durch Schutt, Stöße oder unsachgemäße Installation.
Wenn Bremssättel oder Bremsleitungen versagen, wird die Bremsleistung uneinheitlich oder unsicher – mit Symptomen wie schwammigen Pedalen, Flüssigkeitslecks oder ungleichmäßiger Bremsreaktion.
Warum sollten Sie Ihre Porsche-Bremssättel und -Bremsleitungen austauschen oder aufrüsten?
Der Austausch verschlissener oder korrodierter Komponenten gewährleistet einen sicheren und effizienten Betrieb Ihres Bremssystems. Die Umrüstung auf Hochleistungs- oder Edelstahl-Bremsleitungen verbessert die Druckkonstanz und das Pedalgefühl, während generalüberholte oder präzisionsgefertigte Bremssättel die perfekte hydraulische Kontrolle wiederherstellen.
Hauptvorteile:
• Stellt die volle hydraulische Bremsleistung wieder her.
• Verbessert die Reaktionsfähigkeit und das Gefühl des Pedals.
• Beseitigt Lecks, Korrosion und Druckverlust.
• Verbessert die Bremsstabilität bei hohen Temperaturen.
• Verfügbar in den Optionen „Performance“ und „Standard-Ersatz“.
• Passend für klassische und moderne Porsche-Modelle.
Die Porsche-Bremssättel und -Bremsleitungen von Design911 bieten kompromisslose Zuverlässigkeit und Präzision – und sorgen dafür, dass Ihr Porsche mit der gleichen Sicherheit anhält, mit der er beschleunigt.
Highlights
• Hochwertige Porsche-Bremssättel und Hydraulikleitungen.
• Entwickelt für Leistung, Haltbarkeit und exakte Passform.
• Optionen mit Edelstahlgeflecht für verbesserte Druckstabilität.
• Korrosions- und hitzebeständige Konstruktion.
• Perfekt für Straßen-, Renn- und Restaurierungsanwendungen.
• Kompatibel mit einer Vielzahl von Porsche-Modellen.