Zylinderkopf
Motor-Zylinderkopfdichtungssatz
Die Zylinderkopfdichtung ist ein wichtiges Bauteil, das den Zylinderkopf zum Motorblock abdichtet. Sie erfüllt mehrere wichtige Funktionen: Sie dichtet den Brennraum ab und sorgt für eine optimale Kompression und damit für einen effizienten Motorbetrieb. Sie verhindert die Vermischung von Kühlmittel und Motoröl, indem sie die Flüssigkeitskanäle zwischen Zylinderkopf und Motorblock abdichtet.
Anzeichen für einen Ausfall der Zylinderkopfdichtung
Eine defekte Zylinderkopfdichtung kann zu schwerwiegenden Motorproblemen führen. Zu den häufigsten Symptomen gehören:
- Motorüberhitzung
- Geringe Zylinderkompression
- Externe Kühlmittel- oder Öllecks
- Weißer Rauch aus dem Auspuff
- Blasen im Kühler oder Kühlmittelbehälter
- Milchiges oder weiß gefärbtes Motoröl

Passform:
- Porsche 996 C2 3.6L 09/01-2005
- Porsche 996 C4 3.6L 09/01-2005
- Porsche 996 C4S 3.6L 09/01-2005
- Porsche Cayman S 3.4L 987C 2005-08
- Porsche Boxster 987 S 3.4L 2005-08/08
- Porsche Boxster S 987 MKII 3.4L 2009-2012
- Porsche Boxster 981 S / GTS 3.4L 2012-16
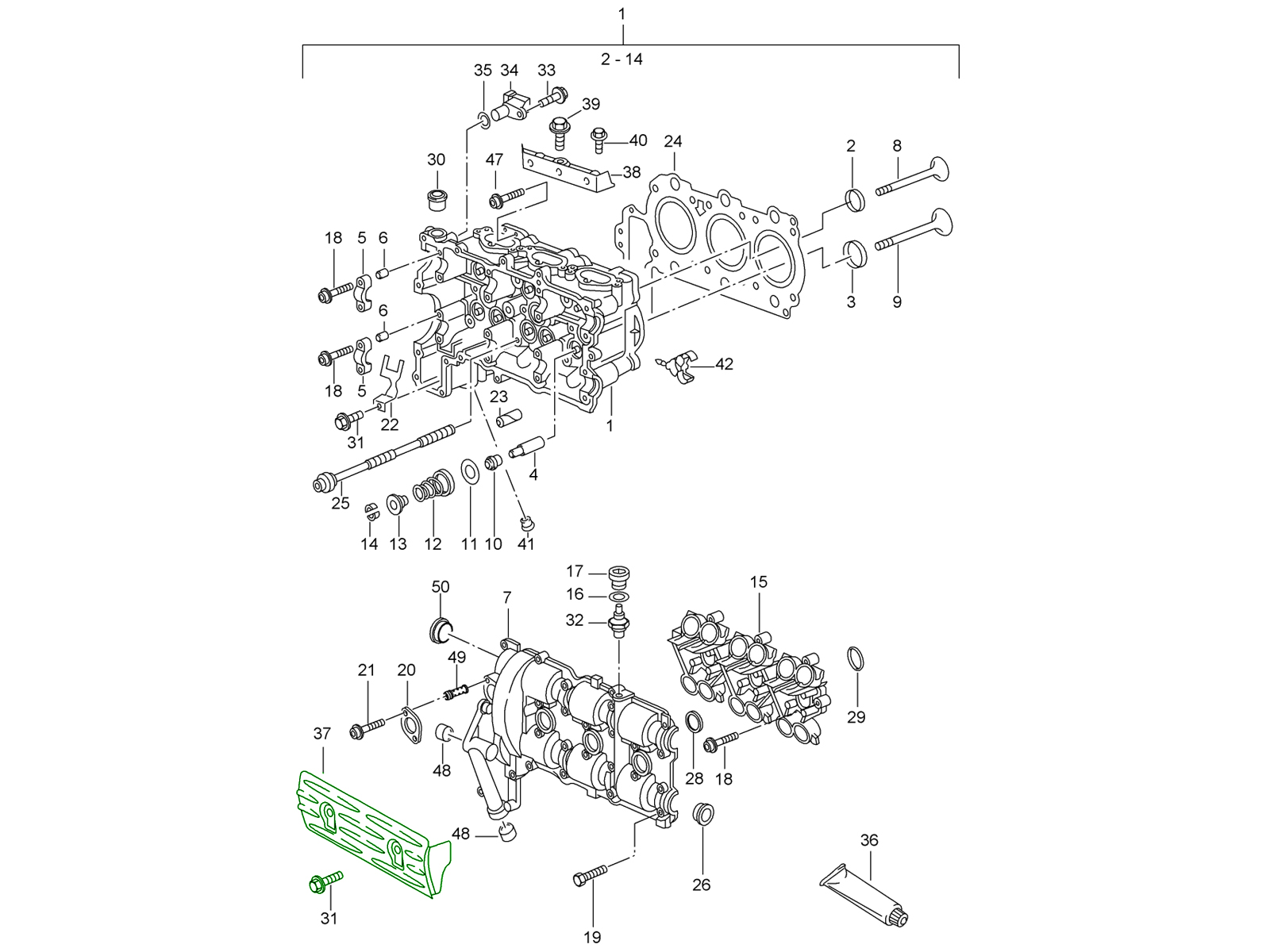
Klicken Sie auf „Vergrößern“, um ein großes Teilediagramm anzuzeigen
Diagrammreferenz Nr. 19 und 20.
Zugehörige Referenznummern
Verwandte, ersetzte, Querverweisoder Alternativnummern zum Vergleich.
99610418059
Das von Ihnen angezeigte Produkt verweist auf diese Nummern
- Porsche Boxster 987 S 3.2/3.4L 2005-08/08
- Porsche Boxster S 987 MKII 3.4L 2009-2012
- Porsche Boxster 981 S / GTS 3.4L 2012-16
- Porsche 996 C2 3.6L 09/01-2005
- Porsche 996 C4 3.6L 09/01-2005
- Porsche 996 C4S 3.6L 09/01-2005
- Porsche Cayman S 3.4L 987C 2005-08
12er-Set

Passform:
- Porsche Boxster 986 2.5L 1997-99
- Porsche Boxster 986 2.7L 1999-02
- Porsche Boxster S 986 3.2L 1999-02
- Porsche Boxster 986 2.7L 2003-04
- Porsche Boxster S 986 3.2L 2003-04
- Porsche Boxster 987 2.7L 2005 -08/08
- Porsche Boxster 987 S 3.2/3.4L 2005-08/08
- Porsche 996 C2 3.4L 1997-08/01
- Porsche 996 C4 3.4L 1997-08/01
- Porsche 996 C2 3.6L 09/01-2005
- Porsche 996 C4 3.6L 09/01-2005
- Porsche 996 C4S 3.6L 09/01-2005
- Porsche 996 GT2 2001-05
- Porsche 996 GT3 MKI 1999-02
- Porsche 996 GT3 MKII 2003>>
- Porsche 996 GT3 RS 2003-04
- Porsche 997 MK1 Carrera 2 3.6L 2005-08
- Porsche 997 MK1 Carrera 2S 3.8L 2005-08
- Porsche 997 MK1 Carrera 4 3.6L 2005-08
- Porsche 997 MK1 Carrera 4S 3.8L 2005-08
- Porsche Cayman 2.7L 987C 2006-08
- Porsche Cayman S 3.4L 987C 2005-08
Klicken Sie auf „Vergrößern“, um ein großes Teilediagramm anzuzeigen
Diagrammreferenz Nr. 20.
Zugehörige Referenznummern
Verwandte, ersetzte, Querverweisoder Alternativnummern zum Vergleich.
99610418059
Das von Ihnen angezeigte Produkt verweist auf diese Nummern
- Porsche Boxster 986 2.5L 1997-99
- Porsche Boxster 986 2.7L 1999-02
- Porsche Boxster S 986 3.2L 1999-02
- Porsche Boxster 986 2.7L 2003-04
- Porsche Boxster S 986 3.2L 2003-04
- Porsche Boxster 987 2.7L 2005 -08/08
- Porsche Boxster 987 S 3.2/3.4L 2005-08/08
- Porsche 996 C2 3.4L 1997-08/01
- Porsche 996 C4 3.4L 1997-08/01
- Porsche 996 C2 3.6L 09/01-2005
- Porsche 996 C4 3.6L 09/01-2005
- Porsche 996 C4S 3.6L 09/01-2005
- Porsche 996 GT2 2001-05
- Porsche 996 GT3 MKI 1999-02
- Porsche 996 GT3 MKII 2003>>
- Porsche 996 GT3 RS 2003-04
- Porsche 997 MK1 Carrera 2 3.6L 2005-08
- Porsche 997 MK1 Carrera 2S 3.8L 2005-08
- Porsche 997 MK1 Carrera 4 3.6L 2005-08
- Porsche 997 MK1 Carrera 4S 3.8L 2005-08
- Porsche Cayman 2.7L 987C 2006-08
- Porsche Cayman S 3.4L 987C 2005-08

Passend für:
Porsche 996 C2/C4/C4S 2002-05
Klicken Sie auf „Vergrößern“, um ein Diagramm mit großen Teilen anzuzeigen.
Diagramm Nr. 15
Zugehörige Referenznummern
Verwandte, ersetzte, Querverweisoder Alternativnummern zum Vergleich.
99610404205
Das von Ihnen angezeigte Produkt verweist auf diese Nummern
- Porsche 996 C2 3.6L 09/01-2005
- Porsche 996 C4 3.6L 09/01-2005
- Porsche 996 C4S 3.6L 09/01-2005
24 Schrauben pro Motor. Der Preis ist für JEDEN.

Passt:
Porsche 986 Boxster 2.7L / S 3.4L 2003-04
Porsche 987 Boxster 2005-08
Porsche 987C Cayman 2005-08
Porsche 996 C2 / C4 / C4S 2002-05
Porsche 997 Carrera 2005-08
Klicken Sie auf „Vergrößern“, um ein großes Teilediagramm anzuzeigen
Diagramm Nr. 20.
Zugehörige Referenznummern
Verwandte, ersetzte, Querverweisoder Alternativnummern zum Vergleich.
99610418059
Das von Ihnen angezeigte Produkt verweist auf diese Nummern
- Porsche Boxster 986 2.5L 1997-99
- Porsche Boxster 986 2.7L 1999-02
- Porsche Boxster S 986 3.2L 1999-02
- Porsche Boxster 986 2.7L 2003-04
- Porsche Boxster S 986 3.2L 2003-04
- Porsche Boxster 987 2.7L 2005 -08/08
- Porsche Boxster 987 S 3.2/3.4L 2005-08/08
- Porsche 996 C2 3.4L 1997-08/01
- Porsche 996 C4 3.4L 1997-08/01
- Porsche 996 C2 3.6L 09/01-2005
- Porsche 996 C4 3.6L 09/01-2005
- Porsche 996 C4S 3.6L 09/01-2005
- Porsche 996 GT2 2001-05
- Porsche 996 GT3 MKI 1999-02
- Porsche 996 GT3 MKII 2003>>
- Porsche 996 GT3 RS 2003-04
- Porsche 997 MK1 Carrera 2 3.6L 2005-08
- Porsche 997 MK1 Carrera 2S 3.8L 2005-08
- Porsche 997 MK1 Carrera 4 3.6L 2005-08
- Porsche 997 MK1 Carrera 4S 3.8L 2005-08
- Porsche Cayman 2.7L 987C 2006-08
- Porsche Cayman S 3.4L 987C 2005-08
24 Schrauben pro Motor. Der Preis gilt für JEDEN .

Passt:
Porsche 986 Boxster 2.7L / S 3.4L 2003-04
Porsche 987 Boxster 2005-08
Porsche 987C Cayman 2005-08
Porsche 996 C2 / C4 / C4S 2002-05
Porsche 997 Carrera 2005-08
Klicken Sie auf „Vergrößern“, um ein großes Teilediagramm anzuzeigen
Diagramm Nr. 20.
Zugehörige Referenznummern
Verwandte, ersetzte, Querverweisoder Alternativnummern zum Vergleich.
99610418059
Das von Ihnen angezeigte Produkt verweist auf diese Nummern
- Porsche Boxster 986 2.5L 1997-99
- Porsche Boxster 986 2.7L 1999-02
- Porsche Boxster S 986 3.2L 1999-02
- Porsche Boxster 986 2.7L 2003-04
- Porsche Boxster S 986 3.2L 2003-04
- Porsche Boxster 987 2.7L 2005 -08/08
- Porsche Boxster 987 S 3.2/3.4L 2005-08/08
- Porsche 996 C2 3.4L 1997-08/01
- Porsche 996 C4 3.4L 1997-08/01
- Porsche 996 C2 3.6L 09/01-2005
- Porsche 996 C4 3.6L 09/01-2005
- Porsche 996 C4S 3.6L 09/01-2005
- Porsche 996 GT2 2001-05
- Porsche 996 GT3 MKI 1999-02
- Porsche 996 GT3 MKII 2003>>
- Porsche 996 GT3 RS 2003-04
- Porsche 997 MK1 Carrera 2 3.6L 2005-08
- Porsche 997 MK1 Carrera 2S 3.8L 2005-08
- Porsche 997 MK1 Carrera 4 3.6L 2005-08
- Porsche 997 MK1 Carrera 4S 3.8L 2005-08
- Porsche Cayman 2.7L 987C 2006-08
- Porsche Cayman S 3.4L 987C 2005-08

Passend für:
Porsche 987 Boxster 2005-08
Porsche 987C Cayman 2005-08
Porsche 996 C2 / C4 / C4S 2002-05
Porsche 997 Carrera 2005-08
Klicken Sie auf „Vergrößern“, um das Diagramm mit großen Teilen anzuzeigen
Diagramm Nr. 27.
Zugehörige Referenznummern
Verwandte, ersetzte, Querverweisoder Alternativnummern zum Vergleich.
99610420300
Das von Ihnen angezeigte Produkt verweist auf diese Nummern
- Porsche Boxster 986 2.7L 2003-04
- Porsche Boxster S 986 3.2L 2003-04
- Porsche Boxster 987 2.7L 2005 -08/08
- Porsche Boxster 987 S 3.2/3.4L 2005-08/08
- Porsche 996 C2 3.6L 09/01-2005
- Porsche 996 C4 3.6L 09/01-2005
- Porsche 996 C4S 3.6L 09/01-2005
- Porsche 997 MK1 Carrera 2 3.6L 2005-08
- Porsche 997 MK1 Carrera 2S 3.8L 2005-08
- Porsche 997 MK1 Carrera 4 3.6L 2005-08
- Porsche 997 MK1 Carrera 4S 3.8L 2005-08
- Porsche Cayman 2.7L 987C 2006-08
- Porsche Cayman S 3.4L 987C 2005-08

Passt:
Porsche 987 Boxster 2005-08
Porsche 987C Cayman 2005-08
Porsche 996 C2 / C4 / C4S 2002-05
Porsche 997 Carrera 2005-08
Klicken Sie auf „Vergrößern“, um ein Diagramm mit großen Teilen anzuzeigen
Diagramm Nr. 27.
Zugehörige Referenznummern
Verwandte, ersetzte, Querverweisoder Alternativnummern zum Vergleich.
99610420300
Das von Ihnen angezeigte Produkt verweist auf diese Nummern
- Porsche Boxster 986 2.7L 2003-04
- Porsche Boxster S 986 3.2L 2003-04
- Porsche Boxster 987 2.7L 2005 -08/08
- Porsche Boxster 987 S 3.2/3.4L 2005-08/08
- Porsche 996 C2 3.6L 09/01-2005
- Porsche 996 C4 3.6L 09/01-2005
- Porsche 996 C4S 3.6L 09/01-2005
- Porsche 997 MK1 Carrera 2 3.6L 2005-08
- Porsche 997 MK1 Carrera 2S 3.8L 2005-08
- Porsche 997 MK1 Carrera 4 3.6L 2005-08
- Porsche 997 MK1 Carrera 4S 3.8L 2005-08
- Porsche Cayman 2.7L 987C 2006-08
- Porsche Cayman S 3.4L 987C 2005-08

Passt:
Porsche 986 Boxster 2.7L / S 3.4L 2003-04
Porsche 987 Boxster 2005-08
Porsche 987C Cayman 2005-08
Porsche 996 C2 / C4 / C4S 2002-05
Porsche 997 Carrera 2005-08
Klicken Sie auf „Vergrößern“, um ein Diagramm mit großen Teilen anzuzeigen
Diagramm Nr. 41.
Zugehörige Referenznummern
Verwandte, ersetzte, Querverweisoder Alternativnummern zum Vergleich.
99610524403
Das von Ihnen angezeigte Produkt verweist auf diese Nummern
- Porsche Boxster 986 2.7L 2003-04
- Porsche Boxster S 986 3.2L 2003-04
- Porsche Boxster 987 2.7L 2005 -08/08
- Porsche Boxster 987 S 3.2/3.4L 2005-08/08
- Porsche 996 C2 3.4L 1997-08/01
- Porsche 996 C4 3.4L 1997-08/01
- Porsche 996 C2 3.6L 09/01-2005
- Porsche 996 C4 3.6L 09/01-2005
- Porsche 996 C4S 3.6L 09/01-2005
- Porsche 997 MK1 Carrera 2 3.6L 2005-08
- Porsche 997 MK1 Carrera 2S 3.8L 2005-08
- Porsche 997 MK1 Carrera 4 3.6L 2005-08
- Porsche 997 MK1 Carrera 4S 3.8L 2005-08
- Porsche Cayman 2.7L 987C 2006-08
- Porsche Cayman S 3.4L 987C 2005-08

Passt:
Porsche 986 Boxster 1997-04
Porsche 987 Boxster 2005-08
Porsche 987C Cayman 2005-08
Porsche 996 C2 / C4 / C4S 1997-05
Porsche 997 Carrera 2005-08
Klicken Sie auf „Vergrößern“, um ein Diagramm mit großen Teilen anzuzeigen
Diagramm Nr. 28.
Zugehörige Referenznummern
Verwandte, ersetzte, Querverweisoder Alternativnummern zum Vergleich.
99610421554
Das von Ihnen angezeigte Produkt verweist auf diese Nummern
- Porsche Boxster 986 2.5L 1997-99
- Porsche Boxster 986 2.7L 1999-02
- Porsche Boxster S 986 3.2L 1999-02
- Porsche Boxster 986 2.7L 2003-04
- Porsche Boxster S 986 3.2L 2003-04
- Porsche Boxster 987 2.7L 2005 -08/08
- Porsche Boxster 987 S 3.2/3.4L 2005-08/08
- Porsche 996 C2 3.4L 1997-08/01
- Porsche 996 C4 3.4L 1997-08/01
- Porsche 996 C2 3.6L 09/01-2005
- Porsche 996 C4 3.6L 09/01-2005
- Porsche 996 C4S 3.6L 09/01-2005
- Porsche 997 MK1 Carrera 2 3.6L 2005-08
- Porsche 997 MK1 Carrera 2S 3.8L 2005-08
- Porsche 997 MK1 Carrera 4 3.6L 2005-08
- Porsche 997 MK1 Carrera 4S 3.8L 2005-08
- Porsche Cayman 2.7L 987C 2006-08
- Porsche Cayman S 3.4L 987C 2005-08

Passt:
Porsche 986 Boxster 1997-04
Porsche 987 Boxster 2005-08
Porsche 987C Cayman 2005-08
Porsche 996 C2 / C4 / C4S 1997-05
Porsche 997 Carrera 2005-08
Klicken Sie auf „Vergrößern“, um ein Diagramm mit großen Teilen anzuzeigen
Diagramm Nr. 28.
Zugehörige Referenznummern
Verwandte, ersetzte, Querverweisoder Alternativnummern zum Vergleich.
99610421554
Das von Ihnen angezeigte Produkt verweist auf diese Nummern
- Porsche Boxster 986 2.5L 1997-99
- Porsche Boxster 986 2.7L 1999-02
- Porsche Boxster S 986 3.2L 1999-02
- Porsche Boxster 986 2.7L 2003-04
- Porsche Boxster S 986 3.2L 2003-04
- Porsche Boxster 987 2.7L 2005 -08/08
- Porsche Boxster 987 S 3.2/3.4L 2005-08/08
- Porsche 996 C2 3.4L 1997-08/01
- Porsche 996 C4 3.4L 1997-08/01
- Porsche 996 C2 3.6L 09/01-2005
- Porsche 996 C4 3.6L 09/01-2005
- Porsche 996 C4S 3.6L 09/01-2005
- Porsche 997 MK1 Carrera 2 3.6L 2005-08
- Porsche 997 MK1 Carrera 2S 3.8L 2005-08
- Porsche 997 MK1 Carrera 4 3.6L 2005-08
- Porsche 997 MK1 Carrera 4S 3.8L 2005-08
- Porsche Cayman 2.7L 987C 2006-08
- Porsche Cayman S 3.4L 987C 2005-08

Passend für:
Porsche 986 Boxster 2,7L / 3,2L 2003-04
Porsche 987 Boxster 2005-08
Porsche 987C Cayman 2005-08
Porsche 996 C2 / C4 / C4S 2002-05
Porsche 997 Carrera 2005-08
Klicken Sie auf „Vergrößern“, um das Diagramm mit großen Teilen anzuzeigen
Diagramm Nr. 29.
Zugehörige Referenznummern
Verwandte, ersetzte, Querverweisoder Alternativnummern zum Vergleich.
99610421602
Das von Ihnen angezeigte Produkt verweist auf diese Nummern
- Porsche Boxster 986 2.7L 2003-04
- Porsche Boxster S 986 3.2L 2003-04
- Porsche Boxster 987 2.7L 2005 -08/08
- Porsche Boxster 987 S 3.2/3.4L 2005-08/08
- Porsche 996 C2 3.6L 09/01-2005
- Porsche 996 C4 3.6L 09/01-2005
- Porsche 996 C4S 3.6L 09/01-2005
- Porsche 997 MK1 Carrera 2 3.6L 2005-08
- Porsche 997 MK1 Carrera 2S 3.8L 2005-08
- Porsche 997 MK1 Carrera 4 3.6L 2005-08
- Porsche 997 MK1 Carrera 4S 3.8L 2005-08
- Porsche Cayman 2.7L 987C 2006-08
- Porsche Cayman S 3.4L 987C 2005-08
SET AUS 24 Kopfbolzen, Unterlegscheiben und Muttern.

Passt:
Porsche 986 Boxster 2.7L / S 3.4L 2003-04
Porsche 987 Boxster 2005-08
Porsche 987C Cayman 2005-08
Porsche 996 C2 / C4 / C4S 2002-05
Porsche 997 Carrera 2005-08
Klicken Sie auf „Vergrößern“, um ein großes Teilediagramm anzuzeigen
Diagramm Nr. 20.
Zugehörige Referenznummern
Verwandte, ersetzte, Querverweisoder Alternativnummern zum Vergleich.
99610418059
Das von Ihnen angezeigte Produkt verweist auf diese Nummern
- Porsche Boxster 986 2.5L 1997-99
- Porsche Boxster 986 2.7L 1999-02
- Porsche Boxster S 986 3.2L 1999-02
- Porsche Boxster 986 2.7L 2003-04
- Porsche Boxster S 986 3.2L 2003-04
- Porsche Boxster 987 2.7L 2005 -08/08
- Porsche Boxster 987 S 3.2/3.4L 2005-08/08
- Porsche 996 C2 3.4L 1997-08/01
- Porsche 996 C4 3.4L 1997-08/01
- Porsche 996 C2 3.6L 09/01-2005
- Porsche 996 C4 3.6L 09/01-2005
- Porsche 996 C4S 3.6L 09/01-2005
- Porsche 996 GT2 2001-05
- Porsche 996 GT3 MKI 1999-02
- Porsche 996 GT3 MKII 2003>>
- Porsche 996 GT3 RS 2003-04
- Porsche 997 MK1 Carrera 2 3.6L 2005-08
- Porsche 997 MK1 Carrera 2S 3.8L 2005-08
- Porsche 997 MK1 Carrera 4 3.6L 2005-08
- Porsche 997 MK1 Carrera 4S 3.8L 2005-08
- Porsche Cayman 2.7L 987C 2006-08
- Porsche Cayman S 3.4L 987C 2005-08

Passt:
Porsche 911 (996) 3.6LS / Turbo / GT2 2001-2005
Zugehörige Referenznummern
Verwandte, ersetzte, Querverweisoder Alternativnummern zum Vergleich.
99610119373
Das von Ihnen angezeigte Produkt verweist auf diese Nummern
- Porsche 996 C4S 3.6L 09/01-2005
- Porsche 996 TURBO 2000-05
- Porsche 996 GT2 2001-05
2 pro Motor.

Passt:
Porsche 987 Boxster S 3.4L 2006-08 (M97.21)
Porsche 987 Boxster S 3.4L RS SPYDER 2008 (M97.22)
Porsche 987C Cayman S 3.4L 2006-08 (M97.21)
Porsche 996 3.6L C2 / C4 / C4S 2002-05 (M96.03)
Porsche 997 C2 / C4 3.6L Coupe/Cabrio 2005-08 (M96.05)
Dieses Produkt ersetzt die alten Teilenummern von Porsche:
- 99610420102
Klicken Sie auf „Vergrößern“, um ein großes Teilediagramm anzuzeigen.
Diagramm Nr. 19
Zugehörige Referenznummern
Verwandte, ersetzte, Querverweisoder Alternativnummern zum Vergleich.
99610420104
Das von Ihnen angezeigte Produkt verweist auf diese Nummern
- Porsche Boxster 987 S 3.2/3.4L 2005-08/08
- Porsche 996 C2 3.6L 09/01-2005
- Porsche 996 C4 3.6L 09/01-2005
- Porsche 996 C4S 3.6L 09/01-2005
- Porsche 997 MK1 Carrera 2 3.6L 2005-08
- Porsche 997 MK1 Carrera 4 3.6L 2005-08
- Porsche Cayman S 3.4L 987C 2005-08
2 pro Motor.

Passt:
Porsche 987 Boxster S 3.4L 2006-08 (M97.21)
Porsche 987 Boxster S 3.4L RS SPYDER 2008 (M97.22)
Porsche 987C Cayman S 3.4L 2006-08 (M97.21)
Porsche 996 3.6L C2 / C4 / C4S 2002-05 (M96.03)
Porsche 997 C2 / C4 3.6L Coupe/Cabrio 2005-08 (M96.05)
Dieses Produkt ersetzt die alten Teilenummern von Porsche:
- 99610420102
Klicken Sie auf „Vergrößern“, um ein großes Teilediagramm anzuzeigen.
Diagramm Nr. 19
Zugehörige Referenznummern
Verwandte, ersetzte, Querverweisoder Alternativnummern zum Vergleich.
99610420104
Das von Ihnen angezeigte Produkt verweist auf diese Nummern
- Porsche Boxster 987 S 3.2/3.4L 2005-08/08
- Porsche 996 C2 3.6L 09/01-2005
- Porsche 996 C4 3.6L 09/01-2005
- Porsche 996 C4S 3.6L 09/01-2005
- Porsche 997 MK1 Carrera 2 3.6L 2005-08
- Porsche 997 MK1 Carrera 4 3.6L 2005-08
- Porsche Cayman S 3.4L 987C 2005-08

Da immer mehr gebrochene Auspuffbolzen bei wassergekühlten Motoren gemeldet werden, werden die Kopfschmerzen bei der Reparatur eines gebrochenen Bolzens zur Epidemie. Aufgaben, die von einer einfachen Aktualisierung des Abgassystems bis zum Ausbau des Motors reichen, werden ständig von gerissenen, verrosteten und gebrochenen Auspuffkrümmerschrauben geplagt. Selten kann ein akkurates Entfernen des gebrochenen Bolzens mit dem Motor im Auto durchgeführt werden, und selbst nach dem Entfernen ist die Aufgabe zeitaufwändig und kann, wenn sie nicht sorgfältig durchgeführt wird, zu einem beschädigten Kopf oder einer fehlerhaften Reparatur führen. Die Antwort von STOMSKI RACING auf diese Probleme ist der SR067, ein Kit, mit dem Sie die gebrochenen Schrauben einfach, genau und flexibel herausbohren können - während der Motor noch im Auto ist - was Zeit und Kopfschmerzen spart. Eine CNC-gefräste Platte indexiert präzise die gebrochenen Bolzen und/oder Bolzenlöcher. Mit unseren einzigartig gestalteten Rändelschrauben wird die SR067-Platte fixiert (indem eine Rändelschraube über einen gebrochenen Bolzen geschraubt wird oder indem ein mitgelieferter Bolzen verwendet wird, der durch die SR067-Rändelschraube geschraubt wird). Mit den mitgelieferten Pilotbohrern und Bohrführungen kann die fehlerhafte Schraube herausgebohrt werden, wodurch ein perfekt senkrechtes und zentriertes Loch entsteht, das bei Bedarf mit einem mitgelieferten M8x1,25-Gewindebohrer gejagt werden kann.
Das Kit enthält: Halterung aus eloxiertem Aluminium, Bohrer, Gewindebohrer mit Verlängerung, Bohrlehren/Führungen, Rändelschrauben und Kleinteile in einem stabilen Aufbewahrungskoffer.
Enthält jetzt auch unsere SR065D-Bohrführung.
- Porsche Boxster 986 2.5L 1997-99
- Porsche Boxster 986 2.7L 1999-02
- Porsche Boxster S 986 3.2L 1999-02
- Porsche Boxster 986 2.7L 2003-04
- Porsche Boxster S 986 3.2L 2003-04
- Porsche Boxster 987 2.7L 2005 -08/08
- Porsche Boxster 987 S 3.2/3.4L 2005-08/08
- Porsche 996 C2 3.4L 1997-08/01
- Porsche 996 C4 3.4L 1997-08/01
- Porsche 996 C2 3.6L 09/01-2005
- Porsche 996 C4 3.6L 09/01-2005
- Porsche 996 C4S 3.6L 09/01-2005
- Porsche 996 TURBO 2000-05
- Porsche 996 GT2 2001-05
- Porsche 996 GT3 MKI 1999-02
- Porsche 996 GT3 MKII 2003>>
- Porsche 996 GT3 RS 2003-04
- Porsche 997 MK1 Carrera 2 3.6L 2005-08
- Porsche 997 MK1 Carrera 2S 3.8L 2005-08
- Porsche 997 MK1 Carrera 4 3.6L 2005-08
- Porsche 997 MK1 Carrera 4S 3.8L 2005-08
- Porsche Cayman 2.7L 987C 2006-08
- Porsche Cayman S 3.4L 987C 2005-08
Präzisions-Zylinderkopf- und Nockenwellenabdeckungen – Motorschutz und Leistung für Porsche-Modelle
Zylinderkopf- und Nockenwellendeckel spielen eine wichtige Rolle beim Schutz wichtiger Motorkomponenten wie Ventiltrieb, Nockenwellen und Zylinderkopf vor Schmutz, Ablagerungen und Ölverunreinigungen. Darüber hinaus gewährleisten sie eine ordnungsgemäße Ölabdichtung und Belüftung und sorgen so für eine konstante Schmierung und einen gleichmäßigen Druckausgleich im Motor.
Bei Design911 bieten wir eine große Auswahl an präzisionsgefertigten Zylinderkopf- und Nockenwellendeckeln für klassische und moderne Porsche-Motoren. Gefertigt aus hochwertigem Aluminium, Magnesium und Verbundwerkstoffen bieten diese Deckel perfekte Passform und dauerhafte Zuverlässigkeit und bewahren gleichzeitig die klare, professionelle Optik, die man von der Leistungstradition von Porsche erwartet.
Egal, ob Sie einen luftgekühlten 911 restaurieren oder einen leistungsstarken 992 warten, unsere Komponenten in Herstellerqualität gewährleisten einen leckagefreien Betrieb und eine außergewöhnliche Haltbarkeit.
Welche Funktion haben Zylinderkopf- und Nockenwellendeckel?
Diese Komponenten dienen als Schutzhülle für den Ventiltrieb und die oberen Ölkanäle Ihres Motors. Sie halten Verunreinigungen fern, regeln den Innendruck und sorgen für eine gleichmäßige Schmierung.
Kernfunktionen:
- Versiegeln Sie den oberen Motorbereich und verhindern Sie so Öllecks und Verunreinigungen.
- Schützen Sie die Nockenwellen und den Ventiltrieb vor Schmutz und Feuchtigkeit.
- Reguliert die Kurbelgehäuseentlüftung und unterstützt so eine optimale Motoratmung.
- Sorgen Sie für einen korrekten Ölfluss, um eine effiziente Kühlung und Schmierung zu gewährleisten.
Sie sind nicht nur für die Zuverlässigkeit, sondern auch für die Aufrechterhaltung der optischen und mechanischen Integrität des Motorraums Ihres Porsche von entscheidender Bedeutung.
Warum versagen Zylinderkopf-/Nockenwellendeckel?
Mit der Zeit können Hitze, Druck und Öleinwirkung Materialien und Dichtungen beschädigen. Dies kann zu Undichtigkeiten, schlechter Belüftung und in extremen Fällen sogar zu Ölmangel führen.
Zu den häufigsten Fehlerursachen zählen:
- Gebrochene oder verzogene Abdeckungen durch wiederholte Hitzezyklen.
- Beschädigte Dichtungen oder Dichtungsringe , die Öllecks verursachen.
- Lose oder ermüdete Befestigungselemente , die zu ungleichmäßigem Dichtungsdruck führen.
- Verstopfte Atemwege , erhöhter Innendruck.
- Korrosion oder Verschmutzung bei älteren Motoren.
Durch den Austausch verschlissener Abdeckungen und Dichtungen wird die Ölkontrolle wiederhergestellt, Lecks verhindert und die Motorfunktionsfähigkeit langfristig erhalten.
Warum durch präzisionsgefertigte Abdeckungen ersetzen?
Durch die Aufrüstung oder den Austausch Ihrer Abdeckungen wird sichergestellt, dass Ihr Porsche-Motor wie vorgesehen funktioniert – leckagefrei, ordnungsgemäß belüftet und optisch sauber.
Hauptvorteile:
- Stellt die Dichtungsleistung wieder her und beseitigt Öllecks.
- Schützt wichtige Ventiltriebkomponenten vor Schmutz und Ablagerungen.
- Sorgt für den richtigen Kurbelgehäusedruck und die richtige Ölkontrolle.
- Hergestellt aus hochwertigen Materialien für überragende Hitze- und Korrosionsbeständigkeit.
- Perfekte Passform und Verarbeitung gewährleisten langfristige Zuverlässigkeit.
- Kompatibel mit einer Vielzahl von Porsche-Modellen , vom Klassiker bis zum modernen GT-Auto.
Präzisionsabdeckungen tragen auch zur Ästhetik des Motors bei und sorgen für das edle Aussehen, das Porsche-Besitzer erwarten.
Highlights:
- Hochfeste Zylinderkopf- und Nockenwellendeckel für Porsche-Motoren.
- Präzisionsgefertigte Dichtungsflächen für langfristige Öldichtigkeit.
- Materialien in Herstellerqualität – Aluminium, Magnesium und Verbundwerkstoffe.
- Verbesserte Ölkontrolle und interne Belüftung . Ideal für Motorüberholungen, -aufrüstungen oder -restaurationen.
- Kompatibel mit luftgekühlten und wassergekühlten Porsche-Modellen.