Geben Sie hier Ihre MwSt.-Nummer ein und klicken Sie auf Überprüfen:
Sie brauchen den Ländercode Ihrer MwSt.-Nummer nicht einzugeben, da dieser bereits oben in Ihrer Rechnungsadresse ausgewählt wurde.
Ihre Angaben wurden überprüft. MwSt.-Nummer registriert auf:
,
.
Ihre Bestellung ist nun mehrwertsteuerfrei. Wir behalten uns das Recht vor, diese Angaben nach Ihrer Bestellung zu überprüfen und gegebenenfalls die Mehrwertsteuer wieder einzuführen.
Ihre MwSt.-Angaben wurden nicht erkannt oder waren ungültig. Ihre MwSt.-Nummer muss mit Ihrem Rechnungsland übereinstimmen, wie oben angegeben. Dies ist derzeit als angegeben. Sie brauchen den Ländercode Ihrer MwSt.-Nummer nicht einzugeben, da Sie diesen bereits in den Angaben zu Ihrer Rechnungsadresse oben ausgewählt haben.
Der Dienst zur Überprüfung von MwSt.-Nummern ist derzeit offline. Bitte geben Sie Ihre MwSt.-Daten im Feld „Kommentare“ oder „Besondere Hinweise“ unten an, und wir werden nach Ihrer Bestellung einen MwSt.-Rabatt gewähren.
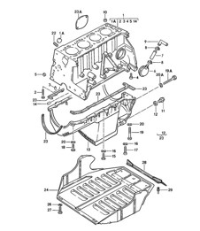
Kurbelgehäuseteile

Passt:
Porsche 924 Turbo 1979-84
Klicken Sie auf „Vergrößern“, um ein großes Teilediagramm anzuzeigen.
Diagramm Nr. 6.
Zugehörige Referenznummern
Verwandte, ersetzte, Querverweisoder Alternativnummern zum Vergleich.
93110706301
Das von Ihnen angezeigte Produkt verweist auf diese Nummern
- Porsche 924 Turbo 2.0L 1979-81
- Porsche 924 Turbo 2.0L 1982-84
Passform:
Porsche 924 2,0 l – 1976 bis 1985
Porsche 924 Turbo - 1979 bis 1984
Diagramm Ref. Nr. 23
Zugehörige Referenznummern
Verwandte, ersetzte, Querverweisoder Alternativnummern zum Vergleich.
060198041A
Das von Ihnen angezeigte Produkt verweist auf diese Nummern
- Porsche 924 2.0L 1976-79
- Porsche 924 2.0L 1980-85
- Porsche 924 Turbo 2.0L 1979-81
- Porsche 924 Turbo 2.0L 1982-84
- Porsche 924 Carrera GT 2.0L 1981
- Porsche 924 Carrera GTS 2.0L 1982

Passt:
Porsche 924 1976-85
Klicken Sie auf „Vergrößern“, um ein großes Teilediagramm anzuzeigen.
Diagramm Nr. 23
Zugehörige Referenznummern
Verwandte, ersetzte, Querverweisoder Alternativnummern zum Vergleich.
060198041A
Das von Ihnen angezeigte Produkt verweist auf diese Nummern
- Porsche 924 2.0L 1976-79
- Porsche 924 2.0L 1980-85
- Porsche 924 Turbo 2.0L 1979-81
- Porsche 924 Turbo 2.0L 1982-84
- Porsche 924 Carrera GT 2.0L 1981
- Porsche 924 Carrera GTS 2.0L 1982
-
Zylinderblock mit Kolben, Ölwanne, Schutzblech f. Motor, 924 1976-79 101-010
-
Wartungssatz / Dichtungssatz / Reparatursatz 924 1976-79 198-000
-
Zylinderblock mit Kolben, Ölwanne, Schutzplatte für Motor 924, Baujahre 1980–1985 101-010
-
Wartungssatz / Dichtungssatz / Reparatursatz 924 1980 - 1985 198-000
Präzisions-Kurbelgehäuseteile – Stärke, Balance und Zuverlässigkeit für Porsche-Motoren
Das Kurbelgehäuse bildet das Herzstück jedes Porsche-Motors und beherbergt wichtige rotierende Komponenten wie Kurbelwelle, Lager und Pleuelstangen. Es sorgt für strukturelle Stabilität, Ölrückhaltung und präzise Ausrichtung der beweglichen Motorteile – und ist somit entscheidend für Leistung und Langlebigkeit.
Design911 bietet eine breite Palette präzisionsgefertigter Kurbelgehäusekomponenten, darunter Lagerschalen, Dichtungen, Entlüftungsventile, Passstifte, Stopfen und Befestigungselemente, die alle mit höchster Toleranz gefertigt werden. Jedes Teil wird aus hochfesten, hitzebeständigen Materialien gefertigt, um dauerhafte Haltbarkeit und Leistung unter anspruchsvollsten Fahrbedingungen zu gewährleisten.
Egal, ob Sie einen luftgekühlten 911 restaurieren oder einen modernen 992 warten, unsere Kurbelgehäuseteile in Herstellerqualität gewährleisten perfekte Passform, öldichte Abdichtung und zuverlässige Leistung für die kommenden Jahre.
Welche Funktion haben Kurbelgehäuseteile?
Kurbelgehäusekomponenten erfüllen im Motor wichtige strukturelle und Schmierfunktionen, schützen die Innenteile und sorgen für ein Druckgleichgewicht.
Kernfunktionen:
- Beherbergen und stützen Sie die Kurbelwelle, Pleuelstangen und Lager.
- Enthalten und verteilen Sie Öl, um bewegliche Komponenten zu schmieren.
- Behalten Sie die strukturelle Steifigkeit bei , um Vibrationen und Fehlausrichtungen zu vermeiden.
- Kontrollieren Sie die Kurbelgehäuseentlüftung , um Ölverunreinigungen und Druckaufbau zu reduzieren.
Sowohl bei Hochleistungs- als auch bei klassischen Porsche-Motoren sorgt das Kurbelgehäuse für Stabilität, gleichmäßige Rotation und zuverlässiges Ölmanagement – der Schlüssel zu konstanter Leistung und geringerem Verschleiß.
Warum versagen Kurbelgehäuseteile?
Mit der Zeit können Kurbelgehäusekomponenten durch Hitzezyklen, Vibrationen, Ölverunreinigungen und mechanische Ermüdung verschleißen. Werden diese Fehler vernachlässigt, können sie zu Öllecks, Druckungleichgewichten und sogar zu katastrophalen Motorschäden führen.
Zu den häufigsten Fehlerursachen zählen:
- Verschleiß der Öldichtung führt zu Undichtigkeiten und Druckverlust.
- Lagerermüdung durch anhaltend hohe Belastung oder niedrigen Öldruck.
- Verzogene Oberflächen durch Überhitzung oder Korrosion.
- Verstopfte Entlüftungsventile verursachen Druckaufbau und Öldurchblasen.
- Ermüdung der Befestigungselemente, die zu struktureller Lockerung oder Vibration führt.
Der Austausch verschlissener Kurbelgehäuseteile während einer Motorüberholung oder eines Wartungsintervalls ist unerlässlich, um die Ölkontrolle, Ausrichtung und Integrität der Kurbelwelle zu erhalten.
Warum sollte man präzisionsgefertigte Kurbelgehäuseteile verwenden?
Hochwertige Kurbelgehäusekomponenten sorgen dafür, dass Ihr Porsche-Motor seine Festigkeit, Dichtfähigkeit und präzise Ausrichtung behält – unerlässlich für Leistung, Zuverlässigkeit und Langlebigkeit.
Hauptvorteile:
- Stellt die interne Ausrichtung für eine reibungslose Kurbelwellenrotation wieder her.
- Verhindert Öllecks und Druckverlust und erhält so die Motorleistung.
- Verbessert die Schmierkontrolle und die Lagerlebensdauer.
- Reduziert Vibrationen und Geräusche, die durch abgenutzte oder lose Komponenten verursacht werden.
- Hergestellt aus korrosions- und hitzebeständigen Materialien für dauerhafte Stärke.
- Perfekte Passform und Toleranz für luftgekühlte und wassergekühlte Porsche-Motoren .
Ingenieure und Restauratoren vertrauen auf Präzisionskurbelgehäuseteile, um die legendäre Zuverlässigkeit und mechanische Balance von Porsche aufrechtzuerhalten – ob auf der Straße oder der Rennstrecke.
Highlights:
- Umfassendes Sortiment an Kurbelgehäusedichtungen, Lagern, Schrauben und Entlüftungskomponenten.
- Präzisionsgefertigte Teile für hohe Belastungen und hohe Temperaturen.
- Materialien und Toleranzen in Herstellerqualität.
- Perfekt für die Restaurierung klassischer Motoren und den Umbau leistungsstarker Motoren.
- Verbessert das Ölmanagement, die strukturelle Steifigkeit und die Zuverlässigkeit.
- Kompatibel mit luftgekühlten und modernen Porsche-Motorarchitekturen.