OE Match
OE Match is a brand that provides a wide range of Porsche components, from gaskets to suspension hardware, engine parts, and interior trim. Over 6,700 individual part numbers, and over 11,800 OE cross-references catalogued, and are constantly developing new lines.
OE Match has over 100 new products currently in the engineering phase, which will be quality-controlled and added to their catalog. The mission is to keep all Porsche vehicles on the road by offering a vast selection of parts that can address various problems across different Porsche generations.
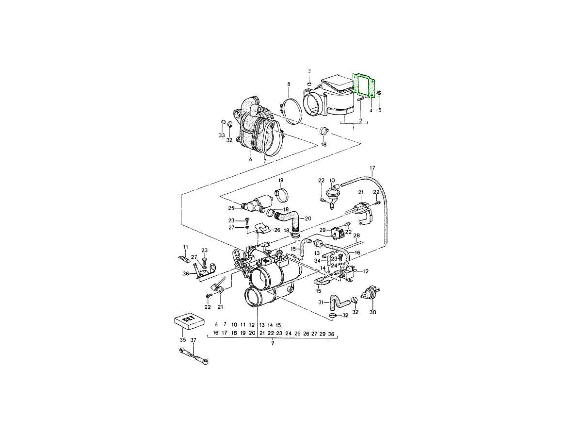
This coolant hose is engineered to replicate the original Porsche part’s fit, material and function for the cooling system of Porsche 911 (996 & 997 series). It connects the engine to the supply pipe, ensuring proper coolant flow and stable engine temperatures under all conditions. One end fit the coolant tube the other end fits to the oil pump connecting flange 99710621600
Fits:
Porsche 996 C2 / C4 / C4S 2002 - 2005
Porsche 997.1 C2 / C4 2005 - 2008
Porsche 997.1 C2S / C4S 2005 - 2008
Diagram ref no 23
• Location: Cooling system hose, generally the engine to supply/coolant pipe connection.
• Replacement: for factory numbers 997 106 831 03 and cross-references 996 106 831 01, 997 106 831 02.
• Function: This hose conducts coolant between the engine block and the external supply pipe (or radiator / heat exchanger) as part of the cooling circuit. Correct hose quality and routing are critical to maintaining engine temperature regulation, preventing overheating and avoiding coolant leaks.
Over time, coolant hoses can become hardened, cracked, swollen or leak due to heat cycles, pressure changes and age. A compromised hose may lead to coolant loss, engine overheating, or reduced cooling efficiency.
Replace this hose when:
• The original shows signs of cracks, bulging, oil or coolant staining.
• You notice coolant loss, overheating warnings or low coolant levels.
• You are performing a cooling system overhaul or replacing related pipes/fittings.
Installing this hose restores reliable coolant flow, proper fitment and long-term durability.
Related reference numbers
Related, superseded, cross reference or alternative numbers for comparison.
99710683103
The product you are viewing cross references to these numbers
- Porsche 996 C2 3.6L 09/01-2005
- Porsche 996 C4 3.6L 09/01-2005
- Porsche 996 C4S 3.6L 09/01-2005
- Porsche 997 MK1 Carrera 2 3.6L 2005-08
- Porsche 997 MK1 Carrera 2S 3.8L 2005-08
- Porsche 997 MK1 Carrera 4 3.6L 2005-08
- Porsche 997 MK1 Carrera 4S 3.8L 2005-08
Porsche Taycan steering rack relies on an inner and outer tie rod to connect the rack to the steering knuckle. These components translate your steering input into wheel movement and allow for precise adjustment of the front toe alignment. Each tie rod features a ball joint that pivots with suspension and wheel movement.
Over time, the ball joints naturally wear due to constant motion and impacts—especially when driving on rough or uneven roads. As this wear increases, the tie rods can become loose, leading to vague steering, reduced feedback, clunking over bumps, and uneven tire wear caused by alignment shifting out of spec. Torn tie rod boots accelerate this process by allowing dirt and moisture to contaminate the joints.

Fits:
Porsche 9J1 Taycan - 2020 Onwards
Restore Precision Steering to Your Porsche Taycan
The kit includes:
- Left and right inner and outer tie rods
- New hardware
- Tie rod boots and clamps
- Replacing worn tie rods requires a front-wheel alignment to ensure proper tracking and tire longevity.
Steering Tie Rod End Kit
Tie rods serve as the vital connection between your vehicle’s steering rack and the wheel spindle. Because their ball joints endure constant movement, they naturally wear over time. Excessive play in these joints disrupts alignment, reduces steering precision, and leads to uneven tire wear.
For best results, tie rod ends should be inspected at every service interval. When replacement is needed, they should always be replaced in pairs, followed by a professional alignment to ensure proper steering geometry.
Click 'Zoom in' for large parts diagram.Diagram ref no 2, 3, 5
Related reference numbers
Related, superseded, cross reference or alternative numbers for comparison.
9J1423811B
The product you are viewing cross references to these numbers
- Porsche 9J1.1 Taycan 2020-24
- Porsche 9J1.1 Taycan Sport Turismo 2020-24
- Porsche 9J1.1 Taycan 4 Cross Turismo 2020-24
- Porsche 9J1.1 Taycan 4S 2020-24
- Porsche 9J1.1 Taycan 4S Cross Turismo 2020-24
- Porsche 9J1.1 Taycan 4S Sport Turismo 2020-24
- Porsche 9J1.1 Taycan GTS 2020-24
- Porsche 9J1.1 Taycan GTS Sport Turismo 2020-24
- Porsche 9J1.1 Taycan Turbo 2020-24
- Porsche 9J1.1 Taycan Turbo Cross Turismo 2020-24
- Porsche 9J1.1 Taycan Turbo Sport Turismo 2020-24
- Porsche 9J1.1 Taycan Turbo S 2020-24
- Porsche 9J1.1 Taycan Turbo S Cross Turismo 2020-24
- Porsche 9J1.1 Taycan Turbo S Sport Turismo 2020-24
Data Sticker for Fuse Box – 160 mm x 52 mm
Accurate Electrical Identification for Porsche 356B /
356C
Fits:
Diagram ref no 43
The Fuse Box Data Sticker (160 mm x 52 mm) is a precise, high-quality replacement label designed to restore accurate circuit identification on the Porsche 356B and 356C fuse box panel. Essential for maintaining the car’s electrical clarity and authenticity, this data sticker mirrors the original layout while offering improved material durability for long-term use.
Over time, the original fuse box stickers commonly fade, crack, peel or become illegible due to age, heat exposure and moisture in the front luggage compartment. When these labels deteriorate, identifying fuse functions becomes difficult—leading to confusion during servicing, troubleshooting, or restoration work.
This replacement data sticker ensures every fuse position is clearly marked, restoring both functionality and vintage-correct detailing. For restorers and classic Porsche enthusiasts, it is a small but essential component in achieving an accurate, well-presented electrical system.
What This Fuse Box Sticker Does
The data sticker provides quick, accurate reference to electrical circuits and fuse assignments.
Key Functions:
- Identifies each fuse position and amperage
- Simplifies electrical troubleshooting and maintenance
- Restores correct layout for authenticity and safety
- Enhances the clarity of the fuse panel S
- Supports concours-level restorations
A clear, accurate label ensures the electrical system can be serviced safely and confidently.
Why Original Stickers Fail
Due to age, environmental exposure and material limitations, original labels often degrade.
Common Issues:
- UV fading and loss of print clarity
- Cracking and peeling from heat exposure
- Moisture damage causing discoloration
- Wear from repeated access to the fuse box
- Adhesive breakdown
Once illegible, incorrect fuse reference can lead to misdiagnosis or incorrect fuse placement.
Why You Should Replace the Sticker
Replacing the worn sticker restores the fuse panel’s readability and authenticity.
Benefits Include:
- Clear and accurate electrical identification
- Enhanced ease of maintenance and troubleshooting
- Authentic appearance for restoration projects
- Durable material less prone to fading and deterioration
- Improved organisation and safety
A simple upgrade that makes a major difference in day-to-day servicing.
Advantages at a Glance
- Exact size: 160 mm x 52 mm
- Correct layout matching Porsche 356B / 356C
- Clear, crisp print for long-term readability
- High-quality adhesive backing
- Suitable for restoration or maintenance
Related reference numbers
Related, superseded, cross reference or alternative numbers for comparison.
64461283106
The product you are viewing cross references to these numbers
- Porsche 356B 1959-63
- Porsche 356C 1963-65
Porsche 996 911 Carrera Rear Shock Absorber Kit Fits cars WITH M030 sports suspension.
Restore the precise ride quality and confident handling your Porsche 996 911 Carrera was built to deliver. Over time, shocks gradually wear down, making changes in handling and comfort hard to notice until performance begins to fade. This complete shock absorber kit includes nearly everything you need to replace your worn components—shock mounts, bump stops, dust boots, and all necessary hardware.

Fits:
Porsche 996 3.4L Carrera
Porsche 996 3.6L Carrera
Porsche 996 3.6L Carrera S
Porsche 996 3.4L Carrera 4,
Porsche 996 3.6 Carrera 4,
Porsche 996 3.6 Turbo,
Porsche 996 3.6 Turbo S
With fresh shocks installed, you can expect:
Sharper, more responsive handling Improved ride comfort and stability Reduced braking distances More even tire wear
Note: Coil springs are not included and can be purchased separately if needed. The original washers and spacers can typically be reused unless they show signs of damage upon inspection.
Quality direct replacement shock absorbers constructed and finished to a high standards often far and above what the car was originally supplied with. They can actually be a performance improvement if replacing plain, none gas charged, oil filled dampers. They dramatically reduce cavitation / oil foaming, thus give for more stable damping forces when driven 'spiritedly'. Some surprising cars come with plain oil filled dampers.
Key Features:
- Twin Tube Damper
- Gas pressurized
- OE damping forces
Related reference numbers
Related, superseded, cross reference or alternative numbers for comparison.
99633305145
The product you are viewing cross references to these numbers
- Porsche 996 C2 3.4L 1997-08/01
- Porsche 996 C4 3.4L 1997-08/01
- Porsche 996 C2 3.6L 09/01-2005
- Porsche 996 C4 3.6L 09/01-2005
- Porsche 996 C4S 3.6L 09/01-2005
- Porsche 996 TURBO 2000-05
Kit includes:
1 x Fuel pump Right (Ref No. 95562093101)
1 x Fuel pump tank seal.(Ref No. 95520113301))
1 x Fuel pump flange with pressure regulator.(Ref No. 95562084110)
1 x Fuel Level Sender RIGHT.(Ref No. 95562080601)

Fits:
Porsche 955 Cayenne MKI 2003-06
Porsche 957 Cayenne MKII 2007-10 (not Diesel)
Related reference numbers
Related, superseded, cross reference or alternative numbers for comparison.
95562093201
The product you are viewing cross references to these numbers
- Porsche 955 Cayenne 3.2L V6 2003-06
- Porsche 955 Cayenne S 4.5L V8 2003-06
- Porsche 955 Cayenne Turbo 4.5L 2003-06
- Porsche 955 Cayenne Turbo S 4.5L 2006>>
- Porsche 957 Cayenne 3.6L 2007-10
- Porsche 957 Cayenne S/GTS 4.8L 2007-10
- Porsche 957 Cayenne Turbo / Turbo S 4.8L 2007-10
Kit includes:
1 x Fuel pump Left (Ref No.95562093101)
1 x Fuel Level Sender LEFT. (Ref No. 95562080500)
1 x Fuel pump tank seal (Ref No. 95520113301)
1 x Angled Pipe Adapter (Ref No. 95562091101)
1 x Fuel tank flange with integrated fuel filter. (Ref No. 95562042100)

Fits:
Porsche 955 Cayenne MKI 2003-06
Porsche 957 Cayenne MKII 2007-10 (not Diesel)
Related reference numbers
Related, superseded, cross reference or alternative numbers for comparison.
95562093101
The product you are viewing cross references to these numbers
- Porsche 955 Cayenne 3.2L V6 2003-06
- Porsche 955 Cayenne S 4.5L V8 2003-06
- Porsche 955 Cayenne Turbo 4.5L 2003-06
- Porsche 955 Cayenne Turbo S 4.5L 2006>>
- Porsche 957 Cayenne 3.6L 2007-10
- Porsche 957 Cayenne S/GTS 4.8L 2007-10
- Porsche 957 Cayenne Turbo / Turbo S 4.8L 2007-10
Fits:
Porsche 955 Cayenne S 2003 - 2006 Tiptronic
* only in conj. with: Oil pipe 955.307.172.05 and 955.307.171.05
Porsche 957 Cayenne 3.6L / 4.8L 2007 - 2010 Tiptronic
F >> 9P-ALA51 583
* only in conj. with: Oil pipe 955.307.172.06 and 955.307.171.06
Porsche 955 Cayenne S 2003 - 2006 Tiptronic
* only in conj. with: Oil pipe 955.307.172.08 and 955.307.171.08
Porsche 957 Cayenne 3.6L / 4.8L 2007 - 2010 Tiptronic
F 9P-ALA51 584>>
* only in conj. with: Oil pipe 955.307.172.07 and 955.307.171.07
Please note:
This product fits TIPTRONIC CARS ONLY
Diagram Ref No 1, 3 & 4
Related reference numbers
Related, superseded, cross reference or alternative numbers for comparison.
95530701703
The product you are viewing cross references to these numbers
- Porsche 955 Cayenne S 4.5L V8 2003-06
- Porsche 955 Cayenne Turbo 4.5L 2003-06
- Porsche 955 Cayenne Turbo S 4.5L 2006>>
- Porsche 957 Cayenne 3.6L 2007-10
- Porsche 957 Cayenne S/GTS 4.8L 2007-10
• 2x 98133104303/1 - OE Match rear lower control arms
• 2x 98133104503/1 - OE Match rear track rod arms (control links)
• 2x 98133105302/2 - OE Match Slim-Type rear control arms
• A genuine OE Porsche fitting kit (bolts, washers, nuts, alignment shims as required)
Together, these components provide a complete solution for refreshing tired, worn or corroded suspension arms.

Porsche 981 Boxster 2012 - 2016
Porsche 981C Cayman 2013 - 2016
Diagram ref no 15 - 18, 21 - 28.
This complete rear control arm set provides every major suspension link required to fully restore the rear axle geometry on Porsche 981 Boxster/Cayman. Designed to match original Porsche specifications, each arm delivers precise suspension articulation, accurate wheel alignment control and the sharp.
• Position: Full rear axle — lower arms, track rod arms, slim-type coffin arms
• Function: Restores complete rear suspension geometry, camber adjustment, toe control, and wheel-carrier stability.
Replacing individual arms often leads to uneven behaviour or alignment challenges. Refreshing the entire rear linkage system at once ensures:
• Perfectly balanced suspension behaviour
• Full camber and toe adjustment range restored
• Elimination of clunks, knocking and alignment drift
• Equal bushing and joint condition across both sides
• Even tyre wear and improved stability
• A safer, more predictable and more enjoyable driving experience.
This is the ideal kit for high-mileage cars, performance upgrades, pre-alignment preparation or complete suspension overhauls.
Related reference numbers
Related, superseded, cross reference or alternative numbers for comparison.
CONTROLARM981.RR
The product you are viewing cross references to these numbers
- Porsche Boxster 981 2.7L 2012-16
- Porsche Boxster 981 S / GTS 3.4L 2012-16
- Porsche Boxster GTS 718 2.5L Manual (365 Bhp)
- Porsche Boxster GTS 718 2.5L PDK (365 Bhp)
- Porsche Boxster GTS 718 4.0L Manual (400 Bhp)
- Porsche Boxster GTS 718 4.0L PDK (400 Bhp)
- Porsche Boxster Spyder 718 4.0L (420 Bhp)
- Porsche Boxster 25 Years 718 4.0L Manual (400 Bhp)
- Porsche Boxster 25 Years 718 4.0L PDK (400 Bhp)
- Porsche Cayman 2.7L 981 2013-16
- Porsche Cayman S / GTS 3.4L 981 2013-16
- Porsche Cayman GTS 718 2.5L Manual (365 Bhp)
- Porsche Cayman GTS 718 2.5L PDK (365 Bhp)
- Porsche Cayman GTS 718 4.0L Manual (400 Bhp)
- Porsche Cayman GTS 718 4.0L PDK (400 Bhp)
- Porsche Cayman GT4 718 4.0L / GT4 RS 718 4.0L
This suspension kit includes two rear lower control arms (2 × 98133104303) designed for Porsche 981 / 982 Boxster and Cayman models. Each arm is engineered to the exact specifications of the original Porsche component, providing precise wheel-carrier positioning, correct suspension geometry and balanced handling on both sides of the rear axle.
SET OF 2.

Porsche 981 Boxster 2012 - 2016
Porsche 981C Cayman 2013 - 2016
Porsche 718 (982) Boxster GTS 4.0L 2017>> (PR:006)
Porsche 718C (982C) Cayman GTS 4.0L 2017>> (PR:006)
Diagram ref no 25
• Position on Vehicle: Rear axle — lower control arm (support/fork), left + right
• Function: Controls rear wheel-carrier movement, maintains geometry and supports precise alignment
Replacing both arms as a matched pair ensures the rear suspension behaves consistently on both sides, preventing imbalance caused by uneven bushing wear. It provides equal camber and toe adjustment range, making alignment more accurate and stable. The result is improved rear-end stability, better cornering feel and more even tyre wear.
When and why to replace:
• You experience clunks or knocking from the rear when going over bumps or during cornering.
• Uneven wear on rear tyres or inability to keep rear alignment within spec.
• Bushings or joints show play or corrosion.
• The vehicle is high-mileage or has been subjected to high stress, track use, or suspension removal.
• As part of a full rear-suspension refresh or rebuild.
Related reference numbers
Related, superseded, cross reference or alternative numbers for comparison.
98133104303
The product you are viewing cross references to these numbers
- Porsche Boxster 981 2.7L 2012-16
- Porsche Boxster 981 S / GTS 3.4L 2012-16
- Porsche Boxster GTS 718 2.5L Manual (365 Bhp)
- Porsche Boxster GTS 718 2.5L PDK (365 Bhp)
- Porsche Boxster GTS 718 4.0L Manual (400 Bhp)
- Porsche Boxster GTS 718 4.0L PDK (400 Bhp)
- Porsche Boxster Spyder 718 4.0L (420 Bhp)
- Porsche Boxster 25 Years 718 4.0L Manual (400 Bhp)
- Porsche Boxster 25 Years 718 4.0L PDK (400 Bhp)
- Porsche Cayman 2.7L 981 2013-16
- Porsche Cayman S / GTS 3.4L 981 2013-16
- Porsche Cayman GTS 718 2.5L Manual (365 Bhp)
- Porsche Cayman GTS 718 2.5L PDK (365 Bhp)
- Porsche Cayman GTS 718 4.0L Manual (400 Bhp)
- Porsche Cayman GTS 718 4.0L PDK (400 Bhp)
- Porsche Cayman GT4 718 4.0L / GT4 RS 718 4.0L
The product code 99134379208 stabilizer bar bush is the factory-specified rubber mounting used on the front anti-roll bar of Porsche 911 (991 series) and Boxster and Cayman (981 / 982) models. Designed to secure the stabilizer bar to the chassis, this bushing minimizes body roll, maintains precise suspension geometry, and ensures the characteristic Porsche steering feel and cornering stability. This kit also includes the stabilizer bar drop links reference numbers 9P1411317 & 9P1411318
Sold each. Bush marked with PINK dot.
Fits:
Porsche 991.1 C2 / C2S / C4 / C4S 2012 - 2016
* Cars without Sport Chassis (option code: -031)
* cars without Electronic damper control for PASM / PDDC (option code: -352)
Porsche 991.2 Carrera S 2017 - 2019
* Cars with Sport Chassis (option code: 030)
Porsche 991 Turbo / Turbo S 2014 - 2021
* Cars with PASM Electronic damper control (option code: 475)
* Cars with PDK Transmission - dual clutch (option code: 250)
* Cars with PTV plus, el. controlled rear-diff. lock (option code: 221)
Porsche 981 Boxster 2012 - 2016
Porsche 981C Cayman 2014 - 2016
* Not for models with Code X73
Porsche 982 (718) Boxster GTS 4.0L 2017>>
Porsche 982C (718C) Cayman GTS 4.0 2017>>
* car with PASM Electronic damper control (option code: 475)
* cars with PASM w/o lowering (option code: 476)
Diagram ref no 2 & 5
• Position: Front stabilizer bar (anti-roll bar) – chassis-mounted bushing.
• Function: Reduces body roll, stabilizes front axle movement, and helps maintain proper suspension balance.
Worn stabilizer bushes can cause:
• Clunking or knocking noises over bumps
• Increased body roll or vague steering response
• Misalignment of the stabilizer bar
• Uneven tyre wear or degraded road feel
Replacing with a Genuine Porsche bushing restores correct bar positioning, suspension tightness and the crisp handling expected from a 911 / 981 / 982.
Related reference numbers
Related, superseded, cross reference or alternative numbers for comparison.
99134379208KIT
The product you are viewing cross references to these numbers
- Porsche Boxster 981 2.7L 2012-16
- Porsche Boxster 981 S / GTS 3.4L 2012-16
- Porsche Boxster GTS 718 4.0L Manual (400 Bhp)
- Porsche Boxster GTS 718 4.0L PDK (400 Bhp)
- Porsche 991.1 Carrera C2 3.4L (350Bhp) 2012-16
- Porsche 991.1 Carrera C2S 3.8L (400Bhp) 2012-16
- Porsche 991.1 Carrera C4 3.4L (350Bhp) 2012-16
- Porsche 991.1 Carrera C4S 3.8L (400Bhp) 2012-16
- Porsche 991.1 Turbo 3.8L (520bhp) 2014-16
- Porsche 991.1 Turbo S 3.8L (560Bhp) 2014-16
- Porsche 991.2 Carrera 2S 3.0L (420 Bhp) 2016-19
- Porsche 991.2 Carrera 4S 3.0L (420 Bhp) 2016-19
- Porsche 991.2 Cabriolet 2S 3.0L (420 Bhp) 2016-19
- Porsche 991.2 Cabriolet 4S 3.0L (420 Bhp) 2016-19
- Porsche 991.2 Targa 4S 3.0L (420 Bhp) 2016-19
- Porsche 991.2 Turbo Coupe 3.8L (540 Bhp) 2016-19
- Porsche 991.2 Turbo S Coupe 3.8L (580 Bhp) 2016-19
- Porsche 991.2 Turbo Cabriolet 3.8L (540 Bhp) 2016-19
- Porsche 991.2 Turbo S Cabriolet 3.8L (580 Bhp) 2016-19
- Porsche Cayman 2.7L 981 2013-16
- Porsche Cayman S / GTS 3.4L 981 2013-16
- Porsche Cayman GTS 718 4.0L Manual (400 Bhp)
- Porsche Cayman GTS 718 4.0L PDK (400 Bhp)
1x 91111008510/1 - OE Match Left MFI throttle body
1x 91111008610/1 - OE Match Right MFI throttle body
6x 90110839105/1 - Victor Reinz Throttle Valve Housing to Head Gaskets
6x 91111019101 - Original Porsche Air Intake Pipe to Throttle Body Gaskets
Fits:
Porsche 911 2.4 S - 1972 to 1973
Porsche 911 2.7 Carrera (MFI) - 1973 to 1975
Diagram ref no 1, 2, 5 and 23
Manufactured from stable long lasting aluminium, these throttle bodies are manufactured to exact specifications and they are interchangeable with the original components.
Each throttle body is complete with new hardware, short links, and fittings.
Direct replacement for your worn out fragile magnesium pieces.
Throttle body for the Porsche 911S 2.4 with 190hp from 1972 and 1973 and the 911 Carrera 2.7 with 210hp from 1973 to 1976.
The duct diameter is 36 mm, the throttle valve diameter is 38 mm and the pitch of the stud bolts to the intake manifold is 72 mm.
Perfect for when the original butterfly bodies show wear, play, leakage, or are being replaced as part of a fuel/injection system rebuild. Also ideal when you wish to replace both sides simultaneously and include all gaskets for correct assembly.
The butterfly body (throttle/injection body) assemblies are critical components of the air-/fuel delivery system on classic Porsche 911s. Worn or mis-seated bodies or degraded gaskets can lead to air leaks, incorrect fuel mixture, rough idle, poor performance or increased emissions. Replacing both bodies together and fitting new gaskets ensures symmetrical operation, correct sealing surfaces and reliable system behaviour.
When and why to replace:
• One or both butterfly bodies show wear, corrosion, play or binding.
• Gaskets are brittle, compressed, leaking or missing - all six should be renewed.
• During engine fuel system overhaul, throttle body servicing or restoration work.
• To restore perfect injector/airflow balance and maintain original engine response and performance.
Related reference numbers
Related, superseded, cross reference or alternative numbers for comparison.
91111008X10
The product you are viewing cross references to these numbers
- Porsche 911 1968-1973 2.2L / 2.4L / 2.7L RS LWB (F)
- Porsche 911 1974-1977 2.7L / 1976-77 3.0 Carrera
Restore the precision and reliability of your engine with this complete Engine Timing Chain Kit, designed for Porsche 991.2 Turbo / Turbo S 2016-2019 engines. This kit includes all critical components needed to rebuild the timing chain assembly to factory standards, ensuring smooth, accurate timing and long-term durability.
Fits:
- Porsche 991.2 Turbo Coupe 3.8L (540 Bhp) 2016-19
- Porsche 991.2 Turbo S Coupe 3.8L (580 Bhp) 2016-19
- Porsche 991.2 Turbo Cabriolet 3.8L (540 Bhp) 2016-19
- Porsche 991.2 Turbo S Cabriolet 3.8L (580 Bhp) 2016-19
Diagram Ref No 1, 4, 5, 6, 9, 10, 11
What These Product Do:
This Engine Timing Chain Kit rebuilds the entire timing system responsible for synchronizing the crankshaft and camshafts. It includes the timing chain, hydraulic tensioner, and all major guide/slide rails. Together, these components:
- Keep the timing chain properly tensioned
- Guide the chain smoothly around the engine’s timing path
- Maintain precise valve timing for correct combustion
- Reduce chain vibration, noise, and wear
- Ensure stable performance across all RPM ranges
Symptoms of Timing Chain System Failure:
- Rattling or metallic chain noise, especially at cold start
- Check Engine Light, often with cam/crank correlation codes
- Rough idle, hesitation or misfires due to incorrect valve timing
- Loss of power or reduced performance
- Metal shavings in the oil from worn guides or chain
- Oil leaks from the tensioner area
- Hard starting or no start if timing becomes severely out of sync
- Prevents catastrophic engine failure: A stretched chain or broken guide can cause the chain to jump teeth, leading to valve-to-piston contact — often requiring a full engine rebuild.
- Restores quiet, smooth operation: New guides, tensioners, and chain eliminate rattles and vibration.
- Ensures precise valve timing: Proper timing is essential for power, fuel efficiency, and correct emissions.
- Protects your engine long-term: Worn timing components accelerate wear on other internal engine parts.
Related reference numbers
Related, superseded, cross reference or alternative numbers for comparison.
ENGINEKIT991.2.T
The product you are viewing cross references to these numbers
- Porsche 991.2 Turbo Coupe 3.8L (540 Bhp) 2016-19
- Porsche 991.2 Turbo S Coupe 3.8L (580 Bhp) 2016-19
- Porsche 991.2 Turbo Cabriolet 3.8L (540 Bhp) 2016-19
- Porsche 991.2 Turbo S Cabriolet 3.8L (580 Bhp) 2016-19
for Porsche Boxster / Cayman / 911 / Panamera / Taycan
Sold each.
Fits:
Porsche 911 (993 / 996 / 997 / 991 / 992)
Porsche Boxster (986 / 987 / 981)
Porsche Cayman (987 / 981 / 718)
Porsche Panamera (970)
Porsche Taycan
Alignment eccentric washer, also referred to as a cam adjust arm or control arm adjust cam, is used in the rear suspension of certain Porsche 911, Boxster, Cayman and Panamera models.
Position on Vehicle: Rear suspension — at the rear control arm or track rod mounting point, typically used to adjust alignment of the wheel carrier, track bar or control arm.
Applications: Ideal for when original eccentric bolts or washers are worn, alignment cannot be set correctly, or when replacing control arms/track rods and correct alignment geometry is required.
Related reference numbers
Related, superseded, cross reference or alternative numbers for comparison.
PAF007648
The product you are viewing cross references to these numbers
- Porsche Boxster 986 2.5L 1997-99
- Porsche Boxster 986 2.7L 1999-02
- Porsche Boxster S 986 3.2L 1999-02
- Porsche Boxster 986 2.7L 2003-04
- Porsche Boxster S 986 3.2L 2003-04
- Porsche Boxster 987 2.7L 2005 -08/08
- Porsche Boxster 987 S 3.2/3.4L 2005-08/08
- Porsche Boxster 987 MKII 2.9L 2009-2012
- Porsche Boxster S 987 MKII 3.4L 2009-2012
- Porsche Boxster 981 2.7L 2012-16
- Porsche Boxster 981 S / GTS 3.4L 2012-16
- Porsche Boxster 981 Spyder 3.8L 2016
- Porsche Boxster 718 2.0L Manual (300 Bhp)
- Porsche Boxster 718 2.0L PDK (300 Bhp)
- Porsche Boxster S 718 2.5L Manual (350 Bhp)
- Porsche Boxster S 718 2.5L PDK (350 Bhp)
- Porsche Boxster T 718 2.0L Manual (300 Bhp)
- Porsche Boxster T 718 2.0L PDK (300 Bhp)
- Porsche Boxster GTS 718 2.5L Manual (365 Bhp)
- Porsche Boxster GTS 718 2.5L PDK (365 Bhp)
- Porsche Boxster GTS 718 4.0L Manual (400 Bhp)
- Porsche Boxster GTS 718 4.0L PDK (400 Bhp)
- Porsche Boxster Spyder 718 4.0L (420 Bhp)
- Porsche Boxster 25 Years 718 4.0L Manual (400 Bhp)
- Porsche Boxster 25 Years 718 4.0L PDK (400 Bhp)
- Porsche 993 (911) C2 1994-97
- Porsche 993 (911) C4 1994-97
- Porsche 993 (911) RS 1994-97
- Porsche 993 (911) C2S 1994-97
- Porsche 993 (911) C4S 1994-97
- Porsche 993 (911) TURBO 1994-96
- Porsche 993 (911) GT2 1994-97
- Porsche 993 (911) TURBO S 1994-97
- Porsche 996 C2 3.4L 1997-08/01
- Porsche 996 C4 3.4L 1997-08/01
- Porsche 996 C2 3.6L 09/01-2005
- Porsche 996 C4 3.6L 09/01-2005
- Porsche 996 C4S 3.6L 09/01-2005
- Porsche 996 TURBO 2000-05
- Porsche 996 GT2 2001-05
- Porsche 996 GT3 MKI 1999-02
- Porsche 996 GT3 MKII 2003>>
- Porsche 996 GT3 RS 2003-04
- Porsche 997 MK1 Carrera 2 3.6L 2005-08
- Porsche 997 MK1 Carrera 2S 3.8L 2005-08
- Porsche 997 MK1 Carrera 4 3.6L 2005-08
- Porsche 997 MK1 Carrera 4S 3.8L 2005-08
- Porsche 997 MK1 TURBO 2007-09
- Porsche 997 MK1 GT3 2007-09
- Porsche 997 MK1 GT2 2007-09
- Porsche 997 MKII Carrera C2 3.6L 2009-12
- Porsche 997 MKII Carrera C4 3.6L 2009-12
- Porsche 997 MKII Carrera C2S 3.8L 2009-12
- Porsche 997 MKII Carrera C4S 3.8L 2009-12
- Porsche 997 MKII GT3 2010-11
- Porsche 997 MKII Turbo 2010-13
- Porsche 997 MKII GT2 RS 2011-13
- Porsche 991.1 Carrera C2 3.4L (350Bhp) 2012-16
- Porsche 991.1 Carrera C2S 3.8L (400Bhp) 2012-16
- Porsche 991.1 Carrera C4 3.4L (350Bhp) 2012-16
- Porsche 991.1 Carrera C4S 3.8L (400Bhp) 2012-16
- Porsche 991.1 Turbo 3.8L (520bhp) 2014-16
- Porsche 991.1 Turbo S 3.8L (560Bhp) 2014-16
- Porsche 991.1 R 4.0L (500 Bhp) 2016
- Porsche 991.1 GT3 3.8L (475Bhp) 2014-16
- Porsche 991.1 GT3 RS 4.0L (500Bhp) 2015-16
- Porsche 991.2 Carrera 2 3.0L (370 Bhp) 2016-19
- Porsche 991.2 Carrera 2S 3.0L (420 Bhp) 2016-19
- Porsche 991.2 Carrera 4 3.0L (370 Bhp) 2016-19
- Porsche 991.2 Carrera 4S 3.0L (420 Bhp) 2016-19
- Porsche 991.2 Cabriolet 2 3.0L (370 Bhp) 2016-19
- Porsche 991.2 Cabriolet 2S 3.0L (420 Bhp) 2016-19
- Porsche 991.2 Cabriolet 4 3.0L (370 Bhp) 2016-19
- Porsche 991.2 Cabriolet 4S 3.0L (420 Bhp) 2016-19
- Porsche 991.2 Targa 4 3.0L (370 Bhp) 2016-19
- Porsche 991.2 Targa 4S 3.0L (420 Bhp) 2016-19
- Porsche 991.2 Turbo Coupe 3.8L (540 Bhp) 2016-19
- Porsche 991.2 Turbo S Coupe 3.8L (580 Bhp) 2016-19
- Porsche 991.2 Turbo Cabriolet 3.8L (540 Bhp) 2016-19
- Porsche 991.2 Turbo S Cabriolet 3.8L (580 Bhp) 2016-19
- Porsche 991.2 Speedster 4.0L (510Bhp) 2019
- Porsche 991.2 GT3 4.0L (500 Bhp) / GT3 RS 4.0L (520 Bhp) 2017-19
- Porsche 991.2 GT2 RS 3.8L PDK (700 bhp) 2018-19
- Porsche 992.1 Carrera 2 3.0L 2019-24
- Porsche 992.1 Carrera 4 3.0L 2019-24
- Porsche 992.1 Carrera 2 Cabriolet 3.0L 2019-24
- Porsche 992.1 Carrera 4 Cabriolet 3.0L 2019-24
- Porsche 992.1 Carrera 2S / GTS 3.0L 2019-24
- Porsche 992.1 Carrera 4S / GTS 3.0L 2019-24
- Porsche 992.1 Carrera 2S / GTS Cabriolet 3.0L 2019-24
- Porsche 992.1 Carrera 4S / GTS Cabriolet 3.0L 2019-24
- Porsche 992.1 Targa 4 3.0L 2020-24
- Porsche 992.1 Targa 4S / GTS 3.0L 2020-24
- Porsche 992.1 Speedster 4.0L 2019-24
- Porsche 992.1 Turbo 3.8L 2020-24
- Porsche 992.1 Turbo S 3.8L 2020-24
- Porsche 992.1 Turbo Cabriolet 3.8L 2020-24
- Porsche 992.1 Turbo S Cabriolet 3.8L 2020-24
- Porsche 992.1 GT3 4.0L / 992 S/T 4.0L 2021-24
- Porsche 992.1 GT3 RS 4.0L 2022-24
- Porsche 992.1 (911) Sport Classic 3.8L 2023
- Porsche 992.1 (911) Dakar 3.0L 2023-24
- Porsche 992.2 Carrera 2 3.0L 2024>>
- Porsche 992.2 Carrera 2 GTS 3.6L 2024>>
- Porsche 992.2 Carrera 4 GTS 3.6L 2024>>
- Porsche 992.2 Carrera 2 3.0L Cabriolet 2024>>
- Porsche 992.2 Carrera 2 GTS 3.6L Cabriolet 2024>>
- Porsche 992.2 Carrera 4 GTS 3.6L Cabriolet 2024>>
- Porsche 992.2 Targa 4 GTS 3.6L 2024>>
- Porsche 992.2 Turbo 3.6L 2024>>
- Porsche Cayman 2.7L 987C 2006-08
- Porsche Cayman S 3.4L 987C 2005-08
- Porsche Cayman 2.9L 987C MKII 2009-12
- Porsche Cayman S / R 3.4L 987C MKII 2009-12
- Porsche Cayman 2.7L 981 2013-16
- Porsche Cayman S / GTS 3.4L 981 2013-16
- Porsche Cayman GT4 3.8L 2015-16
- Porsche Cayman 718 2.0L Manual (300Bhp)
- Porsche Cayman 718 2.0L PDK (300Bhp)
- Porsche Cayman S 718 2.5L Manual (350Bhp)
- Porsche Cayman S 718 2.5L PDK (350Bhp)
- Porsche Cayman T 718 2.0L Manual (300Bhp)
- Porsche Cayman T 718 2.0L PDK (300 Bhp)
- Porsche Cayman GTS 718 2.5L Manual (365 Bhp)
- Porsche Cayman GTS 718 2.5L PDK (365 Bhp)
- Porsche Cayman GTS 718 4.0L Manual (400 Bhp)
- Porsche Cayman GTS 718 4.0L PDK (400 Bhp)
- Porsche Cayman GT4 718 4.0L / GT4 RS 718 4.0L
- Porsche 970.1 Panamera V6 3.6L 2WD 2009-13
- Porsche 970.1 Panamera 4 V6 3.6L 4WD 2009-13
- Porsche 970.1 Panamera S V8 4.8L 2009-13
- Porsche 970.1 Panamera 4S V8 4.8L 2009-13
- Porsche 970.1 Panamera GTS V8 4.8L 2011-13
- Porsche 970.1 Panamera Turbo V8 4.8L 2009-13
- Porsche 970.1 Panamera Turbo S V8 4.8L 2009-13
- Porsche 970.1 Panamera Diesel V6 3.0L 2011-13
- Porsche 970.1 Panamera S Hybrid V6 3.0L 2011-13
- Porsche 970.2 Panamera V6 3.6L 2WD (310Hp) 2014-16
- Porsche 970.2 Panamera 4 V6 3.6L 4WD (310Hp) 2014-16
- Porsche 970.2 Panamera S V6 Turbo 3.0L 2WD (420Hp) 2014-16
- Porsche 970.2 Panamera S V6 Turbo 3.0L 2WD Executive 2014-16
- Porsche 970.2 Panamera 4S V6 Turbo 3.0L 4WD (420Hp) 2014-16
- Porsche 970.2 Panamera 4S V6 Turbo 3.0L 4WD Executive 2014-16
- Porsche 970.2 Panamera GTS V8 4.8L 4WD (440Hp) 2014-16
- Porsche 970.2 Panamera Turbo V8 4.8L (520Hp) 2014-16
- Porsche 970.2 Panamera Turbo V8 Executive 2014-16
- Porsche 970.2 Panamera Turbo S V8 4.8L 2014-16
- Porsche 970.2 Panamera Diesel V6 3.0L (250Hp) 2014-16
- Porsche 970.2 Panamera S E-Hybrid V6 3.0L (416Hp) 2014-16
- Porsche 9J1.1 Taycan 2020-24
- Porsche 9J1.1 Taycan Sport Turismo 2020-24
- Porsche 9J1.1 Taycan 4 Cross Turismo 2020-24
- Porsche 9J1.1 Taycan 4S 2020-24
- Porsche 9J1.1 Taycan 4S Cross Turismo 2020-24
- Porsche 9J1.1 Taycan 4S Sport Turismo 2020-24
- Porsche 9J1.1 Taycan GTS 2020-24
- Porsche 9J1.1 Taycan GTS Sport Turismo 2020-24
- Porsche 9J1.1 Taycan Turbo 2020-24
- Porsche 9J1.1 Taycan Turbo Cross Turismo 2020-24
- Porsche 9J1.1 Taycan Turbo Sport Turismo 2020-24
- Porsche 9J1.1 Taycan Turbo S 2020-24
- Porsche 9J1.1 Taycan Turbo S Cross Turismo 2020-24
- Porsche 9J1.1 Taycan Turbo S Sport Turismo 2020-24
This protective sleeve (protective tube or bellows) is designed to fit the rear shock absorber of Porsche Panamera 970 models (2010-16). It acts as a dust and debris shield, preventing sand, water, and road debris from damaging the shock absorber rod and seals, extending shock absorber life and maintaining suspension performance. Manufactured to match the Porsche original.
Sold each, 2 required per axle (fits left and right side).
Fits:
Porsche 970.1 Panamera 2010 - 2013
Porsche 970.2 Panamera 2014 - 2016
Diagram ref no 5
• Position on Vehicle: Rear suspension, installed over the shock absorber (rear axle) as a protective outer sleeve/bellows that encases the upper portion of the shock assembly to guard against contamination.
• Applications: Ideal when the original protective tube is cracked, split, missing, degraded by road salt or debris, or when the rear shocks have been replaced and the sleeve was not included - allowing full restoration of suspension protection.
The shock absorber’s protective sleeve is often overlooked yet plays a critical protective role: it shields the piston rod from dirt, water, road grime and brake dust that can damage seals, cause premature wear or corrosion and degrade ride quality. A worn or missing protector can lead to shock failure, increased noise, and compromised handling. Replacing sleeve restores full protective function and supports longer shock life.
When and why to replace:
• The protective sleeve is visibly cracked, split, torn or missing.
• The shock absorber or rod shows signs of corrosion or contamination.
• Suspension has been replaced or removed and the old sleeve was not reused or is damaged.
• At high mileage or when your vehicle is exposed to harsh conditions (salty roads, winter service) and the protective sleeve is compromised.
• For a professional suspension service/rebuild where restoration of full protection is important for longevity.
Related reference numbers
Related, superseded, cross reference or alternative numbers for comparison.
97033310701
The product you are viewing cross references to these numbers
- Porsche 970.1 Panamera V6 3.6L 2WD 2009-13
- Porsche 970.1 Panamera 4 V6 3.6L 4WD 2009-13
- Porsche 970.1 Panamera S V8 4.8L 2009-13
- Porsche 970.1 Panamera 4S V8 4.8L 2009-13
- Porsche 970.1 Panamera GTS V8 4.8L 2011-13
- Porsche 970.1 Panamera Turbo V8 4.8L 2009-13
- Porsche 970.1 Panamera Turbo S V8 4.8L 2009-13
- Porsche 970.1 Panamera Diesel V6 3.0L 2011-13
- Porsche 970.1 Panamera S Hybrid V6 3.0L 2011-13
- Porsche 970.2 Panamera V6 3.6L 2WD (310Hp) 2014-16
- Porsche 970.2 Panamera 4 V6 3.6L 4WD (310Hp) 2014-16
- Porsche 970.2 Panamera S V6 Turbo 3.0L 2WD (420Hp) 2014-16
- Porsche 970.2 Panamera S V6 Turbo 3.0L 2WD Executive 2014-16
- Porsche 970.2 Panamera 4S V6 Turbo 3.0L 4WD (420Hp) 2014-16
- Porsche 970.2 Panamera 4S V6 Turbo 3.0L 4WD Executive 2014-16
- Porsche 970.2 Panamera GTS V8 4.8L 4WD (440Hp) 2014-16
- Porsche 970.2 Panamera Turbo V8 4.8L (520Hp) 2014-16
- Porsche 970.2 Panamera Turbo V8 Executive 2014-16
- Porsche 970.2 Panamera Turbo S V8 4.8L 2014-16
- Porsche 970.2 Panamera Diesel V6 3.0L (250Hp) 2014-16
- Porsche 970.2 Panamera S E-Hybrid V6 3.0L (416Hp) 2014-16
Rear drive shaft (CV-axle assembly) designed to deliver the same fit, function and durability as the factory original used in the Porsche Panamera 970 series It delivers the correct drive-torque transfer from the differential to the wheel hub, while accommodating suspension movement and maintaining precise alignment.
Fits:
Porsche 970.1 Panamera 2011 - 2013
with option code:
PR:220 - Locking differential 40 %
PR:221 - PTV Plus, el. controlled rear-diff. lock
Porsche 970.2 Panamera 2014 - 2016
with option code:
PR:221 - PTV Plus, el. controlled rear-diff. lock
Diagram ref no 1
• Position on Vehicle: Rear right axle drive shaft assembly (CV-axle) connecting the differential output to the wheel hub, transmitting torque while allowing suspension articulation.
• Cross-Reference / Alternative Numbers:
- Right side: OE Porsche ref: 970 332 024 21 (also shown as 970-332-024-21). Related numbers include 97033202412, 97033202415, 97033202418.
• Applications: Suitable when original axle is deteriorated (clicking CV joints, torn boots, play in shaft), or as part of a rear drive/differential maintenance programme.
The rear driveshaft is critical for smooth torque transfer while maintaining suspension stability. A worn or damaged CV driveshaft can lead to drivetrain vibration, noise, knocking under load or during cornering, premature tire/bearing wear, and poor handling. Replacing this driveshaft ensures reliable operation, proper torque distribution, and long-term drivetrain performance.
When and why to replace:
• Audible clicking or clunking during acceleration, deceleration or cornering indicating CV joint wear.
• Vibration or shudder under load or at speed.
• Visual damage to boots, grease leakage or play in the axle.
• During rear differential or half-shaft removal for service.
• High-mileage vehicles where original axles have served extensive duty.
Related reference numbers
Related, superseded, cross reference or alternative numbers for comparison.
97033202421
The product you are viewing cross references to these numbers
- Porsche 970.1 Panamera V6 3.6L 2WD 2009-13
- Porsche 970.1 Panamera 4 V6 3.6L 4WD 2009-13
- Porsche 970.1 Panamera S V8 4.8L 2009-13
- Porsche 970.1 Panamera 4S V8 4.8L 2009-13
- Porsche 970.1 Panamera GTS V8 4.8L 2011-13
- Porsche 970.1 Panamera Turbo V8 4.8L 2009-13
- Porsche 970.1 Panamera Turbo S V8 4.8L 2009-13
- Porsche 970.1 Panamera Diesel V6 3.0L 2011-13
- Porsche 970.1 Panamera S Hybrid V6 3.0L 2011-13
- Porsche 970.2 Panamera V6 3.6L 2WD (310Hp) 2014-16
- Porsche 970.2 Panamera 4 V6 3.6L 4WD (310Hp) 2014-16
- Porsche 970.2 Panamera S V6 Turbo 3.0L 2WD (420Hp) 2014-16
- Porsche 970.2 Panamera S V6 Turbo 3.0L 2WD Executive 2014-16
- Porsche 970.2 Panamera 4S V6 Turbo 3.0L 4WD (420Hp) 2014-16
- Porsche 970.2 Panamera 4S V6 Turbo 3.0L 4WD Executive 2014-16
- Porsche 970.2 Panamera GTS V8 4.8L 4WD (440Hp) 2014-16
- Porsche 970.2 Panamera Turbo V8 4.8L (520Hp) 2014-16
- Porsche 970.2 Panamera Turbo V8 Executive 2014-16
- Porsche 970.2 Panamera Turbo S V8 4.8L 2014-16
- Porsche 970.2 Panamera Diesel V6 3.0L (250Hp) 2014-16
- Porsche 970.2 Panamera S E-Hybrid V6 3.0L (416Hp) 2014-16
Rear Anti-Roll Bar Installation Hardware Kit
This Rear Anti-Roll Bar Installation
(Hardware) Kit for the Porsche 914 includes every essential
component required to correctly mount, secure and reinforce the rear anti-roll
(sway) bar system. Designed for restoration, upgrades and repairs, this kit
ensures the rear suspension performs as Porsche intended—improving stability,
cornering control and chassis response
Fits:
- Porsche 914 (1970-1974)
Diagram Ref No: 28
The kit includes:
2 x
91450125910/1 – Mounting Bracket
2 x
91450153271/1 – Reinforcement Plates
2 x
90133379303/1 – Bushings
2 x
90133375301/1 Brackets
4 x
90134378200/1 – Bushings
4 x
90007508704 – Bolts
4 x
90002701501 – Washers
Each component is manufactured to precision tolerances and performance-fit standards—ideal for replacing aged hardware, upgrading worn pieces or installing a rear anti-roll bar on models that did not originally have one fitted.
What the Rear Anti-Roll Bar Hardware Kit Does
The anti-roll bar system works to stabilise the rear of the Porsche 914 by reducing body roll during cornering. This kit ensures the correct mounting and reinforcement of the bar, allowing it to function effectively.
Key Functions
- Provides secure mounting points for the sway bar
- Reinforces the rear suspension console area
- Maintains proper bar geometry and alignment
- Reduces rear-end body roll under lateral load
- Improves cornering balance, stability and driver confidence
- Ensures correct bushing and bracket fitment for long-term reliability
A properly mounted rear anti-roll bar transforms the handling of a Porsche 914—especially when combined with refreshed suspension components.
The Porsche 914’s rear suspension is known for stress on mounting hardware, especially on cars used for performance driving, autocross or spirited road use. Decades of use take a toll on original parts.
Common Failure Causes
- Aged
bushings that crack, harden or collapse
- Corrosion
on brackets, bolts and washers
- Metal
fatigue from continuous lateral forces
- Previous
incorrect installations leading to weakened mounting points
- Reinforcement
plates separating due to age or rust
- Chassis flex stressing original mounting areas
Once hardware wears or fails, the sway bar becomes ineffective—or worse, may detach entirely.
Why This Kit Should Be Replaced or Installed
Installing a fresh anti-roll bar hardware kit restores the Porsche 914’s rear-end stability and prevents further suspension damage.
Benefits of Installing This New Kit
- Ensures correct mounting and geometry of the sway bar
- Improves handling, cornering and overall stability
- Eliminates creaking, clunking or loose-suspension symptoms
- Reinforces structural areas prone to fatigue
- Provides a fresh set of all required brackets, bolts and bushings
- Ideal for restoration or upgrading non-equipped cars
Related reference numbers
Related, superseded, cross reference or alternative numbers for comparison.
91450125910
The product you are viewing cross references to these numbers
- Porsche 914 (1970-1976)