在此输入您的增值税号,然后单击验证:
您的详细信息已经过验证。增值税号注册至:
,
。
现在,您的订单的增值税税率为零。我们保留在您提出订单请求后验证这些详细信息的权利,并在需要时恢复增值税。
您的增值税详细信息无法识别或无效。您的增值税号必须与上面指定的帐单国家/地区相匹配。当前指定为 。您无需输入增值税号的国家/地区代码部分,因为已在上面的帐单地址详细信息中选择了该部分。
增值税号查询服务目前已离线。请在下面的评论或特殊说明字段中提供您的增值税详细信息,我们将在您提出订单请求后应用增值税折扣。
- Porsche Boxster 986 2.5L 1997-99
- Porsche Boxster 986 2.7L 1999-02
- Porsche Boxster S 986 3.2L 1999-02
- Porsche Boxster 986 2.7L 2003-04
- Porsche Boxster S 986 3.2L 2003-04
- Porsche Boxster 987 2.7L 2005 -08/08
- Porsche Boxster 987 S 3.2/3.4L 2005-08/08
- Porsche Boxster 987 MKII 2.9L 2009-2012
- Porsche Boxster S 987 MKII 3.4L 2009-2012
- Porsche Boxster 981 2.7L 2012-16
- Porsche Boxster 981 S / GTS 3.4L 2012-16
- Porsche Boxster 981 Spyder 3.8L 2016
以 4 条刹车线为一组出售
适合:
保时捷 986 Boxster - 1997 年至 2004 年
保时捷 986 Boxster S - 1997 年至 2004 年
适用于未配备 PCCB(陶瓷刹车)的汽车
图表参考编号 1、7 和 5、6
相关参考编号
相关编号、被取代编号、交叉引用编号或替代编号,供比较之用。
BRAKELINEKIT03
您正在查看的产品与这些编号存在交叉引用关系
- Porsche Boxster 986 2.5L 1997-99
- Porsche Boxster 986 2.7L 1999-02
- Porsche Boxster S 986 3.2L 1999-02
- Porsche Boxster 986 2.7L 2003-04
- Porsche Boxster S 986 3.2L 2003-04
以 4 条刹车线为一组出售
适合:
保时捷 987.1 / 987.22 Boxster - 2005 年至 2012 年
保时捷 987.21 / 987.2 Boxster S - 2005 年至 2012 年
保时捷 987.1 Cayman - 2005 年至 2012 年
保时捷 987.2 Cayman S / Cayman R - 2005 年至 2012 年
适用于未配备 PCCB(陶瓷刹车)的汽车
图表参考编号 1、7 和 5、6
相关参考编号
相关编号、被取代编号、交叉引用编号或替代编号,供比较之用。
BRAKELINEKIT04
您正在查看的产品与这些编号存在交叉引用关系
- Porsche Boxster 987 2.7L 2005 -08/08
- Porsche Boxster 987 S 3.2/3.4L 2005-08/08
- Porsche Boxster 987 MKII 2.9L 2009-2012
- Porsche Boxster S 987 MKII 3.4L 2009-2012
- Porsche Cayman 2.7L 987C 2006-08
- Porsche Cayman S 3.4L 987C 2005-08
- Porsche Cayman 2.9L 987C MKII 2009-12
- Porsche Cayman S / R 3.4L 987C MKII 2009-12
单独出售;适合左侧或右侧。

保时捷 981 Boxster 2012-16 - 适用于无陶瓷刹车 (PCCB) 的非 S 2.7L 车型
保时捷 981 Cayman 2014-16 - 适用于无陶瓷刹车 (PCCB) 的非 S 2.7L 车型
保时捷 718 (982) Boxster 2017>> -适用于不带陶瓷制动器 (PCCB) 的非 S 2.0L 车型
保时捷 718 (982) Cayman 2017>> -适用于不带陶瓷刹车 (PCCB) 的非 S 2.0L 车型
保时捷 997.2 Carrera 2009-12 - 适用于非 S/GTS C2/C4 3.6L 车型,无陶瓷刹车 (PCCB)
保时捷 991.1 Carrera 2012-16 - 适用于非 S/GTS C2/C4 3.4L 车型,无陶瓷刹车 (PCCB)
图表参考 10。
相关参考编号
相关编号、被取代编号、交叉引用编号或替代编号,供比较之用。
99735196101
您正在查看的产品与这些编号存在交叉引用关系
- Porsche Boxster 981 2.7L 2012-16
- Porsche Boxster 718 2.0L Manual (300 Bhp)
- Porsche Boxster 718 2.0L PDK (300 Bhp)
- Porsche 997 MKII Carrera C2 3.6L 2009-12
- Porsche 997 MKII Carrera C4 3.6L 2009-12
- Porsche 991.1 Carrera C2 3.4L (350Bhp) 2012-16
- Porsche 991.1 Carrera C4 3.4L (350Bhp) 2012-16
- Porsche Cayman 2.7L 981 2013-16
- Porsche Cayman 718 2.0L Manual (300Bhp)
- Porsche Cayman 718 2.0L PDK (300Bhp)

适合:
保时捷 981 Boxster - 2014 年 10 月 21 日至 2016 年
保时捷 981 Cayman - 2014 年 10 月 21 日至 2016 年
保时捷 981 Spyder - 2016 年
保时捷 981 Cayman GT4 - 2016 年
保时捷 718 Boxster - 2017 年起
保时捷 718 Boxster Spyder - 2017 年起
保时捷 718 Cayman - 2017 年起
保时捷 718 Cayman GT4 - 2017 年起
保时捷 991.1 / 991.2(非 GTS )- 2012 年至 2019 年
单击“放大”可查看大部件图。
图表参考编号 13
相关参考编号
相关编号、被取代编号、交叉引用编号或替代编号,供比较之用。
99135531231
您正在查看的产品与这些编号存在交叉引用关系
- Porsche Boxster 981 2.7L 2012-16
- Porsche Boxster 981 S / GTS 3.4L 2012-16
- Porsche Boxster 981 Spyder 3.8L 2016
- Porsche Boxster 718 2.0L Manual (300 Bhp)
- Porsche Boxster 718 2.0L PDK (300 Bhp)
- Porsche Boxster S 718 2.5L Manual (350 Bhp)
- Porsche Boxster S 718 2.5L PDK (350 Bhp)
- Porsche Boxster T 718 2.0L Manual (300 Bhp)
- Porsche Boxster T 718 2.0L PDK (300 Bhp)
- Porsche Boxster GTS 718 2.5L Manual (365 Bhp)
- Porsche Boxster GTS 718 2.5L PDK (365 Bhp)
- Porsche Boxster GTS 718 4.0L Manual (400 Bhp)
- Porsche Boxster GTS 718 4.0L PDK (400 Bhp)
- Porsche Boxster Spyder 718 4.0L (420 Bhp)
- Porsche Boxster 25 Years 718 4.0L Manual (400 Bhp)
- Porsche Boxster 25 Years 718 4.0L PDK (400 Bhp)
- Porsche 991.1 Carrera C2 3.4L (350Bhp) 2012-16
- Porsche 991.1 Carrera C2S / GTS 3.8L (400/430 Bhp) 2012-16
- Porsche 991.1 Carrera C4 3.4L (350Bhp) 2012-16
- Porsche 991.1 Carrera C4S / GTS 3.8L (400/430 Bhp) 2012-16
- Porsche 991.2 Carrera 2 3.0L (370 Bhp) 2016-19
- Porsche 991.2 Carrera 2S / GTS 3.0L (420/450 Bhp) 2016-19
- Porsche 991.2 Carrera 4 3.0L (370 Bhp) 2016-19
- Porsche 991.2 Carrera 4S / GTS 3.0L (420/450 Bhp) 2016-19
- Porsche 991.2 Cabriolet 2 3.0L (370 Bhp) 2016-19
- Porsche 991.2 Cabriolet 2S / GTS 3.0L (420/450 Bhp) 2016-19
- Porsche 991.2 Cabriolet 4 3.0L (370 Bhp) 2016-19
- Porsche 991.2 Cabriolet 4S / GTS 3.0L (420/450 Bhp) 2016-19
- Porsche 991.2 Targa 4 3.0L (370 Bhp) 2016-19
- Porsche 991.2 Targa 4S / GTS 3.0L (420/450 Bhp) 2016-19
- Porsche Cayman 2.7L 981 2013-16
- Porsche Cayman S / GTS 3.4L 981 2013-16
- Porsche Cayman GT4 3.8L 2015-16
- Porsche Cayman 718 2.0L Manual (300Bhp)
- Porsche Cayman 718 2.0L PDK (300Bhp)
- Porsche Cayman S 718 2.5L Manual (350Bhp)
- Porsche Cayman S 718 2.5L PDK (350Bhp)
- Porsche Cayman T 718 2.0L Manual (300Bhp)
- Porsche Cayman T 718 2.0L PDK (300 Bhp)
- Porsche Cayman GTS 718 2.5L Manual (365 Bhp)
- Porsche Cayman GTS 718 2.5L PDK (365 Bhp)
- Porsche Cayman GTS 718 4.0L Manual (400 Bhp)
- Porsche Cayman GTS 718 4.0L PDK (400 Bhp)
- Porsche Cayman GT4 718 4.0L / GT4 RS 718 4.0L

适合:
保时捷 981 Boxster - 2014 年 10 月 21 日至 2016 年
保时捷 981 Cayman - 2014 年 10 月 21 日至 2016 年
保时捷 981 Spyder - 2016 年
保时捷 981 Cayman GT4 - 2016 年
保时捷 718 Boxster - 2017 年起
保时捷 718 Boxster Spyder - 2017 年起
保时捷 718 Cayman - 2017 年起
保时捷 718 Cayman GT4 - 2017 年起
保时捷 991.1 / 991.2(非 GTS )- 2012 年至 2019 年
单击“放大”可查看大部件图。
图表参考编号 13
相关参考编号
相关编号、被取代编号、交叉引用编号或替代编号,供比较之用。
99135531430
您正在查看的产品与这些编号存在交叉引用关系
- Porsche Boxster 981 2.7L 2012-16
- Porsche Boxster 981 S / GTS 3.4L 2012-16
- Porsche Boxster 981 Spyder 3.8L 2016
- Porsche Boxster 718 2.0L Manual (300 Bhp)
- Porsche Boxster 718 2.0L PDK (300 Bhp)
- Porsche Boxster S 718 2.5L Manual (350 Bhp)
- Porsche Boxster S 718 2.5L PDK (350 Bhp)
- Porsche Boxster T 718 2.0L Manual (300 Bhp)
- Porsche Boxster T 718 2.0L PDK (300 Bhp)
- Porsche Boxster GTS 718 2.5L Manual (365 Bhp)
- Porsche Boxster GTS 718 2.5L PDK (365 Bhp)
- Porsche Boxster GTS 718 4.0L Manual (400 Bhp)
- Porsche Boxster GTS 718 4.0L PDK (400 Bhp)
- Porsche Boxster Spyder 718 4.0L (420 Bhp)
- Porsche Boxster 25 Years 718 4.0L Manual (400 Bhp)
- Porsche Boxster 25 Years 718 4.0L PDK (400 Bhp)
- Porsche 991.1 Carrera C2 3.4L (350Bhp) 2012-16
- Porsche 991.1 Carrera C2S / GTS 3.8L (400/430 Bhp) 2012-16
- Porsche 991.1 Carrera C4 3.4L (350Bhp) 2012-16
- Porsche 991.1 Carrera C4S / GTS 3.8L (400/430 Bhp) 2012-16
- Porsche 991.2 Carrera 2 3.0L (370 Bhp) 2016-19
- Porsche 991.2 Carrera 2S / GTS 3.0L (420/450 Bhp) 2016-19
- Porsche 991.2 Carrera 4 3.0L (370 Bhp) 2016-19
- Porsche 991.2 Carrera 4S / GTS 3.0L (420/450 Bhp) 2016-19
- Porsche 991.2 Cabriolet 2 3.0L (370 Bhp) 2016-19
- Porsche 991.2 Cabriolet 2S / GTS 3.0L (420/450 Bhp) 2016-19
- Porsche 991.2 Cabriolet 4 3.0L (370 Bhp) 2016-19
- Porsche 991.2 Cabriolet 4S / GTS 3.0L (420/450 Bhp) 2016-19
- Porsche 991.2 Targa 4 3.0L (370 Bhp) 2016-19
- Porsche 991.2 Targa 4S / GTS 3.0L (420/450 Bhp) 2016-19
- Porsche Cayman 2.7L 981 2013-16
- Porsche Cayman S / GTS 3.4L 981 2013-16
- Porsche Cayman GT4 3.8L 2015-16
- Porsche Cayman 718 2.0L Manual (300Bhp)
- Porsche Cayman 718 2.0L PDK (300Bhp)
- Porsche Cayman S 718 2.5L Manual (350Bhp)
- Porsche Cayman S 718 2.5L PDK (350Bhp)
- Porsche Cayman T 718 2.0L Manual (300Bhp)
- Porsche Cayman T 718 2.0L PDK (300 Bhp)
- Porsche Cayman GTS 718 2.5L Manual (365 Bhp)
- Porsche Cayman GTS 718 2.5L PDK (365 Bhp)
- Porsche Cayman GTS 718 4.0L Manual (400 Bhp)
- Porsche Cayman GTS 718 4.0L PDK (400 Bhp)
- Porsche Cayman GT4 718 4.0L / GT4 RS 718 4.0L
每件均售出

適用於:
保时捷 986 Boxster 1997-04
保时捷 996 Carrera 1998-05
保时捷 996 Turbo / GT2
保时捷 996 GT3
保时捷 997 Carrera MKI & MKII 2005>>
保时捷 997 Turbo / GT2 2007>>
保时捷 987 Boxster MKI 和 MKII 2005>>
保时捷 987C Cayman MKI & MKII 2006>>
相关参考编号
相关编号、被取代编号、交叉引用编号或替代编号,供比较之用。
99735533101
您正在查看的产品与这些编号存在交叉引用关系
- Porsche Boxster 986 2.5L 1997-99
- Porsche Boxster 986 2.7L 1999-02
- Porsche Boxster S 986 3.2L 1999-02
- Porsche Boxster 986 2.7L 2003-04
- Porsche Boxster S 986 3.2L 2003-04
- Porsche Boxster 987 2.7L 2005 -08/08
- Porsche Boxster 987 S 3.2/3.4L 2005-08/08
- Porsche Boxster 987 MKII 2.9L 2009-2012
- Porsche Boxster S 987 MKII 3.4L 2009-2012
- Porsche Boxster 981 2.7L 2012-16
- Porsche Boxster 981 S / GTS 3.4L 2012-16
- Porsche Boxster 981 Spyder 3.8L 2016
- Porsche Boxster 718 2.0L Manual (300 Bhp)
- Porsche Boxster 718 2.0L PDK (300 Bhp)
- Porsche Boxster S 718 2.5L Manual (350 Bhp)
- Porsche Boxster S 718 2.5L PDK (350 Bhp)
- Porsche Boxster T 718 2.0L Manual (300 Bhp)
- Porsche Boxster T 718 2.0L PDK (300 Bhp)
- Porsche Boxster GTS 718 2.5L Manual (365 Bhp)
- Porsche Boxster GTS 718 2.5L PDK (365 Bhp)
- Porsche Boxster GTS 718 4.0L Manual (400 Bhp)
- Porsche Boxster GTS 718 4.0L PDK (400 Bhp)
- Porsche Boxster Spyder 718 4.0L (420 Bhp)
- Porsche Boxster 25 Years 718 4.0L Manual (400 Bhp)
- Porsche Boxster 25 Years 718 4.0L PDK (400 Bhp)
- Porsche 996 C2 3.4L 1997-08/01
- Porsche 996 C4 3.4L 1997-08/01
- Porsche 996 C2 3.6L 09/01-2005
- Porsche 996 C4 3.6L 09/01-2005
- Porsche 996 C4S 3.6L 09/01-2005
- Porsche 996 TURBO 2000-05
- Porsche 996 GT2 2001-05
- Porsche 996 GT3 MKI 1999-02
- Porsche 996 GT3 MKII 2003>>
- Porsche 996 GT3 RS 2003-04
- Porsche 997 MK1 Carrera 2 3.6L 2005-08
- Porsche 997 MK1 Carrera 2S 3.8L 2005-08
- Porsche 997 MK1 Carrera 4 3.6L 2005-08
- Porsche 997 MK1 Carrera 4S 3.8L 2005-08
- Porsche 997 MK1 TURBO 2007-09
- Porsche 997 MK1 GT2 2007-09
- Porsche 997 MKII Carrera C2 3.6L 2009-12
- Porsche 997 MKII Carrera C4 3.6L 2009-12
- Porsche 997 MKII Carrera C2S 3.8L 2009-12
- Porsche 997 MKII Carrera C4S 3.8L 2009-12
- Porsche 997 MKII GT3 2010-11
- Porsche 997 MKII Turbo 2010-13
- Porsche 997 MKII GT2 RS 2011-13
- Porsche 991.1 Carrera C2 3.4L (350Bhp) 2012-16
- Porsche 991.1 Carrera C2S / GTS 3.8L (400/430 Bhp) 2012-16
- Porsche 991.1 Carrera C4 3.4L (350Bhp) 2012-16
- Porsche 991.1 Carrera C4S / GTS 3.8L (400/430 Bhp) 2012-16
- Porsche 991.1 Turbo 3.8L (520bhp) 2014-16
- Porsche 991.1 Turbo S 3.8L (560Bhp) 2014-16
- Porsche 991.1 R 4.0L (500 Bhp) 2016
- Porsche 991.1 GT3 3.8L (475Bhp) 2014-16
- Porsche 991.1 GT3 RS 4.0L (500Bhp) 2015-16
- Porsche 991.2 Carrera 2 3.0L (370 Bhp) 2016-19
- Porsche 991.2 Carrera 2S / GTS 3.0L (420/450 Bhp) 2016-19
- Porsche 991.2 Carrera 4 3.0L (370 Bhp) 2016-19
- Porsche 991.2 Carrera 4S / GTS 3.0L (420/450 Bhp) 2016-19
- Porsche 991.2 Cabriolet 2 3.0L (370 Bhp) 2016-19
- Porsche 991.2 Cabriolet 2S / GTS 3.0L (420/450 Bhp) 2016-19
- Porsche 991.2 Cabriolet 4 3.0L (370 Bhp) 2016-19
- Porsche 991.2 Cabriolet 4S / GTS 3.0L (420/450 Bhp) 2016-19
- Porsche 991.2 Targa 4 3.0L (370 Bhp) 2016-19
- Porsche 991.2 Targa 4S / GTS 3.0L (420/450 Bhp) 2016-19
- Porsche 991.2 Turbo Coupe 3.8L (540 Bhp) 2016-19
- Porsche 991.2 Turbo S Coupe 3.8L (580 Bhp) 2016-19
- Porsche 991.2 Turbo Cabriolet 3.8L (540 Bhp) 2016-19
- Porsche 991.2 Turbo S Cabriolet 3.8L (580 Bhp) 2016-19
- Porsche 991.2 Speedster 4.0L (510Bhp) 2019
- Porsche 991.2 GT3 4.0L (500 Bhp) / GT3 RS 4.0L (520 Bhp) 2017-19
- Porsche 991.2 GT2 RS 3.8L PDK (700 bhp) 2018-19
- Porsche Cayman 2.7L 987C 2006-08
- Porsche Cayman S 3.4L 987C 2005-08
- Porsche Cayman 2.9L 987C MKII 2009-12
- Porsche Cayman S / R 3.4L 987C MKII 2009-12
- Porsche Cayman 2.7L 981 2013-16
- Porsche Cayman S / GTS 3.4L 981 2013-16
- Porsche Cayman GT4 3.8L 2015-16
- Porsche Cayman 718 2.0L Manual (300Bhp)
- Porsche Cayman 718 2.0L PDK (300Bhp)
- Porsche Cayman S 718 2.5L Manual (350Bhp)
- Porsche Cayman S 718 2.5L PDK (350Bhp)
- Porsche Cayman T 718 2.0L Manual (300Bhp)
- Porsche Cayman T 718 2.0L PDK (300 Bhp)
- Porsche Cayman GTS 718 2.5L Manual (365 Bhp)
- Porsche Cayman GTS 718 2.5L PDK (365 Bhp)
- Porsche Cayman GTS 718 4.0L Manual (400 Bhp)
- Porsche Cayman GTS 718 4.0L PDK (400 Bhp)
- Porsche Cayman GT4 718 4.0L / GT4 RS 718 4.0L
- Porsche Carrera GT
- Porsche 955 Cayenne 3.2L V6 2003-06
- Porsche 955 Cayenne S 4.5L V8 2003-06
- Porsche 955 Cayenne Turbo 4.5L 2003-06
- Porsche 955 Cayenne Turbo S 4.5L 2006>>
- Porsche 970.1 Panamera V6 3.6L 2WD 2009-13
- Porsche 970.1 Panamera 4 V6 3.6L 4WD 2009-13
- Porsche 970.1 Panamera S V8 4.8L 2009-13
- Porsche 970.1 Panamera 4S V8 4.8L 2009-13
- Porsche 970.1 Panamera GTS V8 4.8L 2011-13
- Porsche 970.1 Panamera Turbo V8 4.8L 2009-13
- Porsche 970.1 Panamera Turbo S V8 4.8L 2009-13
- Porsche 970.1 Panamera Diesel V6 3.0L 2011-13
- Porsche 970.1 Panamera S Hybrid V6 3.0L 2011-13
- Porsche 970.2 Panamera V6 3.6L 2WD (310Hp) 2014-16
- Porsche 970.2 Panamera 4 V6 3.6L 4WD (310Hp) 2014-16
- Porsche 970.2 Panamera S V6 Turbo 3.0L 2WD (420Hp) 2014-16
- Porsche 970.2 Panamera S V6 Turbo 3.0L 2WD Executive 2014-16
- Porsche 970.2 Panamera 4S V6 Turbo 3.0L 4WD (420Hp) 2014-16
- Porsche 970.2 Panamera 4S V6 Turbo 3.0L 4WD Executive 2014-16
- Porsche 970.2 Panamera GTS V8 4.8L 4WD (440Hp) 2014-16
- Porsche 970.2 Panamera Turbo V8 4.8L (520Hp) 2014-16
- Porsche 970.2 Panamera Turbo V8 Executive 2014-16
- Porsche 970.2 Panamera Turbo S V8 4.8L 2014-16
- Porsche 970.2 Panamera Diesel V6 3.0L (250Hp) 2014-16
- Porsche 970.2 Panamera S E-Hybrid V6 3.0L (416Hp) 2014-16
- Porsche 918 Spyder 4.6L
Porsche 987 Boxster / Boxster S MKI 2005-08
Porsche 987 Boxster MKII 2009-12
Porsche 987C Cayman / Cayman S MKI 2005-08
Porsche 987C Cayman MKII 2009-12
Porsche 997.1 Carrera 2005-08
Porsche 997.2 Carrera 2009-12
Click 'Zoom in' for large parts diagram.
Diagram ref no 7
相关参考编号
相关编号、被取代编号、交叉引用编号或替代编号,供比较之用。
99735575300
您正在查看的产品与这些编号存在交叉引用关系
- Porsche Boxster 987 2.7L 2005 -08/08
- Porsche Boxster 987 S 3.2/3.4L 2005-08/08
- Porsche Boxster 987 MKII 2.9L 2009-2012
- Porsche Boxster S 987 MKII 3.4L 2009-2012
- Porsche 997 MK1 Carrera 2 3.6L 2005-08
- Porsche 997 MK1 Carrera 2S 3.8L 2005-08
- Porsche 997 MK1 Carrera 4 3.6L 2005-08
- Porsche 997 MK1 Carrera 4S 3.8L 2005-08
- Porsche 997 MK1 TURBO 2007-09
- Porsche 997 MK1 GT3 2007-09
- Porsche 997 MK1 GT2 2007-09
- Porsche 997 MKII Carrera C2 3.6L 2009-12
- Porsche 997 MKII Carrera C4 3.6L 2009-12
- Porsche 997 MKII Carrera C2S 3.8L 2009-12
- Porsche 997 MKII Carrera C4S 3.8L 2009-12
- Porsche 997 MKII GT3 2010-11
- Porsche 997 MKII Turbo 2010-13
- Porsche 997 MKII GT2 RS 2011-13
- Porsche Cayman 2.7L 987C 2006-08
- Porsche Cayman S 3.4L 987C 2005-08
- Porsche Cayman 2.9L 987C MKII 2009-12
- Porsche Cayman S / R 3.4L 987C MKII 2009-12
适合:
保时捷 981 Boxster MKI 2014>>2016
保时捷 981 Cayman MKI 2014>>2016
保时捷 981 Boxster Spyder MKI 2016>>2016
保时捷 982 Boxster (718) 2017>>
保时捷 982 Cayman (718) 2017>>
保时捷 982 Boxster Spyder 2019>>
保时捷 991 Carrera MKI 2014>>2016
保时捷 991 Carrera MKII 2017>>2019
保时捷 991 Turbo MKI 2012>>2016
保时捷 991 Turbo MKII 2017>>2020
保时捷 991 GT2 RS MKII 2016>>2020
保时捷 991 R / GT3 / GT3RS MKI 2012>>2017
保时捷 991 GT3 / GT-Speed MKII 2017>>2021
保时捷 981 Cayman GT4 MKI 2016>>2016
保时捷 982 Cayman GT4 (718) 2019>>
图表参考编号 3
相关参考编号
相关编号、被取代编号、交叉引用编号或替代编号,供比较之用。
99135517505
您正在查看的产品与这些编号存在交叉引用关系
- Porsche Boxster 981 2.7L 2012-16
- Porsche Boxster 981 S / GTS 3.4L 2012-16
- Porsche Boxster 981 Spyder 3.8L 2016
- Porsche Boxster 718 2.0L Manual (300 Bhp)
- Porsche Boxster 718 2.0L PDK (300 Bhp)
- Porsche Boxster S 718 2.5L Manual (350 Bhp)
- Porsche Boxster S 718 2.5L PDK (350 Bhp)
- Porsche Boxster T 718 2.0L Manual (300 Bhp)
- Porsche Boxster T 718 2.0L PDK (300 Bhp)
- Porsche Boxster GTS 718 2.5L Manual (365 Bhp)
- Porsche Boxster GTS 718 2.5L PDK (365 Bhp)
- Porsche Boxster GTS 718 4.0L Manual (400 Bhp)
- Porsche Boxster GTS 718 4.0L PDK (400 Bhp)
- Porsche Boxster Spyder 718 4.0L (420 Bhp)
- Porsche Boxster 25 Years 718 4.0L Manual (400 Bhp)
- Porsche Boxster 25 Years 718 4.0L PDK (400 Bhp)
- Porsche 991.1 Carrera C2 3.4L (350Bhp) 2012-16
- Porsche 991.1 Carrera C2S / GTS 3.8L (400/430 Bhp) 2012-16
- Porsche 991.1 Carrera C4 3.4L (350Bhp) 2012-16
- Porsche 991.1 Carrera C4S / GTS 3.8L (400/430 Bhp) 2012-16
- Porsche 991.1 Turbo 3.8L (520bhp) 2014-16
- Porsche 991.1 Turbo S 3.8L (560Bhp) 2014-16
- Porsche 991.1 R 4.0L (500 Bhp) 2016
- Porsche 991.1 GT3 3.8L (475Bhp) 2014-16
- Porsche 991.1 GT3 RS 4.0L (500Bhp) 2015-16
- Porsche 991.2 Carrera 2 3.0L (370 Bhp) 2016-19
- Porsche 991.2 Carrera 2S / GTS 3.0L (420/450 Bhp) 2016-19
- Porsche 991.2 Carrera 4 3.0L (370 Bhp) 2016-19
- Porsche 991.2 Carrera 4S / GTS 3.0L (420/450 Bhp) 2016-19
- Porsche 991.2 Cabriolet 2 3.0L (370 Bhp) 2016-19
- Porsche 991.2 Cabriolet 2S / GTS 3.0L (420/450 Bhp) 2016-19
- Porsche 991.2 Cabriolet 4 3.0L (370 Bhp) 2016-19
- Porsche 991.2 Cabriolet 4S / GTS 3.0L (420/450 Bhp) 2016-19
- Porsche 991.2 Targa 4 3.0L (370 Bhp) 2016-19
- Porsche 991.2 Targa 4S / GTS 3.0L (420/450 Bhp) 2016-19
- Porsche 991.2 Turbo Coupe 3.8L (540 Bhp) 2016-19
- Porsche 991.2 Turbo S Coupe 3.8L (580 Bhp) 2016-19
- Porsche 991.2 Turbo Cabriolet 3.8L (540 Bhp) 2016-19
- Porsche 991.2 Turbo S Cabriolet 3.8L (580 Bhp) 2016-19
- Porsche 991.2 Speedster 4.0L (510Bhp) 2019
- Porsche 991.2 GT3 4.0L (500 Bhp) / GT3 RS 4.0L (520 Bhp) 2017-19
- Porsche 991.2 GT2 RS 3.8L PDK (700 bhp) 2018-19
- Porsche Cayman 2.7L 981 2013-16
- Porsche Cayman S / GTS 3.4L 981 2013-16
- Porsche Cayman GT4 3.8L 2015-16
- Porsche Cayman 718 2.0L Manual (300Bhp)
- Porsche Cayman 718 2.0L PDK (300Bhp)
- Porsche Cayman S 718 2.5L Manual (350Bhp)
- Porsche Cayman S 718 2.5L PDK (350Bhp)
- Porsche Cayman T 718 2.0L Manual (300Bhp)
- Porsche Cayman T 718 2.0L PDK (300 Bhp)
- Porsche Cayman GTS 718 2.5L Manual (365 Bhp)
- Porsche Cayman GTS 718 2.5L PDK (365 Bhp)
- Porsche Cayman GTS 718 4.0L Manual (400 Bhp)
- Porsche Cayman GTS 718 4.0L PDK (400 Bhp)
- Porsche Cayman GT4 718 4.0L / GT4 RS 718 4.0L

適用於:
适用于配备陶瓷刹车 (PCCB) 的汽车
保时捷 981 Boxster 2012-16
保时捷 981 Boxster Spyder 2016
保时捷 982 (718) Boxster 2017>>
保时捷 981C Cayman 2014-16
保时捷 982C (718C) Cayman 2017>>
保时捷 991.2 Carrera S (铁盘/非 PCCB 车型)
单击“放大”可查看大部件图。
图表参考编号 21(左)或 22(右)
相关参考编号
相关编号、被取代编号、交叉引用编号或替代编号,供比较之用。
99261177
您正在查看的产品与这些编号存在交叉引用关系
- Porsche Boxster 981 2.7L 2012-16
- Porsche Boxster 981 S / GTS 3.4L 2012-16
- Porsche Boxster 981 Spyder 3.8L 2016
- Porsche Boxster 718 2.0L Manual (300 Bhp)
- Porsche Boxster 718 2.0L PDK (300 Bhp)
- Porsche Boxster S 718 2.5L Manual (350 Bhp)
- Porsche Boxster S 718 2.5L PDK (350 Bhp)
- Porsche Boxster T 718 2.0L Manual (300 Bhp)
- Porsche Boxster T 718 2.0L PDK (300 Bhp)
- Porsche Boxster GTS 718 2.5L Manual (365 Bhp)
- Porsche Boxster GTS 718 2.5L PDK (365 Bhp)
- Porsche Boxster GTS 718 4.0L Manual (400 Bhp)
- Porsche Boxster GTS 718 4.0L PDK (400 Bhp)
- Porsche 991.2 Carrera 2S / GTS 3.0L (420/450 Bhp) 2016-19
- Porsche 991.2 Cabriolet 2S / GTS 3.0L (420/450 Bhp) 2016-19
- Porsche Cayman 2.7L 981 2013-16
- Porsche Cayman S / GTS 3.4L 981 2013-16
- Porsche Cayman 718 2.0L Manual (300Bhp)
- Porsche Cayman 718 2.0L PDK (300Bhp)
- Porsche Cayman S 718 2.5L Manual (350Bhp)
- Porsche Cayman S 718 2.5L PDK (350Bhp)
- Porsche Cayman T 718 2.0L Manual (300Bhp)
- Porsche Cayman T 718 2.0L PDK (300 Bhp)
- Porsche Cayman GTS 718 2.5L Manual (365 Bhp)
- Porsche Cayman GTS 718 2.5L PDK (365 Bhp)
- Porsche Cayman GTS 718 4.0L Manual (400 Bhp)
- Porsche Cayman GTS 718 4.0L PDK (400 Bhp)

Fits:
Porsche 986 Boxster 1998-04 F 98-WS607 095>>
Porsche 996 Carrera 1997-04 F >> 99-WS606 999
/ F >> 99-WS640 804
Porsche 996 GT2 2001-05
Porsche 996 GT3 1999-05
Click 'Zoom in' for large parts diagram.
Diagram ref no 5
相关参考编号
相关编号、被取代编号、交叉引用编号或替代编号,供比较之用。
99635517512
您正在查看的产品与这些编号存在交叉引用关系
- Porsche Boxster 986 2.5L 1997-99
- Porsche Boxster 986 2.7L 1999-02
- Porsche Boxster S 986 3.2L 1999-02
- Porsche Boxster 986 2.7L 2003-04
- Porsche Boxster S 986 3.2L 2003-04
- Porsche 996 C2 3.4L 1997-08/01
- Porsche 996 C4 3.4L 1997-08/01
- Porsche 996 C2 3.6L 09/01-2005
- Porsche 996 C4 3.6L 09/01-2005
- Porsche 996 C4S 3.6L 09/01-2005
- Porsche 996 GT2 2001-05
- Porsche 996 GT3 MKI 1999-02
- Porsche 996 GT3 MKII 2003>>
- Porsche 996 GT3 RS 2003-04

Fits:
Porsche 986 Boxster 1997-04
Click 'Zoom in' for large parts diagram.
Diagram ref no 8
相关参考编号
相关编号、被取代编号、交叉引用编号或替代编号,供比较之用。
98635519012
您正在查看的产品与这些编号存在交叉引用关系
- Porsche Boxster 986 2.5L 1997-99
- Porsche Boxster 986 2.7L 1999-02
- Porsche Boxster S 986 3.2L 1999-02
- Porsche Boxster 986 2.7L 2003-04
- Porsche Boxster S 986 3.2L 2003-04

Fits:
Porsche 986 Boxster 1997-04
Click 'Zoom in' for large parts diagram.
Diagram ref no 1
相关参考编号
相关编号、被取代编号、交叉引用编号或替代编号,供比较之用。
98635518909
您正在查看的产品与这些编号存在交叉引用关系
- Porsche Boxster 986 2.5L 1997-99
- Porsche Boxster 986 2.7L 1999-02
- Porsche Boxster S 986 3.2L 1999-02
- Porsche Boxster 986 2.7L 2003-04
- Porsche Boxster S 986 3.2L 2003-04

Fits:
NOT for cars with Ceramic Brakes
Porsche 981 Boxster 2012-16
Porsche 982 (718) Boxster 2017>>
Porsche 981C Cayman 2014-16
Porsche 982C (718C) Cayman 2017>>
Click 'Zoom in' for large parts diagram.
Diagram ref no 7
相关参考编号
相关编号、被取代编号、交叉引用编号或替代编号,供比较之用。
98135558
您正在查看的产品与这些编号存在交叉引用关系
- Porsche Boxster 981 2.7L 2012-16
- Porsche Boxster 981 S / GTS 3.4L 2012-16
- Porsche Boxster 718 2.0L Manual (300 Bhp)
- Porsche Boxster 718 2.0L PDK (300 Bhp)
- Porsche Boxster S 718 2.5L Manual (350 Bhp)
- Porsche Boxster S 718 2.5L PDK (350 Bhp)
- Porsche Boxster T 718 2.0L Manual (300 Bhp)
- Porsche Boxster T 718 2.0L PDK (300 Bhp)
- Porsche Boxster GTS 718 2.5L Manual (365 Bhp)
- Porsche Boxster GTS 718 2.5L PDK (365 Bhp)
- Porsche Boxster GTS 718 4.0L Manual (400 Bhp)
- Porsche Boxster GTS 718 4.0L PDK (400 Bhp)
- Porsche Boxster Spyder 718 4.0L (420 Bhp)
- Porsche Boxster 25 Years 718 4.0L Manual (400 Bhp)
- Porsche Boxster 25 Years 718 4.0L PDK (400 Bhp)
- Porsche Cayman 2.7L 981 2013-16
- Porsche Cayman S / GTS 3.4L 981 2013-16
- Porsche Cayman GT4 3.8L 2015-16
- Porsche Cayman 718 2.0L Manual (300Bhp)
- Porsche Cayman 718 2.0L PDK (300Bhp)
- Porsche Cayman S 718 2.5L Manual (350Bhp)
- Porsche Cayman S 718 2.5L PDK (350Bhp)
- Porsche Cayman T 718 2.0L Manual (300Bhp)
- Porsche Cayman T 718 2.0L PDK (300 Bhp)
- Porsche Cayman GTS 718 2.5L Manual (365 Bhp)
- Porsche Cayman GTS 718 2.5L PDK (365 Bhp)
- Porsche Cayman GTS 718 4.0L Manual (400 Bhp)
- Porsche Cayman GTS 718 4.0L PDK (400 Bhp)
- Porsche Cayman GT4 718 4.0L / GT4 RS 718 4.0L

Fits:
Porsche 986 Boxster 1997-05
Porsche 996 Carrera 1998-05
Porsche 996 Turbo / GT2 2001-05
Porsche 996 GT3 2004-05
Click 'Zoom in' for large parts diagram.
Diagram ref no 19
相关参考编号
相关编号、被取代编号、交叉引用编号或替代编号,供比较之用。
99635517913
您正在查看的产品与这些编号存在交叉引用关系
- Porsche Boxster 986 2.5L 1997-99
- Porsche Boxster 986 2.7L 1999-02
- Porsche Boxster S 986 3.2L 1999-02
- Porsche Boxster 986 2.7L 2003-04
- Porsche Boxster S 986 3.2L 2003-04
- Porsche 996 C2 3.4L 1997-08/01
- Porsche 996 C4 3.4L 1997-08/01
- Porsche 996 C2 3.6L 09/01-2005
- Porsche 996 C4 3.6L 09/01-2005
- Porsche 996 C4S 3.6L 09/01-2005
- Porsche 996 TURBO 2000-05
- Porsche 996 GT2 2001-05
- Porsche 996 GT3 RS 2003-04

Fits:
Porsche 986 Boxster >>1998
F >> 98-XU621 174
Porsche 996 Carrera 2 up to 1999
F >>99XS622 838
F >>99XS650 677
This part number has been superseded from previous numbers:
- 99635517606
Click 'Zoom in' for large parts diagram.
Diagram ref no 9
相关参考编号
相关编号、被取代编号、交叉引用编号或替代编号,供比较之用。
99635517608
您正在查看的产品与这些编号存在交叉引用关系
- Porsche Boxster 986 2.5L 1997-99
- Porsche 996 C2 3.4L 1997-08/01

适合:
保时捷 986 Boxster 1998>>
F 98-XU621175 >>
保时捷 996 Carrera 2 1999>>
F 99-XS622 839>>
F 99-SX650 678>>
此零件编号已被以前的编号取代:
- 99635517607
- 99635517609
单击“放大”可查看大部件图。
图表参考编号 9
相关参考编号
相关编号、被取代编号、交叉引用编号或替代编号,供比较之用。
99635517610
您正在查看的产品与这些编号存在交叉引用关系
- Porsche Boxster 986 2.5L 1997-99
- Porsche Boxster 986 2.7L 1999-02
- Porsche Boxster S 986 3.2L 1999-02
- Porsche Boxster 986 2.7L 2003-04
- Porsche Boxster S 986 3.2L 2003-04
- Porsche 996 C2 3.4L 1997-08/01
- Porsche 996 C2 3.6L 09/01-2005
-
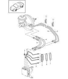
brake lines, front axle, underbody, vacuum line for 986 Boxster 1997-04 604-10
-
brake line, underbody, rear axle, vacuum line 986 Boxster 1997-04 604-15
-
brake lines, body front section 987 Boxster / Boxster S 2005-08 604-05
-
brake lines, brake lines underbody, vacuum line 987 Boxster / Boxster S 2005-08 604-10
-
brake line, underbody, rear axle, vacuum line 987 Boxster / Boxster S 2005-08 604-15
-
Brake lines / Front end 987.2 Boxster / Boxster S 2009-12 604-005
-
Brake lines / Underbody / Vacuum line 987.2 Boxster / Boxsters S 2009-12 604-010
-
Brake line / Underbody / Rear axle / Vacuum line 987.2 Boxster / Boxster S 2009-12 604-015
-
Disc brake / Front axle 981 Boxster / Boxster S 2012-16 602-000
-
Brake lines / Front end 981 Boxster / Boxster S 2012-16 604-005
-
Brake lines / Underbody - center rear - 981 Boxster / Boxster S 2012-16 604-010
-
Brake lines / Front end - FRONT 981.SP Boxster Spyder 2016 604-005
-
Brake lines / Underbody - center rear - 981.SP Boxster Spyder 2016 604-010
保时捷卡钳和刹车管路 | Design911 精密液压组件,控制性能卓越
卡钳和刹车管路是保时捷制动系统的关键部件,它们协同工作,提供稳定的液压和制动力。卡钳将液压转化为机械力,将刹车片压向刹车盘,而刹车管路则确保整个系统中的液压输送精准。保持这些部件处于最佳状态对于安全、制动平衡和踏板感觉至关重要——尤其是在高性能或高要求的驾驶环境中。
Design911 提供一系列优质的制动卡钳和管路,旨在实现精准的装配、强度和可靠性。每个部件均采用耐腐蚀材料和先进的工程技术打造,以提供始终如一的液压响应、耐热性和长期耐用性。无论是公路驾驶、车辆修复还是赛车运动,我们的产品都能确保您的保时捷制动系统发挥最佳性能。
卡钳和刹车线起什么作用?
制动钳和管路构成了制动系统的液压主干,将踏板力转化为可控的、强大的减速力。
核心功能:
• 卡钳对刹车片施加夹紧力,使其与刹车盘紧密贴合。
• 制动管路将加压流体从主缸传输到卡钳。
• 确保所有车轮的压力和制动平衡一致。
• 支持散热和平稳的液压运行。
• 保持精确的踏板感觉,实现自信的制动控制。
这些部件共同确保您的保时捷刹车能够提供公路和赛道使用所需的精度、动力和稳定性。
为什么卡钳和刹车管线会出现故障或老化?
这两个部件都暴露在极端高温、高压和环境因素下——这些条件可能导致磨损、腐蚀并最终失效。
常见的失败原因包括:
• 卡钳和配件腐蚀或生锈。
• 液压密封泄漏或活塞损坏。
• 橡胶制动软管破裂或膨胀。
• 液压系统中存在空气或湿气污染。
• 制动液劣化导致内部腐蚀。
• 因碎片、撞击或不正确安装而造成的物理损坏。
当卡钳或刹车管路出现故障时,刹车性能会变得不一致或不安全——会出现诸如踏板松软、液体泄漏或刹车反应不均匀等症状。
为什么要更换或升级您的保时捷卡钳和刹车管路?
更换磨损或腐蚀的部件可确保您的制动系统安全高效地运行。升级至高性能或不锈钢制动管路可增强压力一致性和踏板感觉,而翻新或精密设计的卡钳则可恢复完美的液压控制。
主要优点:
• 恢复全液压制动性能。
• 提高踏板的响应能力和感觉。
• 消除泄漏、腐蚀和压力损失。
• 增强高温下的制动稳定性。
• 提供性能和标准替换选项。
• 适用于经典和现代保时捷车型。
Design911 的保时捷卡钳和刹车管路具有无与伦比的可靠性和精度 - 确保您的保时捷在加速时也能同样自信地停车。
亮点
• 高品质保时捷制动钳和液压管路。
• 专为性能、耐用性和精确配合而设计。
• 不锈钢编织选项可提高压力稳定性。
• 耐腐蚀和耐热结构。
• 非常适合公路、比赛和修复应用。
• 兼容多种保时捷车型。