赛车可调控制臂。保时捷 996 2 件套 - CONTROLARM09
CONTROLARM09
Product Information
更换标准下控制臂,使用两件式分体式控制臂组可以在前部进行更大的外倾角调整。

適用於:
保时捷 996 C2/C4/C4S 1998-04
保时捷 996 Turbo 2000-2005
保时捷 996 GT3 1999-2002 MKI
保时捷 996 GT3 2003-2005 MKII
注意:如果要从非 GT2 或 GT3 型号的标准控制臂升级到这些控制臂,您需要购买必要的垫圈和螺母以将控制臂连接到法兰。每个控制臂需要两个。结账时系统会提示您将这些添加到您的购物篮中。
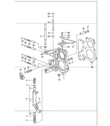
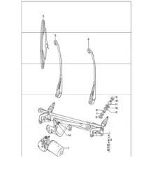
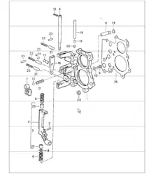
请点击“放大”查看图表。替换第 21 件
相关参考编号
相关编号、被取代编号、交叉引用编号或替代编号,供比较之用。
CONTROLARM09
您正在查看的产品与这些编号存在交叉引用关系
Product Information
赛车控制臂。2 件套更换标准下控制臂,使用两件式分体式控制臂组可以在前部进行更大的外倾角调整。

適用於:
保时捷 996 C2/C4/C4S 1998-04
保时捷 996 Turbo 2000-2005
保时捷 996 GT3 1999-2002 MKI
保时捷 996 GT3 2003-2005 MKII
注意:如果要从非 GT2 或 GT3 型号的标准控制臂升级到这些控制臂,您需要购买必要的垫圈和螺母以将控制臂连接到法兰。每个控制臂需要两个。结账时系统会提示您将这些添加到您的购物篮中。
请点击“放大”查看图表。替换第 21 件
相关参考编号
相关编号、被取代编号、交叉引用编号或替代编号,供比较之用。
CONTROLARM09
99634105317
99634105318
99634105319
99634194101
99634144190
99634112290
99634112190
SR049
SR040
99902526901
90007606402
您正在查看的产品与这些编号存在交叉引用关系
关于此套件
该套件包括以下商品:
1 x 赛车运动可调控制臂。保时捷 996 GT2 / GT3 / GT3RS (99634112290/3
1 x 赛车运动可调控制臂。保时捷 996 GT2 / GT3 / GT3RS (99634112190/3
2 x 控制臂赛车轴承法兰。保时捷 996 GT2 / GT3 (99634144190/1
产品车辆组
产品车辆组
- Porsche Boxster 986 2.5L 1997-99
- Porsche Boxster 986 2.7L 1999-02
- Porsche Boxster S 986 3.2L 1999-02
- Porsche Boxster 986 2.7L 2003-04
- Porsche Boxster S 986 3.2L 2003-04
- Porsche Boxster 987 2.7L 2005 -08/08
- Porsche Boxster 987 S 3.2/3.4L 2005-08/08
- Porsche Boxster 987 MKII 2.9L 2009-2012
- Porsche Boxster S 987 MKII 3.4L 2009-2012
- Porsche 996 C2 3.4L 1997-08/01
- Porsche 996 C4 3.4L 1997-08/01
- Porsche 996 C2 3.6L 09/01-2005
- Porsche 996 C4 3.6L 09/01-2005
- Porsche 996 C4S 3.6L 09/01-2005
- Porsche 996 TURBO 2000-05
- Porsche 996 GT2 2001-05
- Porsche 996 GT3 MKI 1999-02
- Porsche 996 GT3 MKII 2003>>
- Porsche 996 GT3 RS 2003-04
价格: €705.28 含 VAT
有现货 - 3-5 天发货

