Voer hier uw btw-nummer in en klik op Verifiëren:
U hoeft het landcode-deel van uw btw-nummer niet in te voeren, omdat dit al is geselecteerd in uw factuuradres hierboven.
Uw gegevens zijn geverifieerd. Btw-nummer geregistreerd bij:
,
.
Uw bestelling wordt nu voor BTW-doeleinden op een nultarief gezet. Wij behouden ons het recht voor deze gegevens na uw bestelaanvraag te controleren en indien nodig opnieuw btw aan te rekenen.
Uw btw-gegevens werden niet herkend of waren ongeldig. Uw btw-nummer moet overeenkomen met het land van facturering zoals hierboven aangegeven. Dit wordt momenteel gespecificeerd als . U hoeft het landcode-deel van uw btw-nummer niet in te voeren, omdat dit al is geselecteerd in uw factuuradres hierboven.
De dienst voor het controleren van btw-nummers is momenteel offline. Geef uw btw-gegevens op in het veld opmerkingen of speciale instructies hieronder en wij passen een btw-korting toe na het plaatsen van uw bestelaanvraag.
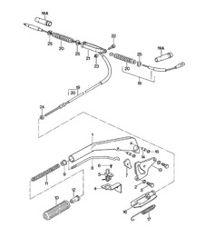
Handrem
Pal voor handrem-/parkeerrempal.
Past op:
Porsche 924 2.0L 1976-85
Porsche 924 Turbo 2.0L 1980-84
Porsche 944-1 2.5L 1982-85
Porsche 924S 2.5L 1986-88
Schema referentie 7.
Gerelateerde referentienummers
Gerelateerde, vervangen, kruisverwijzingen of alternatieve nummers ter vergelijking.
823711321
Het product dat u bekijkt, verwijst naar deze nummers
- Porsche 924 2.0L 1976-79
- Porsche 924 2.0L 1980-85
- Porsche 924 Turbo 2.0L 1979-81
- Porsche 924 Turbo 2.0L 1982-84
- Porsche 924 Carrera GT 2.0L 1981
- Porsche 924 Carrera GTS 2.0L 1982
- Porsche 924S 2.5L 1986-87
- Porsche 924S 2.5L 1988
- Porsche 944 2.5L 8V 1982-87
Porsche handremsystemen en componenten | Precieze controle en betrouwbare parkeerveiligheid
De handrem – ook wel parkeerrem genoemd – is een essentieel onderdeel van uw Porsche en zorgt voor stabiliteit en veiligheid tijdens het parkeren of op een helling. Naast zijn mechanische functie is de handremhendel een kenmerkend onderdeel van het cockpitontwerp van uw Porsche, met tastbare precisie en esthetische aantrekkingskracht.
Bij Design911 leveren we hoogwaardige handremsystemen, hendels, handgrepen en kabels, ontworpen voor superieure pasvorm, duurzaamheid en prestaties. Elk onderdeel is ontworpen om te voldoen aan of te overtreffen aan de originele specificaties en biedt betrouwbare functionaliteit met materialen die slijtvast zijn en het comfort verbeteren.
Of u nu een klassieke 911 restaureert, een Cayman of Boxster repareert of uw interieur wilt upgraden, onze Porsche-handremonderdelen combineren betrouwbare mechanica met uitzonderlijk vakmanschap.
Wat doet een handrem?
De handrem is een belangrijk veiligheidskenmerk dat ervoor zorgt dat uw Porsche stilstaat wanneer deze geparkeerd staat of tijdens een noodstop.
Kernfuncties:
- Blokkeert de achterwielen om het voertuig vast te zetten wanneer het stilstaat.
- Zorgt voor een noodremmechanisme dat onafhankelijk is van het hoofdsysteem.
- Zorgt voor spanning en stabiliteit op hellingen.
- Voegt ergonomische functionaliteit en stijl toe aan het interieur.
- Draagt bij aan de algehele controle en veiligheid van de bestuurder.
Een volledig functionele handrem zorgt voor veiligheid, stabiliteit en vertrouwen tijdens elke rit of stop.
Waarom slijten of falen handremsystemen?
Na verloop van tijd kunnen door constant gebruik en blootstelling aan omgevingsomstandigheden slijtage of mechanische achteruitgang van de handremcomponenten optreden.
Veelvoorkomende oorzaken van storingen zijn:
- Uitgerekte of gerafelde handremkabels.
- Versleten interne veren of mechanismen waardoor de houdspanning afneemt.
- Corrosie of verontreiniging in de kabelmantel.
- Gebarsten of beschadigde handremhendels of -grepen.
- Stijve of vastgelopen onderdelen door gebrek aan smering of binnendringend vocht.
Wanneer deze problemen zich voordoen, kan het zijn dat de handrem van uw Porsche niet goed vastzit, de hendel te los zit of helemaal niet aangrijpt. Dit kan gevolgen hebben voor zowel de veiligheid als de prestaties.
Waarom moet u de handrem van uw Porsche vervangen of upgraden?
Het vervangen van een versleten of defecte handrem herstelt zowel de functionaliteit als de verfijning van het interieur. Upgraden naar een prestatiegerichte of op maat gemaakte hendel kan ook het comfort van de bestuurder en de esthetiek van de cabine verbeteren.
Belangrijkste voordelen:
- Herstelt veilige, consistente remprestaties bij geparkeerde auto's.
- Voorkomt overmatige speling in de hendel of losse spanning.
- Verbetert het tastgevoel en het interieurbeeld.
- Verkrijgbaar in leer, Alcantara of aluminium afwerking.
- Direct passende ontwerpen voor Porsche 911-, Cayman-, Boxster-, Panamera-, Macan- en Cayenne-modellen.
- Ideaal voor restauraties, reparaties of upgrades van het interieur.
Een hoogwaardige vervanging zorgt ervoor dat uw Porsche handrem soepel functioneert en de premium uitstraling van uw interieur accentueert.
Hoogtepunten
- Nauwkeurig ontworpen Porsche handremhendels en -assemblages.
- Hoogwaardige materialen voor duurzaamheid en betrouwbaarheid op lange termijn.
- Herstelt de veiligheid, controle en stijl van het interieur van uw Porsche.
- Beschikbaar voor zowel handmatige als elektronische parkeerremsystemen.
- Perfect voor restauratie, reparatie of visuele verbetering. Eenvoudige installatie met modelspecifieke pasvorm.