Attendi… 
Ti preghiamo di attendere mentre elaboriamo il tuo ordine,
non premere il tasto di ritorno… 
Design 911 Design 911 supply Porsche parts, Porsche spares and Porsche accessories, to both retail and to the trade. Our Porsche product and accessory range includes brakes, exhausts, tyres, wheels and Porsche panels and interiors. https://www.design91.uk/images/schemaLogo.png https://www.design91.uk/images/schemaLogo.png +443456003478 https://www.design91.uk Facebook Instagram

Tubi flessibili del serbatoio di espansione

VISUALIZZAZIONE dal 1 all’3 (di 3 prodotti)
Articolo su ordinazione speciale
95510629100
Product Information
Product Information
Adattatore/raccordo per tubo flessibile del liquido di raffreddamento: progettato per facilitare il collegamento ad entrambe le estremità del tubo flessibile di ritorno che si collega al tubo flessibile che porta al serbatoio di espansione.

Venduto singolarmente; ne servono 2 per veicolo.

Adatto a:
Porsche 957 Cayenne Diesel 3.0L V6 2007-10

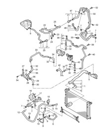
Riferimento diagramma 21.

Numeri di riferimento correlati
Numeri correlati, sostituiti, riferimenti incrociati o alternativi per il confronto.

95510629100
95510629100

Il prodotto che stai visualizzando fa riferimento a questi numeri
Articolo su ordinazione speciale
95510628600
Product Information
Product Information
Tubo flessibile del liquido di raffreddamento per il vaso di espansione.

Adatto a:
Porsche 9PA1 Cayenne (957) 3.0L Diesel 2007>>2010

Diagramma Rif. n. 37

Numeri di riferimento correlati
Numeri correlati, sostituiti, riferimenti incrociati o alternativi per il confronto.

95510628600
95510628600

Il prodotto che stai visualizzando fa riferimento a questi numeri
Articolo su ordinazione speciale
95510607410
Product Information
Product Information
Tubo flessibile di ritorno del refrigerante.

Adatto a:
Porsche 957 Cayenne Diesel 3.0L V6 2009-10

Rif. diagramma 51.

Numeri di riferimento correlati
Numeri correlati, sostituiti, riferimenti incrociati o alternativi per il confronto.

95510607410
95510607410

Il prodotto che stai visualizzando fa riferimento a questi numeri
VISUALIZZAZIONE dal 1 all’3 (di 3 prodotti)
Trovato anche in queste pagine
Informazioni su Tubi flessibili del serbatoio di espansione

Expansion Tank Coolant Hoses – Reliable Cooling Connections for Porsche Vehicles

Expansion tank coolant hoses are essential components in your Porsche’s cooling system. They connect the coolant expansion tank (reservoir) to the radiator, water pump, and engine, allowing the system to maintain correct pressure and coolant levels during operation. These hoses ensure that excess coolant flows smoothly between the tank and the rest of the system — preventing overheating, leaks, and pressure loss.

At Design911, we supply a full range of genuine and manufacturer-quality expansion tank coolant hoses for Porsche models including 911, Boxster, Cayman, Cayenne, Macan, and Panamera. Each hose is engineered for precise fitment, heat resistance, and long-term durability, ensuring your Porsche’s cooling system performs exactly as intended by the manufacturer.

What Do Expansion Tank Coolant Hoses Do?

Expansion tank hoses act as the link between the coolant reservoir and the engine cooling circuit, helping to:

  • Transport coolant to and from the expansion tank as temperatures fluctuate.
  • Maintain proper pressure balance within the cooling system.
  • Allow coolant recovery as the system heats up and cools down.
  • Prevent air pockets that can cause inefficient cooling or engine overheating.

Without properly functioning hoses, the cooling system cannot maintain the balance of pressure and temperature required for optimal performance.

Why Do Expansion Tank Coolant Hoses Fail?

Due to constant exposure to heat, pressure, and coolant chemicals, these hoses can degrade or fail over time. Common causes include:

  • Rubber fatigue or cracking from repeated heat cycles.
  • Coolant leaks caused by weakened hose ends or clamps.
  • Swelling or softening from prolonged coolant contact.
  • Aging materials losing elasticity and sealing ability.
  • Corrosion or contamination around connectors and fittings.

Typical signs of failure include visible cracks, coolant leaks near the expansion tank, fluctuating coolant levels, or overheating warnings.

Why Replace Faulty Expansion Tank Coolant Hoses?

A damaged or leaking expansion tank hose can cause coolant loss, air pockets, or pressure imbalance, leading to overheating or potential engine damage. Replacing these hoses is a simple but critical maintenance step to keep your Porsche’s cooling system running reliably.

Benefits of replacement include:

  • Restored coolant flow and pressure regulation.
  • Prevention of leaks and air ingress.
  • Enhanced engine performance and temperature stability.
  • Long-lasting, manufacturer-quality durability and fitment.

All hoses in this range are made using high-grade, reinforced materials designed to meet or exceed factory standards, ensuring exceptional performance, heat resistance, and reliability under all driving conditions.

Potrebbe piacerti anche
Modelli popolari