Guarnizioni di scarico


Si adatta:
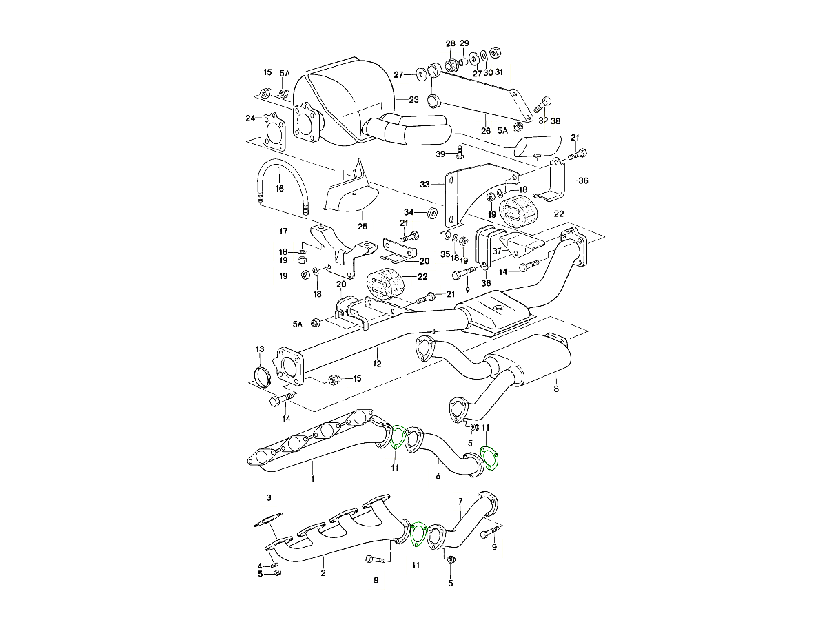
Porsche 993 1994-98 Gillet Scambiatore di calore al pre-silenziatore o scambiatore di calore al tubo incrociato
Porsche 928 1978-92 Collettore ai tubi pluviali o tubi pluviali al silenziatore posteriore.
Fai clic su "Ingrandisci" per il diagramma delle parti di grandi dimensioni.
Diagramma rif. 6
Numeri di riferimento correlati
Numeri correlati, sostituiti, riferimenti incrociati o alternativi per il confronto.
92811112702
Il prodotto che stai visualizzando fa riferimento a questi numeri
- Porsche 993 (911) C2 1994-97
- Porsche 993 (911) C4 1994-97
- Porsche 993 (911) RS 1994-97
- Porsche 993 (911) C2S 1994-97
- Porsche 993 (911) C4S 1994-97
- Porsche 928 4.5L 1978-82
- Porsche 928S 4.7L 1981-83
- Porsche 928S2 4.7L 1984-86
- Porsche 928S4 5.0L 1987-92
- Porsche 928GT 5.0L 1989-91
Questa guarnizione di scarico sostitutiva a montaggio diretto è realizzata secondo gli standard dimensionali OEM per una tenuta perfetta e senza perdite e prestazioni di lunga durata.
Adatto a:
Porsche 993 1994 - 1998
* Scambiatore di calore Gillet al pre-silenziatore (rif. schema n. 6) o scambiatore di calore al tubo di attraversamento (rif. schema n. 10)
Porsche 928 1978 - 1992
* Collettore per tubi di scarico (rif. schema n. 11) o tubi di scarico per silenziatore posteriore (rif. schema n. 11)
Questa guarnizione garantisce una tenuta stagna ai gas tra i componenti dello scarico, in genere tra il collettore di scarico, il convertitore catalitico o i tubi di collegamento, per prevenire perdite di gas di scarico, mantenere la contropressione e garantire letture corrette dei sensori. La sua struttura composita resistente al calore resiste a temperature estreme, vibrazioni ed esposizione ai gas di scarico.
• Utilizzato nei giunti del sistema di scarico di vari modelli Porsche,
• Comunemente montati tra le flange di scarico o nelle giunzioni tra collettore e tubo o tra tubo e convertitore catalitico
• Installazione diretta con geometria della flangia in stile OEM: non sono necessarie modifiche
Nel tempo, le guarnizioni originali possono comprimersi, bruciarsi o creparsi a causa di cicli di calore e vibrazioni, causando perdite di scarico, rumore o perdita di prestazioni. Sostituirle con una guarnizione OE Match di alta qualità ripristina la corretta tenuta, mantiene l'efficienza dello scarico e previene dannose perdite di calore o gas in prossimità di componenti sensibili.
Numeri di riferimento correlati
Numeri correlati, sostituiti, riferimenti incrociati o alternativi per il confronto.
92811112702
Il prodotto che stai visualizzando fa riferimento a questi numeri
- Porsche 993 (911) C2 1994-97
- Porsche 993 (911) C4 1994-97
- Porsche 993 (911) RS 1994-97
- Porsche 993 (911) C2S 1994-97
- Porsche 993 (911) C4S 1994-97
- Porsche 928 4.5L 1978-82
- Porsche 928S 4.7L 1981-83
- Porsche 928S2 4.7L 1984-86
- Porsche 928S4 5.0L 1987-92
- Porsche 928GT 5.0L 1989-91


Si adatta:
Porsche 924S 1986-88
Porsche 928 1978-86
Porsche 944 1982-88
Fai clic su "Ingrandisci" per il diagramma delle parti di grandi dimensioni.
Diagramma rif. 6
Numeri di riferimento correlati
Numeri correlati, sostituiti, riferimenti incrociati o alternativi per il confronto.
92811119312
Il prodotto che stai visualizzando fa riferimento a questi numeri
- Porsche 924S 2.5L 1986-87
- Porsche 924S 2.5L 1988
- Porsche 944 2.5L 8V 1982-87
- Porsche 928 4.5L 1978-82
- Porsche 928S 4.7L 1981-83
- Porsche 928S2 4.7L 1984-86

Si adatta:
Porsche 924S 1986-88
Porsche 928 1978-86
Porsche 944 1982-88
Fai clic su "Ingrandisci" per il diagramma delle parti di grandi dimensioni.
Diagramma rif. 6
Numeri di riferimento correlati
Numeri correlati, sostituiti, riferimenti incrociati o alternativi per il confronto.
92811119312
Il prodotto che stai visualizzando fa riferimento a questi numeri
- Porsche 924S 2.5L 1986-87
- Porsche 924S 2.5L 1988
- Porsche 944 2.5L 8V 1982-87
- Porsche 928 4.5L 1978-82
- Porsche 928S 4.7L 1981-83
- Porsche 928S2 4.7L 1984-86


Si adatta:
Porsche 928 1983-95
Porsche 944 S / 944 S2 1985-91
Porsche 968 1992-95
Fai clic su "Ingrandisci" per il diagramma delle parti di grandi dimensioni.
Diagramma rif. n. 3
- Porsche 944S 2.5L 16V 1987-88
- Porsche 944S2 3.0L 16V 1989-91
- Porsche 968 3.0L 1992-94
- Porsche 968 Sport 3.0L 1994-95
- Porsche 968 CS 3.0L 1993-95
- Porsche 968 Turbo S 3.0L 1993-94
- Porsche 928S2 4.7L 1984-86
- Porsche 928S4 5.0L 1987-92
- Porsche 928GT 5.0L 1989-91
- Porsche 928GTS 5.4L 1992-95

Si adatta:
Porsche 928 1983-95
Porsche 944 S / 944 S2 1985-91
Porsche 968 1992-95
Fai clic su "Ingrandisci" per il diagramma delle parti di grandi dimensioni.
Diagramma rif. n. 3
Numeri di riferimento correlati
Numeri correlati, sostituiti, riferimenti incrociati o alternativi per il confronto.
94411120500
Il prodotto che stai visualizzando fa riferimento a questi numeri
- Porsche 944S 2.5L 16V 1987-88
- Porsche 944S2 3.0L 16V 1989-91
- Porsche 968 3.0L 1992-94
- Porsche 968 Sport 3.0L 1994-95
- Porsche 968 CS 3.0L 1993-95
- Porsche 968 Turbo S 3.0L 1993-94
- Porsche 928S2 4.7L 1984-86
- Porsche 928S4 5.0L 1987-92
- Porsche 928GT 5.0L 1989-91
- Porsche 928GTS 5.4L 1992-95