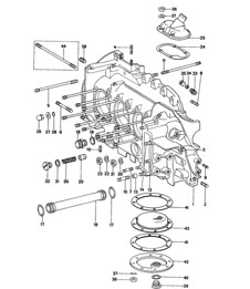
Coppa dell'olio
Il kit piastra coppa olio Motorsport è stato progettato per dissipare il calore a un ritmo più veloce per la guida orientata alle prestazioni o eventi in pista. La piastra incorpora alette di raffreddamento profonde che incanalano l'aria e massimizzano la superficie per un raffreddamento dell'olio più efficiente.
Si adatta:
Porsche 911 1965-83
Numeri di riferimento correlati
Numeri correlati, sostituiti, riferimenti incrociati o alternativi per il confronto.
SUMPKIT911
Il prodotto che stai visualizzando fa riferimento a questi numeri
- Porsche 911 1965-1968 2.0L / 912 SWB (F)
- Porsche 911 1968-1973 2.2L / 2.4L / 2.7L RS LWB (F)
- Porsche 911 1974-1977 2.7L / 1976-77 3.0 Carrera
- Porsche 911 1978-1983 3.0L / SC
- Porsche 911 1975-1977 3.0L Turbo (930)
- Porsche 911 1978-1989 3.3L Turbo (930)
- Porsche 914 (1970-1976)

Si adatta:
Porsche 914-4
Porsche 912E
Fai clic su "Ingrandisci" per il diagramma delle parti di grandi dimensioni.
Diagramma rif. 10
Numeri di riferimento correlati
Numeri correlati, sostituiti, riferimenti incrociati o alternativi per il confronto.
021115175
Il prodotto che stai visualizzando fa riferimento a questi numeri
- Porsche 914 (1970-1976)

Adatto a:
La Porsche 914-4
Porsche 912E
Fare clic su "Ingrandisci" per visualizzare lo schema delle parti più grandi.
Diagramma rif. n. 10
Numeri di riferimento correlati
Numeri correlati, sostituiti, riferimenti incrociati o alternativi per il confronto.
021115175
Il prodotto che stai visualizzando fa riferimento a questi numeri
- Porsche 914 (1970-1976)

Adatto a:
Porsche 911 1965-89
Numeri di riferimento correlati
Numeri correlati, sostituiti, riferimenti incrociati o alternativi per il confronto.
90012301130
Il prodotto che stai visualizzando fa riferimento a questi numeri
- Porsche 911 1965-1968 2.0L / 912 SWB (F)
- Porsche 911 1968-1973 2.2L / 2.4L / 2.7L RS LWB (F)
- Porsche 911 1974-1977 2.7L / 1976-77 3.0 Carrera
- Porsche 911 1978-1983 3.0L / SC
- Porsche 911 1984-1986 3.2L
- Porsche 911 1987-1989 3.2L G50
- Porsche 911 1975-1977 3.0L Turbo (930)
- Porsche 911 1978-1989 3.3L Turbo (930)
- Porsche 914 (1970-1976)

Si adatta:
Porsche 911 1972-83
Fai clic su "Ingrandisci" per il diagramma delle parti di grandi dimensioni.
Diagramma rif. 42
- Porsche 911 1968-1973 2.2L / 2.4L / 2.7L RS LWB (F)
- Porsche 911 1974-1977 2.7L / 1976-77 3.0 Carrera
- Porsche 911 1978-1983 3.0L / SC
- Porsche 911 1975-1977 3.0L Turbo (930)
- Porsche 911 1978-1989 3.3L Turbo (930)
- Porsche 914 (1970-1976)

Si adatta:
Porsche 911 1969-83
Porsche 914 1970-76
Fai clic su "Ingrandisci" per il diagramma delle parti di grandi dimensioni.
Diagramma rif. 36
Numeri di riferimento correlati
Numeri correlati, sostituiti, riferimenti incrociati o alternativi per il confronto.
93010190200
Il prodotto che stai visualizzando fa riferimento a questi numeri
- Porsche 911 1965-1968 2.0L / 912 SWB (F)
- Porsche 911 1968-1973 2.2L / 2.4L / 2.7L RS LWB (F)
- Porsche 911 1974-1977 2.7L / 1976-77 3.0 Carrera
- Porsche 911 1978-1983 3.0L / SC
- Porsche 911 1975-1977 3.0L Turbo (930)
- Porsche 914 (1970-1976)

Si adatta:
Porsche 911 1969-83
Porsche 914 1970-76
Fai clic su "Ingrandisci" per il diagramma delle parti di grandi dimensioni.
Diagramma rif. 36
Numeri di riferimento correlati
Numeri correlati, sostituiti, riferimenti incrociati o alternativi per il confronto.
93010190200
Il prodotto che stai visualizzando fa riferimento a questi numeri
- Porsche 911 1965-1968 2.0L / 912 SWB (F)
- Porsche 911 1968-1973 2.2L / 2.4L / 2.7L RS LWB (F)
- Porsche 911 1974-1977 2.7L / 1976-77 3.0 Carrera
- Porsche 911 1978-1983 3.0L / SC
- Porsche 911 1975-1977 3.0L Turbo (930)
- Porsche 914 (1970-1976)
Design originale del prodotto Porsche con foro per il tappo della coppa dell'olio.
Fornito con tappo di scarico.

Adatto a:
Porsche 911 1969-83
Porsche 914 1970-76
Fare clic su "Ingrandisci" per visualizzare lo schema delle parti più grandi.
Diagramma rif. n. 36
Numeri di riferimento correlati
Numeri correlati, sostituiti, riferimenti incrociati o alternativi per il confronto.
93010190200
Il prodotto che stai visualizzando fa riferimento a questi numeri
- Porsche 911 1965-1968 2.0L / 912 SWB (F)
- Porsche 911 1968-1973 2.2L / 2.4L / 2.7L RS LWB (F)
- Porsche 911 1974-1977 2.7L / 1976-77 3.0 Carrera
- Porsche 911 1978-1983 3.0L / SC
- Porsche 911 1975-1977 3.0L Turbo (930)
- Porsche 914 (1970-1976)
Progetto originale del primo prodotto con foro per tappo di scarico

Adatto a:
Porsche 911 1965-83
Fare clic su "Ingrandisci" per visualizzare lo schema delle parti più grandi.
Diagramma rif. n. 36
Numeri di riferimento correlati
Numeri correlati, sostituiti, riferimenti incrociati o alternativi per il confronto.
90110138600
Il prodotto che stai visualizzando fa riferimento a questi numeri
- Porsche 911 1965-1968 2.0L / 912 SWB (F)
- Porsche 911 1968-1973 2.2L / 2.4L / 2.7L RS LWB (F)
- Porsche 911 1974-1977 2.7L / 1976-77 3.0 Carrera
- Porsche 911 1978-1983 3.0L / SC
- Porsche 914 (1970-1976)

Si adatta:
Porsche 914 1.7L, 1.8L e 2.0L 1970-76 e Tipo 4
Fai clic su "Ingrandisci" per il diagramma delle parti di grandi dimensioni.
Diagramma rif. n. 12 e 13
Numeri di riferimento correlati
Numeri correlati, sostituiti, riferimenti incrociati o alternativi per il confronto.
021198031B
Il prodotto che stai visualizzando fa riferimento a questi numeri
- Porsche 914 (1970-1976)

Adatto a:
Porsche 914 1970-76
Numeri di riferimento correlati
Numeri correlati, sostituiti, riferimenti incrociati o alternativi per il confronto.
021198031
Il prodotto che stai visualizzando fa riferimento a questi numeri
- Porsche 914 (1970-1976)
Vecchio tipo di progettazione.
Adatto a:
Porsche 911 1965-83
Porsche 911 (930) Turbo 1975-77
Porsche 914-6 1970-76
Diagramma rif. n. 38
Numeri di riferimento correlati
Numeri correlati, sostituiti, riferimenti incrociati o alternativi per il confronto.
90110138002
Il prodotto che stai visualizzando fa riferimento a questi numeri
- Porsche 911 1965-1968 2.0L / 912 SWB (F)
- Porsche 911 1968-1973 2.2L / 2.4L / 2.7L RS LWB (F)
- Porsche 911 1974-1977 2.7L / 1976-77 3.0 Carrera
- Porsche 914 (1970-1976)

Adatto a:
Porsche 911 1965-83
Porsche 911 (930) Turbo 1975-77
Porsche 914-6 1970-76
Fare clic su "Ingrandisci" per visualizzare lo schema delle parti più grandi.
Diagramma rif. n. 38
Numeri di riferimento correlati
Numeri correlati, sostituiti, riferimenti incrociati o alternativi per il confronto.
93010731400
Il prodotto che stai visualizzando fa riferimento a questi numeri
- Porsche 911 1965-1968 2.0L / 912 SWB (F)
- Porsche 911 1968-1973 2.2L / 2.4L / 2.7L RS LWB (F)
- Porsche 911 1974-1977 2.7L / 1976-77 3.0 Carrera
- Porsche 911 1978-1983 3.0L / SC
- Porsche 914 (1970-1976)

Si adatta:
Porsche 914 1970-76
Fai clic su "Ingrandisci" per il diagramma delle parti di grandi dimensioni.
Diagramma rif. 20
Numeri di riferimento correlati
Numeri correlati, sostituiti, riferimenti incrociati o alternativi per il confronto.
021101269A
Il prodotto che stai visualizzando fa riferimento a questi numeri
- Porsche 914 (1970-1976)
Adatto a:
Porsche 914 1970-76
Diagramma rif. n. 20
Numeri di riferimento correlati
Numeri correlati, sostituiti, riferimenti incrociati o alternativi per il confronto.
021101269A
Il prodotto che stai visualizzando fa riferimento a questi numeri
- Porsche 914 (1970-1976)

Si adatta:
Porsche 914 1.7L, 1.8L e 2.0L 1970-76 e Tipo 4
Fare clic su "Zoom avanti" per il diagramma delle parti di grandi dimensioni.
Rif. diagramma n. 4
Numeri di riferimento correlati
Numeri correlati, sostituiti, riferimenti incrociati o alternativi per il confronto.
021109335C
Il prodotto che stai visualizzando fa riferimento a questi numeri
- Porsche 914 (1970-1976)
-
Cric per attrezzi 914 1970-76 001-000
-
Carter - SINISTRO - 914-6 1970-76 101-005
-
Carter - DESTRO - 914-6 1970-76 101-010
-
Lubrificazione motore 914-6 1970-76 104-000
-
Fornitura di olio per convertitore 914-6:SPM >>1971 104-005
-
Raffreddamento ad aria 914-6 1970-76 105-000
-
Sistema di vuoto per rilascio frizione 914-6:SPM >>1971 107-020
-
Carter 914 1970-76 111-005
-
Albero a camme / Valvole 914 1970-76 113-005
-
Lubrificazione motore / Pompa olio / Filtro olio / Filtro olio 914 1970-76 114-000
-
Lubrificazione motore / Bocchettone di riempimento / Spurgo 914 1970-76 114-005
-
Lubrificazione motore / Radiatore olio 914 1970-76 114-010
-
Raffreddamento ad aria 914 1970-1976 115-000
-
Copertura motore / Guida aria 914 1970-76 115-005
-
Controllo aria di raffreddamento 914 1970-76 115-010
-
Filtro aria 914-1,8V 1970-76 116-000
-
Filtro aria 914-4/1,7 e 914-1,8/2,0 1970-76 116-005
-
Carburatore 914-1,8V 1970-76 117-000
-
Raccordo di aspirazione / Tubo di aspirazione / Albero di controllo 914-1,8V 1970-76 117-005
-
Sistema di iniezione 914-4/1,7 e 914-1,8/2,0 1970-76 117-010
-
Kit guarnizioni / Kit di riparazione 914 1970-76 198-000
-
Serbatoio carburante 914 >>1973 201-000
-
Serbatoio carburante 914 1974>> 201-005
-
Tubo carburante >>1974 201-010
-
Impianto di scarico / Alimentazione aria di riscaldamento / Sospensione motore 914-6 1970-76 202-000
-
Impianto di scarico / Silenziatore di scarico 914-4/1,7 e 914-1,8V/1,8 1970-76 202-005
-
Impianto di scarico / Scambiatore di calore 914 1970-76 202-015
-
Rilascio frizione 914 1970-76 301-010
-
Rilascio frizione 914-6:SPM 1970-76 307-000
-
Convertitore / Alloggiamento convertitore 914-6:SPM 1970-76 307-005
-
Pedali per auto con cambio manuale 914 1970-76 702-000
-
Pedali 914-6:SPM 1970-76 702-005
-
Paraurti - Anteriore e posteriore - 914 >>1974 802-000
-
Paraurti ANTERIORE 914 1975>> 802-005
-
Cofano / Vano motore 914 1970-76 803-005
-
Cofano POSTERIORE 914 1970-76 803-010
-
Cruscotto / Specchietto retrovisore 914 1970-76 809-000
-
Tetto 914 1970-1976 811-000
-
Equipaggiamento elettrico / Motore 914 1970-76 901-005
-
Impianto elettrico motore 914 1970-76 901-015
-
Batteria / Scatola fusibili 914 1970-76 902-000
-
Sistema tergicristallo 914-6 >>1971 904-000
-
Impianto tergicristallo 914 / 914-6 1972>> 904-005
-
Impianto lavafari 914 1974>> 904-020
-
Luci 914 1970-76 905-005
Coppe dell'olio: protezione e lubrificazione essenziali del motore per i modelli Porsche
La coppa dell'olio motore, nota anche come coppa dell'olio, è un componente essenziale del sistema di lubrificazione della tua Porsche. Funge da serbatoio principale in cui l'olio motore viene immagazzinato, raccolto e fatto circolare. La coppa garantisce che l'olio venga costantemente fornito a tutti i componenti critici in movimento, mantenendo il raffreddamento, la lubrificazione e la longevità del motore, soprattutto durante la guida ad alte prestazioni.
Da Design911, disponiamo di una gamma completa di coppe dell'olio e componenti correlati progettati per motori Porsche di tutte le generazioni. Realizzate in alluminio ad alta resistenza, acciaio o materiali compositi, queste coppe offrono un'eccellente dissipazione del calore, resistenza alle vibrazioni e prestazioni durature sia nella guida quotidiana che nelle applicazioni motoristiche.
Che tu stia restaurando una classica 911 raffreddata ad aria, eseguendo la manutenzione di una Cayman o aggiornando il tuo modello GT per l'uso in pista, le nostre coppe dell'olio garantiscono affidabilità duratura, montaggio preciso e protezione contro la carenza di olio.
A cosa serve una coppa dell'olio?
La coppa dell'olio raccoglie e immagazzina l'olio motore alla base del motore, mantenendolo pronto per la circolazione tramite la pompa dell'olio.
Funzioni principali:
- Funge da serbatoio dell'olio per il sistema di lubrificazione.
- Raccoglie e filtra l'olio motore di ritorno dopo la circolazione.
- Dissipa il calore per aiutare a regolare la temperatura dell'olio.
- Supporta la stabilità della pressione dell'olio durante l'accelerazione e la curva.
- Protegge dalla carenza di olio in condizioni di elevata forza G durante la guida sportiva.
Una coppa dell'olio funzionante correttamente garantisce che il motore della tua Porsche funzioni in modo fluido, efficiente e affidabile in tutte le condizioni.
Perché le coppe dell'olio si rompono?
Le coppe dell'olio sono costantemente esposte al calore, alla pressione e ai detriti stradali, il che le rende vulnerabili a danni e degrado nel tempo.
Le cause più comuni di guasto includono:
- Danni da impatto causati da detriti stradali o dossi.
- Perdite di olio causate da guarnizioni usurate o crepe.
- Deformazione o corrosione dovute a cicli termici e contaminanti.
- Danni alla filettatura attorno all'area del tappo di scarico.
- Problemi di carenza di olio nelle prestazioni o nell'uso in pista se il deflettore non funziona.
I sintomi di problemi alla coppa dell'olio possono includere perdite d'olio visibili, bassi livelli di olio, odori di bruciato o avvisi di pressione dell'olio, tutti segnali che indicano la necessità di un'ispezione o di una sostituzione.
Perché sostituire le coppe dell'olio?
La sostituzione di una coppa dell'olio danneggiata o che perde ripristina l'affidabilità dello stoccaggio dell'olio, la tenuta e la regolazione della temperatura. Le nostre coppe dell'olio sono progettate per garantire resistenza, efficienza termica e prevenzione delle perdite superiori.
Vantaggi principali:
- Ripristina il contenimento e la circolazione sicuri dell'olio.
- Previene perdite di olio e carenze.
- Migliora il raffreddamento e la stabilità della pressione dell'olio.
- Realizzato con materiali resistenti e capaci di dissipare il calore.
- Il design Direct-fit garantisce facilità di installazione e compatibilità.
- Ideale per progetti di miglioramento delle prestazioni o di restauro.
Una coppa dell'olio di ricambio di qualità è essenziale per la manutenzione del sistema di lubrificazione della tua Porsche e per proteggere il motore da danni costosi.
Punti salienti:
- Coppe dell'olio e coppe Porsche di precisione.
- Progettato per la massima capacità di olio, raffreddamento e affidabilità.
- Materiali leggeri e resistenti alla corrosione per una maggiore durata.
- Compatibilità diretta con Porsche 911, Cayman, Boxster, Panamera e altre ancora.
- Progettato per applicazioni su strada, da corsa e di restauro.
- Aggiornamento perfetto per una migliore lubrificazione sotto carichi elevati.