Inserisci il tuo numero di partiva IVA qui e fai clic su Verifica:
Nessuna necessità di inserire la parte del numero di partita IVA relativa al codice del paese poiché questa è già stato selezionata nel predetto indirizzo di fatturazione.
I tuoi dati sono stati verificati. Numero di partita IVA registrato a:
,
.
Al tuo ordine sarà applicata un’aliquota pari a zero ai fini dell’IVA. Ci riserviamo il diritto di verificare questi dettagli dopo che la tua richiesta d’ordine è stata fatta e di reintegrare l’IVA se necessario.
I tuoi dati IVA non sono stati riconosciuti o non erano validi. Il tuo numero di partita IVA deve corrispondere al tuo paese di fatturazione come specificato sopra. Attualmente è specificato come . Non occorre inserire inserire la parte del numero di partita IVA relativa al codice del paese poiché questa è già stato selezionata nei dettagli del predetto indirizzo di fatturazione.
Il servizio di verifica della partita IVA è attualmente offline. Per favore fornisci i tuoi dati IVA all’interno dei commenti o nel campo delle istruzioni speciali sotto e noi applicheremo uno sconto IVA dopo aver fatto la richiesta d’ordine.
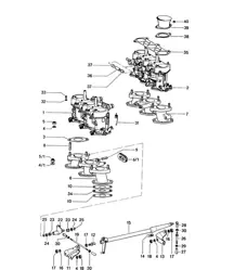
Si prega di consultare la panoramica dei carboidrati PMO e OE

I carburatori Weber originali da 46 mm hanno semplicemente la piastra dell'acceleratore allargata, mentre i PMO l'hanno
intero corpo farfallato allargato dalla gola superiore attraverso la piastra, il che significa la capacità del flusso d'aria di
I carburatori PMO Induction sono significativamente migliorati rispetto ai Weber di dimensioni equivalenti.
PMO Induction utilizza un albero dell'acceleratore in acciaio inossidabile lavorato in un unico pezzo, supportato da una sfera di grandi dimensioni
cuscinetti per una vita di azione dell'acceleratore fluida, annullando il problema più grande dei carburatori Weber
I carboidrati Weber hanno sofferto molto a causa dell'usura dell'albero dell'acceleratore, delle perdite d'aria e degli inceppamenti nel corso degli anni. Anche le manette Weber soffrono di assorbimento di calore
che aggravano i problemi di usura ma ciò non influisce sui carburatori PMO Induction.
I carburatori PMO Induction hanno una vaschetta del galleggiante in vetro per consentire un'impostazione accurata dei livelli di carburante,
molto più semplice ed efficace del metodo Weber IDA che richiede lo smontaggio parziale del carburatore.
Anche il sistema di ingresso del carburante è stato notevolmente migliorato per fornire una capacità di flusso e un equilibrio di erogazione del carburante notevolmente migliorati
la configurazione banjo sui carboidrati Weber, che sono altamente soggetti a perdite e hanno una capacità limitata nelle applicazioni a flusso elevato.
* La gamma cc del motore negli elenchi è un'approssimazione basata sui requisiti di cilindrata tipici che utilizzano testate con attacchi standard (di serie) e camme di tipo di fabbrica.
Eventuali gruppi di carboidrati/collettori devono sempre essere abbinati alla dimensione della porta di testa per i motori standard (di serie).
**I motori con porte allargate, rapporti di compressione più elevati e alberi a camme da corsa richiederanno componenti aggiuntivi per la messa a punto oltre al kit standard
specifiche
Numeri di riferimento correlati
Numeri correlati, sostituiti, riferimenti incrociati o alternativi per il confronto.
PM-O801-0
Il prodotto che stai visualizzando fa riferimento a questi numeri
- Porsche 911 1965-1968 2.0L / 912 SWB (F)
- Porsche 911 1968-1973 2.2L / 2.4L / 2.7L RS LWB (F)