Attendi… 
Ti preghiamo di attendere mentre elaboriamo il tuo ordine,
non premere il tasto di ritorno… 
Design 911 Design 911 supply Porsche parts, Porsche spares and Porsche accessories, to both retail and to the trade. Our Porsche product and accessory range includes brakes, exhausts, tyres, wheels and Porsche panels and interiors. https://www.design91.uk/images/schemaLogo.png https://www.design91.uk/images/schemaLogo.png +443456003478 https://www.design91.uk Facebook Instagram

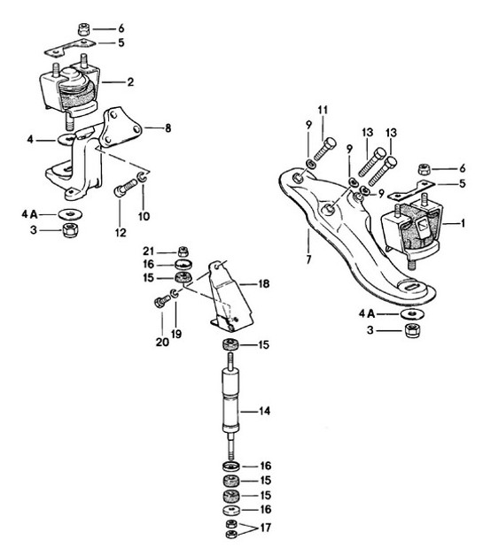
Sospensione motore 924 1980-1985 - PORSCHE

Fai clic sui numeri delle immagini per visualizzare le info del prodotto

Diagram 109-000 Porsche 944 (1982-1991) SKU: PCG199301A, montaggio in gomma incollata SKU: PCG199303A, montaggio in gomma incollata SKU: N0211311, controdado vm 12 SKU: N0211311, controdado vm 12 SKU: 80319934H, rondella 13 x 31 SKU: 99902511902, rondella SKU: 99902511902, rondella SKU: 477199311A, piatto SKU: 477199311A, piatto SKU: N0221492, controdado vm 10 SKU: N0221492, controdado vm 10 SKU: 477199305C, staffa,SKU: 93137502101, staffa SKU: 477199308C, staffa,SKU: 93137512400, staffa SKU: N0122314, rondella elastica a 10 SKU: N0122314, rondella elastica a 10 SKU: 90002701603, anello di bloccaggio b 10 SKU: N0104453, bullone a testa esagonale m 10 x 45 SKU: N0147212, vite a testa bombata m 10 x 25 SKU: N0104602, bullone a testa esagonale m 10 x 60 SKU: N0104602, bullone a testa esagonale m 10 x 60 109-000