Inserisci il tuo numero di partiva IVA qui e fai clic su Verifica:
Nessuna necessità di inserire la parte del numero di partita IVA relativa al codice del paese poiché questa è già stato selezionata nel predetto indirizzo di fatturazione.
I tuoi dati sono stati verificati. Numero di partita IVA registrato a:
,
.
Al tuo ordine sarà applicata un’aliquota pari a zero ai fini dell’IVA. Ci riserviamo il diritto di verificare questi dettagli dopo che la tua richiesta d’ordine è stata fatta e di reintegrare l’IVA se necessario.
I tuoi dati IVA non sono stati riconosciuti o non erano validi. Il tuo numero di partita IVA deve corrispondere al tuo paese di fatturazione come specificato sopra. Attualmente è specificato come . Non occorre inserire inserire la parte del numero di partita IVA relativa al codice del paese poiché questa è già stato selezionata nei dettagli del predetto indirizzo di fatturazione.
Il servizio di verifica della partita IVA è attualmente offline. Per favore fornisci i tuoi dati IVA all’interno dei commenti o nel campo delle istruzioni speciali sotto e noi applicheremo uno sconto IVA dopo aver fatto la richiesta d’ordine.
Porsche
Porsche per Porsche
Ricambi originali Porsche e prodotti lifestyle per i modelli Porsche di Design911
Uno sguardo veloce alla Porsche
Le informazioni Porsche presenti in questa pagina si basano sui dettagli forniti dal produttore o dal distributore, oltre a eventuali riferimenti OE forniti con i pezzi.
Scegliere la soluzione giusta per la tua Porsche
Nei casi in cui Porsche sia presente nell'elenco, utilizzare la copertura del modello e i riferimenti OE forniti per verificarne l'idoneità. Verificare i dettagli che comunemente influiscono sul montaggio, come anno del modello, lato/posizione e tipo di connettore, se pertinente.
- I motivi tipici per cui le persone sostituiscono queste parti includono il mantenimento dell'originalità, il rispetto delle specifiche di fabbrica e la scelta delle ultime revisioni originali per maggiore tranquillità.
- I problemi reali più comuni dietro molte riparazioni Porsche sono l'età e il chilometraggio: perdite d'olio, affaticamento del sistema di raffreddamento, usura di freni e sospensioni, corrosione e guasti elettrici dovuti a umidità o cicli di calore.
- Prima di ordinare, verificare i codici dei componenti in base al VIN o ai codici opzione/PR, in particolare per i componenti complessi o critici per la sicurezza.
- Quando si effettua un aggiornamento, bisogna decidere se si desidera la pura originalità o cambiamenti nelle prestazioni, poiché alcune opzioni aftermarket potrebbero soddisfare obiettivi specifici meglio di quelle originali.
- Per lavori più grandi, sostituire contemporaneamente guarnizioni, hardware e materiali di consumo per evitare lavori ripetuti e problemi di compatibilità.
- Se disponibili, seguire le istruzioni di montaggio e rodaggio fornite dal produttore per ottenere le migliori prestazioni e la massima durata.
Sfoglia per categoria
Se conosci già l'area su cui stai lavorando, inizia con la categoria e poi filtra per modello Porsche. Laddove vengono forniti sintomi reali e motivi tipici per la sostituzione, usali per mantenere la formulazione concisa.
Freni — I componenti dei freni vengono rinnovati per ripristinare le prestazioni di frenata, correggere l'usura o potenziare una Porsche per un uso veloce su strada o in pista. I sintomi più comuni includono: vibrazioni in frenata, aumento della distanza di arresto, stridio, trazione laterale, spie di avvertimento e usura visibile di dischi e pastiglie.
- Verificare se i pezzi sono ricambi equivalenti agli originali o miglioramenti delle prestazioni e confrontarli con l'utilizzo della Porsche.
- Seguire la procedura di rodaggio consigliata e valutare la sostituzione di dischi, pastiglie, sensori e l'assemblaggio dell'hardware quando consigliato.
Abbigliamento e regali: l'abbigliamento e i regali a tema Porsche permettono ai proprietari e agli appassionati di mostrare la propria passione anche fuori strada, o sono regali ideali per gli appassionati del marchio. I sintomi più comuni includono: gli articoli possono usurarsi, sbiadire, danneggiarsi o passare di moda, rendendo necessaria la sostituzione con modelli più recenti.
- Esamina i dettagli relativi a dimensioni, colori e materiali disponibili per scegliere l'articolo giusto e assicurarti che sia adatto all'uso che ne farai.
- Consultare le istruzioni per la cura e il lavaggio affinché i capi e gli accessori mantengano il loro aspetto più a lungo.
Stile di vita — Per scoprire diversi prodotti lifestyle o idee regalo ispirati a Porsche. I sintomi più comuni includono: usura generale dovuta alla manipolazione o all'esposizione.
- Verificare se gli articoli sono prodotti ufficiali Porsche Lifestyle o provengono da marchi partner di fiducia, ove indicato.
- Per selezionare lo stile o il tipo di prodotto più adatto, considera a chi è destinato l'articolo e come verrà utilizzato quotidianamente.
Portachiavi — Per scegliere un design, un materiale o un modello diverso. Sintomi comuni includono: graffi, finiture usurate o parti allentate.
- I portachiavi sono regali semplici e pratici a tema Porsche e possono essere abbinati a modelli specifici o a modelli storici, ove disponibili.
- Se un portachiavi risulta danneggiato o allentato, sostituirlo per evitare di perdere le chiavi o di usurare ulteriormente le finiture.
Tabella delle taglie — La tabella delle taglie è uno strumento di riferimento pratico per tutti gli acquisti di abbigliamento. I sintomi più comuni includono:
Scopri Porsche su Design911
Visualizza l'attuale gamma Porsche su Design911, quindi filtra per modello e categoria per restringere la ricerca ai ricambi giusti.

Si adatta:
Porsche 991.1 GT3 >> - 14.03.2014
FA >> A9-ES183 655
F >> 99-ES181 735
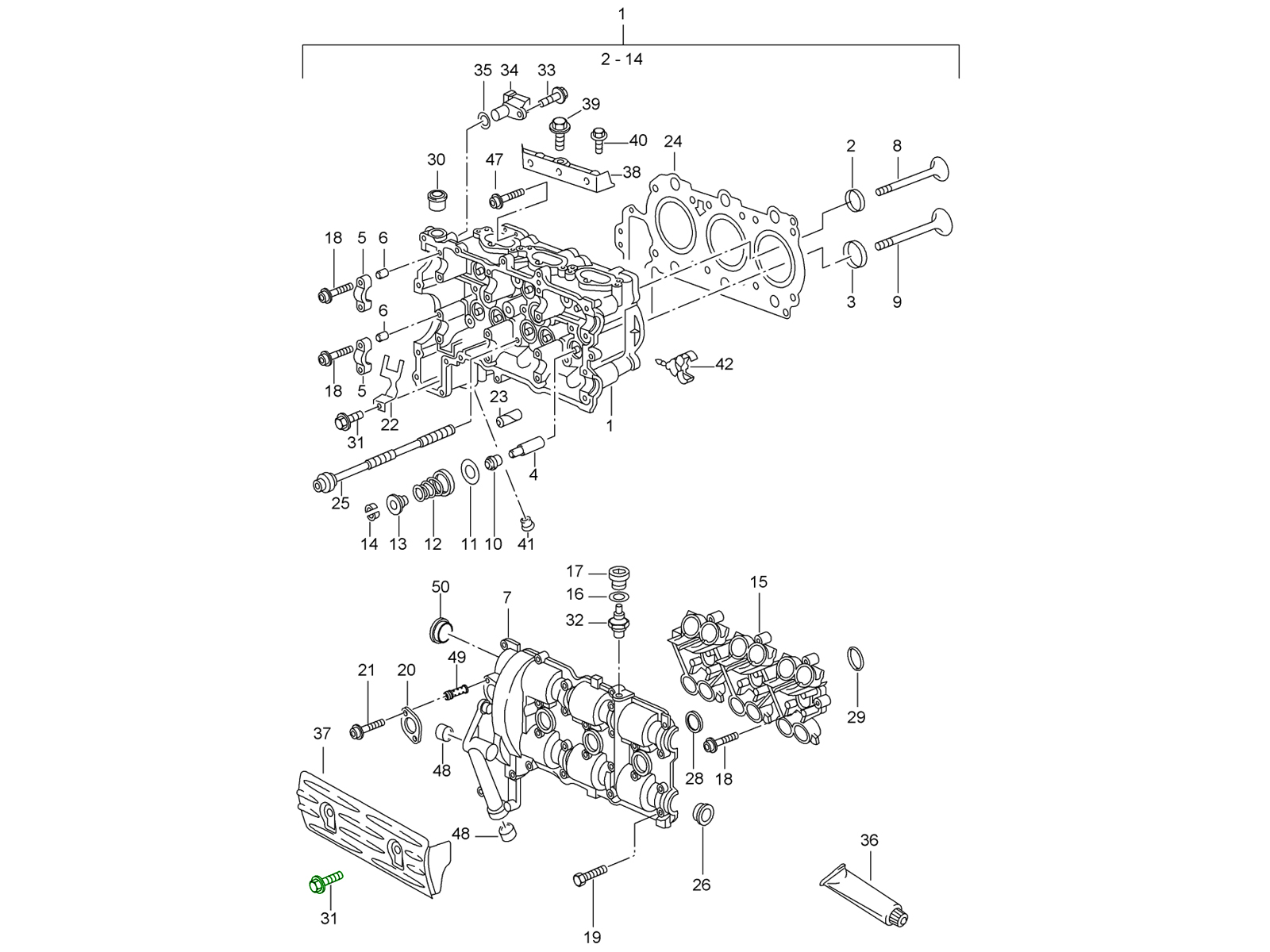
Fai clic su "Ingrandisci" per il diagramma delle parti di grandi dimensioni.
Diagramma rif. 5
Numeri di riferimento correlati
Numeri correlati, sostituiti, riferimenti incrociati o alternativi per il confronto.
99135513080
Il prodotto che stai visualizzando fa riferimento a questi numeri
- Porsche 991.1 GT3 3.8L (475 Bhp) 2014-16

Si adatta:
Porsche 981 Boxster 2012-16
Porsche 981SP Boxster Spyder 2016
Porsche 982 Boxster 2017>>
Porsche 981C Cayman 2012-16
Porsche 981 Cayman GT4 2016
Porsche 982C Cayman 2017>>
Porsche 991.1 Carrera 2012-16
Porsche 991.2 Carrera 2017-19
Porsche 991 GT3 4.0L 2013-17
Fai clic su "Ingrandisci" per il diagramma delle parti di grandi dimensioni.
Diagramma rif. n. 23
Numeri di riferimento correlati
Numeri correlati, sostituiti, riferimenti incrociati o alternativi per il confronto.
99110654601
Il prodotto che stai visualizzando fa riferimento a questi numeri
- Porsche Boxster 981 2.7L 2012-16
- Porsche Boxster 981 S / GTS 3.4L 2012-16
- Porsche Boxster 981 Spyder 3.8L 2016
- Porsche Boxster 718 2.0L Manual (300 Bhp) 2017>>
- Porsche Boxster 718 2.0L PDK (300 Bhp) 2017>>
- Porsche Boxster S 718 2.5L Manual (350 Bhp) 05/2017>>
- Porsche Boxster S 718 2.5L PDK (350 Bhp) 05/2017>>
- Porsche Boxster T 718 2.0L Manual (300 Bhp) 01/2019>>
- Porsche Boxster T 718 2.0L PDK (300 Bhp) 01/2019>>
- Porsche Boxster GTS 718 2.5L Manual (365 Bhp) 05/2017>>
- Porsche Boxster GTS 718 2.5L PDK (365 Bhp) 05/2017>>
- Porsche Boxster GTS 718 4.0L Manual (400 Bhp) 01/2019>>
- Porsche Boxster GTS 718 4.0L PDK (400 Bhp) 01/2019>>
- Porsche Boxster 25 Years 718 4.0L Manual (400 Bhp) 01/2020>>
- Porsche Boxster 25 Years 718 4.0L PDK (400 Bhp) 01/2020>>
- Porsche 991.1 Carrera C2 3.4L (350 Bhp) 2012-16
- Porsche 991.1 Carrera C2S / GTS 3.8L (400/430 Bhp) 2012-16
- Porsche 991.1 Carrera C4 3.4L (350 Bhp) 2012-16
- Porsche 991.1 Carrera C4S / GTS 3.8L (400/430 Bhp) 2012-16
- Porsche 991.1 GT3 RS 4.0L (500 Bhp) 2015-16
- Porsche 991.2 Carrera 2 3.0L (370 Bhp) 2016-19
- Porsche 991.2 Carrera 2S / GTS 3.0L (420/450 Bhp) 2016-19
- Porsche 991.2 Carrera 4 3.0L (370 Bhp) 2016-19
- Porsche 991.2 Carrera 4S / GTS 3.0L (420/450 Bhp) 2016-19
- Porsche 991.2 Cabriolet 2 3.0L (370 Bhp) 2016-19
- Porsche 991.2 Cabriolet 2S / GTS 3.0L (420/450 Bhp) 2016-19
- Porsche 991.2 Cabriolet 4 3.0L (370 Bhp) 2016-19
- Porsche 991.2 Cabriolet 4S / GTS 3.0L (420/450 Bhp) 2016-19
- Porsche 991.2 Targa 4 3.0L (370 Bhp) 2016-19
- Porsche 991.2 Targa 4S / GTS 3.0L (420/450 Bhp) 2016-19
- Porsche 991.2 GT3 4.0L (500 Bhp) / GT3 RS 4.0L (520 Bhp) 2017-19
- Porsche Cayman 2.7L 981 2013-16
- Porsche Cayman S / GTS 3.4L 981 2013-16
- Porsche Cayman GT4 3.8L 2015-16
- Porsche Cayman 718 2.0L Manual (300 Bhp)
- Porsche Cayman 718 2.0L PDK (300 Bhp)
- Porsche Cayman S 718 2.5L Manual (350 Bhp)
- Porsche Cayman S 718 2.5L PDK (350 Bhp)
- Porsche Cayman T 718 2.0L Manual (300 Bhp)
- Porsche Cayman T 718 2.0L PDK (300 Bhp)
- Porsche Cayman GTS 718 2.5L Manual (365 Bhp)
- Porsche Cayman GTS 718 2.5L PDK (365 Bhp)
- Porsche Cayman GTS 718 4.0L Manual (400 Bhp)
- Porsche Cayman GTS 718 4.0L PDK (400 Bhp)

Adatto a:
Auto con cambio manuale a 6 marce (codice opzione: 480)
Porsche 981 Boxster S 2012-16
Porsche 981SP Boxster Spyder 2016
Porsche 982 (718) Boxster 2017>>
Porsche 981C Cayman S 2012-16
Porsche 982C (718C) Cayman 2017>>
Numeri di riferimento correlati
Numeri correlati, sostituiti, riferimenti incrociati o alternativi per il confronto.
981332024
Il prodotto che stai visualizzando fa riferimento a questi numeri
- Porsche Boxster 981 S / GTS 3.4L 2012-16
- Porsche Boxster 981 Spyder 3.8L 2016
- Porsche Boxster 718 2.0L Manual (300 Bhp) 2017>>
- Porsche Cayman S / GTS 3.4L 981 2013-16
- Porsche Cayman 718 2.0L Manual (300 Bhp)

Si adatta:
Porsche 964 1989-94
Fai clic su "Ingrandisci" per il diagramma delle parti di grandi dimensioni.
Diagramma rif. n. 13
Numeri di riferimento correlati
Numeri correlati, sostituiti, riferimenti incrociati o alternativi per il confronto.
96463510300
Il prodotto che stai visualizzando fa riferimento a questi numeri
- Porsche 964 (911) C2 1989-93
- Porsche 964 (911) C4 1989-93
- Porsche 964 (911) RS 3.6L 1991-93
- Porsche 964 (911) RS 3.8L 1991-93
- Porsche 964 (911) TURBO 3.3L 1991-93
- Porsche 964 (911) TURBO 3.6L 1991-93

Si adatta:
Porsche 964 Carrera 2 1989-64 auto con guida a destra
Fai clic su "Ingrandisci" per il diagramma delle parti di grandi dimensioni.
Diagramma rif. 33
Numeri di riferimento correlati
Numeri correlati, sostituiti, riferimenti incrociati o alternativi per il confronto.
96435506400
Il prodotto che stai visualizzando fa riferimento a questi numeri
- Porsche 964 (911) C2 1989-93

Si adatta:
Porsche 955 Cayenne S / Turbo 4.5L 2003-06
Fai clic su "Ingrandisci" per il diagramma delle parti di grandi dimensioni.
Diagramma rif. n. 31
Numeri di riferimento correlati
Numeri correlati, sostituiti, riferimenti incrociati o alternativi per il confronto.
95520136603
Il prodotto che stai visualizzando fa riferimento a questi numeri
- Porsche 955 Cayenne S 4.5L V8 2003-06
- Porsche 955 Cayenne Turbo 4.5L 2003-06
- Porsche 955 Cayenne Turbo S 4.5L 2006>>

Si adatta:
Porsche 955 Cayenne 3.2L 2004-06 (modello: 022Y)
Fai clic su "Ingrandisci" per il diagramma delle parti di grandi dimensioni.
Diagramma rif. n. 22
Numeri di riferimento correlati
Numeri correlati, sostituiti, riferimenti incrociati o alternativi per il confronto.
95510483101
Il prodotto che stai visualizzando fa riferimento a questi numeri
- Porsche 955 Cayenne 3.2L V6 2003-06

Si adatta:
Porsche 928 S 1985-86 Cambio manuale G2810 / G2811
Porsche 928 S4 1987-91 Cambio manuale G2812 / G2813
Porsche 928 GT 1988-91 Cambio manuale G2855
Porsche 928 GTS 1992-95 Cambio manuale G2857
Fai clic su "Ingrandisci" per il diagramma delle parti di grandi dimensioni.
Diagramma rif. n. 21
Numeri di riferimento correlati
Numeri correlati, sostituiti, riferimenti incrociati o alternativi per il confronto.
92830226609
Il prodotto che stai visualizzando fa riferimento a questi numeri
- Porsche 928S2 4.7L 1984-86
- Porsche 928S4 5.0L 1987-92
- Porsche 928GT 5.0L 1989-91
- Porsche 928GTS 5.4L 1992-95

Si adatta:
Porsche 911 1974-89
Numeri di riferimento correlati
Numeri correlati, sostituiti, riferimenti incrociati o alternativi per il confronto.
91161710602
Il prodotto che stai visualizzando fa riferimento a questi numeri
- Porsche 911 1974-1977 2.7L / 1976-77 3.0 Carrera
- Porsche 911 1978-1983 3.0L / SC
- Porsche 911 1984-1986 3.2L
- Porsche 911 1987-1989 3.2L G50
- Porsche 911 1975-1977 3.0L Turbo (930)
- Porsche 911 1978-1989 3.3L Turbo (930)

Si adatta:
Porsche 911 1969-89
Porsche 930 1975-89
Porsche 924 1976-85 auto con guida a destra
Porsche 924 S 1986-88 con guida a destra
Porsche 944 1982-85 auto con guida a destra
Fai clic su "Ingrandisci" per il diagramma delle parti di grandi dimensioni.
Diagramma rif. n. 13
Numeri di riferimento correlati
Numeri correlati, sostituiti, riferimenti incrociati o alternativi per il confronto.
90157390601
Il prodotto che stai visualizzando fa riferimento a questi numeri
- Porsche 911 1968-1973 2.2L / 2.4L / 2.7L RS LWB (F)
- Porsche 911 1974-1977 2.7L / 1976-77 3.0 Carrera
- Porsche 911 1978-1983 3.0L / SC
- Porsche 911 1984-1986 3.2L
- Porsche 911 1987-1989 3.2L G50
- Porsche 911 1975-1977 3.0L Turbo (930)
- Porsche 911 1978-1989 3.3L Turbo (930)
- Porsche 924 2.0L 1976-79
- Porsche 924 2.0L 1980-85
- Porsche 924 Turbo 2.0L 1979-81
- Porsche 924 Turbo 2.0L 1982-84
- Porsche 924 Carrera GT 2.0L 1981
- Porsche 924 Carrera GTS 2.0L 1982
- Porsche 924S 2.5L 1986-87
- Porsche 924S 2.5L 1988
- Porsche 944 2.5L 8V 1982-87

Si adatta:
Porsche 992.1 Carrera 2019>>
Porsche 992.1 Turbo 2020>>
Fai clic su "Ingrandisci" per il diagramma delle parti di grandi dimensioni.
Diagramma rif. n. 3
Numeri di riferimento correlati
Numeri correlati, sostituiti, riferimenti incrociati o alternativi per il confronto.
992927225B6N3
Il prodotto che stai visualizzando fa riferimento a questi numeri
- Porsche 992.1 Carrera 2 3.0L 2019-24
- Porsche 992.1 Carrera 4 3.0L 2019-24
- Porsche 992.1 Carrera 2 Cabriolet 3.0L 2019-24
- Porsche 992.1 Carrera 4 Cabriolet 3.0L 2019-24
- Porsche 992.1 Carrera 2S / GTS 3.0L 2019-24
- Porsche 992.1 Carrera 4S / GTS 3.0L 2019-24
- Porsche 992.1 Carrera 2S / GTS Cabriolet 3.0L 2019-24
- Porsche 992.1 Carrera 4S / GTS Cabriolet 3.0L 2019-24
- Porsche 992.1 Targa 4 3.0L 2020-24
- Porsche 992.1 Targa 4S / GTS 3.0L 2020-24
- Porsche 992.1 Speedster 4.0L 2019-24
- Porsche 992.1 Turbo 3.8L 2020-24
- Porsche 992.1 Turbo S 3.8L 2020-24
- Porsche 992.1 Turbo Cabriolet 3.8L 2020-24
- Porsche 992.1 Turbo S Cabriolet 3.8L 2020-24
- Porsche 992.1 (911) Sport Classic 3.8L 2023
per vetture senza disco freno in ceramica

Si adatta:
Porsche 992.1 Carrera 2019>>
Auto con equipaggiamento sportivo (codici opzione: A8F+1LR,1LS),
Dischi freno anteriori per ruote da 17", pinze Rosso/Nero
Porsche 982 Boxster GTS 4.0L
Porsche 987C Cayman GTS 4.0L
Numeri di riferimento correlati
Numeri correlati, sostituiti, riferimenti incrociati o alternativi per il confronto.
992698451H
Il prodotto che stai visualizzando fa riferimento a questi numeri
- Porsche Boxster GTS 718 4.0L Manual (400 Bhp) 01/2019>>
- Porsche Boxster GTS 718 4.0L PDK (400 Bhp) 01/2019>>
- Porsche 992.1 Carrera 2 3.0L 2019-24
- Porsche 992.1 Carrera 4 3.0L 2019-24
- Porsche 992.1 Carrera 2 Cabriolet 3.0L 2019-24
- Porsche 992.1 Carrera 4 Cabriolet 3.0L 2019-24
- Porsche 992.1 Carrera 2S / GTS 3.0L 2019-24
- Porsche 992.1 Carrera 4S / GTS 3.0L 2019-24
- Porsche 992.1 Carrera 2S / GTS Cabriolet 3.0L 2019-24
- Porsche 992.1 Carrera 4S / GTS Cabriolet 3.0L 2019-24
- Porsche 992.1 Targa 4 3.0L 2020-24
- Porsche 992.1 Targa 4S / GTS 3.0L 2020-24
- Porsche Cayman GTS 718 4.0L Manual (400 Bhp)
- Porsche Cayman GTS 718 4.0L PDK (400 Bhp)
per vetture senza disco freno in ceramica

Si adatta:
Porsche 992.1 C2S / C4S 2019>>
Auto con equipaggiamento sportivo (codici opzione: A8F+1LR,1LS),
Dischi freno anteriori per ruote da 17", pinze Rosso/Nero
Porsche 982 Boxster GTS 4.0L
Porsche 987C Cayman GTS 4.0L
Numeri di riferimento correlati
Numeri correlati, sostituiti, riferimenti incrociati o alternativi per il confronto.
992698151H
Il prodotto che stai visualizzando fa riferimento a questi numeri
- Porsche Boxster GTS 718 4.0L Manual (400 Bhp) 01/2019>>
- Porsche Boxster GTS 718 4.0L PDK (400 Bhp) 01/2019>>
- Porsche 992.1 Carrera 2S / GTS 3.0L 2019-24
- Porsche 992.1 Carrera 4S / GTS 3.0L 2019-24
- Porsche 992.1 Carrera 2S / GTS Cabriolet 3.0L 2019-24
- Porsche 992.1 Carrera 4S / GTS Cabriolet 3.0L 2019-24
- Porsche 992.1 Targa 4S / GTS 3.0L 2020-24
- Porsche Cayman GTS 718 4.0L Manual (400 Bhp)
- Porsche Cayman GTS 718 4.0L PDK (400 Bhp)

Si adatta:
Porsche 992.1 Carrera 2019>> con cambio PDK
Porsche 992.1 Turbo 2020>> con cambio PDK
Fai clic su "Ingrandisci" per il diagramma delle parti di grandi dimensioni.
Diagramma rif. 4
Numeri di riferimento correlati
Numeri correlati, sostituiti, riferimenti incrociati o alternativi per il confronto.
992399151C
Il prodotto che stai visualizzando fa riferimento a questi numeri
- Porsche 992.1 Carrera 2 3.0L 2019-24
- Porsche 992.1 Carrera 4 3.0L 2019-24
- Porsche 992.1 Carrera 2 Cabriolet 3.0L 2019-24
- Porsche 992.1 Carrera 4 Cabriolet 3.0L 2019-24
- Porsche 992.1 Carrera 2S / GTS 3.0L 2019-24
- Porsche 992.1 Carrera 4S / GTS 3.0L 2019-24
- Porsche 992.1 Carrera 2S / GTS Cabriolet 3.0L 2019-24
- Porsche 992.1 Carrera 4S / GTS Cabriolet 3.0L 2019-24
- Porsche 992.1 Targa 4 3.0L 2020-24
- Porsche 992.1 Targa 4S / GTS 3.0L 2020-24
- Porsche 992.1 Speedster 4.0L 2019-24
- Porsche 992.1 Turbo 3.8L 2020-24
- Porsche 992.1 Turbo S 3.8L 2020-24
- Porsche 992.1 Turbo Cabriolet 3.8L 2020-24
- Porsche 992.1 Turbo S Cabriolet 3.8L 2020-24
- Porsche 992.1 (911) Sport Classic 3.8L 2023
- Porsche 992.1 (911) Dakar 3.0L 2023-24

Si adatta:
vetture con codice opzione: 1A2 - Iniezione diretta di benzina (DFI)
Porsche 971.1 Panamera 2017-21
Porsche 971.2 Panamera 2021>>
non per i modelli e-hybrid
Fai clic su "Ingrandisci" per il diagramma delle parti di grandi dimensioni.
Diagramma rif. n. 11
Numeri di riferimento correlati
Numeri correlati, sostituiti, riferimenti incrociati o alternativi per il confronto.
974809857F
Il prodotto che stai visualizzando fa riferimento a questi numeri
- Porsche 971.1 Panamera V6 3.0L 2WD (330 Hp) 2017-20
- Porsche 971.1 Panamera 4 V6 3.0L 4WD (330 Hp) 2017-20
- Porsche 971.1 Panamera 4 V6 3.0L 4WD Executive 2017-20
- Porsche 971.1 Panamera 4 3.0L Turbocharged V6 Sport Turismo 2017-20
- Porsche 971.1 Panamera 4S V6 3.0L 4WD (440 Hp) 2017-20
- Porsche 971.1 Panamera 4S V6 3.0L 4WD Executive 2017-20
- Porsche 971.1 Panamera 4S 2.9L Twin-Turbo V6 Sport Turismo 2017-20
- Porsche 971.1 Panamera Turbo V8 4.0L 4WD (550 Hp) 2017-20
- Porsche 971.1 Panamera Turbo V8 4.0L 4WD Executive 2017-20
- Porsche 971.1 Panamera Turbo 4.0L Twin-Turbo V8 Sport Turismo 2017-20
- Porsche 971.2 Panamera 2.9L V6 2021-23
- Porsche 971.2 Panamera 4 2.9L V6 2021-23
- Porsche 971.2 Panamera 4 Sport Turismo 2.9L V6 2021-23
- Porsche 971.2 Panamera 4S 2.9L V6 2021-23
- Porsche 971.2 Panamera 4S Sport Turismo 2.9L V6 2021-23
- Porsche 971.2 Panamera GTS 4.0L V8 2021-23
- Porsche 971.2 Panamera GTS Sport Turismo 4.0L V8 2021-23
- Porsche 971.2 Panamera Turbo S 4.0L V8 2021-23
- Porsche 971.2 Panamera Turbo S Sport Turismo 4.0L V8 2021-23

Tachimetro revisionato.

Si adatta:
Cambio Tiptronic Porsche 964 1990-94
Porsche 993 1995-98 Cambio Tiptronic e computer di bordo (PR:659)
- NOTARE CHE:
- Il supplemento per questa parte ricondizionata sarà rimborsato quando l'unità sostitutiva verrà ricevuta e approvata da noi e dal relativo produttore.
- Tieni presente che i rimborsi dei supplementi spesso richiedono in media dalle 6 alle 8 settimane per essere approvati dal produttore.
- L'accettazione della parte sostitutiva è a discrezione del produttore, in base all'idoneità della parte per il ricondizionamento.
- Tutti i supplementi e gli scambi sono soggetti ai nostri termini e condizioni.
Numeri di riferimento correlati
Numeri correlati, sostituiti, riferimenti incrociati o alternativi per il confronto.
964641526X
Il prodotto che stai visualizzando fa riferimento a questi numeri
- Porsche 964 (911) C2 1989-93
- Porsche 964 (911) C4 1989-93
- Porsche 964 (911) RS 3.6L 1991-93
- Porsche 964 (911) RS 3.8L 1991-93
- Porsche 964 (911) TURBO 3.3L 1991-93
- Porsche 964 (911) TURBO 3.6L 1991-93
- Porsche 993 (911) C2 1994-97
- Porsche 993 (911) C4 1994-97
- Porsche 993 (911) RS 1994-97
- Porsche 993 (911) C2S 1994-97
- Porsche 993 (911) C4S 1994-97
- Porsche 993 (911) TURBO 1994-96
- Porsche 993 (911) GT2 1994-97
- Porsche 993 (911) TURBO S 1994-97