Porsche
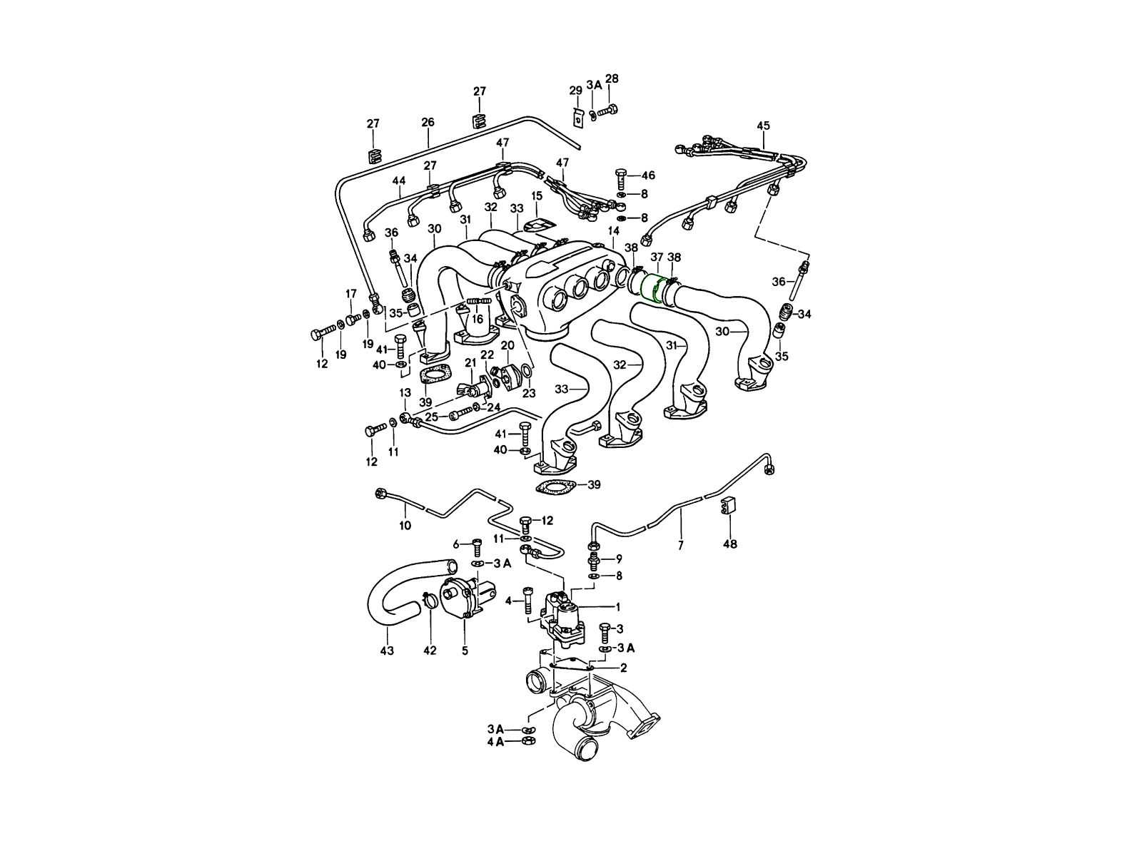
Il manicotto in gomma Porsche per aspirazione aria è un ricambio originale OEM progettato per garantire una connessione sicura e a tenuta stagna all'interno del sistema di aspirazione aria. Utilizzato sui modelli Porsche 928 classici (1978-1984) e su alcuni modelli 911 SC (1978-1979), questo manicotto in gomma collega i componenti rigidi dell'aspirazione, assorbendo al contempo vibrazioni e movimenti.
Venduto singolarmente , ne servono 6 o 8 per veicolo, a seconda del modello del veicolo
Adatto a:
Porsche 911 SC 1978 - 1983
Porsche 928 4.5L 1978 - 1979 con tipo di motore: 2801
Porsche 928 4.7L 1983 - 1984
con tipo di motore: 2819, 2820 * Solo modelli USA, Canada, Giappone
Schema rif. n. 10 (per 911) o 37 (per 928)
Il manicotto in gomma funge da guarnizione e da tubo flessibile tra le parti rigide del sistema di aspirazione (ad esempio tra l'airbox, il collettore di aspirazione o il distributore, a seconda della configurazione). Garantisce il corretto passaggio dell'aria senza perdite.
Sintomi di una manica usurata:
- Minimo irregolare o funzionamento irregolare, perché l'aria fuoriesce (aria non dosata), alterando la miscela.
- Sibili o fischi provenienti da sotto il cofano, in particolare nella zona in cui si trova il manicotto.
- Difficoltà di avviamento o esitazione in accelerazione, soprattutto se la perdita influisce sul flusso d'aria sotto carico.
- Prestazioni ridotte o mancanza di risposta dell'acceleratore.
- Possibili spie/codici di avvertenza del motore relativi al flusso d'aria, alla miscela aria/carburante o alle perdite di vuoto.
- Previene le perdite d'aria che possono portare a miscele ricche o magre, scarsa risposta dell'acceleratore, minore efficienza del carburante e possibili danni al motore nel tempo.
- Aiuta a mantenere il funzionamento regolare e l'affidabilità dei vecchi motori Porsche, dove perdite o tubi di gomma danneggiati sono punti deboli comuni.
- Preserva la salute del motore garantendo il corretto rapporto aria/carburante. L'aria non dosata può contribuire alla detonazione o allo stress dei componenti.
- Mantiene le specifiche OEM: l'utilizzo di un manicotto in gomma di buona qualità e delle dimensioni corrette contribuisce a garantire vestibilità, tenuta e durata.
Numeri di riferimento correlati
Numeri correlati, sostituiti, riferimenti incrociati o alternativi per il confronto.
92811015801
Il prodotto che stai visualizzando fa riferimento a questi numeri
- Porsche 911 1978-1983 3.0L / SC
- Porsche 928 4.5L 1978-82
- Porsche 928S 4.7L 1981-83
Adatto a:
Porsche 970 Panamera - dal 2009 al 2016
Porsche 971 Panamera - dal 2017 al 2023
Porsche 9YA Cayenne V8 4.0ltr - dal 2018 al 2023
Porsche 991 - dal 2012 al 2019*
*Per 991.1 utilizzare anche il telaio di modifica 99161294400
Numeri di riferimento correlati
Numeri correlati, sostituiti, riferimenti incrociati o alternativi per il confronto.
9A7906283
Il prodotto che stai visualizzando fa riferimento a questi numeri
- Porsche 991.1 Carrera C2 3.4L (350Bhp) 2012-16
- Porsche 991.1 Carrera C2S 3.8L (400Bhp) 2012-16
- Porsche 991.1 Carrera C4 3.4L (350Bhp) 2012-16
- Porsche 991.1 Carrera C4S 3.8L (400Bhp) 2012-16
- Porsche 991.1 Turbo 3.8L (520bhp) 2014-16
- Porsche 991.1 Turbo S 3.8L (560Bhp) 2014-16
- Porsche 991.1 R 4.0L (500 Bhp) 2016
- Porsche 991.1 GT3 3.8L (475Bhp) 2014-16
- Porsche 991.1 GT3 RS 4.0L (500Bhp) 2015-16
- Porsche 991.2 Carrera 2 3.0L (370 Bhp) 2016-19
- Porsche 991.2 Carrera 2S 3.0L (420 Bhp) 2016-19
- Porsche 991.2 Carrera 4 3.0L (370 Bhp) 2016-19
- Porsche 991.2 Carrera 4S 3.0L (420 Bhp) 2016-19
- Porsche 991.2 Cabriolet 2 3.0L (370 Bhp) 2016-19
- Porsche 991.2 Cabriolet 2S 3.0L (420 Bhp) 2016-19
- Porsche 991.2 Cabriolet 4 3.0L (370 Bhp) 2016-19
- Porsche 991.2 Cabriolet 4S 3.0L (420 Bhp) 2016-19
- Porsche 991.2 Targa 4 3.0L (370 Bhp) 2016-19
- Porsche 991.2 Targa 4S 3.0L (420 Bhp) 2016-19
- Porsche 991.2 Turbo Coupe 3.8L (540 Bhp) 2016-19
- Porsche 991.2 Turbo S Coupe 3.8L (580 Bhp) 2016-19
- Porsche 991.2 Turbo Cabriolet 3.8L (540 Bhp) 2016-19
- Porsche 991.2 Turbo S Cabriolet 3.8L (580 Bhp) 2016-19
- Porsche 991.2 Speedster 4.0L (510Bhp) 2019
- Porsche 991.2 GT3 4.0L (500 Bhp) / GT3 RS 4.0L (520 Bhp) 2017-19
- Porsche 991.2 GT2 RS 3.8L PDK (700 bhp) 2018-19
- Porsche Cayman GT4 718 4.0L / GT4 RS 718 4.0L
- Porsche 9YA Cayenne GTS V8 4.0L Petrol 460Hp 2020-23
- Porsche 9YA Cayenne Coupe GTS V8 4.0L Petrol 460Hp 2021-23
- Porsche 9YA Cayenne Turbo V8 4.0L Petrol 550Hp 2020-23
- Porsche 9YA Cayenne Coupe Turbo V8 4.0L Petrol 550Hp 2019-23
- Porsche 9YA Cayenne Turbo S E-Hybrid V8 4.0L 550Hp 2019-23
- Porsche 9YA Cayenne Coupe Turbo S E-Hybrid V8 4.0L 550Hp 2020-23
- Porsche 9YA Cayenne Coupe Turbo GT V8 4.0L 640Hp 2021-23
- Porsche 970.1 Panamera V6 3.6L 2WD 2009-13
- Porsche 970.1 Panamera 4 V6 3.6L 4WD 2009-13
- Porsche 970.1 Panamera S V8 4.8L 2009-13
- Porsche 970.1 Panamera 4S V8 4.8L 2009-13
- Porsche 970.1 Panamera GTS V8 4.8L 2011-13
- Porsche 970.1 Panamera Turbo V8 4.8L 2009-13
- Porsche 970.1 Panamera Turbo S V8 4.8L 2009-13
- Porsche 970.1 Panamera Diesel V6 3.0L 2011-13
- Porsche 970.1 Panamera S Hybrid V6 3.0L 2011-13
- Porsche 970.2 Panamera V6 3.6L 2WD (310Hp) 2014-16
- Porsche 970.2 Panamera 4 V6 3.6L 4WD (310Hp) 2014-16
- Porsche 970.2 Panamera S V6 Turbo 3.0L 2WD (420Hp) 2014-16
- Porsche 970.2 Panamera S V6 Turbo 3.0L 2WD Executive 2014-16
- Porsche 970.2 Panamera 4S V6 Turbo 3.0L 4WD (420Hp) 2014-16
- Porsche 970.2 Panamera 4S V6 Turbo 3.0L 4WD Executive 2014-16
- Porsche 970.2 Panamera GTS V8 4.8L 4WD (440Hp) 2014-16
- Porsche 970.2 Panamera Turbo V8 4.8L (520Hp) 2014-16
- Porsche 970.2 Panamera Turbo V8 Executive 2014-16
- Porsche 970.2 Panamera Turbo S V8 4.8L 2014-16
- Porsche 970.2 Panamera Diesel V6 3.0L (250Hp) 2014-16
- Porsche 970.2 Panamera S E-Hybrid V6 3.0L (416Hp) 2014-16
- Porsche 971.1 Panamera V6 3.0L 2WD (330 Hp) 2017-20
- Porsche 971.1 Panamera 4 V6 3.0L 4WD (330 Hp) 2017-20
- Porsche 971.1 Panamera 4 V6 3.0L 4WD Executive 2017-20
- Porsche 971.1 Panamera 4 3.0L Turbocharged V6 Sport Turismo 2017-20
- Porsche 971.1 Panamera 4S V6 3.0L 4WD (440 Hp) 2017-20
- Porsche 971.1 Panamera 4S V6 3.0L 4WD Executive 2017-20
- Porsche 971.1 Panamera 4S 2.9L Twin-Turbo V6 Sport Turismo 2017-20
- Porsche 971.1 Panamera 4S Diesel V8 4.0L 4WD (422 Hp) 2017-18
- Porsche 971.1 Panamera 4S Diesel 4.0L Twin-Turbo V8 Sport Turismo 2017-18
- Porsche 971.1 Panamera 4 E-Hybrid V6 2.9L 4WD 2017-20
- Porsche 971.1 Panamera 4 E-Hybrid V6 2.9L 4WD Executive 2017-20
- Porsche 971.1 Panamera 4 E-Hybrid 2.9L Twin-Turbo V6 Sport Turismo 2017-20
- Porsche 971.1 Panamera Turbo V8 4.0L 4WD (550 Hp) 2017-20
- Porsche 971.1 Panamera Turbo V8 4.0L 4WD Executive 2017-20
- Porsche 971.1 Panamera Turbo 4.0L Twin-Turbo V8 Sport Turismo 2017-20
- Porsche 971.1 Panamera Turbo S E-Hybrid V8 4.0L 4WD 2017-20
- Porsche 971.1 Panamera Turbo S E-Hybrid V8 4.0L 4WD Executive 2017-20
- Porsche 971.2 Panamera 2.9L V6 2021-23
- Porsche 971.2 Panamera 4 2.9L V6 2021-23
- Porsche 971.2 Panamera 4 Sport Turismo 2.9L V6 2021-23
- Porsche 971.2 Panamera 4S 2.9L V6 2021-23
- Porsche 971.2 Panamera 4S Sport Turismo 2.9L V6 2021-23
- Porsche 971.2 Panamera 4 E-Hybrid 2.9L V6 2021-23
- Porsche 971.2 Panamera 4 E-Hybrid Sport Turismo 2.9L V6 2021-23
- Porsche 971.2 Panamera 4S E-Hybrid 2.9L V6 2021-23
- Porsche 971.2 Panamera 4S E-Hybrid Sport Turismo 2.9L V6 2021-23
- Porsche 971.2 Panamera GTS 4.0L V8 2021-23
- Porsche 971.2 Panamera GTS Sport Turismo 4.0L V8 2021-23
- Porsche 971.2 Panamera Turbo S 4.0L V8 2021-23
- Porsche 971.2 Panamera Turbo S Sport Turismo 4.0L V8 2021-23
- Porsche 971.2 Panamera Turbo S E-Hybrid 4.0L V8 2021-23
- Porsche 971.2 Panamera Turbo S E-Hybrid Sport Turismo 4.0L V8 2021-23
Questo tubo flessibile del carburante per la pompa di pre-alimentazione è un tubo flessibile del carburante OEM utilizzato sui modelli Porsche 928. Collega il serbatoio del carburante alla pompa del carburante (in particolare alla pompa di pre-alimentazione o pompa nel serbatoio).
Fa parte del sistema di erogazione del carburante: il suo compito è trasmettere in modo sicuro il carburante (sotto una certa pressione) dal serbatoio alla pompa, fornendo carburante in modo che la combustione del motore possa avvenire correttamente.
Adatto a:
- Porsche 928 4.5L 1978-79 (solo per modelli USA, Canada, Giappone e Australia)
- Porsche 928S 4.7L 1981-83 (solo per modelli Giappone e Australia)
- Porsche 928S2 4.7L 1984-86 (solo per modelli Giappone e Australia)
- Porsche 928S4 5.0L 1987-92 (codice opzione 460 - pompa carburante nel serbatoio)
- Porsche 928GT 5.0L 1989-91 (codice optional 460 - pompa carburante nel serbatoio)
- Porsche 928GTS 5.4L 1992-95
Cosa fa questo prodotto:
- Erogazione del carburante : trasporta il carburante dal serbatoio alla pompa di pre-alimentazione, che a sua volta alimenta la pompa principale del carburante (o continua l'erogazione del carburante a seconda della configurazione). Garantisce una linea di alimentazione fluida e ininterrotta.
- Tenuta e tenuta alla pressione : il tubo è progettato per resistere alla pressione del carburante, al calore, alle vibrazioni e all'esposizione a vapori/sostanze chimiche del carburante. Un tubo di qualità previene le perdite, mantiene la pressione e contribuisce a evitare contaminazioni o infiltrazioni d'aria nella linea del carburante.
- Odore di carburante nella zona posteriore/vicino al serbatoio del carburante.
- Perdite di carburante visibili sotto l'auto, soprattutto quando il sistema è pressurizzato.
- Scarse prestazioni del motore , come esitazioni, sobbalzi o spegnimenti dovuti a un apporto di carburante insufficiente.
- Difficoltà di avviamento , in particolare dopo che l'auto è rimasta ferma (l'alimentazione del carburante potrebbe non essere costante).
- Calo della pressione del carburante (se si ha la possibilità di misurarlo) o avvisi provenienti dai sensori del sistema di alimentazione.
- Tubo flessibile morbido/spugnoso , crepe, rigonfiamenti dovuti al calore o all'età.
- Sicurezza : le perdite di carburante rappresentano un rischio di incendio. Un tubo usurato o rotto potrebbe far fuoriuscire carburante nei componenti caldi del motore o nello scarico.
- Affidabilità e prestazioni : garantisce che il sistema di alimentazione mantenga la pressione e l'alimentazione corrette, in modo che il motore funzioni bene sotto carico e non si spenga o non abbia accensioni irregolari.
- Previene i danni : un tubo flessibile difettoso può far lavorare di più la pompa del carburante, danneggiandola o danneggiando altre parti del sistema di erogazione del carburante.
- Mantiene le specifiche OEM : l'utilizzo del tubo flessibile di qualità corretta (lunghezza, diametro, raccordi di collegamento) garantisce un montaggio corretto e riduce i problemi di compatibilità o perdite.
Numeri di riferimento correlati
Numeri correlati, sostituiti, riferimenti incrociati o alternativi per il confronto.
92835655006
Il prodotto che stai visualizzando fa riferimento a questi numeri
- Porsche 928 4.5L 1978-82
- Porsche 928S 4.7L 1981-83
- Porsche 928S2 4.7L 1984-86
- Porsche 928S4 5.0L 1987-92
- Porsche 928GT 5.0L 1989-91
- Porsche 928GTS 5.4L 1992-95
Intercooler per turbocompressore, noto anche come intercooler.
L'intercooler Porsche Charge Air è un componente OEM originale progettato per ottimizzare le prestazioni dei modelli Porsche Panamera turbocompressi (2018-2020). Posizionato tra il turbocompressore e il collettore di aspirazione, l'intercooler raffredda l'aria compressa prima che entri nel motore, garantendo la massima efficienza e un'erogazione di potenza affidabile.
Adatto a:
- Porsche Panamera 4 3.0L Turbo V6 Sport Turismo
- Panamera V6 3.0L 2WD (330 CV)
- Panamera 4 V6 3.0L 4WD (330 CV)
- Panamera 4 V6 3.0L 4WD Executive
- Panamera 4S V6 3.0L 4WD (440 CV)
- Panamera 4S V6 3.0L 4WD Executive
Cosa fa questo prodotto:
L'intercooler raffredda l'aria compressa (sovralimentata) proveniente dai turbocompressori prima che entri nel collettore di aspirazione del motore. L'aria più fredda è più densa, consentendo una maggiore quantità di ossigeno per volume per la combustione, migliorando potenza ed efficienza.
Sintomi di un intercooler difettoso o difettoso:
- Riduzione della potenza del motore, soprattutto in modalità sovralimentazione. Se l'aria entra calda o perde, il motore non riuscirà a erogare la potenza prevista.
- Rumori sibilanti o fischi durante l'accelerazione dovuti a perdite d'aria nell'intercooler o nelle sue tubazioni.
- Spia del motore o altri codici di errore che potrebbero essere correlati alla temperatura dell'aria di aspirazione, alla pressione di sovralimentazione o a problemi del turbocompressore.
- Temperature dell'aria di aspirazione più elevate e l'assorbimento di calore riducono l'efficienza di raffreddamento.
- Possibile scarso consumo di carburante o scarsa risposta dell'acceleratore.
- Mantiene le prestazioni e la reattività del motore : un intercooler funzionante contribuisce a garantire che la spinta sia efficace e costante.
- Previene danni al motore dovuti a battito in testa, preaccensione o surriscaldamento causati dall'aria calda aspirata.
- Aiuta a preservare l'efficienza del carburante e il controllo delle emissioni.
Numeri di riferimento correlati
Numeri correlati, sostituiti, riferimenti incrociati o alternativi per il confronto.
971145805F
Il prodotto che stai visualizzando fa riferimento a questi numeri
- Porsche 971.1 Panamera V6 3.0L 2WD (330 Hp) 2017-20
- Porsche 971.1 Panamera 4 V6 3.0L 4WD (330 Hp) 2017-20
- Porsche 971.1 Panamera 4 V6 3.0L 4WD Executive 2017-20
- Porsche 971.1 Panamera 4 3.0L Turbocharged V6 Sport Turismo 2017-20
- Porsche 971.1 Panamera 4S V6 3.0L 4WD (440 Hp) 2017-20
- Porsche 971.1 Panamera 4S V6 3.0L 4WD Executive 2017-20
L'anello in gomma Porsche per gli indicatori della strumentazione è un ricambio originale OEM progettato per fissare e sigillare indicatori come l'orologio, l'indicatore del livello del carburante o l'indicatore del livello dell'olio all'interno del quadro strumenti. Con un diametro interno di 80 mm, questo anello di serraggio in gomma garantisce una perfetta aderenza, smorzamento delle vibrazioni e stabilità duratura per gli strumenti del cruscotto della tua Porsche.
Venduto singolarmente.
Adatto a:
- Porsche 911 1986 3.2L
- Porsche 911 1987-1989 3.2L G50
- Porsche 964 (911) C2 1989-93
- Porsche 964 (911) C4 1989-93
- Porsche 964 (911)RS 3.6L 1991-93
- Porsche 964 (911)RS 3.8L 1991-93
- Porsche 964 (911) TURBO 3.3L 1991-93
- Porsche 964 (911) TURBO 3.6L 1991-93
- Porsche 993 (911) C2 1994-97
- Porsche 993 (911) C4 1994-97
- Porsche 993 (911) RS 1994-97
- Porsche 993 (911) C2S 1994-97
- Porsche 993 (911) C4S 1994-97
- Porsche 993 (911) TURBO 1994-96
- Porsche 993 (911) GT2 1994-97
- Porsche 993 (911) TURBO S 1994-97
Cosa fa questo prodotto:
- L'anello funge da anello di tenuta/tenuta/bloccaggio attorno agli indicatori della strumentazione (come orologio, indicatori del livello del carburante e dell'olio) nel cruscotto/quadro strumenti. Li mantiene in posizione e fornisce una tenuta o un cuscinetto che consente all'indicatore di essere posizionato correttamente.
- Essendo in gomma, aiuta ad attutire le vibrazioni, a ridurre i rumori e a mantenere una perfetta aderenza, evitando piccoli movimenti dell'indicatore che potrebbero causare rumore o danni.
- Può anche contribuire a sigillare l'ingresso di polvere/umidità leggera, favorendo l'integrità a lungo termine del quadrante/lente dello strumento.
Sintomi quando è usurato o necessita di sostituzione:
- L'indicatore (ad esempio orologio/indicatore del livello dell'olio/livello del carburante) è allentato, tintinna o non è saldamente inserito nel quadro strumenti.
- Polvere leggera o umidità che penetra dietro il quadro strumenti o le lenti dell'orologio.
- Piccole vibrazioni o rumori di scricchiolio provenienti dalla parte posteriore del cruscotto, soprattutto in caso di dossi.
- L'anello di gomma è visibilmente crepato, fragile, deformato o mancante.
- Disallineamento della lunetta o dell'alloggiamento dell'indicatore (l'indicatore potrebbe non essere a filo).
Perché la sostituzione è importante:
L' anello in gomma per gli indicatori della strumentazione può sembrare un piccolo componente, ma svolge un ruolo importante nel quadro strumenti della tua Porsche. Ecco perché è importante mantenerlo in buone condizioni:
- Fissa gli indicatori in posizione - L' anello assicura che indicatori come l'orologio, l'olio o il carburante aderiscano saldamente al quadro strumenti. Senza di esso, gli strumenti potrebbero spostarsi, vibrare o posizionarsi in modo irregolare.
- Previene vibrazioni e rumore - Agendo come un cuscinetto, la gomma assorbe le vibrazioni della strada. Un anello usurato o mancante fa vibrare gli indicatori, creando rumori indesiderati e usurando ulteriormente gli strumenti.
- Protegge da polvere e umidità: la guarnizione aiuta a tenere fuori la polvere fine e l'umidità che possono accumularsi dietro il vetro o danneggiare i delicati componenti elettronici all'interno dell'indicatore.
- Mantiene la finitura degli interni: un nuovo anello di gomma assicura che gli indicatori siano a filo, preservando l'aspetto pulito e di fabbrica del cruscotto.
- Previene danni secondari: i manometri allentati possono usurare i loro alloggiamenti, graffiare le finiture circostanti o persino compromettere i collegamenti elettrici. La sostituzione dell'anello evita questi problemi più gravi e costosi.
Numeri di riferimento correlati
Numeri correlati, sostituiti, riferimenti incrociati o alternativi per il confronto.
91164190101
Il prodotto che stai visualizzando fa riferimento a questi numeri
- Porsche 911 1984-1986 3.2L
- Porsche 911 1987-1989 3.2L G50
- Porsche 964 (911) C2 1989-93
- Porsche 964 (911) C4 1989-93
- Porsche 964 (911) RS 3.6L 1991-93
- Porsche 964 (911) RS 3.8L 1991-93
- Porsche 964 (911) TURBO 3.3L 1991-93
- Porsche 964 (911) TURBO 3.6L 1991-93
- Porsche 993 (911) C2 1994-97
- Porsche 993 (911) C4 1994-97
- Porsche 993 (911) RS 1994-97
- Porsche 993 (911) C2S 1994-97
- Porsche 993 (911) C4S 1994-97
- Porsche 993 (911) TURBO 1994-96
- Porsche 993 (911) GT2 1994-97
- Porsche 993 (911) TURBO S 1994-97
Il modulo sensore paraurti anteriore Porsche è un componente di sicurezza originale OEM progettato per veicoli dotati di sistema di protezione pedoni. Installato nel paraurti anteriore, questo sensore rileva le forze d'impatto e attiva il sistema di cofano attivo, che solleva leggermente il cofano per creare un effetto ammortizzante e ridurre la gravità delle lesioni ai pedoni in caso di collisione.
Venduto singolarmente.
x2 richiesti per auto.
Adatto a:
- Porsche Panamera V6 3.6L 2WD
- Porsche Panamera 4 V6 3.6L 4WD
- Porsche Panamera S V8 4.8L
- Porsche Panamera 4S V8 4.8L
- Porsche Panamera GTS V8 4.8L
- Porsche Panamera Turbo V8 4.8L
- Porsche Panamera Turbo S V8 4.8L
- Porsche Panamera Diesel V6 3.0L
- Porsche Panamera S Hybrid V6 3.0L
071 - Versione nazionale UE
193 - Versione giapponese
- Porsche Panamera V6 3.6L 2WD (310CV)
- Porsche Panamera 4 V6 3.6L 4WD (310 CV)
- Porsche Panamera S V6 Turbo 3.0L 2WD (420 CV)
- Porsche Panamera S V6 Turbo 3.0L 2WD Executive
- Porsche Panamera 4S V6 Turbo 3.0L 4WD (420 CV)
- Porsche Panamera 4S V6 Turbo 3.0L 4WD Executive
- Porsche Panamera GTS V8 4.8L 4WD (440 CV)
- Porsche Panamera Turbo V8 4.8L (520 CV)
- Porsche Panamera Turbo V8 Executive
- Porsche Panamera Turbo S V8 4.8L
- Porsche Panamera Diesel V6 3.0L (250 CV)
- Porsche Panamera S E-Hybrid V6 3.0L (416CV)
0E1 - Passo più corto
0E2 - Passo lungo
Cosa fa questo prodotto:
Il modulo è un sensore di accelerazione/impatto che rileva una collisione, in particolare con un pedone. Quando viene rilevato un evento di questo tipo, il sensore attiva il cofano di protezione pedoni (chiamato anche cofano attivo), che solleva leggermente il cofano per creare uno spazio ammortizzante tra il cofano e i componenti rigidi del motore (riducendo la gravità delle lesioni).
È montato probabilmente dietro o all'interno del paraurti anteriore/cofano, in modo da poter rilevare quando si verifica un impatto sul cofano o sulla parte anteriore dell'auto.
Sintomi/Segni di fallimento:
- Il cofano di protezione dei pedoni non si attiva quando dovrebbe in caso di collisioni a basso impatto (o test).
- Spie di avvertimento o codici di errore nel veicolo relativi alla protezione dei pedoni, al sollevamento del cofano o ai sistemi di sicurezza correlati.
- Il sistema può effettuare autocontrolli (all'accensione) e segnalare eventuali guasti tramite il cruscotto.
- Potenzialmente non ci sono segni evidenti fino a una collisione, ma danni o infiltrazioni d'acqua in quella zona potrebbero compromettere le prestazioni.
- Se il sensore è scollegato, installato in modo errato o i suoi connettori sono corrosi, potrebbe disattivare completamente il sistema del cofano attivo.
- Sicurezza: questo sistema è progettato per proteggere i pedoni. In caso di collisione, ridurre la gravità dell'impatto può salvare vite umane e ridurre i feriti.
- Conformità: in molte regioni, i dispositivi di protezione dei pedoni sono obbligatori per legge. Un sistema non funzionante potrebbe comportare il fallimento delle ispezioni o la non conformità.
- Funzionalità dei sistemi correlati: a volte il meccanismo di sollevamento del cofano o del cofano è collegato a più componenti di sicurezza; un guasto in questo caso potrebbe disattivare altre protezioni o funzioni.
- Integrità del veicolo e valore di rivendita: un sistema di sicurezza funzionante è importante per mantenere il valore e garantire che il veicolo soddisfi le aspettative di sicurezza della fabbrica.
Numeri di riferimento correlati
Numeri correlati, sostituiti, riferimenti incrociati o alternativi per il confronto.
97061822500
Il prodotto che stai visualizzando fa riferimento a questi numeri
- Porsche 970.1 Panamera V6 3.6L 2WD 2009-13
- Porsche 970.1 Panamera 4 V6 3.6L 4WD 2009-13
- Porsche 970.1 Panamera S V8 4.8L 2009-13
- Porsche 970.1 Panamera 4S V8 4.8L 2009-13
- Porsche 970.1 Panamera GTS V8 4.8L 2011-13
- Porsche 970.1 Panamera Turbo V8 4.8L 2009-13
- Porsche 970.1 Panamera Turbo S V8 4.8L 2009-13
- Porsche 970.1 Panamera Diesel V6 3.0L 2011-13
- Porsche 970.1 Panamera S Hybrid V6 3.0L 2011-13
- Porsche 970.2 Panamera V6 3.6L 2WD (310Hp) 2014-16
- Porsche 970.2 Panamera 4 V6 3.6L 4WD (310Hp) 2014-16
- Porsche 970.2 Panamera S V6 Turbo 3.0L 2WD (420Hp) 2014-16
- Porsche 970.2 Panamera S V6 Turbo 3.0L 2WD Executive 2014-16
- Porsche 970.2 Panamera 4S V6 Turbo 3.0L 4WD (420Hp) 2014-16
- Porsche 970.2 Panamera 4S V6 Turbo 3.0L 4WD Executive 2014-16
- Porsche 970.2 Panamera GTS V8 4.8L 4WD (440Hp) 2014-16
- Porsche 970.2 Panamera Turbo V8 4.8L (520Hp) 2014-16
- Porsche 970.2 Panamera Turbo V8 Executive 2014-16
- Porsche 970.2 Panamera Turbo S V8 4.8L 2014-16
- Porsche 970.2 Panamera Diesel V6 3.0L (250Hp) 2014-16
- Porsche 970.2 Panamera S E-Hybrid V6 3.0L (416Hp) 2014-16
L'anello reggispinta Porsche per il cuscinetto dell'albero dello sterzo è un ricambio originale OEM utilizzato nel gruppo piantone dello sterzo dei modelli Porsche classici, tra cui la 356, i primi modelli 911 e 912. Questo anello lavorato con precisione sostiene il cuscinetto dell'albero dello sterzo, mantenendolo correttamente posizionato e allineato per garantire prestazioni di sterzata fluide.
Adatto a:
- Porsche 911 1965-1968 2.0L / 912 SWB (F)
- Porsche 356B 1959-63
- Porsche 356C 1963-65
Cosa fa questo prodotto:
Si inserisce nel supporto del piantone dello sterzo o dell'albero. L'anello fornisce una posizione o una superficie contro cui poggiano o sono supportati il cuscinetto o le molle del cuscinetto dell'albero dello sterzo. Garantisce il corretto allineamento/posizionamento (spinta) del guscio del cuscinetto in modo che l'albero dello sterzo ruoti fluidamente senza eccessivo gioco verticale.
Sintomi di un anello reggispinta difettoso/mancante o danneggiato:
Se questo anello è usurato, mancante, deformato o installato in modo errato (oppure il supporto del cuscinetto con cui interagisce è usurato), potresti notare:
- Gioco o allentamento nell'albero dello sterzo (movimento verticale o assiale): il volante potrebbe sembrare meno solido, soprattutto quando lo si muove su/giù o avanti/indietro.
- Rumore sordo o di battito proveniente dal piantone dello sterzo quando si superano dossi o si svolta, dovuto al fatto che il cuscinetto dell'albero non è supportato correttamente.
- Vibrazione o vibrazione dello sterzo che sembra provenire dal piantone dello sterzo o dalla zona dell'albero intermedio.
- Possibile disallineamento dello sterzo o sensazione irregolare se l'albero dello sterzo non è mantenuto esattamente nella posizione corretta.
- Con il tempo, altri componenti del cuscinetto o dell'albero potrebbero usurarsi, perché senza un adeguato supporto di spinta potrebbero sfregare o muoversi in modi inappropriati.
Perché la sostituzione/funzionamento corretto è importante:
- Assicura che il cuscinetto dell'albero dello sterzo sia correttamente posizionato e supportato, preservando così la fluidità della rotazione e riducendo al minimo il gioco.
- Previene l'usura prematura del cuscinetto dell'albero dello sterzo o dei componenti circostanti.
- Migliora la sensazione dello sterzo: meno rumore, maggiore precisione, nessun gioco indesiderato.
- Aiuta a mantenere la sicurezza: i componenti dello sterzo allentati o pieni di gioco hanno una risposta meno prevedibile.
- L'utilizzo del ricambio originale Porsche corretto garantisce adattamento, materiale e dimensioni, evitando parti non adatte che potrebbero causare ulteriore gioco o usura.
Diagramma Rif. n. 12
Numeri di riferimento correlati
Numeri correlati, sostituiti, riferimenti incrociati o alternativi per il confronto.
69534772500
Il prodotto che stai visualizzando fa riferimento a questi numeri
- Porsche 911 1965-1968 2.0L / 912 SWB (F)
- Porsche 356B 1959-63
- Porsche 356C 1963-65
Il connettore per tubo carburante Porsche è un pezzo di collegamento OEM originale progettato per il sistema di alimentazione del carburante nei modelli Porsche classici, tra cui la 924 e la 944. Questo piccolo ma essenziale componente collega sezioni di tubo o flessibile del carburante, garantendo un collegamento sicuro e senza perdite all'interno del sistema di alimentazione.
Con il tempo, i connettori possono indebolirsi, corrodersi o rompersi, causando perdite di carburante e perdita di pressione. Sostituendoli con questo connettore Porsche originale si ripristina l'integrità del sistema, si prevengono perdite pericolose e si garantisce che il motore riceva la corretta pressione del carburante per prestazioni fluide.
Adatto a:
Cosa fa questo prodotto:
È un connettore piccolo ma essenziale nel sistema di alimentazione/tubazione del carburante. Collega sezioni di tubi o flessibili del carburante, spesso tra la pompa del carburante, il filtro del carburante, l'accumulatore o tra segmenti di tubo e flessibile.
Sintomi di un connettore del tubo del carburante difettoso o non funzionante:
Se questo connettore è usurato, danneggiato o perde, i sintomi più comuni includono:
Perché la sostituzione è importante:
Anche se è una piccola parte, è fondamentale:
Schema Rif. No 1A
Numeri di riferimento correlati
Numeri correlati, sostituiti, riferimenti incrociati o alternativi per il confronto.
477209161
Il prodotto che stai visualizzando fa riferimento a questi numeri
- Porsche 924 2.0L 1976-79
- Porsche 924 2.0L 1980-85
- Porsche 924S 2.5L 1986-87
- Porsche 924S 2.5L 1988
- Porsche 944 2.5L 8V 1982-87
- Porsche 944S2 3.0L 16V 1989-91
- Porsche 944 Turbo 2.5L 8V 1985-88
- Porsche 944 Turbo 2.5L 8V 1989-91
- Porsche 944 Turbo S 2.5L 8V 1988
La guarnizione Porsche per carburatore Weber Serie 40 a 3 corpi è un ricambio originale OEM progettato per i modelli Porsche classici dotati di carburatori Weber 40 IDA a 3 corpi. Questa guarnizione garantisce una tenuta affidabile tra i componenti del carburatore, prevenendo perdite d'aria o di carburante e garantendo un funzionamento fluido ed efficiente del motore.
Adatto a:
- Porsche 911 1965-1968 2.0L / 912 SWB (F)
- Porsche 911 1970-1971 2.2L / 2.4L / 2.7L RS passo lungo (F)
- Porsche 914 (1970-1976)
Cosa fa questo prodotto:
- Crea una connessione sigillata tra le parti del gruppo carburatore (ad esempio tra le sezioni del corpo del carburatore, della base, delle vaschette, ecc.), prevenendo perdite di aria o carburante. Ciò garantisce che la pressione interna del carburatore, la miscela aria/carburante e l'erogazione del carburante rimangano come previsto.
- Aiuta a mantenere il vuoto ed evita che aria non dosata entri nella miscela, alterando il rapporto aria-carburante.
- Mantiene sigillati i percorsi carburante/aria, le camere del galleggiante e i componenti del collegamento dell'acceleratore, in modo che il carburatore funzioni in modo affidabile ed efficiente.
Sintomi di una guarnizione usurata o difettosa:
Se questa guarnizione perde o è deteriorata, potresti notare:
- Minimo irregolare o instabile perché le perdite d'aria introducono aria fresca non misurata, alterando la miscela.
- Esitazione nell'accelerazione o comportamento in regime di marcia magra, soprattutto quando il motore è sotto carico.
- Ritorno di fiamma o scoppiettii nello scarico/aspirazione dovuti a una miscela errata o a perdite di vuoto.
- Odore di carburante o perdite visibili di carburante vicino alle giunzioni del carburatore.
- Consumo di carburante più elevato o scarsa economia dovuta a una combustione meno efficiente.
- Avviamento difficile , soprattutto a freddo, perché le perdite dalle guarnizioni possono rendere più difficoltoso il controllo della miscela.
Una guarnizione corretta garantisce che il carburatore funzioni come previsto: miscela stabile, buone prestazioni, minimo affidabile e tenuta sicura del carburante.
Previene i danni: le perdite possono far entrare sporcizia o detriti nel carburatore o nell'aspirazione, danneggiando potenzialmente le parti interne.
Aiuta a mantenere basse le emissioni e a mantenere la guidabilità. Le auto d'epoca sono particolarmente sensibili alle piccole perdite.
Utilizza le specifiche OEM in modo che la vestibilità, il materiale e le proprietà di tenuta siano corretti, preservando l'originalità e il valore per i restauri.
Diagramma Rif. n. 11
Numeri di riferimento correlati
Numeri correlati, sostituiti, riferimenti incrociati o alternativi per il confronto.
90110093701
Il prodotto che stai visualizzando fa riferimento a questi numeri
- Porsche 911 1965-1968 2.0L / 912 SWB (F)
- Porsche 911 1968-1973 2.2L / 2.4L / 2.7L RS LWB (F)
- Porsche 914 (1970-1976)
Il cuscinetto di biella Porsche Big Head è un ricambio originale OEM progettato per i motori Porsche classici. Montato sulla testa di biella, questo cuscinetto di precisione consente alla biella di ruotare fluidamente attorno al perno di banco dell'albero motore, resistendo al contempo ai carichi estremi della combustione.
Venduto singolarmente.
x12 richiesti per motore.
Adatto a:
- Porsche 911 1965-1968 2.0L / 912 SWB (F)
- Porsche 911 1970-1973 2.2L / 2.4L / 2.7L RS passo lungo (F)
- Porsche 914 (1970-1976)
Cosa fa questo prodotto:
Il cuscinetto di biella si inserisce all'estremità di biella (ovvero l'estremità che si collega al perno di banco dell'albero motore). Permette alla biella di ruotare fluidamente attorno all'albero motore mentre il motore è in funzione.
Garantisce un gioco molto preciso, ma molto ridotto, tra la superficie del cuscinetto e il perno dell'albero motore. L'olio motore riempie questo gioco, formando un sottile film d'olio. Questo film supporta i carichi derivanti dal movimento del pistone, dalle forze di combustione e dalla rotazione dell'albero motore, impedendo al contempo il contatto metallo su metallo.
Quando è necessario sostituirlo / Sintomi di usura:
Colpo dell'asta/rumore di battito : un colpo profondo e ritmico del motore sotto carico o in accelerazione, causato da un gioco eccessivo tra il guscio del cuscinetto e il perno di manovella.
- Bassa pressione dell'olio , soprattutto al minimo: i gusci dei cuscinetti usurati aumentano il gioco dell'olio, il che può ridurre la pressione dell'olio.
- Trucioli metallici o materiale del cuscinetto nell'olio : durante il cambio dell'olio o dal filtro dell'olio, potresti vedere frammenti di materiale del cuscinetto.
- Ruvidità o vibrazioni del motore , soprattutto a regimi elevati: con l'usura dei cuscinetti, l'accoppiamento si allenta, causando vibrazioni o prestazioni irregolari.
- Surriscaldamento o scolorimento del guscio del cuscinetto durante l'ispezione: se il cuscinetto è rimasto senza olio o ha funzionato sotto stress, potrebbe mostrare segni di surriscaldamento.
- Questi cuscinetti sono di fondamentale importanza per l'affidabilità del motore. Un cedimento del cuscinetto di biella può causare gravi danni: rigature sul perno di banco dell'albero motore, danni alla biella o addirittura la rottura totale del motore.
- La sostituzione con gusci OEM dalle specifiche corrette ripristina il gioco corretto, il supporto del film d'olio e il funzionamento regolare del motore.
- L'uso di cuscinetti usurati può anche causare una scarsa pressione dell'olio e una maggiore usura in altre parti del motore. Si tratta di un elemento di manutenzione preventiva, soprattutto nei motori ad alto chilometraggio o ricostruiti.
Numeri di riferimento correlati
Numeri correlati, sostituiti, riferimenti incrociati o alternativi per il confronto.
90110314181
Il prodotto che stai visualizzando fa riferimento a questi numeri
- Porsche 911 1965-1968 2.0L / 912 SWB (F)
- Porsche 911 1968-1973 2.2L / 2.4L / 2.7L RS LWB (F)
- Porsche 914 (1970-1976)
La cornice nera per la leva del freno a mano Porsche è un elemento decorativo originale OEM che incornicia la base della leva del freno a mano. Con finitura nera, si integra perfettamente con la console centrale, mantenendo un aspetto pulito e fedele all'originale.
Adatto a:
- Porsche 964 (911) C2 1989-93
- Porsche 964 (911) C4 1989-93
- Porsche 964 (911) RS 3.6L 1991-93
- Porsche 964 (911) RS 3.8L 1991-93
- Porsche 964 (911) TURBO 3.3L 1991-93
- Porsche 964 (911) TURBO 3.6L 1991-93
- Porsche 993 (911) C2 1994-97
- Porsche 993 (911) C4 1994-97
- Porsche 993 (911) RS 1994-97
- Porsche 993 (911) C2S 1994-97
- Porsche 993 (911) C4S 1994-97
- Porsche 993 (911) TURBO 1994-96
- Porsche 993 (911) GT2 1994-97
- Porsche 993 (911) TURBO S 1994-97
Cosa fa questo prodotto:
La cornice del freno a mano è un elemento decorativo interno originale Porsche che incornicia e rifinisce l'area attorno alla leva del freno a mano. Rifinita in nero, si abbina alla cornice della console circostante per un aspetto pulito e fedele all'originale.
Funzioni:
- Conferisce un aspetto ordinato e rifinito alla leva del freno a mano.
- Protegge la zona del meccanismo del freno a mano da polvere e detriti.
- Mantiene lo stile degli interni e la corrispondenza dei colori OEM.
- Sostituzione diretta per bordi usurati, danneggiati o mancanti.
Sintomi di una guarnizione del freno a mano usurata o danneggiata:
Con il tempo, questo elemento decorativo può graffiarsi, sbiadirsi o creparsi. I segnali più comuni che indicano la necessità di sostituirlo includono:
- Crepe o rotture visibili nella zona del freno a mano.
- Finitura sbiadita o usurata che non si abbina più agli interni.
- Montaggio allentato che provoca vibrazioni o movimenti durante l'uso.
Sebbene di piccole dimensioni, la cornice del freno a mano fa una grande differenza nell'aspetto generale degli interni della tua Porsche. Una cornice danneggiata o mancante compromette l'aspetto dell'abitacolo e potrebbe esporre il meccanismo del freno a mano.
Diagramma Rif. n. 9
Numeri di riferimento correlati
Numeri correlati, sostituiti, riferimenti incrociati o alternativi per il confronto.
964552539001DB
Il prodotto che stai visualizzando fa riferimento a questi numeri
- Porsche 964 (911) C2 1989-93
- Porsche 964 (911) C4 1989-93
- Porsche 964 (911) RS 3.6L 1991-93
- Porsche 964 (911) RS 3.8L 1991-93
- Porsche 964 (911) TURBO 3.3L 1991-93
- Porsche 964 (911) TURBO 3.6L 1991-93
- Porsche 993 (911) C2 1994-97
- Porsche 993 (911) C4 1994-97
- Porsche 993 (911) RS 1994-97
- Porsche 993 (911) C2S 1994-97
- Porsche 993 (911) C4S 1994-97
- Porsche 993 (911) TURBO 1994-96
- Porsche 993 (911) GT2 1994-97
- Porsche 993 (911) TURBO S 1994-97
La staffa di supporto per paraurti posteriore Porsche è un componente strutturale originale OEM che garantisce un montaggio e un allineamento sicuri per il paraurti posteriore. Posizionata dietro il paraurti, questa staffa rinforza l'assemblaggio, garantendo un montaggio corretto, spazi tra i pannelli corretti e una stabilità duratura.
Adatto a:
- Porsche Boxster 987 MKII 2.9L 2009-2012
- Porsche Boxster S987 MKII 3.4L 2009-2012
- Porsche Cayman 2.7L 987C 2006-08
- Porsche Cayman S3.4L 987C 2005-08
- Porsche Cayman 2.9L 987C MKII 2009-12
- Porsche Cayman S/R 3.4L 987C MKII 2009-12
Cosa fa questo prodotto:
La staffa di supporto del paraurti posteriore è un componente di montaggio strutturale situato dietro il paraurti posteriore sui modelli Porsche. Il suo ruolo principale è quello di fornire supporto e allineamento al paraurti, garantendo un fissaggio sicuro e mantenendo la corretta distanza tra i pannelli della carrozzeria.
Funzioni:
- Mantiene saldamente in posizione il paraurti posteriore.
- Fornisce rinforzo strutturale al gruppo paraurti posteriore.
- Assicura il corretto allineamento e montaggio della copertura del paraurti.
- Aiuta ad assorbire e distribuire gli impatti minori.
Sintomi di una staffa danneggiata o difettosa:
Le staffe del paraurti posteriore possono piegarsi, rompersi o corrodersi nel tempo, soprattutto dopo piccoli urti o esposizione alle condizioni stradali. I segnali che potrebbero rendere necessaria la sostituzione includono:
- Paraurti posteriore allentato o disallineato .
- Spazi irregolari tra i pannelli attorno all'area del paraurti.
- Rumori di scricchiolio o vibrazione provenienti dal paraurti ad alta velocità.
- Crepe visibili, ruggine o danni alla staffa.
- Il paraurti non si aggancia o non tiene correttamente.
Perché la sostituzione è importante:
Una staffa di supporto del paraurti difettosa o danneggiata compromette sia l'aspetto che la sicurezza. Senza un supporto adeguato, il paraurti potrebbe cedere, vibrare o staccarsi sotto sforzo.
Diagramma Rif. n. 6
Numeri di riferimento correlati
Numeri correlati, sostituiti, riferimenti incrociati o alternativi per il confronto.
98750583500
Il prodotto che stai visualizzando fa riferimento a questi numeri
- Porsche Boxster 987 MKII 2.9L 2009-2012
- Porsche Boxster S 987 MKII 3.4L 2009-2012
- Porsche Cayman 2.7L 987C 2006-08
- Porsche Cayman S 3.4L 987C 2005-08
- Porsche Cayman 2.9L 987C MKII 2009-12
- Porsche Cayman S / R 3.4L 987C MKII 2009-12
La fune di tensione per il tetto della tua Porsche Cabriolet è un componente originale OEM progettato per garantire il perfetto funzionamento e l'aspetto impeccabile della tua capote. Questa fune mantiene la corretta tensione sul tessuto della capote, assicurandone il corretto ripiegamento e chiusura senza cedimenti o disallineamenti.
Venduto singolarmente.
x2 richiesti per auto.
Adatto sia a destra che a sinistra.
Adatto a:
- Porsche Boxster 986 2.5L 1997-99
- Porsche Boxster 986 2.7L 1999-02
- Porsche Boxster S 986 3.2L 1999-02
- Porsche Boxster 986 2.7L 2003-04
- Porsche Boxster S 986 3.2L 2003-04
Cosa fa questo prodotto:
Il cavo di tensione del tetto apribile è un componente originale Porsche utilizzato nel meccanismo della capote dei modelli Boxster. Il suo ruolo è quello di mantenere la corretta tensione e l'allineamento del tessuto del tetto apribile durante l'apertura e la chiusura.
Funzioni:
- Mantiene il tessuto del tetto teso correttamente per evitare cedimenti.
- Guida la capote in posizione durante la piegatura e la chiusura.
- Garantisce un funzionamento del tetto fluido e affidabile.
- Aiuta a proteggere il telaio del tetto e il tessuto da sollecitazioni irregolari o usura.
Sintomi di una fune di tensione difettosa:
Con il tempo, le funi di tensione possono allungarsi, sfilacciarsi o rompersi. I segnali che potrebbero indicare la necessità di sostituirle includono:
- Tessuto della capote allentato o cadente .
- Il tetto non si piega o non si chiude correttamente .
- Il tessuto si impiglia o non si allinea correttamente durante l'apertura/chiusura.
- Corda sfilacciata o spezzata visibile all'ispezione.
- Aumento della sollecitazione sul telaio o sul meccanismo del tetto .
Una fune di tensione usurata o rotta non solo compromette l'aspetto della capote, ma può anche causare problemi meccanici al sistema del tetto se non viene controllata.
Diagramma Rif. n. 2
Numeri di riferimento correlati
Numeri correlati, sostituiti, riferimenti incrociati o alternativi per il confronto.
98656192100
Il prodotto che stai visualizzando fa riferimento a questi numeri
- Porsche Boxster 986 2.5L 1997-99
- Porsche Boxster 986 2.7L 1999-02
- Porsche Boxster S 986 3.2L 1999-02
- Porsche Boxster 986 2.7L 2003-04
- Porsche Boxster S 986 3.2L 2003-04
Il tubo di aspirazione Porsche è un ricambio originale OEM che collega l'alloggiamento del filtro dell'aria al corpo farfallato o al collettore di aspirazione, garantendo un flusso d'aria pulito e misurato al motore. Progettato per gestire calore, vibrazioni e condizioni del cofano, questo tubo mantiene il flusso d'aria regolare necessario per le corrette prestazioni del motore.
Adatto a:
- Porsche 928S2 4.7L 1985-86
Cosa fa questo prodotto:
Il tubo di aspirazione dell'aria è un componente chiave del sistema di aspirazione dell'aria del motore Porsche. Collega le parti del gruppo di aspirazione, garantendo che l'aria pulita e filtrata fluisca senza intoppi dall'alloggiamento del filtro dell'aria al corpo farfallato o al collettore di aspirazione.
Funzioni:
- Convoglia l'aria filtrata nel motore per la combustione.
- Mantiene un flusso d'aria regolare senza perdite o turbolenze.
- Progettato per resistere al calore, alle vibrazioni e alle condizioni del vano motore.
- Garantisce la corretta miscela aria/carburante per una combustione e prestazioni efficienti.
Sintomi di un tubo di aspirazione dell'aria difettoso:
Con il passare del tempo, i tubi di aspirazione in gomma possono deteriorarsi a causa del calore, dei vapori dell'olio e delle vibrazioni del motore.
I segnali di avvertimento includono:
- Crepe o spaccature visibili sulla superficie del tubo.
- Rumori sibilanti o fischi in accelerazione.
- Spia di controllo del motore (CEL) accesa a causa di perdite d'aria non misurate.
- Minimo irregolare, scarsa accelerazione o esitazione .
- Riduzione dell'efficienza del carburante causata da una miscela aria/carburante non corretta.
Un tubo di aspirazione dell'aria danneggiato consente all'aria non filtrata o non dosata di entrare nel motore, con conseguenti scarse prestazioni, potenziali danni al motore e letture imprecise del sensore di flusso d'aria di massa.
La sostituzione con un tubo di aspirazione originale Porsche OEM garantisce:
- Flusso d'aria corretto ed efficienza del motore.
- Collegamento senza perdite tra i componenti di aspirazione.
- Lunga durata con montaggio corretto in fabbrica.
- Prestazioni fluide e affidabilità ripristinate.
Diagramma Rif. n. 19
Numeri di riferimento correlati
Numeri correlati, sostituiti, riferimenti incrociati o alternativi per il confronto.
92811060200
Il prodotto che stai visualizzando fa riferimento a questi numeri
- Porsche 928S2 4.7L 1984-86
L'inserto per posacenere Porsche in rosso Boxster è un componente originale OEM per interni, progettato per integrarsi perfettamente nella console centrale del tuo veicolo. Rifinito nell'accattivante rosso Boxster, questo inserto ripristina la funzionalità e l'aspetto pulito e originale degli interni della tua Porsche.
Che l'inserto originale sia graffiato, crepato o mancante, questo ricambio è la soluzione perfetta. Facile da installare e rimuovere per la pulizia, garantisce che gli interni della tua Porsche rimangano in ordine, autentici e con lo stesso colore delle finiture originali.
Adatto a:
- Porsche 996 C2 3.4L 1997-08/01
- Porsche 996 C4 3.4L 1997-08/01
- Porsche 996 C2 3.6L 09/01-2005
- Porsche 996 C4 3.6L 09/01-2005
- Porsche 996 C4S 3.6L 09/01-2005
- Porsche 996 TURBO 2000-05
- Porsche 996 GT2 2001-05
L'inserto posacenere è un componente interno OEM Porsche progettato per adattarsi direttamente all'alloggiamento del posacenere di fabbrica. Rifinito in Rosso Boxster, offre funzionalità e un elegante dettaglio interno in tinta.
Funzioni:
- Serve come inserto rimovibile per il posacenere della console centrale.
- Fornisce un vano portaoggetti o per la cenere pulito, come quello di fabbrica.
- Migliora l'estetica dell'abitacolo con una finitura Boxster Red.
- Facilmente rimovibile per la pulizia o la sostituzione.
Sintomi di un inserto usurato o mancante:
- Graffi, abrasioni o finiture sbiadite che compromettono l'aspetto degli interni.
- Crepe o bordi rotti che rendono difficile un fissaggio sicuro.
- Inserto mancante che lascia uno scomparto aperto o non completato.
Sebbene piccolo, l'inserto posacenere contribuisce all'aspetto generale e alla completezza degli interni della tua Porsche.
Diagramma Rif. n. 7
Numeri di riferimento correlati
Numeri correlati, sostituiti, riferimenti incrociati o alternativi per il confronto.
99655259501M33
Il prodotto che stai visualizzando fa riferimento a questi numeri
- Porsche 996 C2 3.4L 1997-08/01
- Porsche 996 C4 3.4L 1997-08/01
- Porsche 996 C2 3.6L 09/01-2005
- Porsche 996 C4 3.6L 09/01-2005
- Porsche 996 C4S 3.6L 09/01-2005
- Porsche 996 TURBO 2000-05
- Porsche 996 GT2 2001-05
La linea di pressione Porsche tra la valvola di controllo e l'accumulatore di pressione è una linea idraulica originale OEM progettata per garantire il corretto funzionamento del sistema di bloccaggio del differenziale. Questa linea ad alta pressione collega la valvola di controllo all'accumulatore di pressione, trasferendo il fluido idraulico in modo sicuro e affidabile sotto carico.
Adatto a:
- Porsche 964 (911) C2 1989-93 (cambio a 5 marce)
- Porsche 964 (911) C4 1989-93 (cambio a 5 marce)
Cosa fa questo prodotto:
La linea di pressione fa parte del sistema idraulico del differenziale autobloccante nei modelli Porsche. Collega la valvola di controllo all'accumulatore di pressione, garantendo che la pressione idraulica venga correttamente immagazzinata e fornita al sistema quando necessario.
Funzioni:
- Trasferisce la pressione idraulica tra la valvola di controllo e l'accumulatore di pressione.
- Mantiene il funzionamento affidabile del sistema di bloccaggio del differenziale.
- Assicura un innesto e un disinnesto fluidi del bloccaggio del differenziale sotto carico.
- Progettato per resistere ad elevate pressioni idrauliche senza perdite o deformazioni.
Sintomi di una linea di pressione difettosa:
- Il bloccaggio del differenziale non si innesta o non si disinserisce correttamente.
- Perdite di fluido idraulico vicino all'accumulatore o alla valvola.
- Spie di avvertimento o codici di errore relativi al sistema di bloccaggio del differenziale.
- Riduzione della trazione quando il blocco non funziona.
- Usura o danni visibili sulla linea stessa.
Questa linea di pressione è un componente idraulico ad alta pressione : in caso di guasto, il sistema di bloccaggio del differenziale non funzionerà correttamente, riducendo prestazioni e sicurezza. Sostituendola con una linea originale Porsche OEM, si garantisce:
- Trasferimento della pressione idraulica affidabile e senza perdite.
- Corretto montaggio all'interno del sistema idraulico di bloccaggio del differenziale.
- Ripristino della funzionalità dell'accumulatore e del collegamento della valvola di controllo.
- Affidabilità a lungo termine in condizioni di guida impegnative.
Diagramma Rif. n. 9
Numeri di riferimento correlati
Numeri correlati, sostituiti, riferimenti incrociati o alternativi per il confronto.
96431530151
Il prodotto che stai visualizzando fa riferimento a questi numeri
- Porsche 964 (911) C2 1989-93
- Porsche 964 (911) C4 1989-93