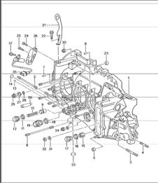
Pièces de carter

Ajuster:
Porsche 996 Turbo 2001-005
Cliquez sur « Zoomer » pour afficher le diagramme des grandes pièces.
Schéma réf n°39
Numéros de référence associés
Numéros associés, remplacés, de référence croisée ou alternatifs à des fins de comparaison.
90017502202
Le produit que vous consultez fait référence à ces numéros
- Porsche 996 TURBO 2000-05

Convient :
Porsche964 1990-94
Porsche993 1995-98
Porsche 996 Turbo / GT3
Porsche 997 MKI Turbo / GT3
Cliquez sur « Zoom avant » pour le diagramme des grandes pièces.
Schéma réf n°38
Numéros de référence associés
Numéros associés, remplacés, de référence croisée ou alternatifs à des fins de comparaison.
96410118701
Le produit que vous consultez fait référence à ces numéros
- Porsche 964 (911) C2 1989-93
- Porsche 964 (911) C4 1989-93
- Porsche 964 (911) RS 3.6L 1991-93
- Porsche 964 (911) RS 3.8L 1991-93
- Porsche 964 (911) TURBO 3.3L 1991-93
- Porsche 964 (911) TURBO 3.6L 1991-93
- Porsche 993 (911) C2 1994-97
- Porsche 993 (911) C4 1994-97
- Porsche 993 (911) RS 1994-97
- Porsche 993 (911) C2S 1994-97
- Porsche 993 (911) C4S 1994-97
- Porsche 993 (911) TURBO 1994-96
- Porsche 993 (911) GT2 1994-97
- Porsche 993 (911) TURBO S 1994-97
- Porsche 996 TURBO 2000-05
- Porsche 996 GT3 MKI 1999-02
- Porsche 996 GT3 MKII 2003>>
- Porsche 996 GT3 RS 2003-04
- Porsche 997 MK1 TURBO 2007-09
- Porsche 997 MK1 GT3 2007-09

Convient :
Porsche993 1989-94
Porsche 996 Turbo 2001-05
Porsche996 GT3 1999-05
Porsche 997 Turbo/GT2 2007-09
Porsche 997 Turbo/GT2RS 2010-13
Porsche 997 GT3 2007-11
Ce produit remplace les anciens numéros de pièces Porsche :
- 90110753100
Cliquez sur « Zoomer » pour afficher le diagramme des grandes pièces.
Schéma réf n°9
Numéros de référence associés
Numéros associés, remplacés, de référence croisée ou alternatifs à des fins de comparaison.
90110753101
Le produit que vous consultez fait référence à ces numéros
- Porsche 993 (911) C2 1994-97
- Porsche 993 (911) C4 1994-97
- Porsche 993 (911) RS 1994-97
- Porsche 993 (911) C2S 1994-97
- Porsche 993 (911) C4S 1994-97
- Porsche 993 (911) TURBO 1994-96
- Porsche 993 (911) GT2 1994-97
- Porsche 993 (911) TURBO S 1994-97
- Porsche 996 TURBO 2000-05
- Porsche 996 GT2 2001-05
- Porsche 996 GT3 MKI 1999-02
- Porsche 996 GT3 MKII 2003>>
- Porsche 996 GT3 RS 2003-04
- Porsche 997 MK1 TURBO 2007-09
- Porsche 997 MK1 GT3 2007-09
- Porsche 997 MK1 GT2 2007-09
- Porsche 997 MKII GT3 2010-11
- Porsche 997 MKII Turbo 2010-13
- Porsche 997 MKII GT2 RS 2011-13

Convient :
Porsche 993 1989-94
Porsche 996 Turbo 2001-05
Porsche 996 GT3 1999-05
Porsche 997 Turbo/GT2 2007-09
Porsche 997 Turbo/GT2 RS 2010-13
Porsche 997 GT3 2007-11
Ce produit remplace les anciennes références Porsche :
- 90110753100
Cliquez sur "Zoom avant" pour le schéma des grandes pièces.
Schéma réf n° 9
Numéros de référence associés
Numéros associés, remplacés, de référence croisée ou alternatifs à des fins de comparaison.
90110753101
Le produit que vous consultez fait référence à ces numéros
- Porsche 993 (911) C2 1994-97
- Porsche 993 (911) C4 1994-97
- Porsche 993 (911) RS 1994-97
- Porsche 993 (911) C2S 1994-97
- Porsche 993 (911) C4S 1994-97
- Porsche 993 (911) TURBO 1994-96
- Porsche 993 (911) GT2 1994-97
- Porsche 993 (911) TURBO S 1994-97
- Porsche 996 TURBO 2000-05
- Porsche 996 GT2 2001-05
- Porsche 996 GT3 MKI 1999-02
- Porsche 996 GT3 MKII 2003>>
- Porsche 996 GT3 RS 2003-04
- Porsche 997 MK1 TURBO 2007-09
- Porsche 997 MK1 GT3 2007-09
- Porsche 997 MK1 GT2 2007-09
- Porsche 997 MKII GT3 2010-11
- Porsche 997 MKII Turbo 2010-13
- Porsche 997 MKII GT2 RS 2011-13

Convient :
Porsche 964 1990-94
Porsche 993 1995-98
Porsche 996 Turbo / GT3
Cliquez sur "Zoom avant" pour le schéma des grandes pièces.
Schéma réf n° 46
Numéros de référence associés
Numéros associés, remplacés, de référence croisée ou alternatifs à des fins de comparaison.
96410117401
Le produit que vous consultez fait référence à ces numéros
- Porsche 964 (911) C2 1989-93
- Porsche 964 (911) C4 1989-93
- Porsche 964 (911) RS 3.6L 1991-93
- Porsche 964 (911) RS 3.8L 1991-93
- Porsche 964 (911) TURBO 3.3L 1991-93
- Porsche 964 (911) TURBO 3.6L 1991-93
- Porsche 993 (911) C2 1994-97
- Porsche 993 (911) C4 1994-97
- Porsche 993 (911) RS 1994-97
- Porsche 993 (911) C2S 1994-97
- Porsche 993 (911) C4S 1994-97
- Porsche 993 (911) TURBO 1994-96
- Porsche 993 (911) GT2 1994-97
- Porsche 993 (911) TURBO S 1994-97
- Porsche 996 TURBO 2000-05
- Porsche 996 GT3 MKII 2003>>
- Porsche 996 GT3 RS 2003-04

Convient :
Porsche964 1990-94
Porsche993 1995-98
Porsche 996 Turbo / GT3
Cliquez sur « Zoomer » pour afficher le diagramme des grandes pièces.
Schéma réf n°46
Numéros de référence associés
Numéros associés, remplacés, de référence croisée ou alternatifs à des fins de comparaison.
96410117401
Le produit que vous consultez fait référence à ces numéros
- Porsche 964 (911) C2 1989-93
- Porsche 964 (911) C4 1989-93
- Porsche 964 (911) RS 3.6L 1991-93
- Porsche 964 (911) RS 3.8L 1991-93
- Porsche 964 (911) TURBO 3.3L 1991-93
- Porsche 964 (911) TURBO 3.6L 1991-93
- Porsche 993 (911) C2 1994-97
- Porsche 993 (911) C4 1994-97
- Porsche 993 (911) RS 1994-97
- Porsche 993 (911) C2S 1994-97
- Porsche 993 (911) C4S 1994-97
- Porsche 993 (911) TURBO 1994-96
- Porsche 993 (911) GT2 1994-97
- Porsche 993 (911) TURBO S 1994-97
- Porsche 996 TURBO 2000-05
- Porsche 996 GT3 MKII 2003>>
- Porsche 996 GT3 RS 2003-04

Convient :
Porsche 911 1965-77 SPM
Porsche 911 Carrera 3.2L 1984-89
Porsche 911 Turbo 1978-83
Porsche 914-6 1970-76 SPM
Porsche 964 1989-94
Porsche 993 1995-98
Porsche 996 Turbo / GT3
Porsche 997 Turbo / GT3 2007-13
Cliquez sur "Zoom avant" pour le schéma des grandes pièces.
Schéma réf n°3.
Numéros de référence associés
Numéros associés, remplacés, de référence croisée ou alternatifs à des fins de comparaison.
90006009601
Le produit que vous consultez fait référence à ces numéros
- Porsche 911 1965-1968 2.0L / 912 SWB (F)
- Porsche 911 1968-1973 2.2L / 2.4L / 2.7L RS LWB (F)
- Porsche 911 1974-1977 2.7L / 1976-77 3.0 Carrera
- Porsche 911 1978-1983 3.0L / SC
- Porsche 911 1984-1986 3.2L
- Porsche 911 1987-1989 3.2L G50
- Porsche 911 1978-1989 3.3L Turbo (930)
- Porsche 964 (911) C2 1989-93
- Porsche 964 (911) C4 1989-93
- Porsche 964 (911) RS 3.6L 1991-93
- Porsche 964 (911) RS 3.8L 1991-93
- Porsche 964 (911) TURBO 3.3L 1991-93
- Porsche 964 (911) TURBO 3.6L 1991-93
- Porsche 993 (911) C2 1994-97
- Porsche 993 (911) C4 1994-97
- Porsche 993 (911) RS 1994-97
- Porsche 993 (911) C2S 1994-97
- Porsche 993 (911) C4S 1994-97
- Porsche 993 (911) TURBO 1994-96
- Porsche 993 (911) GT2 1994-97
- Porsche 993 (911) TURBO S 1994-97
- Porsche 996 TURBO 2000-05
- Porsche 996 GT3 MKI 1999-02
- Porsche 996 GT3 MKII 2003>>
- Porsche 996 GT3 RS 2003-04
- Porsche 997 MK1 TURBO 2007-09
- Porsche 997 MK1 GT3 2007-09
- Porsche 997 MKII GT3 2010-11
- Porsche 997 MKII Turbo 2010-13
- Porsche 914 (1970-1976)

Convient :
Porsche 911 1978-89 Turbo
Porsche964 1989-94
Porsche993 1995-98
Porsche 996 Turbo / GT3
Porsche 997 Turbo / GT3 2007>>
Ce produit remplace l'ancien numéro de pièce de Porsche :
- 99906222502
Cliquez sur « Zoom avant » pour le diagramme des grandes pièces.
Schéma réf n°2.
Numéros de référence associés
Numéros associés, remplacés, de référence croisée ou alternatifs à des fins de comparaison.
90006009501
Le produit que vous consultez fait référence à ces numéros
- Porsche 911 1978-1989 3.3L Turbo (930)
- Porsche 964 (911) C2 1989-93
- Porsche 964 (911) C4 1989-93
- Porsche 964 (911) RS 3.6L 1991-93
- Porsche 964 (911) RS 3.8L 1991-93
- Porsche 964 (911) TURBO 3.3L 1991-93
- Porsche 964 (911) TURBO 3.6L 1991-93
- Porsche 993 (911) C2 1994-97
- Porsche 993 (911) C4 1994-97
- Porsche 993 (911) RS 1994-97
- Porsche 993 (911) C2S 1994-97
- Porsche 993 (911) C4S 1994-97
- Porsche 993 (911) TURBO 1994-96
- Porsche 993 (911) GT2 1994-97
- Porsche 993 (911) TURBO S 1994-97
- Porsche 996 TURBO 2000-05
- Porsche 996 GT3 MKI 1999-02
- Porsche 996 GT3 MKII 2003>>
- Porsche 996 GT3 RS 2003-04
- Porsche 997 MK1 TURBO 2007-09
- Porsche 997 MK1 GT3 2007-09
- Porsche 997 MKII GT3 2010-11
- Porsche 997 MKII Turbo 2010-13

Convient :
Porsche 964 1989-94
Porsche 993 1995-98
Porsche 996 Turbo / GT3
Porsche 997 Turbo / GT3 2007>>
Ce produit remplace l'ancien numéro de pièce de Porsche :
- 95910117301
Numéros de référence associés
Numéros associés, remplacés, de référence croisée ou alternatifs à des fins de comparaison.
95910117302
Le produit que vous consultez fait référence à ces numéros
- Porsche 964 (911) C2 1989-93
- Porsche 964 (911) C4 1989-93
- Porsche 964 (911) RS 3.6L 1991-93
- Porsche 964 (911) RS 3.8L 1991-93
- Porsche 964 (911) TURBO 3.6L 1991-93
- Porsche 993 (911) C2 1994-97
- Porsche 993 (911) C4 1994-97
- Porsche 993 (911) RS 1994-97
- Porsche 993 (911) C2S 1994-97
- Porsche 993 (911) C4S 1994-97
- Porsche 993 (911) TURBO 1994-96
- Porsche 993 (911) GT2 1994-97
- Porsche 993 (911) TURBO S 1994-97
- Porsche 996 TURBO 2000-05
- Porsche 996 GT3 MKI 1999-02
- Porsche 996 GT3 MKII 2003>>
- Porsche 996 GT3 RS 2003-04
- Porsche 997 MK1 TURBO 2007-09
- Porsche 997 MK1 GT3 2007-09
- Porsche 997 MKII GT3 2010-11
- Porsche 997 MKII Turbo 2010-13

Convient :
Porsche964 1989-94
Porsche993 1995-98
Porsche 996 Turbo / GT3
Porsche 997 Turbo / GT3 2007>>
Ce produit remplace l'ancien numéro de pièce de Porsche :
- 95910117301
Numéros de référence associés
Numéros associés, remplacés, de référence croisée ou alternatifs à des fins de comparaison.
95910117302
Le produit que vous consultez fait référence à ces numéros
- Porsche 964 (911) C2 1989-93
- Porsche 964 (911) C4 1989-93
- Porsche 964 (911) RS 3.6L 1991-93
- Porsche 964 (911) RS 3.8L 1991-93
- Porsche 964 (911) TURBO 3.6L 1991-93
- Porsche 993 (911) C2 1994-97
- Porsche 993 (911) C4 1994-97
- Porsche 993 (911) RS 1994-97
- Porsche 993 (911) C2S 1994-97
- Porsche 993 (911) C4S 1994-97
- Porsche 993 (911) TURBO 1994-96
- Porsche 993 (911) GT2 1994-97
- Porsche 993 (911) TURBO S 1994-97
- Porsche 996 TURBO 2000-05
- Porsche 996 GT3 MKI 1999-02
- Porsche 996 GT3 MKII 2003>>
- Porsche 996 GT3 RS 2003-04
- Porsche 997 MK1 TURBO 2007-09
- Porsche 997 MK1 GT3 2007-09
- Porsche 997 MKII GT3 2010-11
- Porsche 997 MKII Turbo 2010-13

Convient :
Porsche964 1990-94
Porsche993 1995-98
Porsche 996 Turbo / GT3
Porsche 997 Turbo / GT3
Cliquez sur « Zoomer » pour afficher le diagramme des grandes pièces.
Schéma réf n°4
Numéros de référence associés
Numéros associés, remplacés, de référence croisée ou alternatifs à des fins de comparaison.
99610117570
Le produit que vous consultez fait référence à ces numéros
- Porsche 964 (911) C2 1989-93
- Porsche 964 (911) C4 1989-93
- Porsche 964 (911) RS 3.6L 1991-93
- Porsche 964 (911) RS 3.8L 1991-93
- Porsche 964 (911) TURBO 3.3L 1991-93
- Porsche 964 (911) TURBO 3.6L 1991-93
- Porsche 993 (911) C2 1994-97
- Porsche 993 (911) C4 1994-97
- Porsche 993 (911) RS 1994-97
- Porsche 993 (911) C2S 1994-97
- Porsche 993 (911) C4S 1994-97
- Porsche 993 (911) TURBO 1994-96
- Porsche 993 (911) GT2 1994-97
- Porsche 993 (911) TURBO S 1994-97
- Porsche 996 TURBO 2000-05
- Porsche 996 GT3 MKII 2003>>
- Porsche 996 GT3 RS 2003-04
- Porsche 997 MK1 TURBO 2007-09
- Porsche 997 MK1 GT3 2007-09
- Porsche 997 MKII Turbo 2010-13

Plus besoin de marteler, de ciseler, de jurer, de chauffer, de forcer ou de prier pour démonter un carter de moteur 911. Le SR124 de STOMSKI RACING sépare ÉLÉGAMMENT et EN DOUCEUR les moitiés du carter moteur et non seulement raccourcit le processus de démontage du moteur, mais il protège également ce qui est sans aucun doute un atout coûteux - le carter moteur lui-même. Les rares # s correspondant au premier boîtier en aluminium moulé au sable de la 911S, ou le boîtier introuvable de la 911 GT3 RSR, ou le premier boîtier en magnésium qui semble si fragile, tous peuvent MAINTENANT être protégés de la menace du bloc de bois et du marteau en plomb, ou la torche, ou le levier et le ciseau.
Le SR124 comprend une plate-forme en aluminium usinée avec précision CNC que vous boulonnez à quatre goujons de tête (idéalement sur # 2 ou # 5) à l'aide des vis à oreilles incluses. Une vis d'entraînement surdimensionnée (acier inoxydable) est ensuite vissée à travers la plate-forme pour s'accoupler avec un roulement à charge élevée dans notre capuchon de tige spécialement conçu qui appuie contre l'axe du poignet de la bielle n ° 2 ou n ° 5 qui se trouve en bas. point mort. Lorsque vous utilisez lentement une clé ou un cliquet pour serrer la vis d'entraînement, le couple du séparateur SR124 est réparti uniformément sur l'ensemble du vilebrequin, en appuyant sur TOUS les 8 roulements principaux. Une fois le jeu rattrapé, seul un effort DOUX sur la vis d'entraînement est nécessaire pour séparer même les boîtiers les plus agressifs.
La plate-forme SR124 est conçue pour fonctionner sur tous les Mezger 911 (2.0 à 997) et comprend des inserts/manchons Delrin qui protègent les goujons de tête des rayures ou des coups.
- Porsche 911 1965-1968 2.0L / 912 SWB (F)
- Porsche 911 1968-1973 2.2L / 2.4L / 2.7L RS LWB (F)
- Porsche 911 1974-1977 2.7L / 1976-77 3.0 Carrera
- Porsche 911 1978-1983 3.0L / SC
- Porsche 911 1984-1986 3.2L
- Porsche 911 1987-1989 3.2L G50
- Porsche 911 1975-1977 3.0L Turbo (930)
- Porsche 911 1978-1989 3.3L Turbo (930)
- Porsche 964 (911) C2 1989-93
- Porsche 964 (911) C4 1989-93
- Porsche 964 (911) RS 3.6L 1991-93
- Porsche 964 (911) RS 3.8L 1991-93
- Porsche 964 (911) TURBO 3.3L 1991-93
- Porsche 964 (911) TURBO 3.6L 1991-93
- Porsche 993 (911) C2 1994-97
- Porsche 993 (911) C4 1994-97
- Porsche 993 (911) RS 1994-97
- Porsche 993 (911) C2S 1994-97
- Porsche 993 (911) C4S 1994-97
- Porsche 993 (911) TURBO 1994-96
- Porsche 993 (911) GT2 1994-97
- Porsche 993 (911) TURBO S 1994-97
- Porsche 996 C2 3.4L 1997-08/01
- Porsche 996 C4 3.4L 1997-08/01
- Porsche 996 C2 3.6L 09/01-2005
- Porsche 996 C4 3.6L 09/01-2005
- Porsche 996 C4S 3.6L 09/01-2005
- Porsche 996 TURBO 2000-05
- Porsche 996 GT2 2001-05
- Porsche 996 GT3 MKI 1999-02
- Porsche 996 GT3 MKII 2003>>
- Porsche 996 GT3 RS 2003-04
- Porsche 997 MK1 Carrera 2 3.6L 2005-08
- Porsche 997 MK1 Carrera 2S 3.8L 2005-08
- Porsche 997 MK1 Carrera 4 3.6L 2005-08
- Porsche 997 MK1 Carrera 4S 3.8L 2005-08
- Porsche 997 MK1 TURBO 2007-09
- Porsche 997 MK1 GT3 2007-09
- Porsche 997 MK1 GT2 2007-09
Carter de carter gauche.

Convient :
Porsche993 1996>>
Porsche 996 Turbo 2001-05
Porsche 997.1 Turbo 2007-09
Porsche996 GT3 3.6L 1999-05
Porsche997 GT3 3.8L/4.0L 2009-11
Cliquez sur « Zoomer » pour afficher le diagramme des grandes pièces.
Schéma réf n°19
Numéros de référence associés
Numéros associés, remplacés, de référence croisée ou alternatifs à des fins de comparaison.
99913604401
Le produit que vous consultez fait référence à ces numéros
- Porsche 993 (911) C2 1994-97
- Porsche 993 (911) C4 1994-97
- Porsche 993 (911) RS 1994-97
- Porsche 993 (911) C2S 1994-97
- Porsche 993 (911) C4S 1994-97
- Porsche 993 (911) TURBO 1994-96
- Porsche 993 (911) GT2 1994-97
- Porsche 993 (911) TURBO S 1994-97
- Porsche 996 TURBO 2000-05
- Porsche 996 GT2 2001-05
- Porsche 996 GT3 MKI 1999-02
- Porsche 996 GT3 MKII 2003>>
- Porsche 996 GT3 RS 2003-04
- Porsche 997 MK1 TURBO 2007-09
- Porsche 997 MK1 GT3 2007-09
- Porsche 997 MK1 GT2 2007-09
Vendu à l'unité.

Compatible avec :
Porsche 993 1994-98
Porsche 996 GT3 2001-05
Porsche 996 TURBO 2001-05
Porsche 997 TURBO 2007-09
Porsche 997 TURBO MKII 2010-13
Schéma réf. n° 3
Numéros de référence associés
Numéros associés, remplacés, de référence croisée ou alternatifs à des fins de comparaison.
91110118501
Le produit que vous consultez fait référence à ces numéros
- Porsche 993 (911) C2 1994-97
- Porsche 993 (911) C4 1994-97
- Porsche 993 (911) RS 1994-97
- Porsche 993 (911) C2S 1994-97
- Porsche 993 (911) C4S 1994-97
- Porsche 993 (911) TURBO 1994-96
- Porsche 993 (911) GT2 1994-97
- Porsche 993 (911) TURBO S 1994-97
- Porsche 996 TURBO 2000-05
- Porsche 996 GT2 2001-05
- Porsche 996 GT3 MKI 1999-02
- Porsche 996 GT3 MKII 2003>>
- Porsche 996 GT3 RS 2003-04
- Porsche 997 MK1 TURBO 2007-09
- Porsche 997 MKII Turbo 2010-13
Vendu chacun.

Convient :
Porsche911 1965-89
Porsche964 1989-94
Porsche993 1995-98
Porsche 996 Turbo 2001-05
Porsche996 GT3 3.6L 1999-05
Porsche 997.1 Turbo 2007-09
Porsche997 GT3 3.6L 2006-09
Porsche914-6 1970-76
Cliquez sur « Zoomer » pour afficher le diagramme des grandes pièces.
Schéma réf n°4
Numéros de référence associés
Numéros associés, remplacés, de référence croisée ou alternatifs à des fins de comparaison.
90006010601
Le produit que vous consultez fait référence à ces numéros
- Porsche 911 1965-1968 2.0L / 912 SWB (F)
- Porsche 911 1968-1973 2.2L / 2.4L / 2.7L RS LWB (F)
- Porsche 911 1974-1977 2.7L / 1976-77 3.0 Carrera
- Porsche 911 1978-1983 3.0L / SC
- Porsche 911 1984-1986 3.2L
- Porsche 911 1987-1989 3.2L G50
- Porsche 911 1975-1977 3.0L Turbo (930)
- Porsche 911 1978-1989 3.3L Turbo (930)
- Porsche 964 (911) C2 1989-93
- Porsche 964 (911) C4 1989-93
- Porsche 964 (911) RS 3.6L 1991-93
- Porsche 964 (911) RS 3.8L 1991-93
- Porsche 964 (911) TURBO 3.3L 1991-93
- Porsche 964 (911) TURBO 3.6L 1991-93
- Porsche 993 (911) C2 1994-97
- Porsche 993 (911) C4 1994-97
- Porsche 993 (911) RS 1994-97
- Porsche 993 (911) C2S 1994-97
- Porsche 993 (911) C4S 1994-97
- Porsche 993 (911) TURBO 1994-96
- Porsche 993 (911) GT2 1994-97
- Porsche 993 (911) TURBO S 1994-97
- Porsche 996 TURBO 2000-05
- Porsche 996 GT2 2001-05
- Porsche 996 GT3 MKI 1999-02
- Porsche 996 GT3 MKII 2003>>
- Porsche 997 MK1 TURBO 2007-09
- Porsche 997 MK1 GT3 2007-09
- Porsche 997 MK1 GT2 2007-09
- Porsche 914 (1970-1976)
Vendu pièce.

Convient :
Porsche 911 1965-89
Porsche 964 1989-94
Porsche 993 1995-98
Porsche 996 Turbo 2001-05
Porsche 996 GT3 3.6L 1999-05
Porsche 997.1 Turbo 2007-09
Porsche 997 GT3 3.6L 2006-09
Porsche 914-6 1970-76
Cliquez sur "Zoom avant" pour le schéma des grandes pièces.
Schéma réf n° 11
Numéros de référence associés
Numéros associés, remplacés, de référence croisée ou alternatifs à des fins de comparaison.
90006010601
Le produit que vous consultez fait référence à ces numéros
- Porsche 911 1965-1968 2.0L / 912 SWB (F)
- Porsche 911 1968-1973 2.2L / 2.4L / 2.7L RS LWB (F)
- Porsche 911 1974-1977 2.7L / 1976-77 3.0 Carrera
- Porsche 911 1978-1983 3.0L / SC
- Porsche 911 1984-1986 3.2L
- Porsche 911 1987-1989 3.2L G50
- Porsche 911 1975-1977 3.0L Turbo (930)
- Porsche 911 1978-1989 3.3L Turbo (930)
- Porsche 964 (911) C2 1989-93
- Porsche 964 (911) C4 1989-93
- Porsche 964 (911) RS 3.6L 1991-93
- Porsche 964 (911) RS 3.8L 1991-93
- Porsche 964 (911) TURBO 3.3L 1991-93
- Porsche 964 (911) TURBO 3.6L 1991-93
- Porsche 993 (911) C2 1994-97
- Porsche 993 (911) C4 1994-97
- Porsche 993 (911) RS 1994-97
- Porsche 993 (911) C2S 1994-97
- Porsche 993 (911) C4S 1994-97
- Porsche 993 (911) TURBO 1994-96
- Porsche 993 (911) GT2 1994-97
- Porsche 993 (911) TURBO S 1994-97
- Porsche 996 TURBO 2000-05
- Porsche 996 GT2 2001-05
- Porsche 996 GT3 MKI 1999-02
- Porsche 996 GT3 MKII 2003>>
- Porsche 997 MK1 TURBO 2007-09
- Porsche 997 MK1 GT3 2007-09
- Porsche 997 MK1 GT2 2007-09
- Porsche 914 (1970-1976)
Pièces de carter de précision – Résistance, équilibre et fiabilité pour moteurs Porsche
Le carter moteur constitue le cœur de chaque moteur Porsche et abrite les principaux composants rotatifs tels que le vilebrequin, les paliers et les bielles. Il assure la rigidité structurelle, la rétention d'huile et l'alignement précis des pièces mobiles du moteur, ce qui en fait un élément essentiel à la performance et à la longévité du moteur.
Chez Design911, nous proposons une large gamme de composants de carter de précision, notamment des coussinets de palier, des joints, des soupapes de reniflard, des goujons, des bouchons et des fixations, tous fabriqués selon des tolérances rigoureuses. Chaque pièce est fabriquée à partir de matériaux haute résistance et résistants à la chaleur pour garantir durabilité et performances dans les conditions de conduite les plus exigeantes.
Que vous restauriez une 911 refroidie par air ou que vous entreteniez une 992 moderne, nos pièces de carter de qualité fabricant garantissent un ajustement parfait, une étanchéité à l'huile et des performances fiables pour les années à venir.
À quoi servent les pièces du carter ?
Les composants du carter jouent des rôles structurels et de lubrification essentiels dans le moteur, protégeant les pièces internes et maintenant l'équilibre de la pression.
Fonctions principales :
- Abritez et soutenez le vilebrequin, les bielles et les roulements.
- Contenir et distribuer l’huile pour lubrifier les composants mobiles.
- Maintenir la rigidité structurelle pour éviter les vibrations et les désalignements.
- Contrôlez la ventilation du carter pour réduire la contamination de l'huile et l'accumulation de pression.
Dans les moteurs Porsche classiques comme dans les moteurs hautes performances, le carter assure la stabilité, une rotation fluide et une gestion fiable de l'huile, essentielles à une puissance constante et à une usure réduite.
Pourquoi les pièces du carter tombent-elles en panne ?
Au fil du temps, les composants du carter peuvent se dégrader sous l'effet des cycles thermiques, des vibrations, de la contamination de l'huile et de la fatigue mécanique. Négligées, ces défaillances peuvent entraîner des fuites d'huile, un déséquilibre de pression, voire des dommages catastrophiques au moteur.
Les causes courantes d’échec comprennent :
- Usure du joint d'huile provoquant des fuites et des pertes de pression.
- Fatigue des roulements due à une charge élevée prolongée ou à une faible pression d'huile.
- Surfaces déformées en raison d'une surchauffe ou de la corrosion.
- Soupapes de reniflard obstruées provoquant une accumulation de pression et une fuite d'huile.
- Fatigue des fixations entraînant un desserrage structurel ou des vibrations.
Le remplacement des pièces usées du carter lors d'une reconstruction ou d'un intervalle d'entretien du moteur est essentiel pour préserver le contrôle de l'huile, l'alignement et l'intégrité du vilebrequin.
Pourquoi remplacer par des pièces de carter conçues avec précision ?
Des composants de carter de haute qualité garantissent que votre moteur Porsche conserve sa résistance, sa capacité d'étanchéité et son alignement précis, essentiels pour les performances, la fiabilité et la longévité.
Principaux avantages :
- Restaure l'alignement interne pour une rotation en douceur du vilebrequin.
- Empêche les fuites d'huile et les pertes de pression , préservant ainsi les performances du moteur.
- Améliore le contrôle de la lubrification et la durée de vie des roulements.
- Réduit les vibrations et le bruit causés par des composants usés ou desserrés.
- Fabriqué à partir de matériaux résistants à la corrosion et à la chaleur pour une résistance durable.
- Ajustement et tolérance parfaits pour les moteurs Porsche refroidis par air et par eau .
Les ingénieurs et les restaurateurs font confiance aux pièces de carter de précision pour maintenir la fiabilité légendaire et l'équilibre mécanique de Porsche, que ce soit sur la route ou sur la piste.
Points forts:
- Gamme complète de joints de carter, de roulements, de boulons et de composants de reniflard.
- Pièces usinées avec précision conçues pour des performances à haute charge et à haute température.
- Matériaux et tolérances de qualité fabricant.
- Parfait pour les restaurations de moteurs classiques et les reconstructions hautes performances.
- Améliore la gestion de l’huile, la rigidité structurelle et la fiabilité.
- Compatible avec les architectures de moteurs Porsche refroidies par air et modernes.