Pièces de commande de changement de vitesse
Problèmes courants et symptômes d'usure. Au fil du temps, les bagues et la tringlerie s'usent, ce qui entraîne un jeu accru dans le mécanisme de changement de vitesse. Un autre symptôme typique est le grincement des engrenages, en particulier entre la 1re et la 2e vitesse, dû à un mauvais alignement ou à un mouvement excessif de l'accouplement. Dans certains cas, le remplacement des bagues de friction peut réduire temporairement le jeu. Mais lorsque l'usure est trop importante, l'accouplement de la tige de changement de vitesse doit être remplacé dans son intégralité.
Convient à :
Porsche 911 1965>>1986
Le kit de réparation contient :
- 91142402404 x1 Accouplement de tige de changement de vitesse (référence de schéma n° 9)
- 91142413901 x1 Douille à rotule (référence schéma n° 4)
- 91442422400 x1 Bague de friction (Référence schéma n° 13)
- 90142422900 x2 Vis conique (Réf. schéma n° 2)
Numéros de référence associés
Numéros associés, remplacés, de référence croisée ou alternatifs à des fins de comparaison.
PCG42402000
Le produit que vous consultez fait référence à ces numéros
- Porsche 911 1965-1968 2.0L / 912 SWB (F)
- Porsche 911 1968-1973 2.2L / 2.4L / 2.7L RS LWB (F)
- Porsche 911 1974-1977 2.7L / 1976-77 3.0 Carrera
- Porsche 911 1978-1983 3.0L / SC
- Porsche 911 1984-1986 3.2L
- Porsche 911 1975-1977 3.0L Turbo (930)
Le kit comprend
Botte de liaison - intérieure x 1
Soufflet de liaison - extérieur x 1
Convient :
Porsche 911 - 1965 à 1971
Porsche 912 - 1965 à 1971
Cliquez sur « Zoomer » pour afficher le diagramme des grandes pièces.
Schéma réf n°10 et 12
Numéros de référence associés
Numéros associés, remplacés, de référence croisée ou alternatifs à des fins de comparaison.
90142429202
Le produit que vous consultez fait référence à ces numéros
- Porsche 911 1965-1968 2.0L / 912 SWB (F)
- Porsche 911 1968-1973 2.2L / 2.4L / 2.7L RS LWB (F)

Convient à :
Porsche 911 1970>>1973
Porsche 911 1974>>1977
Porsche 911 SC / Turbo 1978>>1983
Porsche 911 1984>>1986
Porsche 911 1987>>1988
Porsche 911 / 912 1969>>
Porsche 911 Turbo 1975>>1977
Porsche 914-6/4 1970>>1972
Schéma de référence n° 21
Numéros de référence associés
Numéros associés, remplacés, de référence croisée ou alternatifs à des fins de comparaison.
93042403101
Le produit que vous consultez fait référence à ces numéros
- Porsche 911 1965-1968 2.0L / 912 SWB (F)
- Porsche 911 1968-1973 2.2L / 2.4L / 2.7L RS LWB (F)
- Porsche 911 1974-1977 2.7L / 1976-77 3.0 Carrera
- Porsche 911 1978-1983 3.0L / SC
- Porsche 911 1984-1986 3.2L
- Porsche 911 1987-1989 3.2L G50
- Porsche 911 1975-1977 3.0L Turbo (930)
- Porsche 911 1978-1989 3.3L Turbo (930)
- Porsche 914 (1970-1976)


Convient :
Porsche 911 1965-69
Porsche 911 1970-71
Cliquez sur "Zoom avant" pour le schéma des grandes pièces.
Diagramme Réf N°12
Numéros de référence associés
Numéros associés, remplacés, de référence croisée ou alternatifs à des fins de comparaison.
90142429302
Le produit que vous consultez fait référence à ces numéros
- Porsche 911 1965-1968 2.0L / 912 SWB (F)
- Porsche 911 1968-1973 2.2L / 2.4L / 2.7L RS LWB (F)

Compatible avec :
Porsche 911 1965-69
Porsche 911 1970-71
Cliquez sur « Zoom avant » pour un schéma de pièces de grande taille.
Schéma réf. n° 12
Numéros de référence associés
Numéros associés, remplacés, de référence croisée ou alternatifs à des fins de comparaison.
90142429302
Le produit que vous consultez fait référence à ces numéros
- Porsche 911 1965-1968 2.0L / 912 SWB (F)
- Porsche 911 1968-1973 2.2L / 2.4L / 2.7L RS LWB (F)
Convient à :
Porsche 911 - 1970 à 1986
Pour les voitures avec boîte de vitesses 915
Schéma de référence n° 11
Numéros de référence associés
Numéros associés, remplacés, de référence croisée ou alternatifs à des fins de comparaison.
91142406304
Le produit que vous consultez fait référence à ces numéros
- Porsche 911 1968-1973 2.2L / 2.4L / 2.7L RS LWB (F)
- Porsche 911 1974-1977 2.7L / 1976-77 3.0 Carrera
- Porsche 911 1978-1983 3.0L / SC
- Porsche 911 1984-1986 3.2L

Compatible avec :
Porsche 911 1965-1972
Porsche 912 1965-1969
Porsche 914 1970-1976
Veuillez noter:
Non disponible en tant que pièce séparée chez Porsche
Levier de vitesse de rechange chromé uniquement
N'inclut pas le quadrant de décalage inférieur
Le client doit remplacer son levier de vitesse d'origine
Nécessite de l'époxy pour l'installation
Cliquez sur « Zoom avant » pour un schéma de pièces de grande taille.
Schéma réf. n° 3
Numéros de référence associés
Numéros associés, remplacés, de référence croisée ou alternatifs à des fins de comparaison.
91442401600K
Le produit que vous consultez fait référence à ces numéros
- Porsche 911 1965-1968 2.0L / 912 SWB (F)
- Porsche 911 1968-1973 2.2L / 2.4L / 2.7L RS LWB (F)
- Porsche 914 (1970-1976)


Convient :
Porsche 911 1965-86 (pas pour les voitures à boîte de vitesses G50)
Porsche 914-6/4 >>1972
Porsche 914 1973>>
Porsche 924 Turbo 1976-85 (transmission manuelle)
Porsche 924 Carrera GT 1981 (boite manuelle)
Cliquez sur "Zoom avant" pour le schéma des grandes pièces.
Diagramme Réf N° 60
Numéros de référence associés
Numéros associés, remplacés, de référence croisée ou alternatifs à des fins de comparaison.
90142422901
Le produit que vous consultez fait référence à ces numéros
- Porsche 911 1965-1968 2.0L / 912 SWB (F)
- Porsche 911 1968-1973 2.2L / 2.4L / 2.7L RS LWB (F)
- Porsche 911 1974-1977 2.7L / 1976-77 3.0 Carrera
- Porsche 911 1978-1983 3.0L / SC
- Porsche 911 1984-1986 3.2L
- Porsche 911 1975-1977 3.0L Turbo (930)
- Porsche 911 1978-1989 3.3L Turbo (930)
- Porsche 924 Turbo 2.0L 1979-81
- Porsche 924 Turbo 2.0L 1982-84
- Porsche 924 Carrera GT 2.0L 1981
- Porsche 914 (1970-1976)
Convient à :
Porsche 911 1974-86 avec transmission 915
Le levier de vitesses court Rennline ExactShift monté sur châssis pour Porsche 911 (1974-1986) offre un niveau de performances inédit à votre boîte de vitesses 915. Le levier de vitesses d'origine manque de précision et de réglage, ce qui laisse une marge de progression certaine. Notre levier corrige ces défauts de conception pour vous permettre de l'adapter précisément à votre style de conduite, sur circuit comme en dehors. Le tout dans un design attrayant et esthétique, avec le niveau de qualité, d'ingénierie et de fabrication que vous attendez de Rennline.
• Fabriqué à partir d'aluminium de qualité aéronautique usiné CNC
• 4 positions de réglage de la course du levier de vitesses pour des changements de vitesse rapides et précis
• Levier de vitesses allongé positionnant le pommeau de levier de vitesses plus près du volant pour un contrôle ultime
• Mouvement latéral du levier de vitesses en position neutre réglable
• Action du levier de changement de vitesse avec retour au centre
• Soufflet en caoutchouc inclus pour sceller l'ouverture du levier de vitesses • et levier pour un look OEM+
• Verrouillage de marche arrière via un câble acheminé en interne
• Se monte directement sur le tunnel de transmission à l'aide du matériel fourni
• Conserve le coupleur de changement de vitesse OEM et d'autres composants pour une installation boulonnée
• Disponible en finition anodisée noire ou argentée
• Pommeau de levier de vitesse en aluminium inclus (compatible avec tous les pommeaux de levier de vitesse Rennline actuels)
Numéros de référence associés
Numéros associés, remplacés, de référence croisée ou alternatifs à des fins de comparaison.
TR04
Le produit que vous consultez fait référence à ces numéros
- Porsche 911 1965-1968 2.0L / 912 SWB (F)
- Porsche 911 1968-1973 2.2L / 2.4L / 2.7L RS LWB (F)
- Porsche 911 1974-1977 2.7L / 1976-77 3.0 Carrera
- Porsche 911 1978-1983 3.0L / SC
- Porsche 911 1975-1977 3.0L Turbo (930)
- Porsche 911 1978-1989 3.3L Turbo (930)

Convient :
Porsche 911 1974-86 avec boite 915
• Tige de connexion, arbre de douille et vis de réglage en acier au carbone revêtu de zinc jaune
• Inserts de bague Delrin à faible friction
• Sensation plus directe du levier de vitesses grâce à des tolérances serrées
• Remplacement direct de la version OEM
• Survit au coupleur d'usine
• Compatible avec Rennline TR04 ExactShift Billet Short Shifter
• Logo Rennline gravé
Numéros de référence associés
Numéros associés, remplacés, de référence croisée ou alternatifs à des fins de comparaison.
TR10
Le produit que vous consultez fait référence à ces numéros
- Porsche 911 1968-1973 2.2L / 2.4L / 2.7L RS LWB (F)
- Porsche 911 1974-1977 2.7L / 1976-77 3.0 Carrera
- Porsche 911 1978-1983 3.0L / SC

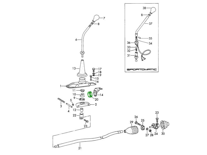
La bague de friction Porsche est un composant d'origine OEM conçu pour le support de la tige de levier de vitesses des modèles Porsche classiques. Agissant comme une bague coulissante, elle assure un mouvement fluide et précis de la tige de levier de vitesses, garantissant un engagement fiable des vitesses et réduisant le jeu indésirable du mécanisme de changement de vitesses.
Convient à :
- Porsche 911 1965-1968 2.0L / 912 SWB (F)
Ce que fait ce produit :
Il se trouve dans le support/la zone de montage de la tige de changement de vitesse, où celle-ci coulisse à travers un guide ou un support. La bague de friction assure une interface fluide et contrôlée : elle guide la tige, réduit les vibrations et le jeu, et offre une résistance pour un changement de vitesse fluide.
Symptômes d'une bague de friction défectueuse ou usée :
Changement de vitesse lâche ou bâclé.
Bruits de cliquetis / claquements près de la boîte de vitesses ou sous la voiture lors du changement de vitesse.
Mauvaise sensation de changement de vitesse — engagement des vitesses irrégulier, qui fait glisser les articulations ou qui est irrégulier.
Usure accélérée des surfaces de la tige de changement de vitesse / du support.
Dans certains cas, la tige de changement de vitesse peut se coincer ou se bloquer si des débris pénètrent dans la zone usée ou si la bague est trop lâche.
Pourquoi le remplacement est important :
- Maintient des changements de vitesse précis — une sensation de changement de vitesse solide et précise est importante, en particulier dans les voitures anciennes/classiques.
- Empêche d'endommager davantage la tige de changement de vitesse, le support ou les composants de liaison — une bague usée endommage les pièces métalliques adjacentes.
- Réduit le bruit/les vibrations — un jeu ou un cliquetis indésirable peut être irritant et également un signe d’usure ailleurs.
Schéma de référence n° 20
Numéros de référence associés
Numéros associés, remplacés, de référence croisée ou alternatifs à des fins de comparaison.
90142429102
Le produit que vous consultez fait référence à ces numéros
- Porsche 911 1965-1968 2.0L / 912 SWB (F)


Convient :
Porsche 911 1987-89 G50 BOITE DE VOITURES
Cliquez sur "Zoom avant" pour le schéma des grandes pièces.
Schéma réf n° 19.
Numéros de référence associés
Numéros associés, remplacés, de référence croisée ou alternatifs à des fins de comparaison.
99907402303
Le produit que vous consultez fait référence à ces numéros
- Porsche 911 1987-1989 3.2L G50
- Porsche 911 1978-1989 3.3L Turbo (930)


Convient :
Porsche 911 1965-86
Porsche 914-6/4 >>1972
(Pas pour les voitures à boîte de vitesses G50)
Diagramme Réf N° 58
- Porsche 911 1965-1968 2.0L / 912 SWB (F)
- Porsche 911 1968-1973 2.2L / 2.4L / 2.7L RS LWB (F)
- Porsche 911 1974-1977 2.7L / 1976-77 3.0 Carrera
- Porsche 911 1978-1983 3.0L / SC
- Porsche 911 1984-1986 3.2L
- Porsche 911 1975-1977 3.0L Turbo (930)
- Porsche 911 1978-1989 3.3L Turbo (930)
- Porsche 914 (1970-1976)


Convient :
Porsche 911 1987-89 G50 BOITE DE VOITURES
Cliquez sur "Zoom avant" pour le schéma des grandes pièces.
Schéma réf n° 5.
Numéros de référence associés
Numéros associés, remplacés, de référence croisée ou alternatifs à des fins de comparaison.
95042413100
Le produit que vous consultez fait référence à ces numéros
- Porsche 911 1987-1989 3.2L G50
- Porsche 911 1978-1989 3.3L Turbo (930)


Convient :
Porsche 911 1987-89 G50 BOITE DE VOITURES
Cliquez sur "Zoom avant" pour le schéma des grandes pièces.
Schéma réf n° 22.
Numéros de référence associés
Numéros associés, remplacés, de référence croisée ou alternatifs à des fins de comparaison.
95042418000
Le produit que vous consultez fait référence à ces numéros
- Porsche 911 1987-1989 3.2L G50
- Porsche 911 1978-1989 3.3L Turbo (930)


Convient :
Porsche 911 1987-89 G50 BOITE DE VOITURES
Cliquez sur "Zoom avant" pour le schéma des grandes pièces.
Schéma réf n° 6.
Numéros de référence associés
Numéros associés, remplacés, de référence croisée ou alternatifs à des fins de comparaison.
N0126531
Le produit que vous consultez fait référence à ces numéros
- Porsche 911 1987-1989 3.2L G50
- Porsche 911 1978-1989 3.3L Turbo (930)