Veuillez patienter… 
Veuillez patienter pendant que nous traitons votre commande,
n'appuyez pas sur le bouton de retour… 
Design 911 Design 911 supply Porsche parts, Porsche spares and Porsche accessories, to both retail and to the trade. Our Porsche product and accessory range includes brakes, exhausts, tyres, wheels and Porsche panels and interiors. https://www.design91.uk/images/schemaLogo.png https://www.design91.uk/images/schemaLogo.png +443456003478 https://www.design91.uk Facebook Instagram

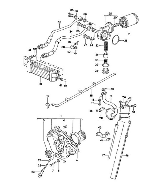
Lubrification du moteur / Refroidisseur d'huile moteur 924 TURBO/GT 1980 - 1985 - PORSCHE

Cliquez sur les numéros d'image pour afficher les informations sur le produit

Diagram 104-005 Porsche 997 (911) MK1 2005-2008 Moteur SKU: 046115105A, pompe à huile prête à être installée SKU: N0331781, vis à tête fraisée m 6 x 15 SKU: PCG115147, joint d'étanchéité 35 x 54 x 10 SKU: PCG115189A, joint d'étanchéité SKU: N0103393, boulon à tête hexagonale m 6 x 40,SKU: N0102213, boulon à tête hexagonale m 6 x 35 SKU: N0115576, laveuse 6,4 SKU: 047115251B, tuyau d'admission SKU: 047115267C, support de retenue SKU: 047115285, collier de serrage pour tuyau SKU: 048115257, joint d'étanchéité SKU: 048115259, laveuse de languette SKU: N90057201, vis à tête hexagonale creuse m 6 x 15 SKU: PCG010210A, boulon à tête hexagonale m 6 x 10 SKU: PCG012226F, rondelle élastique a 6 SKU: 93110770100, filtre à huile SKU: 047115611A, jauge de niveau d'huile SKU: 047103635, tube de guidage SKU: 047115701, tube de projection d'huile SKU: PCG115708, adaptateur SKU: 059115721, union SKU: 056115411A, piston SKU: 068115421, ressort de compression SKU: 046115419, corps de vanne soupape de décharge SKU: N0438152, joint d'étanchéité un 20 x 24 SKU: N0438152, joint d'étanchéité un 20 x 24 SKU: 93110715100, support pour filtre à huile SKU: 99970162140, joint torique 63,09 x 3,53 SKU: 046115579A, boulon banjo SKU: 93110715200, bouchon à vis SKU: 90012309870, joint d'étanchéité un 42 x 49 SKU: 92810717300, ressort de compression SKU: 92810717202, insert de régulateur SKU: 92810717101, ressort de compression SKU: 93110712711, oléoduc moteur refroidisseur d'huile,SKU: 93110712712, oléoduc moteur refroidisseur d'huile SKU: 93110712911, oléoduc moteur refroidisseur d'huile,SKU: 93110712912, oléoduc moteur refroidisseur d'huile SKU: 99913402302, boulon banjo SKU: 99913402302, boulon banjo SKU: 90012310630, joint d'étanchéité un 18 x 24 SKU: 90012310630, joint d'étanchéité un 18 x 24 SKU: 90012310630, joint d'étanchéité un 18 x 24 SKU: 93110712501, support de retenue SKU: 99951106602, serrer SKU: 93120705101, refroidisseur d'huile moteur,SKU: 93120705104, refroidisseur d'huile moteur SKU: 90037803001, boulon à tête hexagonale m 6 x 20 SKU: 056129669B, œillet SKU: 056129669B, œillet SKU: 052109135, manchon d'espacement SKU: 052109135, manchon d'espacement SKU: 93110715400, soutien SKU: 047115645, collier de serrage pour tuyau SKU: 90006701103, vis à tête cylindrique m 6 x 20 SKU: N02214812, écrou m 6,SKU: 90007601003, écrou m 6 104-005